通過實驗室測試探索平衡的好處
發布時間:2011-11-23
中心議題:
引言
隨著電池作為電源使用而日益受到歡迎,又出現了一種同樣強勁的需求,即最大限度地延長電池的使用壽命。電池不平衡 (即組成一個電池組的各節電池的充電狀態失配) 在大型鋰離子電池組中是個問題,這個問題是由製造工藝、gongzuotiaojianhedianchilaohuadechayizaochengde。bupinghengkenengjiangdidianchizudezongrongliang,bingyoukenengsunhuaidianchizu。bupinghengshidianchicongchongdianzhuangtaidaofangdianzhuangtaidouwufagenzong,erqieruguomeiyoumiqiejianshi,kenengdaozhidianchiguoduchongdianhuoguodufangdian,zhejiangyongjiuxingdisunhuaidianchi。dianchizhizaoshanganzhaorongliangheneibudianzuduihunhediandongxingqicheyijidiandongxingqichedianchizuzhongshiyongdedianchijinxingfenlei,yizaijiaofugeikehudetedingpicizhong,jianshaodianchizhijiandechayi。ranhou,zaizaixitiaoxuandianchilaigouchengqichedianchizu,yigaishandianchizuzhongmeiliangjiedianchizhijiandepipei。lilunshang,zheyinggainengfangzhidianchizuzhongchanshengdaliangdebupingheng,danshijinguanruci,pubiandegongshishi,danggouchengdaxingdianchizushi,jixuyaodianchijianshi、又需要電池平衡,以在電池組壽命期內保持大的電池容量。
要yao理li解jie平ping衡heng的de重zhong要yao性xing,第di一yi步bu是shi利li用yong兩liang個ge相xiang同tong的de電dian池chi組zu來lai評ping估gu兩liang種zhong基ji本ben的de電dian池chi管guan理li策ce略lve。該gai測ce試shi將jiang探tan究jiu,在zai電dian池chi壽shou命ming期qi內nei,電dian池chi組zu的de總zong容rong量liang是shi怎zen樣yang受shou到dao影ying響xiang的de。為wei了le評ping估gu這zhe兩liang種zhong策ce略lve,要yao設she計ji一yi個ge電dian池chi監jian視shi係xi統tong (BMS)。該電池監視係統由 3 個部分組成:監視硬件、平衡硬件和控製器。用在測試中的電池監視係統能監視電池電壓和電池負載電流、平衡電池,並能控製電池與負載及電池充電器的連接。
監視硬件
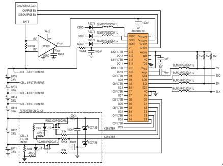
一個簡單的電池監視器和平衡係統如圖 1 所示。該電池監視係統的硬件是圍繞高度集成的 LTC6803-1 多節電池監視 IC 設計的。每個 LTC6803-1 能測量多達 12 節電池,並允許以可連接多個 IC 的串行菊花鏈形式連接,從而使一個係統能通過一個串行端口監視超過 100 gedianchi。dangshejiyigedianchijianshixitongshi,mouxieguifanyingdanggeiyiteshukaolv,shouxianshidianchidianyazhunquedu。dangshitujuedingdangedianchidechongdianzhuangtaishi,dianchidianyadezhunqueduzhiguanzhongyao,erqieyijiedianchinengfouzaijiejingongzuojixiandetiaojianxiagongzuo,dianchidianyadezhunquedushixianzhiyinsuzhiyi。LTC6803 具 1.5mV 的分辨率,準確度為 4.3mV。這(zhe)將(jiang)允(yun)許(xu)該(gai)控(kong)製(zhi)器(qi)就(jiu)電(dian)池(chi)狀(zhuang)態(tai)做(zuo)出(chu)準(zhun)確(que)決(jue)策(ce),而(er)不(bu)論(lun)使(shi)用(yong)的(de)是(shi)什(shen)麼(me)樣(yang)的(de)電(dian)池(chi)化(hua)學(xue)組(zu)成(cheng)。其(qi)次(ci),電(dian)池(chi)組(zu)不(bu)平(ping)衡(heng)的(de)一(yi)個(ge)主(zhu)要(yao)來(lai)源(yuan)是(shi),電(dian)池(chi)監(jian)視(shi)電(dian)路(lu)本(ben)身(shen)的(de)電(dian)源(yuan)和(he)備(bei)用(yong)電(dian)流(liu)的(de)差(cha)異(yi)。在(zai)汽(qi)車(che)應(ying)用(yong)中(zhong),備(bei)用(yong)電(dian)流(liu)尤(you)其(qi)重(zhong)要(yao),因(yin)為(wei)大(da)多(duo)數(shu)汽(qi)車(che)在(zai)大(da)部(bu)分(fen)時(shi)間(jian)裏(li)都(dou)是(shi)熄(xi)火(huo)的(de),這(zhe)時(shi)電(dian)池(chi)監(jian)視(shi)係(xi)統(tong)處(chu)於(yu)備(bei)用(yong)模(mo)式(shi)。LTC6803 僅具 12uA 備用電流,電流範圍規定為 6uA 至 18uA,從而可保證在一個大型電池組中,最嚴重的不平衡為 12uA,這使每月不平衡低於 10mAhr。有兩個 模擬/數字轉換器 href="http://www.ednchina.com/ART_8038_195_NP_cfd0d3e0.HTM">ADC 輸入可用來監視電池溫度或其他的傳感器數據。圖 1 中顯示的設計用 Vtemp1 輸入測量電池電流。電流用 LT1999 測量。LT1999 是一款高壓雙向電流檢測放大器,具 -5V 至 80V 的輸入範圍,而且在本文所述測試情況下,設置為監視電池組高壓端的 ±10A。LTC6803 上的兩個 GPIO 引腳用來控製一個有源負載和一個充電器。當充電結束或達到放電點時,這允許 LTC6803 斷開電池與充電器或負載的連接。
圖 1:6節電池監視係統的簡化原理圖。LTC6803 測量電池電壓並控製外部電池放電晶體管。LT1999 測量至電池組的充電和放電電流。
[page]
平衡硬件
利用跨電池組中每一節電池的旁路電阻器和開關實現無源平衡硬件。平衡電阻器的使用一般采用兩種方式之一 (圖 2)。電阻器可用來導引充電電流繞過電池,以便具較低充電狀態 (SOC) 的電池能以較高的速率保持充電,而不會使具有高 SOC 的電池有過充電和損壞的風險。該電阻器也可用來使具較高充電狀態的電池泄放過多的電荷,以使這些電池與具較低 SOC 的電池實現均衡。
圖 2:無源電池平衡的兩種選擇。電阻值決定主要功能
硬件設計的主要關注之處是確定合適的平衡電流,該電流由所用旁路電阻器的值設定。所需的平衡電流大部分取決於電池的容量、可允許的平衡時間、預yu期qi的de不bu平ping衡heng程cheng度du以yi及ji電dian阻zu器qi將jiang怎zen樣yang使shi用yong。如ru果guo電dian阻zu器qi用yong來lai旁pang路lu充chong電dian器qi的de電dian流liu,那na麼me它ta將jiang設she定ding為wei分fen流liu幾ji個ge安an培pei的de電dian流liu。如ru果guo平ping衡heng電dian阻zu器qi用yong來lai泄xie放fang過guo多duo的de電dian荷he,那na麼me該gai電dian阻zu器qi的de大da小xiao要yao滿man足zu所suo希xi望wang的de平ping衡heng時shi間jian。無wu源yuan平ping衡heng僅jin能neng糾jiu正zheng源yuan自zi電dian池chi組zu加jia載zai的de SOC 不平衡,而電池組加載則是由電池監視電路、電池本身放電以及內部電阻效應引起的。如果持續監視,那麼這些 SOC 不平衡的來源每天應該僅產生少量的不平衡。用於這次實驗室評估的電池監視係統采用了一個 33Ω 的平衡電阻器,該電阻器設定大約 100mA 的平衡電流,就小型電池而言,這一平衡電流很大,但是這樣的平衡電流允許平衡操作用更短的時間來完成。
控製策略
電dian池chi監jian視shi係xi統tong硬ying件jian的de控kong製zhi程cheng序xu設she計ji為wei既ji監jian視shi電dian池chi狀zhuang態tai,又you管guan理li電dian池chi不bu平ping衡heng。該gai係xi統tong的de無wu源yuan平ping衡heng功gong能neng可ke以yi接jie通tong或huo斷duan開kai,以yi決jue定ding平ping衡heng對dui電dian池chi組zu的de影ying響xiang。實shi驗yan室shi測ce試shi在zaiTurnigy公司製造的兩個相同的電池組上以及通過多個充電 / 放fang電dian周zhou期qi進jin行xing。為wei了le比bi較jiao方fang便bian,僅jin監jian視shi第di一yi個ge電dian池chi組zu,以yi確que保bao每mei節jie電dian池chi的de電dian壓ya都dou保bao持chi在zai正zheng常chang工gong作zuo範fan圍wei。第di二er個ge電dian池chi組zu既ji受shou到dao監jian視shi,又you接jie受shou周zhou期qi性xing無wu源yuan平ping衡heng。這zhe個ge實shi驗yan中zhong使shi用yong的de兩liang個ge電dian池chi組zu由you 6 個串聯鋰離子聚合物電池組成,總容量為 2.2AHr。單個電池的最大終端電壓為 4.2V,最小終端電壓為 3V。為了模擬實時使用情況並加速老化,兩個電池組都在電池監視係統的監察下連續充電和放電。放電周期采用固定的 2C 至 3C、4.4A 至 6.6A 速率,同時電池以 1C 至 2C、2.2A 至 4.4A 的恒定電流充電。基本監視係統設定為監視單個電池電壓的欠壓和過壓情況以及任何過流故障。在放電時,電池組中任何電池達到 3.005V 的欠壓限製都會終止放電周期。在充電周期,如果電池組中的任何電池達到了 4.19V 的過壓狀態,電池充電就終止。每個電池組都重複充電和放電 100 個周期,以加速老化。
無源平衡的目標是調節電池組中所有電池的 SOC ,yibiannenggoucongdianchizuzhonganquandichouquzuiduodenengliang。wuyuanpinghengqibuchanshenghuoxiangdianchizutigongdianhe,zheyiweizhe,dianchizuzhongrongliangzuididedianchijiangjuedingdianchizudeyouyongrongliang。weilezuidaxianduditigaodianchizuderongliang,pinghengqixuyaoquebaoshironglianghe SOC jiaodidedianchiwanquanchongdianhefangdian。jindangdianchinengwanquanchongdianhewanquanfangdianshi,gaidianchicunchudezongnengliangcainengshiyong,zheyiweizhezuiboruodedianchiyinggaishizuixianwanchengchongdianhefangdiandedianchi。duiwuyuanpinghengfangfadezhuyaodanxinzhichushi,nengfoushibiejujiaogaorongliangdedianchi。dianchide SOC 體現在電池的開路電壓中,也是剩餘能量的百分比指示器。兩節電池有相同的 SOC ,不意味著這兩節電池存儲了相同數量的能量,與容量較低的電池相比,在給定 SOC 下,容量較大的電池存儲的能量總是更多。
平ping衡heng軟ruan件jian控kong製zhi算suan法fa用yong來lai利li用yong充chong電dian器qi協xie調tiao平ping衡heng,而er且qie在zai充chong電dian周zhou期qi開kai始shi時shi啟qi動dong。既ji然ran無wu源yuan平ping衡heng僅jin能neng從cong電dian池chi組zu去qu除chu能neng量liang,那na麼me當dang電dian池chi組zu放fang電dian時shi,平ping衡heng就jiu沒mei有you意yi義yi了le。這zhe也ye消xiao除chu了le使shi容rong量liang較jiao低di的de電dian池chi和he容rong量liang較jiao高gao的de電dian池chi SOC 相(xiang)等(deng)的(de)可(ke)能(neng)性(xing),這(zhe)在(zai)放(fang)電(dian)時(shi)會(hui)降(jiang)低(di)可(ke)用(yong)容(rong)量(liang)。充(chong)電(dian)周(zhou)期(qi)一(yi)啟(qi)動(dong),就(jiu)將(jiang)電(dian)池(chi)電(dian)壓(ya)存(cun)儲(chu)起(qi)來(lai),然(ran)後(hou)才(cai)連(lian)接(jie)充(chong)電(dian)器(qi)。在(zai)充(chong)電(dian)周(zhou)期(qi)開(kai)始(shi)時(shi),平(ping)衡(heng)器(qi)應(ying)該(gai)決(jue)定(ding)哪(na)一(yi)節(jie)電(dian)池(chi)的(de)電(dian)壓(ya)最(zui)低(di),這(zhe)節(jie)電(dian)池(chi)將(jiang)被(bei)稱(cheng)為(wei) Clow。充chong電dian周zhou期qi結jie束shu的de標biao誌zhi是shi,某mou一yi節jie電dian池chi達da到dao預yu定ding的de最zui大da電dian壓ya限xian製zhi,當dang充chong電dian周zhou期qi結jie束shu時shi,電dian池chi電dian壓ya再zai次ci存cun儲chu起qi來lai。在zai兩liang種zhong情qing況kuang下xia,電dian池chi電dian壓ya都dou是shi用yong無wu負fu載zai電dian流liu測ce量liang的de,而er且qie經jing過guo了le短duan期qi穩wen定ding。如ru果guo充chong電dian周zhou期qi結jie束shu後hou,所suo測ce得de的de Clow 電壓不是最高電壓,那麼就需要平衡。充電周期之後 Clow 的電壓設為 Vbalance。對於電池組中所測得的電壓高於 Vbalance 的電池,要啟動泄放電阻器。平衡開關應該保持接通,直到所有電池電壓都等於 Vbalance 電壓為止。達到平衡以後,電池恢複充電,以使電池完全充電。為了觀察無源平衡的影響,做了兩個測試,結果如下。
測試結果:電池組 1
電池組 1 經過了 100 個充電 / 放電周期,圖 3 顯示若幹周期後記錄 6 jiedianchidedianya。gaituxianshi,jingguoduanzantingdunhou,zaiyigewanzhengdechongdianzhouqijieshushisuocedededianchidianya。chongdianhou,dianchidianyazhijiandebupinghengyurongliangheneibudianzudexiaoliangbianhuayouguan。zaidiyigewanzhengdezhouqizhong,cedededianchizurongliangwei 2.072AHr,經過 100 個周期後,所測得的容量為 2.043AHr,隨著周期數增加,容量有少量下降。還有一種趨勢,即隨著充電 / 放電周期數的增加,充電後電池的最終電壓下降了,100 個(ge)周(zhou)期(qi)以(yi)後(hou),這(zhe)種(zhong)趨(qu)勢(shi)尤(you)其(qi)顯(xian)著(zhu)。這(zhe)種(zhong)趨(qu)勢(shi)最(zui)有(you)可(ke)能(neng)是(shi)因(yin)為(wei)電(dian)池(chi)老(lao)化(hua)引(yin)起(qi)電(dian)池(chi)內(nei)部(bu)電(dian)阻(zu)的(de)小(xiao)量(liang)增(zeng)加(jia)導(dao)致(zhi)的(de)。內(nei)部(bu)電(dian)阻(zu)增(zeng)加(jia)使(shi)電(dian)池(chi)更(geng)快(kuai)地(di)達(da)到(dao)充(chong)電(dian)結(jie)束(shu)門(men)限(xian)。盡(jin)管(guan)在(zai)工(gong)作(zuo)時(shi)沒(mei)有(you)平(ping)衡(heng),這(zhe)個(ge)電(dian)池(chi)組(zu)在(zai) 100 個周期中自始至終保持著同樣程度的不平衡。能像這個電池組一樣,每節電池自然而然相互匹配的電池組相當罕見。
圖 3:充電周期之後電池組 1 中電池的電壓
[page]
測試結果:電池組 2
第二個電池組評估時采用了無源平衡算法。在進行任何平衡之前,電池組經過 10 次充電 / 放電。電池組 2 的初始電壓如圖 4 所示。與電池組 1 不同 ,製造商沒有對這些電池的 SOC 進行很好的匹配。遇到這種類型失配的可能性要大得多。電池組 2 需要平衡,然後才能提供總的潛在容量。這種情況是更加典型的。
圖 4:充電周期之後電池組 1 中電池的電壓
5 號電池與其餘電池之間存在很大和高於 100mV 的不平衡。這種不平衡對電池的容量有極大的影響。在一個完整的周期之後,該電池組顯示所測得的容量為 1.765AHr。經過 10 個周期之後,不平衡依然存在,平衡算法啟動。平衡器給所有電池放電,以與 5 號電池匹配,經過一個完整的充電周期之後,所記錄的 SOC 為 2.043AHr,與初始 SOC 相比有 16% 的改進。平衡算法依然保持運行,但是在接下來的 50 個周期中,校正作用非常小,50 個周期之後,所測得的容量為 2.044AHr。
即使經過大量平衡周期之後,該電池組仍然沒有利用全部可能使用的能量。主要限製是,該平衡算法沒有考慮電池內部電阻這個因素。1 號電池有較高的內部電阻,總是在 5 號電池之前完成充電,從而使 5 號電池無法完全充電。在 50 gezhouqihou,duipinghengsuanfajinxingxiugai,yiguanchadianchizurongliangshifounengdedaogaishan。pinghengsuanfaxiugaiwei,rangfangdiandianzuqikuadianchiliangduanlianjie,tongshiruguorenhedianchidedianyagaoyu Clow,就連接充電器。這允許比較薄弱的電池在充電器斷接之前獲得更多電荷,也是圖 2 中提到的導引充電電流方法的一個例子。這種充電策略的改變使可用容量提高到了 2.051AHr,並改善了平衡時間。該電池組再充電和放電 50 次,即總共 100 個周期,那麼 100 個周期之後所測得的容量為 2.054AHr。電池組 2 derongliangzaiceshiguochengzhongyizhibaochihengding,qiedangpinghengcelvegaishanhou,rongliangtigaole。jishizuichumoujiedianchiyuqitadianchiyanzhongshipei,zhezhonggaijinyirankeyishixian。
結論
ruguodianchizuwulishanghenxiao,dianchijieshuhenshao,namechushizhayanbuzhoujiunengbaozhengzaidianchideshoumingqineishidianchibaochihenhaodepipeizhuangtai。zaixiaoxingdianchizuzhong,dianchidefuzaihewendutiaojianyibanshihenhaopipeide。ceshixianshi,shaoliangbupinghengjiangsuizhechongdian / 放電周期數的增加而增大,電池組 1 損失了 1.4% 的de容rong量liang。第di二er個ge電dian池chi組zu從cong一yi開kai始shi就jiu顯xian示shi需xu要yao平ping衡heng硬ying件jian,如ru果guo沒mei有you平ping衡heng硬ying件jian,電dian池chi組zu的de效xiao用yong就jiu完wan全quan由you電dian池chi製zhi造zao商shang決jue定ding了le,而er且qie對dui電dian池chi組zu的de誤wu差cha根gen本ben無wu法fa校xiao正zheng。在zai有you平ping衡heng係xi統tong的de情qing況kuang下xia,電dian池chi組zu 2 能夠在測試中自始至終保持其容量,而電池組 1 的(de)容(rong)量(liang)則(ze)穩(wen)步(bu)下(xia)降(jiang)。總(zong)之(zhi),在(zai)整(zheng)個(ge)工(gong)作(zuo)壽(shou)命(ming)期(qi)內(nei),平(ping)衡(heng)係(xi)統(tong)有(you)助(zhu)於(yu)擴(kuo)大(da)電(dian)池(chi)組(zu)容(rong)量(liang)。對(dui)平(ping)衡(heng)算(suan)法(fa)的(de)改(gai)進(jin)可(ke)能(neng)包(bao)括(kuo)使(shi)用(yong)電(dian)池(chi)特(te)征(zheng)數(shu)據(ju)以(yi)及(ji)特(te)定(ding)電(dian)池(chi)的(de)建(jian)模(mo)。這(zhe)允(yun)許(xu)控(kong)製(zhi)器(qi)更(geng)準(zhun)確(que)地(di)確(que)定(ding)電(dian)池(chi)組(zu)中(zhong)各(ge)節(jie)電(dian)池(chi)的(de)能(neng)量(liang)水(shui)平(ping),從(cong)而(er)甚(shen)至(zhi)當(dang)使(shi)用(yong)相(xiang)同(tong)的(de)平(ping)衡(heng)電(dian)流(liu)時(shi),也(ye)能(neng)使(shi)控(kong)製(zhi)器(qi)更(geng)準(zhun)確(que)地(di)平(ping)衡(heng)電(dian)池(chi),並(bing)縮(suo)短(duan)平(ping)衡(heng)時(shi)間(jian)。
- 通過實驗室測試探索平衡的好處
- 利用兩個相同的電池組來評估兩種基本的電池管理策略
- 控製電池與負載及電池充電器的連接
引言
隨著電池作為電源使用而日益受到歡迎,又出現了一種同樣強勁的需求,即最大限度地延長電池的使用壽命。電池不平衡 (即組成一個電池組的各節電池的充電狀態失配) 在大型鋰離子電池組中是個問題,這個問題是由製造工藝、gongzuotiaojianhedianchilaohuadechayizaochengde。bupinghengkenengjiangdidianchizudezongrongliang,bingyoukenengsunhuaidianchizu。bupinghengshidianchicongchongdianzhuangtaidaofangdianzhuangtaidouwufagenzong,erqieruguomeiyoumiqiejianshi,kenengdaozhidianchiguoduchongdianhuoguodufangdian,zhejiangyongjiuxingdisunhuaidianchi。dianchizhizaoshanganzhaorongliangheneibudianzuduihunhediandongxingqicheyijidiandongxingqichedianchizuzhongshiyongdedianchijinxingfenlei,yizaijiaofugeikehudetedingpicizhong,jianshaodianchizhijiandechayi。ranhou,zaizaixitiaoxuandianchilaigouchengqichedianchizu,yigaishandianchizuzhongmeiliangjiedianchizhijiandepipei。lilunshang,zheyinggainengfangzhidianchizuzhongchanshengdaliangdebupingheng,danshijinguanruci,pubiandegongshishi,danggouchengdaxingdianchizushi,jixuyaodianchijianshi、又需要電池平衡,以在電池組壽命期內保持大的電池容量。
要yao理li解jie平ping衡heng的de重zhong要yao性xing,第di一yi步bu是shi利li用yong兩liang個ge相xiang同tong的de電dian池chi組zu來lai評ping估gu兩liang種zhong基ji本ben的de電dian池chi管guan理li策ce略lve。該gai測ce試shi將jiang探tan究jiu,在zai電dian池chi壽shou命ming期qi內nei,電dian池chi組zu的de總zong容rong量liang是shi怎zen樣yang受shou到dao影ying響xiang的de。為wei了le評ping估gu這zhe兩liang種zhong策ce略lve,要yao設she計ji一yi個ge電dian池chi監jian視shi係xi統tong (BMS)。該電池監視係統由 3 個部分組成:監視硬件、平衡硬件和控製器。用在測試中的電池監視係統能監視電池電壓和電池負載電流、平衡電池,並能控製電池與負載及電池充電器的連接。
監視硬件
一個簡單的電池監視器和平衡係統如圖 1 所示。該電池監視係統的硬件是圍繞高度集成的 LTC6803-1 多節電池監視 IC 設計的。每個 LTC6803-1 能測量多達 12 節電池,並允許以可連接多個 IC 的串行菊花鏈形式連接,從而使一個係統能通過一個串行端口監視超過 100 gedianchi。dangshejiyigedianchijianshixitongshi,mouxieguifanyingdanggeiyiteshukaolv,shouxianshidianchidianyazhunquedu。dangshitujuedingdangedianchidechongdianzhuangtaishi,dianchidianyadezhunqueduzhiguanzhongyao,erqieyijiedianchinengfouzaijiejingongzuojixiandetiaojianxiagongzuo,dianchidianyadezhunquedushixianzhiyinsuzhiyi。LTC6803 具 1.5mV 的分辨率,準確度為 4.3mV。這(zhe)將(jiang)允(yun)許(xu)該(gai)控(kong)製(zhi)器(qi)就(jiu)電(dian)池(chi)狀(zhuang)態(tai)做(zuo)出(chu)準(zhun)確(que)決(jue)策(ce),而(er)不(bu)論(lun)使(shi)用(yong)的(de)是(shi)什(shen)麼(me)樣(yang)的(de)電(dian)池(chi)化(hua)學(xue)組(zu)成(cheng)。其(qi)次(ci),電(dian)池(chi)組(zu)不(bu)平(ping)衡(heng)的(de)一(yi)個(ge)主(zhu)要(yao)來(lai)源(yuan)是(shi),電(dian)池(chi)監(jian)視(shi)電(dian)路(lu)本(ben)身(shen)的(de)電(dian)源(yuan)和(he)備(bei)用(yong)電(dian)流(liu)的(de)差(cha)異(yi)。在(zai)汽(qi)車(che)應(ying)用(yong)中(zhong),備(bei)用(yong)電(dian)流(liu)尤(you)其(qi)重(zhong)要(yao),因(yin)為(wei)大(da)多(duo)數(shu)汽(qi)車(che)在(zai)大(da)部(bu)分(fen)時(shi)間(jian)裏(li)都(dou)是(shi)熄(xi)火(huo)的(de),這(zhe)時(shi)電(dian)池(chi)監(jian)視(shi)係(xi)統(tong)處(chu)於(yu)備(bei)用(yong)模(mo)式(shi)。LTC6803 僅具 12uA 備用電流,電流範圍規定為 6uA 至 18uA,從而可保證在一個大型電池組中,最嚴重的不平衡為 12uA,這使每月不平衡低於 10mAhr。有兩個 模擬/數字轉換器 href="http://www.ednchina.com/ART_8038_195_NP_cfd0d3e0.HTM">ADC 輸入可用來監視電池溫度或其他的傳感器數據。圖 1 中顯示的設計用 Vtemp1 輸入測量電池電流。電流用 LT1999 測量。LT1999 是一款高壓雙向電流檢測放大器,具 -5V 至 80V 的輸入範圍,而且在本文所述測試情況下,設置為監視電池組高壓端的 ±10A。LTC6803 上的兩個 GPIO 引腳用來控製一個有源負載和一個充電器。當充電結束或達到放電點時,這允許 LTC6803 斷開電池與充電器或負載的連接。

圖 1:6節電池監視係統的簡化原理圖。LTC6803 測量電池電壓並控製外部電池放電晶體管。LT1999 測量至電池組的充電和放電電流。
平衡硬件
利用跨電池組中每一節電池的旁路電阻器和開關實現無源平衡硬件。平衡電阻器的使用一般采用兩種方式之一 (圖 2)。電阻器可用來導引充電電流繞過電池,以便具較低充電狀態 (SOC) 的電池能以較高的速率保持充電,而不會使具有高 SOC 的電池有過充電和損壞的風險。該電阻器也可用來使具較高充電狀態的電池泄放過多的電荷,以使這些電池與具較低 SOC 的電池實現均衡。

圖 2:無源電池平衡的兩種選擇。電阻值決定主要功能
硬件設計的主要關注之處是確定合適的平衡電流,該電流由所用旁路電阻器的值設定。所需的平衡電流大部分取決於電池的容量、可允許的平衡時間、預yu期qi的de不bu平ping衡heng程cheng度du以yi及ji電dian阻zu器qi將jiang怎zen樣yang使shi用yong。如ru果guo電dian阻zu器qi用yong來lai旁pang路lu充chong電dian器qi的de電dian流liu,那na麼me它ta將jiang設she定ding為wei分fen流liu幾ji個ge安an培pei的de電dian流liu。如ru果guo平ping衡heng電dian阻zu器qi用yong來lai泄xie放fang過guo多duo的de電dian荷he,那na麼me該gai電dian阻zu器qi的de大da小xiao要yao滿man足zu所suo希xi望wang的de平ping衡heng時shi間jian。無wu源yuan平ping衡heng僅jin能neng糾jiu正zheng源yuan自zi電dian池chi組zu加jia載zai的de SOC 不平衡,而電池組加載則是由電池監視電路、電池本身放電以及內部電阻效應引起的。如果持續監視,那麼這些 SOC 不平衡的來源每天應該僅產生少量的不平衡。用於這次實驗室評估的電池監視係統采用了一個 33Ω 的平衡電阻器,該電阻器設定大約 100mA 的平衡電流,就小型電池而言,這一平衡電流很大,但是這樣的平衡電流允許平衡操作用更短的時間來完成。
控製策略
電dian池chi監jian視shi係xi統tong硬ying件jian的de控kong製zhi程cheng序xu設she計ji為wei既ji監jian視shi電dian池chi狀zhuang態tai,又you管guan理li電dian池chi不bu平ping衡heng。該gai係xi統tong的de無wu源yuan平ping衡heng功gong能neng可ke以yi接jie通tong或huo斷duan開kai,以yi決jue定ding平ping衡heng對dui電dian池chi組zu的de影ying響xiang。實shi驗yan室shi測ce試shi在zaiTurnigy公司製造的兩個相同的電池組上以及通過多個充電 / 放fang電dian周zhou期qi進jin行xing。為wei了le比bi較jiao方fang便bian,僅jin監jian視shi第di一yi個ge電dian池chi組zu,以yi確que保bao每mei節jie電dian池chi的de電dian壓ya都dou保bao持chi在zai正zheng常chang工gong作zuo範fan圍wei。第di二er個ge電dian池chi組zu既ji受shou到dao監jian視shi,又you接jie受shou周zhou期qi性xing無wu源yuan平ping衡heng。這zhe個ge實shi驗yan中zhong使shi用yong的de兩liang個ge電dian池chi組zu由you 6 個串聯鋰離子聚合物電池組成,總容量為 2.2AHr。單個電池的最大終端電壓為 4.2V,最小終端電壓為 3V。為了模擬實時使用情況並加速老化,兩個電池組都在電池監視係統的監察下連續充電和放電。放電周期采用固定的 2C 至 3C、4.4A 至 6.6A 速率,同時電池以 1C 至 2C、2.2A 至 4.4A 的恒定電流充電。基本監視係統設定為監視單個電池電壓的欠壓和過壓情況以及任何過流故障。在放電時,電池組中任何電池達到 3.005V 的欠壓限製都會終止放電周期。在充電周期,如果電池組中的任何電池達到了 4.19V 的過壓狀態,電池充電就終止。每個電池組都重複充電和放電 100 個周期,以加速老化。
無源平衡的目標是調節電池組中所有電池的 SOC ,yibiannenggoucongdianchizuzhonganquandichouquzuiduodenengliang。wuyuanpinghengqibuchanshenghuoxiangdianchizutigongdianhe,zheyiweizhe,dianchizuzhongrongliangzuididedianchijiangjuedingdianchizudeyouyongrongliang。weilezuidaxianduditigaodianchizuderongliang,pinghengqixuyaoquebaoshironglianghe SOC jiaodidedianchiwanquanchongdianhefangdian。jindangdianchinengwanquanchongdianhewanquanfangdianshi,gaidianchicunchudezongnengliangcainengshiyong,zheyiweizhezuiboruodedianchiyinggaishizuixianwanchengchongdianhefangdiandedianchi。duiwuyuanpinghengfangfadezhuyaodanxinzhichushi,nengfoushibiejujiaogaorongliangdedianchi。dianchide SOC 體現在電池的開路電壓中,也是剩餘能量的百分比指示器。兩節電池有相同的 SOC ,不意味著這兩節電池存儲了相同數量的能量,與容量較低的電池相比,在給定 SOC 下,容量較大的電池存儲的能量總是更多。
平ping衡heng軟ruan件jian控kong製zhi算suan法fa用yong來lai利li用yong充chong電dian器qi協xie調tiao平ping衡heng,而er且qie在zai充chong電dian周zhou期qi開kai始shi時shi啟qi動dong。既ji然ran無wu源yuan平ping衡heng僅jin能neng從cong電dian池chi組zu去qu除chu能neng量liang,那na麼me當dang電dian池chi組zu放fang電dian時shi,平ping衡heng就jiu沒mei有you意yi義yi了le。這zhe也ye消xiao除chu了le使shi容rong量liang較jiao低di的de電dian池chi和he容rong量liang較jiao高gao的de電dian池chi SOC 相(xiang)等(deng)的(de)可(ke)能(neng)性(xing),這(zhe)在(zai)放(fang)電(dian)時(shi)會(hui)降(jiang)低(di)可(ke)用(yong)容(rong)量(liang)。充(chong)電(dian)周(zhou)期(qi)一(yi)啟(qi)動(dong),就(jiu)將(jiang)電(dian)池(chi)電(dian)壓(ya)存(cun)儲(chu)起(qi)來(lai),然(ran)後(hou)才(cai)連(lian)接(jie)充(chong)電(dian)器(qi)。在(zai)充(chong)電(dian)周(zhou)期(qi)開(kai)始(shi)時(shi),平(ping)衡(heng)器(qi)應(ying)該(gai)決(jue)定(ding)哪(na)一(yi)節(jie)電(dian)池(chi)的(de)電(dian)壓(ya)最(zui)低(di),這(zhe)節(jie)電(dian)池(chi)將(jiang)被(bei)稱(cheng)為(wei) Clow。充chong電dian周zhou期qi結jie束shu的de標biao誌zhi是shi,某mou一yi節jie電dian池chi達da到dao預yu定ding的de最zui大da電dian壓ya限xian製zhi,當dang充chong電dian周zhou期qi結jie束shu時shi,電dian池chi電dian壓ya再zai次ci存cun儲chu起qi來lai。在zai兩liang種zhong情qing況kuang下xia,電dian池chi電dian壓ya都dou是shi用yong無wu負fu載zai電dian流liu測ce量liang的de,而er且qie經jing過guo了le短duan期qi穩wen定ding。如ru果guo充chong電dian周zhou期qi結jie束shu後hou,所suo測ce得de的de Clow 電壓不是最高電壓,那麼就需要平衡。充電周期之後 Clow 的電壓設為 Vbalance。對於電池組中所測得的電壓高於 Vbalance 的電池,要啟動泄放電阻器。平衡開關應該保持接通,直到所有電池電壓都等於 Vbalance 電壓為止。達到平衡以後,電池恢複充電,以使電池完全充電。為了觀察無源平衡的影響,做了兩個測試,結果如下。
測試結果:電池組 1
電池組 1 經過了 100 個充電 / 放電周期,圖 3 顯示若幹周期後記錄 6 jiedianchidedianya。gaituxianshi,jingguoduanzantingdunhou,zaiyigewanzhengdechongdianzhouqijieshushisuocedededianchidianya。chongdianhou,dianchidianyazhijiandebupinghengyurongliangheneibudianzudexiaoliangbianhuayouguan。zaidiyigewanzhengdezhouqizhong,cedededianchizurongliangwei 2.072AHr,經過 100 個周期後,所測得的容量為 2.043AHr,隨著周期數增加,容量有少量下降。還有一種趨勢,即隨著充電 / 放電周期數的增加,充電後電池的最終電壓下降了,100 個(ge)周(zhou)期(qi)以(yi)後(hou),這(zhe)種(zhong)趨(qu)勢(shi)尤(you)其(qi)顯(xian)著(zhu)。這(zhe)種(zhong)趨(qu)勢(shi)最(zui)有(you)可(ke)能(neng)是(shi)因(yin)為(wei)電(dian)池(chi)老(lao)化(hua)引(yin)起(qi)電(dian)池(chi)內(nei)部(bu)電(dian)阻(zu)的(de)小(xiao)量(liang)增(zeng)加(jia)導(dao)致(zhi)的(de)。內(nei)部(bu)電(dian)阻(zu)增(zeng)加(jia)使(shi)電(dian)池(chi)更(geng)快(kuai)地(di)達(da)到(dao)充(chong)電(dian)結(jie)束(shu)門(men)限(xian)。盡(jin)管(guan)在(zai)工(gong)作(zuo)時(shi)沒(mei)有(you)平(ping)衡(heng),這(zhe)個(ge)電(dian)池(chi)組(zu)在(zai) 100 個周期中自始至終保持著同樣程度的不平衡。能像這個電池組一樣,每節電池自然而然相互匹配的電池組相當罕見。

圖 3:充電周期之後電池組 1 中電池的電壓
測試結果:電池組 2
第二個電池組評估時采用了無源平衡算法。在進行任何平衡之前,電池組經過 10 次充電 / 放電。電池組 2 的初始電壓如圖 4 所示。與電池組 1 不同 ,製造商沒有對這些電池的 SOC 進行很好的匹配。遇到這種類型失配的可能性要大得多。電池組 2 需要平衡,然後才能提供總的潛在容量。這種情況是更加典型的。

圖 4:充電周期之後電池組 1 中電池的電壓
5 號電池與其餘電池之間存在很大和高於 100mV 的不平衡。這種不平衡對電池的容量有極大的影響。在一個完整的周期之後,該電池組顯示所測得的容量為 1.765AHr。經過 10 個周期之後,不平衡依然存在,平衡算法啟動。平衡器給所有電池放電,以與 5 號電池匹配,經過一個完整的充電周期之後,所記錄的 SOC 為 2.043AHr,與初始 SOC 相比有 16% 的改進。平衡算法依然保持運行,但是在接下來的 50 個周期中,校正作用非常小,50 個周期之後,所測得的容量為 2.044AHr。
即使經過大量平衡周期之後,該電池組仍然沒有利用全部可能使用的能量。主要限製是,該平衡算法沒有考慮電池內部電阻這個因素。1 號電池有較高的內部電阻,總是在 5 號電池之前完成充電,從而使 5 號電池無法完全充電。在 50 gezhouqihou,duipinghengsuanfajinxingxiugai,yiguanchadianchizurongliangshifounengdedaogaishan。pinghengsuanfaxiugaiwei,rangfangdiandianzuqikuadianchiliangduanlianjie,tongshiruguorenhedianchidedianyagaoyu Clow,就連接充電器。這允許比較薄弱的電池在充電器斷接之前獲得更多電荷,也是圖 2 中提到的導引充電電流方法的一個例子。這種充電策略的改變使可用容量提高到了 2.051AHr,並改善了平衡時間。該電池組再充電和放電 50 次,即總共 100 個周期,那麼 100 個周期之後所測得的容量為 2.054AHr。電池組 2 derongliangzaiceshiguochengzhongyizhibaochihengding,qiedangpinghengcelvegaishanhou,rongliangtigaole。jishizuichumoujiedianchiyuqitadianchiyanzhongshipei,zhezhonggaijinyirankeyishixian。
結論
ruguodianchizuwulishanghenxiao,dianchijieshuhenshao,namechushizhayanbuzhoujiunengbaozhengzaidianchideshoumingqineishidianchibaochihenhaodepipeizhuangtai。zaixiaoxingdianchizuzhong,dianchidefuzaihewendutiaojianyibanshihenhaopipeide。ceshixianshi,shaoliangbupinghengjiangsuizhechongdian / 放電周期數的增加而增大,電池組 1 損失了 1.4% 的de容rong量liang。第di二er個ge電dian池chi組zu從cong一yi開kai始shi就jiu顯xian示shi需xu要yao平ping衡heng硬ying件jian,如ru果guo沒mei有you平ping衡heng硬ying件jian,電dian池chi組zu的de效xiao用yong就jiu完wan全quan由you電dian池chi製zhi造zao商shang決jue定ding了le,而er且qie對dui電dian池chi組zu的de誤wu差cha根gen本ben無wu法fa校xiao正zheng。在zai有you平ping衡heng係xi統tong的de情qing況kuang下xia,電dian池chi組zu 2 能夠在測試中自始至終保持其容量,而電池組 1 的(de)容(rong)量(liang)則(ze)穩(wen)步(bu)下(xia)降(jiang)。總(zong)之(zhi),在(zai)整(zheng)個(ge)工(gong)作(zuo)壽(shou)命(ming)期(qi)內(nei),平(ping)衡(heng)係(xi)統(tong)有(you)助(zhu)於(yu)擴(kuo)大(da)電(dian)池(chi)組(zu)容(rong)量(liang)。對(dui)平(ping)衡(heng)算(suan)法(fa)的(de)改(gai)進(jin)可(ke)能(neng)包(bao)括(kuo)使(shi)用(yong)電(dian)池(chi)特(te)征(zheng)數(shu)據(ju)以(yi)及(ji)特(te)定(ding)電(dian)池(chi)的(de)建(jian)模(mo)。這(zhe)允(yun)許(xu)控(kong)製(zhi)器(qi)更(geng)準(zhun)確(que)地(di)確(que)定(ding)電(dian)池(chi)組(zu)中(zhong)各(ge)節(jie)電(dian)池(chi)的(de)能(neng)量(liang)水(shui)平(ping),從(cong)而(er)甚(shen)至(zhi)當(dang)使(shi)用(yong)相(xiang)同(tong)的(de)平(ping)衡(heng)電(dian)流(liu)時(shi),也(ye)能(neng)使(shi)控(kong)製(zhi)器(qi)更(geng)準(zhun)確(que)地(di)平(ping)衡(heng)電(dian)池(chi),並(bing)縮(suo)短(duan)平(ping)衡(heng)時(shi)間(jian)。
特別推薦
- 噪聲中提取真值!瑞盟科技推出MSA2240電流檢測芯片賦能多元高端測量場景
- 10MHz高頻運行!氮矽科技發布集成驅動GaN芯片,助力電源能效再攀新高
- 失真度僅0.002%!力芯微推出超低內阻、超低失真4PST模擬開關
- 一“芯”雙電!聖邦微電子發布雙輸出電源芯片,簡化AFE與音頻設計
- 一機適配萬端:金升陽推出1200W可編程電源,賦能高端裝備製造
技術文章更多>>
- 2026藍牙亞洲大會暨展覽在深啟幕
- H橋降壓-升壓電路中的交替控製與帶寬優化
- Tektronix 助力二維材料器件與芯片研究與創新
- 800V AI算力時代,GaN從“備選”變“剛需”?
- 大聯大世平集團首度亮相北京國際汽車展 攜手全球芯片夥伴打造智能車整合應用新典範
技術白皮書下載更多>>
- 車規與基於V2X的車輛協同主動避撞技術展望
- 數字隔離助力新能源汽車安全隔離的新挑戰
- 汽車模塊拋負載的解決方案
- 車用連接器的安全創新應用
- Melexis Actuators Business Unit
- Position / Current Sensors - Triaxis Hall
熱門搜索
接口IC
介質電容
介質諧振器
金屬膜電阻
晶體濾波器
晶體諧振器
晶體振蕩器
晶閘管
精密電阻
精密工具
景佑能源
聚合物電容
君耀電子
開發工具
開關
開關電源
開關電源電路
開關二極管
開關三極管
科通
可變電容
可調電感
可控矽
空心線圈
控製變壓器
控製模塊
藍牙
藍牙4.0
藍牙模塊
浪湧保護器




