變頻調速控製在清梳聯中的應用
發布時間:2011-09-12 來源:中國自動化網
中心議題:
- 紡織行業對控製係統提出的要求
- 變頻器控製方式的對比
- 變頻調速在棉紡行業中的應用
摘要:介紹了變頻調速控製方式在清梳聯電氣控製中的工藝適應性、技術特點,簡單介紹了變頻調速幾種控製方式的優勢,根據目前清梳聯所采用的控製說明了變頻調速在工藝調整、節能降耗等方麵的具體應用。
1、紡織行業對控製係統提出的要求
我(wo)國(guo)紡(fang)織(zhi)行(xing)業(ye)國(guo)際(ji)化(hua)進(jin)程(cheng)正(zheng)在(zai)加(jia)快(kuai),但(dan)是(shi)和(he)國(guo)際(ji)水(shui)平(ping)還(hai)有(you)一(yi)定(ding)的(de)差(cha)距(ju),隨(sui)著(zhe)自(zi)動(dong)化(hua)程(cheng)度(du)的(de)提(ti)高(gao),棉(mian)紗(sha)質(zhi)量(liang)競(jing)爭(zheng)檔(dang)次(ci)的(de)不(bu)斷(duan)提(ti)高(gao)已(yi)對(dui)棉(mian)紡(fang)設(she)備(bei)提(ti)出(chu)了(le)更(geng)多(duo)的(de)要(yao)求(qiu):提高產量的同時保證穩定性、提高和穩定紗線質量、節能降耗、適(shi)用(yong)多(duo)品(pin)種(zhong)小(xiao)批(pi)量(liang)生(sheng)產(chan)等(deng)等(deng)。清(qing)梳(shu)聯(lian)係(xi)統(tong)作(zuo)為(wei)前(qian)紡(fang)環(huan)節(jie),質(zhi)量(liang)指(zhi)標(biao)的(de)提(ti)升(sheng)對(dui)最(zui)終(zhong)的(de)紗(sha)線(xian)質(zhi)量(liang)有(you)很(hen)大(da)的(de)影(ying)響(xiang),成(cheng)本(ben)的(de)不(bu)斷(duan)增(zeng)加(jia)使(shi)得(de)很(hen)多(duo)紡(fang)織(zhi)廠(chang)對(dui)成(cheng)本(ben)、效能、電氣控製的精準性和穩定性,以及工藝的適用性也提出了更高的要求。變頻控製、sifukongzhidengkongzhifangfadechuxianweiwomenjiejuelezhexiewentidefangfa,sifukongzhixitongsuirankongzhijingzhun,danshichengbenguogao。xiangduisifukongzhilaijiangbianpinkongzhixingjiabibijiaogao,zheyeshibianpinkongzhizaimianfangxingyepubianyingyongdeyuanyin。
2 、變頻器控製方式的對比
2.1 V/F(恒壓頻比)控製以及特點
V/F控製顧名思義,V/F控kong製zhi就jiu是shi保bao證zheng輸shu出chu電dian壓ya跟gen頻pin率lv成cheng正zheng比bi的de控kong製zhi。異yi步bu電dian動dong機ji的de轉zhuan矩ju是shi電dian機ji的de磁ci通tong與yu轉zhuan子zi內nei流liu過guo電dian流liu之zhi間jian相xiang互hu作zuo用yong而er產chan生sheng的de,在zai額e定ding頻pin率lv下xia,如ru果guo電dian壓ya一yi定ding而er隻zhi降jiang低di頻pin率lv,那na麼me磁ci通tong就jiu過guo大da,磁ci回hui路lu飽bao和he,嚴yan重zhong時shi將jiang燒shao毀hui電dian機ji。因yin此ci,頻pin率lv與yu電dian壓ya要yao成cheng比bi例li地di改gai變bian,即ji改gai變bian頻pin率lv的de同tong時shi控kong製zhi變bian頻pin器qi輸shu出chu電dian壓ya,使shi電dian動dong機ji的de磁ci通tong保bao持chi一yi定ding,避bi免mian弱ruo磁ci和he磁ci飽bao和he現xian象xiang的de產chan生sheng。這zhe種zhong控kong製zhi方fang式shi多duo用yong於yu風feng機ji、泵類節能型變頻器。V/F控製電路結構簡單、成本較低、機(ji)械(xie)特(te)性(xing)硬(ying)度(du)較(jiao)好(hao),能(neng)夠(gou)滿(man)足(zu)一(yi)般(ban)傳(chuan)動(dong)的(de)平(ping)滑(hua)調(tiao)速(su)要(yao)求(qiu),已(yi)在(zai)產(chan)業(ye)的(de)各(ge)個(ge)領(ling)域(yu)得(de)到(dao)廣(guang)泛(fan)應(ying)用(yong)。缺(que)點(dian)是(shi)低(di)頻(pin)率(lv)時(shi)無(wu)法(fa)滿(man)足(zu)電(dian)機(ji)額(e)定(ding)轉(zhuan)矩(ju)的(de)輸(shu)出(chu)並(bing)且(qie)V/F控製是使變頻器按照事先安排好的補償程度工作,不能隨負載的變化而改變。
2.2 VC(矢量)控製以及特點
shiliangkongzhishitongguocelianghekongzhiyibudiandongjidingzidianliushiliang,genjucichangdingxiangyuanlifenbieduiyibudiandongjidelicidianliuhezhuanjudianliujinxingkongzhi,congerdadaokongzhiyibudiandongjizhuanjudemude。jutishijiangyibudiandongjidedingzidianliushiliangfenjieweichanshengcichangdedianliufenliang (勵磁電流) 和產生轉矩的電流分量 (轉矩電流) 分(fen)別(bie)加(jia)以(yi)控(kong)製(zhi),並(bing)同(tong)時(shi)控(kong)製(zhi)兩(liang)分(fen)量(liang)間(jian)的(de)幅(fu)值(zhi)和(he)相(xiang)位(wei),即(ji)控(kong)製(zhi)定(ding)子(zi)電(dian)流(liu)矢(shi)量(liang),所(suo)以(yi)稱(cheng)這(zhe)種(zhong)控(kong)製(zhi)方(fang)式(shi)稱(cheng)為(wei)矢(shi)量(liang)控(kong)製(zhi)方(fang)式(shi)。由(you)於(yu)矢(shi)量(liang)控(kong)製(zhi)可(ke)以(yi)使(shi)得(de)變(bian)頻(pin)器(qi)根(gen)據(ju)頻(pin)率(lv)和(he)負(fu)載(zai)情(qing)況(kuang)實(shi)時(shi)的(de)改(gai)變(bian)輸(shu)出(chu)頻(pin)率(lv)和(he)電(dian)壓(ya),因(yin)此(ci)其(qi)動(dong)態(tai)性(xing)能(neng)相(xiang)對(dui)完(wan)善(shan)。可(ke)以(yi)對(dui)轉(zhuan)矩(ju)進(jin)行(xing)精(jing)確(que)控(kong)製(zhi);係統響應快;調速範圍廣;加減速性能好等特點。在對轉矩控製要求高的場合,以其優越的控製性能受到用戶的讚賞。其中矢量控製分為:無速度傳感器的矢量控製和矢量控製(閉環)兩種。
2.2.1 無速度傳感器的矢量控製
由於矢量變頻器可以分別對電動機的磁通和轉距電流進行檢測、控kong製zhi,自zi動dong改gai變bian電dian壓ya和he頻pin率lv,使shi指zhi令ling值zhi和he檢jian測ce實shi際ji值zhi達da到dao一yi致zhi,從cong而er實shi現xian了le矢shi量liang控kong製zhi。雖sui然ran它ta是shi開kai環huan控kong製zhi係xi統tong,但dan是shi大da大da提ti升sheng了le靜jing態tai精jing度du和he動dong態tai品pin質zhi,轉zhuan速su精jing度du可ke達da5%。轉速響應也較快。在設備要求不是十分高的情況下,采用該方案是非常合適的,它可達到控製結構簡單,可靠性又高的實效。圖1為無速度傳感器矢量控製的係統框圖:

圖1[page]
2.2.2矢量控製(閉環)
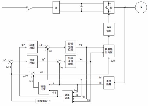
在前者控製方式下增加了反饋環節,矢量閉環變頻調速是一種最為理想的控製方式,他類同於伺服、直流閉環調速,但性價比又大大優於兩者。該方案具有以下優點:可以從零轉速起進行速度控製,即甚低速亦能運行,調速範圍可達100:1或1000:1;動態響應快,轉速精度高;加速度特性好,抗負載突變能力強。其缺點是:價jia格ge較jiao貴gui,安an裝zhuang速su度du傳chuan感gan器qi必bi須xu與yu電dian機ji同tong軸zhou,且qie增zeng加jia了le反fan饋kui環huan節jie,這zhe些xie都dou給gei安an裝zhuang維wei護hu增zeng加jia了le一yi定ding技ji術shu難nan度du。因yin此ci對dui於yu轉zhuan速su精jing度du要yao求qiu不bu是shi特te別bie高gao,負fu載zai變bian化hua不bu是shi十shi分fen劇ju烈lie的de場chang合he,建jian議yi選xuan用yong開kai環huan矢shi量liang變bian頻pin調tiao速su係xi統tong為wei好hao。圖tu2為矢量控製變頻調速係統控製框圖

圖2
3、變頻調速在棉紡行業中的應用
3.1 工藝調整方麵的應用
1、錫林電機功率較大,啟動電流非常大,變頻調速實現了錫林電機軟起動、無大電流衝擊,延長電機、設備使用壽命;
2、道夫電機,大壓輥電機(三羅拉部分)變頻的使用,極大的方便了工藝的調整:如產量、工藝牽伸比、不同品種的適用性;
3、由(you)於(yu)人(ren)工(gong)費(fei)用(yong)的(de)增(zeng)加(jia),越(yue)來(lai)越(yue)多(duo)的(de)棉(mian)卷(juan)型(xing)梳(shu)棉(mian)機(ji)改(gai)造(zao)成(cheng)棉(mian)箱(xiang)形(xing)式(shi),梳(shu)棉(mian)機(ji)後(hou)部(bu)給(gei)棉(mian)的(de)控(kong)製(zhi)提(ti)出(chu)了(le)更(geng)高(gao)的(de)要(yao)求(qiu),低(di)速(su)生(sheng)頭(tou)時(shi)給(gei)棉(mian)電(dian)機(ji)在(zai)低(di)頻(pin)狀(zhuang)態(tai)運(yun)行(xing),轉(zhuan)矩(ju)的(de)不(bu)足(zu)導(dao)致(zhi)給(gei)棉(mian)羅(luo)拉(la)的(de)“打盹”現象以及從慢速生頭到快速運行時產生的意外牽伸及變速箱齒輪磨損產生的“打頓”使棉條重不勻及CV%嚴重超標,往往使成紗等級大幅下降甚至成為不合格品。變頻調速的應用使這些問題迎刃而解。
4、紡fang織zhi市shi場chang向xiang高gao產chan化hua,高gao質zhi化hua發fa展zhan,矢shi量liang變bian頻pin控kong製zhi在zai寬kuan幅fu梳shu棉mian機ji的de應ying用yong既ji滿man足zu了le梳shu棉mian機ji低di速su運yun行xing時shi轉zhuan矩ju的de要yao求qiu,由you於yu加jia減jian速su性xing能neng良liang好hao,避bi免mian了le提ti速su時shi的de意yi外wai牽qian伸shen對dui棉mian條tiao造zao成cheng的de影ying響xiang,同tong時shi在zai高gao速su時shi也ye具ju有you良liang好hao的de動dong態tai性xing能neng。
3.2 節能降耗
1、變頻器的應用取消了減速箱,慣性飛輪,帶電刷的電磁離合器及雙速電機後,以前維修工最頭痛、最繁忙的變速箱漏油問題、齒輪磨損調換問題、離合器失靈損壞問題。由於多品種的原因,相應的會有很多的工藝輪,部分工藝輪的減少在某種程度上為企業減少了成本。
2、風機、空調變頻調速節能相當可觀
由流體力學可知,風量Q與轉速一次方成正比,壓力h與轉速的平方成正比;

式中: —風機的額定風(流)量; —風機的額定壓力; —風機的額定功率; —風機的額定轉速
由you式shi中zhong可ke知zhi,若ruo風feng機ji功gong率lv一yi定ding,當dang要yao求qiu調tiao節jie風feng量liang下xia降jiang時shi,轉zhuan速su可ke成cheng比bi例li下xia降jiang,此ci時shi風feng機ji的de輸shu出chu功gong率lv是shi成cheng立li方fang關guan係xi下xia降jiang。風feng機ji在zai棉mian紡fang設she備bei中zhong應ying用yong量liang大da、mianguang,qichuandongjuedabufenweidagonglvjiaoliudianji,baokuolvchenfengjiyijidanjifengji,haodianliangzaimianfangshebeizhongshidahu。lvchenfengjiyibantongguogenghuanpidailundedaxiaolaitiaojiefengliang,danjifengjitongguotiaojiefengmendebanfatiaojiefengliang。zhezhongtiaojiefangshisuiranjiandan,dantashiyizengjiaguanwangsunshi,haofeidaliangnengyuanweidaijiade。rucaiyongbianpintiaosujiukeyiconggenbenshangfangzhidiannenglangfei,danconggongshi(3.3)來lai算suan,其qi節jie約yue的de電dian費fei就jiu可ke想xiang而er知zhi了le。空kong調tiao是shi棉mian紡fang廠chang離li不bu開kai的de首shou選xuan設she備bei,變bian頻pin空kong調tiao的de使shi用yong使shi溫wen度du波bo動dong小xiao,避bi免mian了le空kong調tiao的de頻pin繁fan開kai停ting,延yan長chang了le壓ya縮suo機ji的de壽shou命ming,具ju有you高gao效xiao、節能的特點。同時避免了頻繁啟動對電機和電網的損害。並保證了車間溫濕度達到標準要求,為確保紗線質量提供了前提條件。
4、結語
通過控製方式的優點和先進性,以及在清梳聯中的應用,驗證了變頻調速在清梳聯工藝調整、節能降耗等方麵的優勢。
參考文獻:
[1] 李良仁.變頻調速技術與應用.電子工業出版社,2009
[2] 袁馳.變頻調速技術在棉紡廠自動換氣調溫係統中的應用[J].機床與液壓.2004年05期
[3] 李琦. 變頻器的調速及在紡織企業中的應用.黑龍江紡織.2000年04期
[4] 褚曉江,周蓮秀. 幾種交流調速的比較及變頻調速在我廠的應用. 江西能源. 1995年04期
- 噪聲中提取真值!瑞盟科技推出MSA2240電流檢測芯片賦能多元高端測量場景
- 10MHz高頻運行!氮矽科技發布集成驅動GaN芯片,助力電源能效再攀新高
- 失真度僅0.002%!力芯微推出超低內阻、超低失真4PST模擬開關
- 一“芯”雙電!聖邦微電子發布雙輸出電源芯片,簡化AFE與音頻設計
- 一機適配萬端:金升陽推出1200W可編程電源,賦能高端裝備製造
- 2026藍牙亞洲大會暨展覽在深啟幕
- H橋降壓-升壓電路中的交替控製與帶寬優化
- Tektronix 助力二維材料器件與芯片研究與創新
- 800V AI算力時代,GaN從“備選”變“剛需”?
- 大聯大世平集團首度亮相北京國際汽車展 攜手全球芯片夥伴打造智能車整合應用新典範
- 車規與基於V2X的車輛協同主動避撞技術展望
- 數字隔離助力新能源汽車安全隔離的新挑戰
- 汽車模塊拋負載的解決方案
- 車用連接器的安全創新應用
- Melexis Actuators Business Unit
- Position / Current Sensors - Triaxis Hall




