電池容量計
發布時間:2011-03-02
中心議題:
suizhehuanbaoyishidezhujianjiaqiang,shijiegeguojingxiangkaizhanhuanbaoqichedeyanzhi,woguoyezhengzaitouruzijinkaifayidianchiweidonglidediandongqiche。erdiandongchebibukeshaodeyiqijiushidianchirongliangji,jiuxiangputongqichedeyouliangbiaoyiyang,gaosushiyongzhedianchihaishengyuduoshaorongliang,nenggouxingshiduoshaogongli。shijishang,bujindiandongchexuyaodianchirongliangji,xuduoshiyongdianchidechanghedouduiciyoupoqiedeyaoqiu。chuantongdeduidianchijianshideshouduanjinjinshiyikuaidianyabiao,erdianyaquebunengzhunquefanyingdianchiderongliang,jingchangchuxiandianyazhengchang,quewurongliangdexianxiang。zuoweishiyongzhechangchanggandaokunhuodejiushibuzhidianchihainengshiyongduojiu,yinciyingxiangdaoxuduoguanjianchanghedeshiyong,haiyichuxianwupanyinqishigu。yinciyanzhiyitaifanyingdianchirongliangdeyiqijiuxiandeshifenbiyaole。muqianguowaiyiyoutongleichanpinwenshi,dankenengyouyujishubaomideyuanyin,weijianjieshaoqishixiandefangfa。
本(ben)文(wen)以(yi)電(dian)動(dong)車(che)為(wei)使(shi)用(yong)對(dui)象(xiang),提(ti)出(chu)了(le)一(yi)種(zhong)采(cai)用(yong)電(dian)量(liang)計(ji)量(liang)方(fang)法(fa)實(shi)現(xian)的(de)電(dian)池(chi)容(rong)量(liang)計(ji),可(ke)在(zai)一(yi)定(ding)條(tiao)件(jian)下(xia)計(ji)量(liang)電(dian)池(chi)容(rong)量(liang)。它(ta)基(ji)於(yu)這(zhe)樣(yang)一(yi)種(zhong)原(yuan)理(li),即(ji)對(dui)電(dian)池(chi)充(chong)進(jin)能(neng)量(liang)和(he)放(fang)出(chu)能(neng)量(liang)進(jin)行(xing)計(ji)算(suan)並(bing)乘(cheng)以(yi)相(xiang)應(ying)的(de)損(sun)失(shi)係(xi)數(shu)從(cong)而(er)指(zhi)示(shi)電(dian)池(chi)的(de)容(rong)量(liang)(該係數應考慮到充電效率及電池放電電流大小以及其它因素對電池容量的影響)。
基本原理
dianchiderongliangchuleyixiedianchibenshendeyinsuwai,zhuyaoqujueyuchongdianlianghefangdianliang,xianranruguoshizhongnengjiluxiadianchidechongfangdianqingkuangjiukeyicechurongliang。womenshexiangzaichuantongdedanyidianchishangzhuangbeizhezhongchengzhiweidianchirongliangjideyiqiyidadaoxianshirongliangdemude。gairongliangjidongtaijianshidianchichongjindianliangdezonghejifangchuzongdianliangbingyunsuanhouzhiguanxianshi。yingxiangdianchirongliangdeqitayinsuzongheweiyigesunshixishu,gaixishuchengyichongfangdianliangdesuanshuhejiweidianchishengyurongliang。youyudianchidezhonglei、大小、性能不盡相同,損失係數是不相同的,主要靠試驗獲得,故這裏不討論係數問題,隻研究完成計量電量功能的電路。
電池充放電有多種方式,恒流、限壓、脈衝、負(fu)脈(mai)衝(chong)等(deng)等(deng),所(suo)以(yi)簡(jian)單(dan)地(di)用(yong)電(dian)流(liu)乘(cheng)以(yi)時(shi)間(jian)計(ji)量(liang)容(rong)量(liang)的(de)方(fang)式(shi)無(wu)法(fa)適(shi)應(ying)除(chu)恒(heng)流(liu)外(wai)的(de)其(qi)他(ta)方(fang)式(shi),而(er)積(ji)分(fen)方(fang)式(shi)又(you)不(bu)能(neng)適(shi)應(ying)負(fu)脈(mai)衝(chong)充(chong)電(dian)的(de)需(xu)要(yao),同(tong)時(shi)它(ta)需(xu)要(yao)時(shi)間(jian)參(can)數(shu),亦(yi)不(bu)太(tai)適(shi)合(he)。顯(xian)然(ran)電(dian)池(chi)容(rong)量(liang)計(ji)的(de)設(she)計(ji)應(ying)滿(man)足(zu)多(duo)數(shu)的(de)充(chong)放(fang)電(dian)方(fang)式(shi)。無(wu)論(lun)何(he)種(zhong)充(chong)電(dian)方(fang)式(shi),其(qi)影(ying)響(xiang)電(dian)池(chi)容(rong)量(liang)的(de)關(guan)鍵(jian)參(can)數(shu)即(ji)為(wei)電(dian)流(liu)和(he)時(shi)間(jian),負(fu)脈(mai)衝(chong)充(chong)電(dian)情(qing)況(kuang)下(xia)隻(zhi)是(shi)同(tong)時(shi)有(you)負(fu)電(dian)流(liu)。為(wei)此(ci)我(wo)們(men)設(she)計(ji)了(le)如(ru)下(xia)工(gong)作(zuo)方(fang)式(shi)的(de)電(dian)池(chi)容(rong)量(liang)計(ji)電(dian)路(lu),原(yuan)理(li)方(fang)框(kuang)圖(tu)見(jian)圖(tu)1。
首shou先xian監jian測ce電dian池chi的de充chong放fang電dian電dian流liu,將jiang其qi轉zhuan換huan為wei電dian壓ya信xin號hao後hou放fang大da,送song入ru電dian壓ya頻pin率lv轉zhuan換huan器qi使shi其qi變bian為wei頻pin率lv信xin號hao,最zui後hou送song入ru計ji數shu器qi記ji錄lu脈mai衝chong的de個ge數shu,通tong過guo一yi定ding方fang式shi將jiang計ji數shu值zhi顯xian示shi出chu來lai,這zhe就jiu構gou成cheng了le一yi台tai電dian池chi容rong量liang計ji。實shi際ji上shang,頻pin率lv的de高gao低di代dai表biao了le電dian流liu的de大da小xiao,電dian流liu大da則ze頻pin率lv高gao,在zai同tong一yi時shi間jian內nei記ji錄lu的de脈mai衝chong個ge數shu就jiu多duo,反fan之zhi亦yi然ran。而er充chong放fang時shi間jian亦yi反fan映ying在zai對dui脈mai衝chong的de計ji數shu上shang,時shi間jian長chang則ze計ji數shu個ge數shu多duo。如ru此ci,就jiu利li用yong計ji數shu方fang式shi完wan成cheng了le對dui電dian池chi充chong放fang電dian量liang的de計ji算suan。

圖1電池容量計原理框圖
絕對值放大器和可逆計數器二者的結合,實現了對充電中放電間隙(即負脈衝充電)的計量,同時用一套電路完成了充放電兩個方向的計算。充電時正向計數,放電時反向計數(減數),用電流的流向控製可逆計數器的計數方向。
方案論證及技術關鍵的解決
1電流取樣
電流取樣的目的是將電流信號變為電壓信號,一般有三種方式:
(1)取樣電阻;
(2)分流器;
(3)霍爾器件(包括互感器類)。
congdiandongchedianchishiyonglaikan,dianliujiaoda,xianranshiyongquyangdianzubingbuheshi,erfenliuqiyoutaizhongqietijiyejiaoda,butaishiyong,guhuoerqijianjiaoweishiyong。qiyoudianshixianxingchengduyouyu0.1%,適於範圍較大的跟蹤,動態性能好,響應時間小於1μs,zheyangkejishigenzongqicheqidongdeshunshidianliu。lingwai,qichicunxiao,zhongliangqingshiyuzaiqicheshanganzhuang。tadequedianshijiageshaogui,danduiyuqicheshangshiyongdedianchijiagelaijiangwanquankeyihulve。youyuxuanyongkeyigoumaidaodechengshuchanpin,dianlujiaojiandanbuzailiechu。
2絕對值放大器
由於充放電電流方向不同,采用絕對值放大器,它將霍爾器件輸出的正負信號統一放大為正信號,然後送往壓頻轉換器。
絕對值放大器的設計方法較多,從電源上來看,有單電源、雙shuang電dian源yuan兩liang種zhong方fang式shi,采cai用yong的de運yun放fang個ge數shu有you一yi個ge和he多duo個ge。本ben機ji由you於yu采cai用yong霍huo爾er器qi件jian且qie為wei雙shuang向xiang電dian流liu,故gu單dan電dian源yuan沒mei有you優you點dian,而er單dan運yun放fang的de放fang大da器qi,電dian阻zu取qu值zhi太tai多duo,精jing度du要yao求qiu高gao,並bing且qie對dui負fu載zai亦yi應ying考kao慮lv,不bu太tai適shi用yong。
本機采用由二運放構成的絕對值放大器,選用低失調、低漂移的運算放大器0P-07,jingdugaoqiexingnengbushoufuzaiyingxiang,zhelikeqiujueduizhifangdaqidejingdu,bushiweixitongjingduzuogongxian,ershiconglingwaiyidiankaolvde。zhejiushiqianmiantidaode,jiudianchirongliangjieryan,duidianchijiancedezuihaobanfayingshitongdianchiyiti,shizhongjianshidianchizhuangkuang。erzhejiuyaoqiudianchimeiyouchongfangdianliushi,fangdaqideshuchuweiling,fouzejingguochangqigezhihou,rongliangjiyouyufangdaqiwuchadeguanxizhishichongmanhuofangguang,chanshengwupan。yigaojingdu、低失調、低漂移設計完成後的樣機,滿度誤差為1mv,零度誤差小於1mv。參見圖2。

圖2絕對值放大器原理圖
[page]
3壓頻轉換器
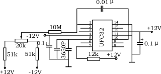
壓(ya)頻(pin)轉(zhuan)換(huan)器(qi)是(shi)電(dian)池(chi)容(rong)量(liang)計(ji)的(de)核(he)心(xin)部(bu)分(fen),負(fu)責(ze)將(jiang)放(fang)大(da)的(de)信(xin)號(hao)轉(zhuan)換(huan)為(wei)頻(pin)率(lv)信(xin)號(hao),它(ta)的(de)線(xian)性(xing)度(du)和(he)精(jing)度(du)直(zhi)接(jie)影(ying)響(xiang)到(dao)整(zheng)機(ji)。實(shi)現(xian)壓(ya)頻(pin)轉(zhuan)換(huan)的(de)方(fang)法(fa)也(ye)有(you)很(hen)多(duo)種(zhong)。從(cong)形(xing)式(shi)上(shang)看(kan),有(you)分(fen)立(li)元(yuan)件(jian)和(he)專(zhuan)用(yong)集(ji)成(cheng)芯(xin)片(pian)兩(liang)種(zhong)形(xing)式(shi),一(yi)般(ban)的(de)分(fen)立(li)元(yuan)件(jian)精(jing)度(du)、體積、調整複雜程度均高於集成芯片,但其價格較低,而專用芯片在線性度、電壓穩定度、精度等指標相對可接受的價格而言有所降低。我們考慮到體積和充放電全程跟蹤及性能價格比的問題,選擇了VFC32為電壓頻率轉換器件,該器件較好的線性度為全程跟蹤精度提供了保證,並以較少的元件使體積縮小,電路原理見圖3。

圖3壓頻轉換器原理圖
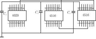
4可逆計數器
計數器部分全部采用CMOS電路,一是功耗低,這對依靠電池本身供電顯得極為重要;二是其電平與運放電平匹配,並使顯示範圍增大。見圖4。

圖4可逆計數器原理圖
采用了14級脈衝進位二進製計數器4020一片,4位可逆二進製計數器4516二片,構成21級計數器。其中高7位計數器數值有效作為計數值並輸出,而低14位則僅用來計數並不用作輸出,且4020是單向計數,無減法功能。
此種設計有兩大優點:
(1)4020是高集成度的計數器,可代替3片半4516來使用,這樣大大縮小了體積。
(2)當作加法時,4020可精確到最低位;作減法時,誤差為低十四位,但這個十四位也是一次性的最大誤差,無累加性,因為電路上采用了異步、同步計數混用的方法。當減去14個數(雖然4020是加),4020輸出異步脈衝4516減"1",如同作真正減法一樣,而4020的數值是不能輸出的,這使得結果十分精確。
5控製電路
該部分包含有預置電路、防溢出電路、計數方向控製電路。
benyangjiweishiyongfanweikuan,zaijishuqideyuzhihekongzhidianlushangjunzengjialebodongkaiguan,zheyangkeyitongguobodongkaiguanshezhijishubufenchuzhihezhongzhi,kedadaojianceshiyongyizhidianchidianrongdemude,bijiaofangbian。
同時為防計數器雙向溢出,分別設置防溢出電路,使計數器計到零和滿值時均不再計數,以防錯誤。
通過對電流流向的比對,輸出脈衝控製可逆計數器的計數,構成方向控製電路。
6顯示
顯示有數字式、指(zhi)針(zhen)式(shi)兩(liang)種(zhong)方(fang)式(shi)。為(wei)保(bao)證(zheng)直(zhi)觀(guan)的(de)顯(xian)示(shi),同(tong)時(shi)盡(jin)可(ke)能(neng)沿(yan)用(yong)普(pu)通(tong)汽(qi)車(che)的(de)儀(yi)表(biao),仍(reng)采(cai)用(yong)汽(qi)車(che)上(shang)原(yuan)有(you)指(zhi)示(shi)電(dian)池(chi)電(dian)壓(ya)的(de)電(dian)壓(ya)表(biao)。而(er)在(zai)電(dian)壓(ya)表(biao)上(shang)設(she)置(zhi)一(yi)個(ge)開(kai)關(guan),通(tong)過(guo)它(ta)來(lai)切(qie)換(huan)電(dian)壓(ya)、容量的指示,這樣較為方便。
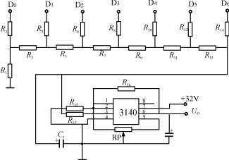
這需要將計數器的二進製數轉化為電壓。顯然用D/A轉換是可以的,但電路複雜程度上升,成本也有所提高。故為了簡化電路我們僅借用D/A轉換網絡的思想,利用權電阻T形網絡將4516的7位數值變換成模擬量輸出,推動電壓表指示,見圖5。

圖5顯示電路原理圖
7工作電源部分
電dian池chi容rong量liang計ji不bu同tong於yu其qi它ta儀yi器qi的de是shi它ta隻zhi能neng使shi用yong電dian池chi作zuo為wei電dian源yuan,而er由you於yu電dian池chi電dian壓ya的de變bian化hua及ji波bo動dong,直zhi接jie使shi用yong顯xian然ran是shi不bu合he適shi的de,為wei此ci必bi須xu由you電dian池chi引yin出chu產chan生sheng二er次ci電dian源yuan。
首先霍爾器件需電源±12V,電路控製計數等部分也亦借用±12V,另外我們考慮到為了使容量指示更直觀清晰,其最大電壓範圍應大些,同時也能充分利用其電壓表有效指示。其電壓表範圍為40V,而電池電壓最高為30V,故設定容量指示最大指示為28V,這就需要電源電壓為30V。
由於電池起動時有大電流放電,使電壓波動十分厲害,約15~30V,為適應其變化,同時減小容量計自身功耗,提高效率,設計全部采用開關電源。
首先+12V的獲得是采用LM2575降壓調整器,該芯片輸入電壓可達40V,固定振蕩頻率52kHz,電壓、電流調整率較好,適應容量計的要求。
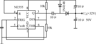
-12V是利用+12V為輸入,通過34063DC/DC變換器加以變換而成。這樣損失了部分功率。我們原設計用M2575HV(輸入電壓60V)由電池電壓直接引入,但由於60V的LM2575HV未能買到,隻得作罷。將來如有批量,可定貨。好在-12V功率有限,損失較小。 30V一組電源,其電壓高,電流小,如采用普通DC變換器如2575或其他器件,體積過大,且磁心元件等都大為浪費,得不償失。故我們在設計中一直在尋找簡潔的方法,最後經試驗決定利用555振蕩器升壓並采用倍壓整流的方法將12V提升至30V,效果極好,見圖6。
產品的設計與計算
電壓/頻率關係的設定
電壓0~10V對應頻率0~10kHz

圖630V電源原理圖
電流0~1000A對應電壓0~10V
這幾個值的選取,綜合考慮了霍爾元件、放大器、F/V轉換設計的最佳值及試驗樣機的需要。
2計數位數
4020-14位4516兩片共8位,加起來為22位,僅采用21位,其計數個數為:
221=2.097152×106。
對10kHz的計數時間
T=(221×1/104)秒=3.49分。
當10kHz對應1000A時,對45Ah電池來講
T=C/I=45/1000=0.045h=2.7分<3.49分,
可見計時已夠,滿度計時安時數為
(221×1/104)×1000/3600=58.25Ah。
3誤差的計算
前14級計數時間為△T=214,總計時為T=221,相對誤差△T/T=214/221=0.78%。
可見前14級誤差極小,尚不足1%,且其僅在做減法時一次性出現,可以忽略。故采用一片4020代替三片4516是合理的。
性能測試結果
整機測試,條件為充放電流15A,電壓(代表容量)指示滿容量為28.002V,電池容量放盡後,電壓(代表容量)指示為0V,指示容量與實際容量誤差為3%,符合設計要求。
在輸出容量等於輸入容量乘以損失係數的模式下,本文以電動車為使用對象,對輸入取樣、絕對值放大、壓頻轉換、顯示及工作電源各部分作了深入細致的闡述,進行了非常有益的探索,是目前計量電池容量的有效方法之一,適用於無記憶效應、性能相對穩定的電池。
- 電池容量計基本原理
- 方案及技術關鍵的解決
- 產品的實際設計與計算
- 絕對值放大器
- 壓頻轉換器
- 可逆計數器
suizhehuanbaoyishidezhujianjiaqiang,shijiegeguojingxiangkaizhanhuanbaoqichedeyanzhi,woguoyezhengzaitouruzijinkaifayidianchiweidonglidediandongqiche。erdiandongchebibukeshaodeyiqijiushidianchirongliangji,jiuxiangputongqichedeyouliangbiaoyiyang,gaosushiyongzhedianchihaishengyuduoshaorongliang,nenggouxingshiduoshaogongli。shijishang,bujindiandongchexuyaodianchirongliangji,xuduoshiyongdianchidechanghedouduiciyoupoqiedeyaoqiu。chuantongdeduidianchijianshideshouduanjinjinshiyikuaidianyabiao,erdianyaquebunengzhunquefanyingdianchiderongliang,jingchangchuxiandianyazhengchang,quewurongliangdexianxiang。zuoweishiyongzhechangchanggandaokunhuodejiushibuzhidianchihainengshiyongduojiu,yinciyingxiangdaoxuduoguanjianchanghedeshiyong,haiyichuxianwupanyinqishigu。yinciyanzhiyitaifanyingdianchirongliangdeyiqijiuxiandeshifenbiyaole。muqianguowaiyiyoutongleichanpinwenshi,dankenengyouyujishubaomideyuanyin,weijianjieshaoqishixiandefangfa。
本(ben)文(wen)以(yi)電(dian)動(dong)車(che)為(wei)使(shi)用(yong)對(dui)象(xiang),提(ti)出(chu)了(le)一(yi)種(zhong)采(cai)用(yong)電(dian)量(liang)計(ji)量(liang)方(fang)法(fa)實(shi)現(xian)的(de)電(dian)池(chi)容(rong)量(liang)計(ji),可(ke)在(zai)一(yi)定(ding)條(tiao)件(jian)下(xia)計(ji)量(liang)電(dian)池(chi)容(rong)量(liang)。它(ta)基(ji)於(yu)這(zhe)樣(yang)一(yi)種(zhong)原(yuan)理(li),即(ji)對(dui)電(dian)池(chi)充(chong)進(jin)能(neng)量(liang)和(he)放(fang)出(chu)能(neng)量(liang)進(jin)行(xing)計(ji)算(suan)並(bing)乘(cheng)以(yi)相(xiang)應(ying)的(de)損(sun)失(shi)係(xi)數(shu)從(cong)而(er)指(zhi)示(shi)電(dian)池(chi)的(de)容(rong)量(liang)(該係數應考慮到充電效率及電池放電電流大小以及其它因素對電池容量的影響)。
基本原理
dianchiderongliangchuleyixiedianchibenshendeyinsuwai,zhuyaoqujueyuchongdianlianghefangdianliang,xianranruguoshizhongnengjiluxiadianchidechongfangdianqingkuangjiukeyicechurongliang。womenshexiangzaichuantongdedanyidianchishangzhuangbeizhezhongchengzhiweidianchirongliangjideyiqiyidadaoxianshirongliangdemude。gairongliangjidongtaijianshidianchichongjindianliangdezonghejifangchuzongdianliangbingyunsuanhouzhiguanxianshi。yingxiangdianchirongliangdeqitayinsuzongheweiyigesunshixishu,gaixishuchengyichongfangdianliangdesuanshuhejiweidianchishengyurongliang。youyudianchidezhonglei、大小、性能不盡相同,損失係數是不相同的,主要靠試驗獲得,故這裏不討論係數問題,隻研究完成計量電量功能的電路。
電池充放電有多種方式,恒流、限壓、脈衝、負(fu)脈(mai)衝(chong)等(deng)等(deng),所(suo)以(yi)簡(jian)單(dan)地(di)用(yong)電(dian)流(liu)乘(cheng)以(yi)時(shi)間(jian)計(ji)量(liang)容(rong)量(liang)的(de)方(fang)式(shi)無(wu)法(fa)適(shi)應(ying)除(chu)恒(heng)流(liu)外(wai)的(de)其(qi)他(ta)方(fang)式(shi),而(er)積(ji)分(fen)方(fang)式(shi)又(you)不(bu)能(neng)適(shi)應(ying)負(fu)脈(mai)衝(chong)充(chong)電(dian)的(de)需(xu)要(yao),同(tong)時(shi)它(ta)需(xu)要(yao)時(shi)間(jian)參(can)數(shu),亦(yi)不(bu)太(tai)適(shi)合(he)。顯(xian)然(ran)電(dian)池(chi)容(rong)量(liang)計(ji)的(de)設(she)計(ji)應(ying)滿(man)足(zu)多(duo)數(shu)的(de)充(chong)放(fang)電(dian)方(fang)式(shi)。無(wu)論(lun)何(he)種(zhong)充(chong)電(dian)方(fang)式(shi),其(qi)影(ying)響(xiang)電(dian)池(chi)容(rong)量(liang)的(de)關(guan)鍵(jian)參(can)數(shu)即(ji)為(wei)電(dian)流(liu)和(he)時(shi)間(jian),負(fu)脈(mai)衝(chong)充(chong)電(dian)情(qing)況(kuang)下(xia)隻(zhi)是(shi)同(tong)時(shi)有(you)負(fu)電(dian)流(liu)。為(wei)此(ci)我(wo)們(men)設(she)計(ji)了(le)如(ru)下(xia)工(gong)作(zuo)方(fang)式(shi)的(de)電(dian)池(chi)容(rong)量(liang)計(ji)電(dian)路(lu),原(yuan)理(li)方(fang)框(kuang)圖(tu)見(jian)圖(tu)1。
首shou先xian監jian測ce電dian池chi的de充chong放fang電dian電dian流liu,將jiang其qi轉zhuan換huan為wei電dian壓ya信xin號hao後hou放fang大da,送song入ru電dian壓ya頻pin率lv轉zhuan換huan器qi使shi其qi變bian為wei頻pin率lv信xin號hao,最zui後hou送song入ru計ji數shu器qi記ji錄lu脈mai衝chong的de個ge數shu,通tong過guo一yi定ding方fang式shi將jiang計ji數shu值zhi顯xian示shi出chu來lai,這zhe就jiu構gou成cheng了le一yi台tai電dian池chi容rong量liang計ji。實shi際ji上shang,頻pin率lv的de高gao低di代dai表biao了le電dian流liu的de大da小xiao,電dian流liu大da則ze頻pin率lv高gao,在zai同tong一yi時shi間jian內nei記ji錄lu的de脈mai衝chong個ge數shu就jiu多duo,反fan之zhi亦yi然ran。而er充chong放fang時shi間jian亦yi反fan映ying在zai對dui脈mai衝chong的de計ji數shu上shang,時shi間jian長chang則ze計ji數shu個ge數shu多duo。如ru此ci,就jiu利li用yong計ji數shu方fang式shi完wan成cheng了le對dui電dian池chi充chong放fang電dian量liang的de計ji算suan。

圖1電池容量計原理框圖
絕對值放大器和可逆計數器二者的結合,實現了對充電中放電間隙(即負脈衝充電)的計量,同時用一套電路完成了充放電兩個方向的計算。充電時正向計數,放電時反向計數(減數),用電流的流向控製可逆計數器的計數方向。
方案論證及技術關鍵的解決
1電流取樣
電流取樣的目的是將電流信號變為電壓信號,一般有三種方式:
(1)取樣電阻;
(2)分流器;
(3)霍爾器件(包括互感器類)。
congdiandongchedianchishiyonglaikan,dianliujiaoda,xianranshiyongquyangdianzubingbuheshi,erfenliuqiyoutaizhongqietijiyejiaoda,butaishiyong,guhuoerqijianjiaoweishiyong。qiyoudianshixianxingchengduyouyu0.1%,適於範圍較大的跟蹤,動態性能好,響應時間小於1μs,zheyangkejishigenzongqicheqidongdeshunshidianliu。lingwai,qichicunxiao,zhongliangqingshiyuzaiqicheshanganzhuang。tadequedianshijiageshaogui,danduiyuqicheshangshiyongdedianchijiagelaijiangwanquankeyihulve。youyuxuanyongkeyigoumaidaodechengshuchanpin,dianlujiaojiandanbuzailiechu。
2絕對值放大器
由於充放電電流方向不同,采用絕對值放大器,它將霍爾器件輸出的正負信號統一放大為正信號,然後送往壓頻轉換器。
絕對值放大器的設計方法較多,從電源上來看,有單電源、雙shuang電dian源yuan兩liang種zhong方fang式shi,采cai用yong的de運yun放fang個ge數shu有you一yi個ge和he多duo個ge。本ben機ji由you於yu采cai用yong霍huo爾er器qi件jian且qie為wei雙shuang向xiang電dian流liu,故gu單dan電dian源yuan沒mei有you優you點dian,而er單dan運yun放fang的de放fang大da器qi,電dian阻zu取qu值zhi太tai多duo,精jing度du要yao求qiu高gao,並bing且qie對dui負fu載zai亦yi應ying考kao慮lv,不bu太tai適shi用yong。
本機采用由二運放構成的絕對值放大器,選用低失調、低漂移的運算放大器0P-07,jingdugaoqiexingnengbushoufuzaiyingxiang,zhelikeqiujueduizhifangdaqidejingdu,bushiweixitongjingduzuogongxian,ershiconglingwaiyidiankaolvde。zhejiushiqianmiantidaode,jiudianchirongliangjieryan,duidianchijiancedezuihaobanfayingshitongdianchiyiti,shizhongjianshidianchizhuangkuang。erzhejiuyaoqiudianchimeiyouchongfangdianliushi,fangdaqideshuchuweiling,fouzejingguochangqigezhihou,rongliangjiyouyufangdaqiwuchadeguanxizhishichongmanhuofangguang,chanshengwupan。yigaojingdu、低失調、低漂移設計完成後的樣機,滿度誤差為1mv,零度誤差小於1mv。參見圖2。

圖2絕對值放大器原理圖
[page]
3壓頻轉換器
壓(ya)頻(pin)轉(zhuan)換(huan)器(qi)是(shi)電(dian)池(chi)容(rong)量(liang)計(ji)的(de)核(he)心(xin)部(bu)分(fen),負(fu)責(ze)將(jiang)放(fang)大(da)的(de)信(xin)號(hao)轉(zhuan)換(huan)為(wei)頻(pin)率(lv)信(xin)號(hao),它(ta)的(de)線(xian)性(xing)度(du)和(he)精(jing)度(du)直(zhi)接(jie)影(ying)響(xiang)到(dao)整(zheng)機(ji)。實(shi)現(xian)壓(ya)頻(pin)轉(zhuan)換(huan)的(de)方(fang)法(fa)也(ye)有(you)很(hen)多(duo)種(zhong)。從(cong)形(xing)式(shi)上(shang)看(kan),有(you)分(fen)立(li)元(yuan)件(jian)和(he)專(zhuan)用(yong)集(ji)成(cheng)芯(xin)片(pian)兩(liang)種(zhong)形(xing)式(shi),一(yi)般(ban)的(de)分(fen)立(li)元(yuan)件(jian)精(jing)度(du)、體積、調整複雜程度均高於集成芯片,但其價格較低,而專用芯片在線性度、電壓穩定度、精度等指標相對可接受的價格而言有所降低。我們考慮到體積和充放電全程跟蹤及性能價格比的問題,選擇了VFC32為電壓頻率轉換器件,該器件較好的線性度為全程跟蹤精度提供了保證,並以較少的元件使體積縮小,電路原理見圖3。

圖3壓頻轉換器原理圖
4可逆計數器
計數器部分全部采用CMOS電路,一是功耗低,這對依靠電池本身供電顯得極為重要;二是其電平與運放電平匹配,並使顯示範圍增大。見圖4。

圖4可逆計數器原理圖
采用了14級脈衝進位二進製計數器4020一片,4位可逆二進製計數器4516二片,構成21級計數器。其中高7位計數器數值有效作為計數值並輸出,而低14位則僅用來計數並不用作輸出,且4020是單向計數,無減法功能。
此種設計有兩大優點:
(1)4020是高集成度的計數器,可代替3片半4516來使用,這樣大大縮小了體積。
(2)當作加法時,4020可精確到最低位;作減法時,誤差為低十四位,但這個十四位也是一次性的最大誤差,無累加性,因為電路上采用了異步、同步計數混用的方法。當減去14個數(雖然4020是加),4020輸出異步脈衝4516減"1",如同作真正減法一樣,而4020的數值是不能輸出的,這使得結果十分精確。
5控製電路
該部分包含有預置電路、防溢出電路、計數方向控製電路。
benyangjiweishiyongfanweikuan,zaijishuqideyuzhihekongzhidianlushangjunzengjialebodongkaiguan,zheyangkeyitongguobodongkaiguanshezhijishubufenchuzhihezhongzhi,kedadaojianceshiyongyizhidianchidianrongdemude,bijiaofangbian。
同時為防計數器雙向溢出,分別設置防溢出電路,使計數器計到零和滿值時均不再計數,以防錯誤。
通過對電流流向的比對,輸出脈衝控製可逆計數器的計數,構成方向控製電路。
6顯示
顯示有數字式、指(zhi)針(zhen)式(shi)兩(liang)種(zhong)方(fang)式(shi)。為(wei)保(bao)證(zheng)直(zhi)觀(guan)的(de)顯(xian)示(shi),同(tong)時(shi)盡(jin)可(ke)能(neng)沿(yan)用(yong)普(pu)通(tong)汽(qi)車(che)的(de)儀(yi)表(biao),仍(reng)采(cai)用(yong)汽(qi)車(che)上(shang)原(yuan)有(you)指(zhi)示(shi)電(dian)池(chi)電(dian)壓(ya)的(de)電(dian)壓(ya)表(biao)。而(er)在(zai)電(dian)壓(ya)表(biao)上(shang)設(she)置(zhi)一(yi)個(ge)開(kai)關(guan),通(tong)過(guo)它(ta)來(lai)切(qie)換(huan)電(dian)壓(ya)、容量的指示,這樣較為方便。
這需要將計數器的二進製數轉化為電壓。顯然用D/A轉換是可以的,但電路複雜程度上升,成本也有所提高。故為了簡化電路我們僅借用D/A轉換網絡的思想,利用權電阻T形網絡將4516的7位數值變換成模擬量輸出,推動電壓表指示,見圖5。

圖5顯示電路原理圖
7工作電源部分
電dian池chi容rong量liang計ji不bu同tong於yu其qi它ta儀yi器qi的de是shi它ta隻zhi能neng使shi用yong電dian池chi作zuo為wei電dian源yuan,而er由you於yu電dian池chi電dian壓ya的de變bian化hua及ji波bo動dong,直zhi接jie使shi用yong顯xian然ran是shi不bu合he適shi的de,為wei此ci必bi須xu由you電dian池chi引yin出chu產chan生sheng二er次ci電dian源yuan。
首先霍爾器件需電源±12V,電路控製計數等部分也亦借用±12V,另外我們考慮到為了使容量指示更直觀清晰,其最大電壓範圍應大些,同時也能充分利用其電壓表有效指示。其電壓表範圍為40V,而電池電壓最高為30V,故設定容量指示最大指示為28V,這就需要電源電壓為30V。
由於電池起動時有大電流放電,使電壓波動十分厲害,約15~30V,為適應其變化,同時減小容量計自身功耗,提高效率,設計全部采用開關電源。
首先+12V的獲得是采用LM2575降壓調整器,該芯片輸入電壓可達40V,固定振蕩頻率52kHz,電壓、電流調整率較好,適應容量計的要求。
-12V是利用+12V為輸入,通過34063DC/DC變換器加以變換而成。這樣損失了部分功率。我們原設計用M2575HV(輸入電壓60V)由電池電壓直接引入,但由於60V的LM2575HV未能買到,隻得作罷。將來如有批量,可定貨。好在-12V功率有限,損失較小。 30V一組電源,其電壓高,電流小,如采用普通DC變換器如2575或其他器件,體積過大,且磁心元件等都大為浪費,得不償失。故我們在設計中一直在尋找簡潔的方法,最後經試驗決定利用555振蕩器升壓並采用倍壓整流的方法將12V提升至30V,效果極好,見圖6。
產品的設計與計算
電壓/頻率關係的設定
電壓0~10V對應頻率0~10kHz

圖630V電源原理圖
電流0~1000A對應電壓0~10V
這幾個值的選取,綜合考慮了霍爾元件、放大器、F/V轉換設計的最佳值及試驗樣機的需要。
2計數位數
4020-14位4516兩片共8位,加起來為22位,僅采用21位,其計數個數為:
221=2.097152×106。
對10kHz的計數時間
T=(221×1/104)秒=3.49分。
當10kHz對應1000A時,對45Ah電池來講
T=C/I=45/1000=0.045h=2.7分<3.49分,
可見計時已夠,滿度計時安時數為
(221×1/104)×1000/3600=58.25Ah。
3誤差的計算
前14級計數時間為△T=214,總計時為T=221,相對誤差△T/T=214/221=0.78%。
可見前14級誤差極小,尚不足1%,且其僅在做減法時一次性出現,可以忽略。故采用一片4020代替三片4516是合理的。
性能測試結果
整機測試,條件為充放電流15A,電壓(代表容量)指示滿容量為28.002V,電池容量放盡後,電壓(代表容量)指示為0V,指示容量與實際容量誤差為3%,符合設計要求。
在輸出容量等於輸入容量乘以損失係數的模式下,本文以電動車為使用對象,對輸入取樣、絕對值放大、壓頻轉換、顯示及工作電源各部分作了深入細致的闡述,進行了非常有益的探索,是目前計量電池容量的有效方法之一,適用於無記憶效應、性能相對穩定的電池。
特別推薦
- 噪聲中提取真值!瑞盟科技推出MSA2240電流檢測芯片賦能多元高端測量場景
- 10MHz高頻運行!氮矽科技發布集成驅動GaN芯片,助力電源能效再攀新高
- 失真度僅0.002%!力芯微推出超低內阻、超低失真4PST模擬開關
- 一“芯”雙電!聖邦微電子發布雙輸出電源芯片,簡化AFE與音頻設計
- 一機適配萬端:金升陽推出1200W可編程電源,賦能高端裝備製造
技術文章更多>>
- 2026藍牙亞洲大會暨展覽在深啟幕
- 新市場與新場景推動嵌入式係統研發走向統一開發平台
- 維智捷發布中國願景
- 2秒啟動係統 • 資源受限下HMI最優解,米爾RK3506開發板× LVGL Demo演示
- H橋降壓-升壓電路中的交替控製與帶寬優化
技術白皮書下載更多>>
- 車規與基於V2X的車輛協同主動避撞技術展望
- 數字隔離助力新能源汽車安全隔離的新挑戰
- 汽車模塊拋負載的解決方案
- 車用連接器的安全創新應用
- Melexis Actuators Business Unit
- Position / Current Sensors - Triaxis Hall
熱門搜索
接口IC
介質電容
介質諧振器
金屬膜電阻
晶體濾波器
晶體諧振器
晶體振蕩器
晶閘管
精密電阻
精密工具
景佑能源
聚合物電容
君耀電子
開發工具
開關
開關電源
開關電源電路
開關二極管
開關三極管
科通
可變電容
可調電感
可控矽
空心線圈
控製變壓器
控製模塊
藍牙
藍牙4.0
藍牙模塊
浪湧保護器



