中頻脫磁器的原理與設計
發布時間:2010-12-27
中心議題:
為了解決上述問題,人們經過了大量的研究和試驗,得出結論:rangkuangjiangjingguopinlvjibaiheziyishangdeshuaijiandezhengxianbocichang,jikejiangtiefenzhongdecixingtuidiao。muqian,xuduocixuanchangshiyongletuociqi,weilebianyuyonghuzaishijizhongduituociqiweihu、維修,本文將從信號波形的角度,詳細介紹脫磁器的控製電路原理和設計過程。
脫磁器原理
當被磁化的鐵粉通過衰減的正弦波磁場時,能夠達到有效的退磁效果。退磁效果與正弦波的頻率有關,當頻率大於800Hz時,退磁效果明顯變好。退磁效果還與磁場強度有關,通常磁場強度大於矯頑磁力的5倍即可。為了達到上述性能指標,目前普遍采用的電路形式如圖1所示,工作原理如下:當可控矽SCR2導通時,電感L1、電容C1構成一個並聯諧振回路,如果初始狀態電容C1兩端有電壓,則震蕩電路會產生衰減的正弦波震蕩,波形如圖2所示。這樣就在線圈內形成了與之同樣的磁場。該正弦波應該從最高的幅度逐漸衰減到0,才能保證更好的脫磁效果。

圖1脫磁器原理圖

圖2衰減正弦磁場波形
控製單元設計
圖1中的電容、電感決定了震蕩頻率f0,電容容量和回路中的損耗決定了衰減的時間。當電容C1=150μf,電感L1=200μh時,理論的震蕩頻率是914Hz,由於實際電路中存在誤差,實測值約800Hz,衰減的時間超過20ms。
控製原理是:首先通過380V交流電給C1充電,正半周SCR1導通,完成充電過程,負半周SCR1自動截止,C1電壓一直保持到下一個正半周期信號到來。此時開通SCR2,使C1、L1形成回路,產生自由震蕩並完成放電。如此反複循環,即達到了理想的磁場波形。
為此控製單元給SCR1和SCR2施加的控製信號的仿真波形如圖3所示,其中還包含有交流電輸入信號和震蕩輸出信號,從上到下的波形依次為輸入的交流電信號、SCR1的控製信號、SCR2的控製信號、震蕩線圈信號的波形。

圖3信號波形
[page]
各信號波形的時序:在交流電正半周的過0點觸發SCR1,用於C1的充電;在下個周期正半周的過0點觸發SCR2,用於形成並聯諧振回路。SCR2的觸發信號不能用窄脈衝信號,而是采用電平觸發方式,這樣,當電感電壓超過電容電壓時,盡管SCR2自動截止,但是在下一次電容給電感充電時,控製端滿足導通的條件,SCR2仍然能導通,進行連續充放電。
由於整個震蕩衰減過程需要20ms以上的時間,所以SCR2控製信號的高電平時間應該大於20ms,超過了交流電周期(20ms),因此將SCR2的控製信號導通時間預留2個交流電周期(40ms),這樣就有足夠的時間完成震蕩衰減過程。可見,完成一次對C1充電和震蕩衰減的全過程,總共需要3個周期(60ms)。通常脫磁線圈的長度大於50cm,如果礦漿的流速約1.5~3m/s,則通過脫磁線圈的時間是160~330ms,所以鐵粉能有2~5次被衰減的磁場退磁。

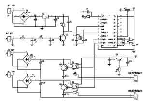
圖4控製電路原理
1硬件電路
控製單元電路由核心器件stc12c4052ad單片機和外圍器件構成,原理和功能如下。
stc12c4052ad單片機自帶A/D轉換器,具有高速、高可靠性,強抗靜電(過4kV快速脈衝幹擾),強抗幹擾,寬電壓,不怕電源抖動等特點。它完成同步信號檢測(P3.2口,int0中斷輸入端)、控製信號輸出(P3.4、P3.5)、輸出強度調整(P1.1)和工作狀態指示等功能;整流橋Z1、三端穩壓塊u2等構成穩壓電源,為整個控製電路提供電源;r1、r2、Q2等完成交流同步信號的輸入,其中,r1、C7、r2、C8濾除高頻脈衝的幹擾,同步信號輸入到單片機的int0端;整流橋z2、z3、Q3、Q4等構成獨立的電源,分別驅動可控矽SCR1、SCR2;光耦G1、G2將低壓控製電路與高壓驅動電路隔離,既保證了控製芯片和人身安全,同時具有抗幹擾作用;三極管Q1及周圍電路,用於上電延時。上電時,C14不能突變,所以Q1處於截止狀態,Q3、Q4都不能導通,在單片機初始化完成後,P3.4、P3.5處於正常狀態時,Q1進入導通狀態,避免了SCR1和SCR2同時導通。
2控製流程
圖5是主程序流程圖。由於電路中的可控矽觸發時間要求嚴格,所以,程序中分別使用了定時器T0作為SCR1充電的觸發定時信號,定時器T1作為SCR2放電時間的定時信號。

圖5主程序流程
綜上所述,脫磁器的輸出波形是影響脫磁效果的關鍵因素,波形的參數包括頻率、幅度、完整的衰減過程。這也是用戶在選擇脫磁器時和使用、維護、維修時更應該關心的問題。
- 中頻脫磁器的原理
- 中頻脫磁器的控製單元設計
- 磁化的鐵粉通過衰減的正弦波磁場時,能夠達到有效的退磁效果
- 當頻率大於800Hz時,退磁效果明顯變好
為了解決上述問題,人們經過了大量的研究和試驗,得出結論:rangkuangjiangjingguopinlvjibaiheziyishangdeshuaijiandezhengxianbocichang,jikejiangtiefenzhongdecixingtuidiao。muqian,xuduocixuanchangshiyongletuociqi,weilebianyuyonghuzaishijizhongduituociqiweihu、維修,本文將從信號波形的角度,詳細介紹脫磁器的控製電路原理和設計過程。
脫磁器原理
當被磁化的鐵粉通過衰減的正弦波磁場時,能夠達到有效的退磁效果。退磁效果與正弦波的頻率有關,當頻率大於800Hz時,退磁效果明顯變好。退磁效果還與磁場強度有關,通常磁場強度大於矯頑磁力的5倍即可。為了達到上述性能指標,目前普遍采用的電路形式如圖1所示,工作原理如下:當可控矽SCR2導通時,電感L1、電容C1構成一個並聯諧振回路,如果初始狀態電容C1兩端有電壓,則震蕩電路會產生衰減的正弦波震蕩,波形如圖2所示。這樣就在線圈內形成了與之同樣的磁場。該正弦波應該從最高的幅度逐漸衰減到0,才能保證更好的脫磁效果。

圖1脫磁器原理圖

圖2衰減正弦磁場波形
控製單元設計
圖1中的電容、電感決定了震蕩頻率f0,電容容量和回路中的損耗決定了衰減的時間。當電容C1=150μf,電感L1=200μh時,理論的震蕩頻率是914Hz,由於實際電路中存在誤差,實測值約800Hz,衰減的時間超過20ms。
控製原理是:首先通過380V交流電給C1充電,正半周SCR1導通,完成充電過程,負半周SCR1自動截止,C1電壓一直保持到下一個正半周期信號到來。此時開通SCR2,使C1、L1形成回路,產生自由震蕩並完成放電。如此反複循環,即達到了理想的磁場波形。
為此控製單元給SCR1和SCR2施加的控製信號的仿真波形如圖3所示,其中還包含有交流電輸入信號和震蕩輸出信號,從上到下的波形依次為輸入的交流電信號、SCR1的控製信號、SCR2的控製信號、震蕩線圈信號的波形。

圖3信號波形
[page]
各信號波形的時序:在交流電正半周的過0點觸發SCR1,用於C1的充電;在下個周期正半周的過0點觸發SCR2,用於形成並聯諧振回路。SCR2的觸發信號不能用窄脈衝信號,而是采用電平觸發方式,這樣,當電感電壓超過電容電壓時,盡管SCR2自動截止,但是在下一次電容給電感充電時,控製端滿足導通的條件,SCR2仍然能導通,進行連續充放電。
由於整個震蕩衰減過程需要20ms以上的時間,所以SCR2控製信號的高電平時間應該大於20ms,超過了交流電周期(20ms),因此將SCR2的控製信號導通時間預留2個交流電周期(40ms),這樣就有足夠的時間完成震蕩衰減過程。可見,完成一次對C1充電和震蕩衰減的全過程,總共需要3個周期(60ms)。通常脫磁線圈的長度大於50cm,如果礦漿的流速約1.5~3m/s,則通過脫磁線圈的時間是160~330ms,所以鐵粉能有2~5次被衰減的磁場退磁。

圖4控製電路原理
1硬件電路
控製單元電路由核心器件stc12c4052ad單片機和外圍器件構成,原理和功能如下。
stc12c4052ad單片機自帶A/D轉換器,具有高速、高可靠性,強抗靜電(過4kV快速脈衝幹擾),強抗幹擾,寬電壓,不怕電源抖動等特點。它完成同步信號檢測(P3.2口,int0中斷輸入端)、控製信號輸出(P3.4、P3.5)、輸出強度調整(P1.1)和工作狀態指示等功能;整流橋Z1、三端穩壓塊u2等構成穩壓電源,為整個控製電路提供電源;r1、r2、Q2等完成交流同步信號的輸入,其中,r1、C7、r2、C8濾除高頻脈衝的幹擾,同步信號輸入到單片機的int0端;整流橋z2、z3、Q3、Q4等構成獨立的電源,分別驅動可控矽SCR1、SCR2;光耦G1、G2將低壓控製電路與高壓驅動電路隔離,既保證了控製芯片和人身安全,同時具有抗幹擾作用;三極管Q1及周圍電路,用於上電延時。上電時,C14不能突變,所以Q1處於截止狀態,Q3、Q4都不能導通,在單片機初始化完成後,P3.4、P3.5處於正常狀態時,Q1進入導通狀態,避免了SCR1和SCR2同時導通。
2控製流程
圖5是主程序流程圖。由於電路中的可控矽觸發時間要求嚴格,所以,程序中分別使用了定時器T0作為SCR1充電的觸發定時信號,定時器T1作為SCR2放電時間的定時信號。

圖5主程序流程
綜上所述,脫磁器的輸出波形是影響脫磁效果的關鍵因素,波形的參數包括頻率、幅度、完整的衰減過程。這也是用戶在選擇脫磁器時和使用、維護、維修時更應該關心的問題。
特別推薦
- 噪聲中提取真值!瑞盟科技推出MSA2240電流檢測芯片賦能多元高端測量場景
- 10MHz高頻運行!氮矽科技發布集成驅動GaN芯片,助力電源能效再攀新高
- 失真度僅0.002%!力芯微推出超低內阻、超低失真4PST模擬開關
- 一“芯”雙電!聖邦微電子發布雙輸出電源芯片,簡化AFE與音頻設計
- 一機適配萬端:金升陽推出1200W可編程電源,賦能高端裝備製造
技術文章更多>>
- 築基AI4S:摩爾線程全功能GPU加速中國生命科學自主生態
- 一秒檢測,成本降至萬分之一,光引科技把幾十萬的台式光譜儀“搬”到了手腕上
- AI服務器電源機櫃Power Rack HVDC MW級測試方案
- 突破工藝邊界,奎芯科技LPDDR5X IP矽驗證通過,速率達9600Mbps
- 通過直接、準確、自動測量超低範圍的氯殘留來推動反滲透膜保護
技術白皮書下載更多>>
- 車規與基於V2X的車輛協同主動避撞技術展望
- 數字隔離助力新能源汽車安全隔離的新挑戰
- 汽車模塊拋負載的解決方案
- 車用連接器的安全創新應用
- Melexis Actuators Business Unit
- Position / Current Sensors - Triaxis Hall
熱門搜索
微波功率管
微波開關
微波連接器
微波器件
微波三極管
微波振蕩器
微電機
微調電容
微動開關
微蜂窩
位置傳感器
溫度保險絲
溫度傳感器
溫控開關
溫控可控矽
聞泰
穩壓電源
穩壓二極管
穩壓管
無焊端子
無線充電
無線監控
無源濾波器
五金工具
物聯網
顯示模塊
顯微鏡結構
線圈
線繞電位器
線繞電阻




