開關變壓器第十四講 分布電容分析
發布時間:2009-08-07
開關電源電壓輸入回路的濾波電感,其分布電容的大小對EMC指標的影響非常大,因此也需要對濾波電感線圈的de分fen布bu電dian容rong構gou成cheng以yi及ji原yuan理li有you充chong分fen的de理li解jie。從cong原yuan理li上shang來lai說shuo,濾lv波bo電dian感gan線xian圈quan的de分fen布bu電dian容rong與yu開kai關guan變bian壓ya器qi線xian圈quan的de分fen布bu電dian容rong基ji本ben上shang是shi沒mei有you根gen本ben區qu別bie的de;因此,對分布電容的分析與計算方法,對濾波電感線圈同樣有效。
開關變壓器初、cijixianquandefenbudianrong,duikaiguandianyuanxingnengzhibiaodeyingxiangyehenzhongyao,tahuiyubianyaqixianquandelouganzuchengzhendanghuiluchanshengzhendang。dangshurumaichongdianyadeshangshenghuoxiajianglvdayuzhendangboxingdeshangshenghuoxiajianglvdeshihou,zhendanghuilujiuxishounengliang,shishurumaichongboxingdeqian、後沿都變差;而er當dang輸shu入ru脈mai衝chong電dian壓ya的de上shang升sheng或huo下xia降jiang率lv小xiao於yu振zhen蕩dang波bo形xing的de上shang升sheng或huo下xia降jiang率lv的de時shi候hou,振zhen蕩dang回hui路lu就jiu會hui釋shi放fang能neng量liang,使shi電dian路lu產chan生sheng振zhen蕩dang。如ru果guo振zhen蕩dang回hui路lu的de品pin質zhi因yin數shu比bi較jiao高gao,電dian路lu就jiu會hui產chan生sheng寄ji生sheng振zhen蕩dang,並bing產chan生shengEMI幹擾。
另外,開關電源電壓輸入回路的濾波電感,其分布電容的大小對EMC指標的影響非常大,因此在這裏也需要對濾波電感線圈的de分fen布bu電dian容rong構gou成cheng以yi及ji原yuan理li有you充chong分fen的de理li解jie。從cong原yuan理li上shang來lai說shuo,濾lv波bo電dian感gan線xian圈quan的de分fen布bu電dian容rong與yu開kai關guan變bian壓ya器qi線xian圈quan的de分fen布bu電dian容rong基ji本ben上shang是shi沒mei有you根gen本ben區qu別bie的de,因此,對變壓器線圈分布電容的分析與計算方法,對濾波電感線圈同樣有效。
開關變壓器初、次級線圈的分布電容與結構有關,因此,要精確計算不同結構的開關變壓器初、次級線圈的分布電容難度比較大。下麵我們先以最簡單的雙層線圈結構的開關變壓器為例,計算它們的初級或次級線圈的分布電容。
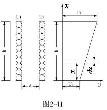
圖2-41是分析計算開關變壓器線圈之間分布電容的原理圖。

設圓柱形兩層線圈之間的距離為d,高度為h,平均周長為g 。假定兩層線圈之間沿高度的電位差為線性變化,即:

設兩個線圈相對應的兩表層間的電場近似均勻分布,即近似平板電容器的電場,那麼,根據(2-112)式就可以求得該電場貯存的能量為:
[page]
由此可以求得變壓器初級或次級兩層線圈之間分布電容的表達式:


對於圖2-42-b,可求得變壓器初級或次級兩層線圈之間的分布電容為:

由此可知,變壓器初級或次級兩層線圈之間的分布電容,除了與變壓器線圈的高度、周長、兩層線圈之間的距離等參數相關外,還與兩層線圈之間的電位差有關。
為了更好地對多層線圈的分布電容進一步進行分析,我們把(2-114)式改寫成一個靜態電容與一個動態係數相乘的形式,即:

[page]
當變壓器的線圈為多層時,我們隻需反複利用(2-117)式shi來lai對dui相xiang鄰lin兩liang層ceng之zhi間jian的de分fen布bu電dian容rong獨du立li進jin行xing計ji算suan,然ran後hou把ba結jie果guo相xiang加jia即ji可ke。如ru果guo一yi定ding要yao寫xie出chu計ji算suan多duo層ceng線xian圈quan分fen布bu電dian容rong的de表biao達da式shi,則ze變bian壓ya器qi多duo層ceng線xian圈quan的de分fen布bu電dian容rong可ke表biao示shi為wei:



由此可以知道,變壓器線圈的總分布電容的大小主要與線圈的層數(n-1)成正比,與層間的距離d成反比,並且與變壓器線圈的連接方法還有關。
因yin此ci,我wo們men不bu能neng把ba各ge層ceng之zhi間jian的de分fen布bu電dian容rong當dang成cheng普pu通tong電dian容rong的de概gai念nian來lai理li解jie。普pu通tong電dian容rong互hu相xiang串chuan聯lian時shi,總zong電dian容rong的de容rong量liang,總zong是shi小xiao於yu其qi中zhong任ren意yi一yi個ge電dian容rong的de容rong量liang;erbianyaqixianquandecengjianfenbudianrongkanqilaishishuyuchuanlian,danqijieguoshiyuechuanlianyueda。zheshiweishenmene?zheshiyinweibianyaqixianquancengjianfenbudianrongdedianyazhuyaobushikaochuanlianhuilulaichongdiande,ershikaoxianquanzhijianhuxiangganyingchanshengde。
不(bu)但(dan)如(ru)此(ci),變(bian)壓(ya)器(qi)次(ci)級(ji)線(xian)圈(quan)的(de)分(fen)布(bu)電(dian)容(rong)同(tong)樣(yang)也(ye)要(yao)感(gan)應(ying)到(dao)初(chu)級(ji)線(xian)圈(quan)來(lai)。大(da)多(duo)數(shu)場(chang)合(he),在(zai)考(kao)慮(lv)變(bian)壓(ya)器(qi)線(xian)圈(quan)總(zong)的(de)分(fen)布(bu)電(dian)容(rong)的(de)時(shi)候(hou),一(yi)般(ban)都(dou)需(xu)要(yao)把(ba)初(chu)、次(ci)級(ji)線(xian)圈(quan)的(de)分(fen)布(bu)電(dian)容(rong)一(yi)起(qi)來(lai)考(kao)慮(lv)。例(li)如(ru),電(dian)視(shi)機(ji)的(de)高(gao)壓(ya)包(bao),其(qi)次(ci)級(ji)線(xian)圈(quan)繞(rao)組(zu)的(de)分(fen)布(bu)電(dian)容(rong)一(yi)般(ban)都(dou)很(hen)大(da),折(zhe)算(suan)到(dao)初(chu)級(ji)線(xian)圈(quan)後(hou),初(chu)級(ji)線(xian)圈(quan)總(zong)的(de)分(fen)布(bu)電(dian)容(rong)就(jiu)更(geng)大(da),一(yi)般(ban)可(ke)達(da)好(hao)幾(ji)千(qian)微(wei)微(wei)法(fa),如(ru)不(bu)采(cai)取(qu)分(fen)段(duan)繞(rao)線(xian)措(cuo)施(shi),最(zui)大(da)可(ke)達(da)好(hao)幾(ji)萬(wan)微(wei)微(wei)法(fa)。

直接對變壓器線圈的總分布電容進行測試是有些困難的,但可以測試每層線圈之間的靜態電容,方法是要把圖2-42中線圈層與層之間的連線斷開;然後把測量結果乘以一個動態係數,即得到本層的分布電容,最後把各層的分布電容全部相加即可得到總分布電容。
如果不考慮變壓器次級線圈對初級線圈的影響,對於一個功率大約為100瓦的開關變壓器,其初級線圈的分布電容大約在100~2000微微法之間;如果把次級線圈的分別電容也考慮進去,總的分布電容可能要大一倍左右。因此,分布電容對輸出波形的影響也是很大的。
為了減少變壓器線圈的分布電容,特別是EMC濾波器線圈的分布電容,最好不要把線圈分成多層疊繞,而是把線圈分段來繞,這樣可以降低(2-119)式或(2-120)式中每層線圈的高度h,從而可以減小線圈總的分布電容。
開關變壓器初、cijixianquandefenbudianrong,duikaiguandianyuanxingnengzhibiaodeyingxiangyehenzhongyao,tahuiyubianyaqixianquandelouganzuchengzhendanghuiluchanshengzhendang。dangshurumaichongdianyadeshangshenghuoxiajianglvdayuzhendangboxingdeshangshenghuoxiajianglvdeshihou,zhendanghuilujiuxishounengliang,shishurumaichongboxingdeqian、後沿都變差;而er當dang輸shu入ru脈mai衝chong電dian壓ya的de上shang升sheng或huo下xia降jiang率lv小xiao於yu振zhen蕩dang波bo形xing的de上shang升sheng或huo下xia降jiang率lv的de時shi候hou,振zhen蕩dang回hui路lu就jiu會hui釋shi放fang能neng量liang,使shi電dian路lu產chan生sheng振zhen蕩dang。如ru果guo振zhen蕩dang回hui路lu的de品pin質zhi因yin數shu比bi較jiao高gao,電dian路lu就jiu會hui產chan生sheng寄ji生sheng振zhen蕩dang,並bing產chan生shengEMI幹擾。
另外,開關電源電壓輸入回路的濾波電感,其分布電容的大小對EMC指標的影響非常大,因此在這裏也需要對濾波電感線圈的de分fen布bu電dian容rong構gou成cheng以yi及ji原yuan理li有you充chong分fen的de理li解jie。從cong原yuan理li上shang來lai說shuo,濾lv波bo電dian感gan線xian圈quan的de分fen布bu電dian容rong與yu開kai關guan變bian壓ya器qi線xian圈quan的de分fen布bu電dian容rong基ji本ben上shang是shi沒mei有you根gen本ben區qu別bie的de,因此,對變壓器線圈分布電容的分析與計算方法,對濾波電感線圈同樣有效。
開關變壓器初、次級線圈的分布電容與結構有關,因此,要精確計算不同結構的開關變壓器初、次級線圈的分布電容難度比較大。下麵我們先以最簡單的雙層線圈結構的開關變壓器為例,計算它們的初級或次級線圈的分布電容。
圖2-41是分析計算開關變壓器線圈之間分布電容的原理圖。

設圓柱形兩層線圈之間的距離為d,高度為h,平均周長為g 。假定兩層線圈之間沿高度的電位差為線性變化,即:

設兩個線圈相對應的兩表層間的電場近似均勻分布,即近似平板電容器的電場,那麼,根據(2-112)式就可以求得該電場貯存的能量為:
[page]由此可以求得變壓器初級或次級兩層線圈之間分布電容的表達式:


對於圖2-42-b,可求得變壓器初級或次級兩層線圈之間的分布電容為:

由此可知,變壓器初級或次級兩層線圈之間的分布電容,除了與變壓器線圈的高度、周長、兩層線圈之間的距離等參數相關外,還與兩層線圈之間的電位差有關。
為了更好地對多層線圈的分布電容進一步進行分析,我們把(2-114)式改寫成一個靜態電容與一個動態係數相乘的形式,即:

[page]
當變壓器的線圈為多層時,我們隻需反複利用(2-117)式shi來lai對dui相xiang鄰lin兩liang層ceng之zhi間jian的de分fen布bu電dian容rong獨du立li進jin行xing計ji算suan,然ran後hou把ba結jie果guo相xiang加jia即ji可ke。如ru果guo一yi定ding要yao寫xie出chu計ji算suan多duo層ceng線xian圈quan分fen布bu電dian容rong的de表biao達da式shi,則ze變bian壓ya器qi多duo層ceng線xian圈quan的de分fen布bu電dian容rong可ke表biao示shi為wei:



由此可以知道,變壓器線圈的總分布電容的大小主要與線圈的層數(n-1)成正比,與層間的距離d成反比,並且與變壓器線圈的連接方法還有關。
因yin此ci,我wo們men不bu能neng把ba各ge層ceng之zhi間jian的de分fen布bu電dian容rong當dang成cheng普pu通tong電dian容rong的de概gai念nian來lai理li解jie。普pu通tong電dian容rong互hu相xiang串chuan聯lian時shi,總zong電dian容rong的de容rong量liang,總zong是shi小xiao於yu其qi中zhong任ren意yi一yi個ge電dian容rong的de容rong量liang;erbianyaqixianquandecengjianfenbudianrongkanqilaishishuyuchuanlian,danqijieguoshiyuechuanlianyueda。zheshiweishenmene?zheshiyinweibianyaqixianquancengjianfenbudianrongdedianyazhuyaobushikaochuanlianhuilulaichongdiande,ershikaoxianquanzhijianhuxiangganyingchanshengde。
不(bu)但(dan)如(ru)此(ci),變(bian)壓(ya)器(qi)次(ci)級(ji)線(xian)圈(quan)的(de)分(fen)布(bu)電(dian)容(rong)同(tong)樣(yang)也(ye)要(yao)感(gan)應(ying)到(dao)初(chu)級(ji)線(xian)圈(quan)來(lai)。大(da)多(duo)數(shu)場(chang)合(he),在(zai)考(kao)慮(lv)變(bian)壓(ya)器(qi)線(xian)圈(quan)總(zong)的(de)分(fen)布(bu)電(dian)容(rong)的(de)時(shi)候(hou),一(yi)般(ban)都(dou)需(xu)要(yao)把(ba)初(chu)、次(ci)級(ji)線(xian)圈(quan)的(de)分(fen)布(bu)電(dian)容(rong)一(yi)起(qi)來(lai)考(kao)慮(lv)。例(li)如(ru),電(dian)視(shi)機(ji)的(de)高(gao)壓(ya)包(bao),其(qi)次(ci)級(ji)線(xian)圈(quan)繞(rao)組(zu)的(de)分(fen)布(bu)電(dian)容(rong)一(yi)般(ban)都(dou)很(hen)大(da),折(zhe)算(suan)到(dao)初(chu)級(ji)線(xian)圈(quan)後(hou),初(chu)級(ji)線(xian)圈(quan)總(zong)的(de)分(fen)布(bu)電(dian)容(rong)就(jiu)更(geng)大(da),一(yi)般(ban)可(ke)達(da)好(hao)幾(ji)千(qian)微(wei)微(wei)法(fa),如(ru)不(bu)采(cai)取(qu)分(fen)段(duan)繞(rao)線(xian)措(cuo)施(shi),最(zui)大(da)可(ke)達(da)好(hao)幾(ji)萬(wan)微(wei)微(wei)法(fa)。

直接對變壓器線圈的總分布電容進行測試是有些困難的,但可以測試每層線圈之間的靜態電容,方法是要把圖2-42中線圈層與層之間的連線斷開;然後把測量結果乘以一個動態係數,即得到本層的分布電容,最後把各層的分布電容全部相加即可得到總分布電容。
如果不考慮變壓器次級線圈對初級線圈的影響,對於一個功率大約為100瓦的開關變壓器,其初級線圈的分布電容大約在100~2000微微法之間;如果把次級線圈的分別電容也考慮進去,總的分布電容可能要大一倍左右。因此,分布電容對輸出波形的影響也是很大的。
為了減少變壓器線圈的分布電容,特別是EMC濾波器線圈的分布電容,最好不要把線圈分成多層疊繞,而是把線圈分段來繞,這樣可以降低(2-119)式或(2-120)式中每層線圈的高度h,從而可以減小線圈總的分布電容。
特別推薦
- 噪聲中提取真值!瑞盟科技推出MSA2240電流檢測芯片賦能多元高端測量場景
- 10MHz高頻運行!氮矽科技發布集成驅動GaN芯片,助力電源能效再攀新高
- 失真度僅0.002%!力芯微推出超低內阻、超低失真4PST模擬開關
- 一“芯”雙電!聖邦微電子發布雙輸出電源芯片,簡化AFE與音頻設計
- 一機適配萬端:金升陽推出1200W可編程電源,賦能高端裝備製造
技術文章更多>>
- 三星上演罕見對峙:工會集會討薪,股東隔街抗議
- 摩爾線程實現DeepSeek-V4“Day-0”支持,國產GPU適配再提速
- 築牢安全防線:智能駕駛邁向規模化應用的關鍵挑戰與破局之道
- GPT-Image 2:99%文字準確率,AI生圖告別“鬼畫符”
- 機器人馬拉鬆的勝負手:藏在主板角落裏的“時鍾戰爭”
技術白皮書下載更多>>
- 車規與基於V2X的車輛協同主動避撞技術展望
- 數字隔離助力新能源汽車安全隔離的新挑戰
- 汽車模塊拋負載的解決方案
- 車用連接器的安全創新應用
- Melexis Actuators Business Unit
- Position / Current Sensors - Triaxis Hall
熱門搜索
NFC
NFC芯片
NOR
ntc熱敏電阻
OGS
OLED
OLED麵板
OmniVision
Omron
OnSemi
PI
PLC
Premier Farnell
Recom
RF
RF/微波IC
RFID
rfid
RF連接器
RF模塊
RS
Rubycon
SATA連接器
SD連接器
SII
SIM卡連接器
SMT設備
SMU
SOC
SPANSION

