PA-Cap○R聚合物片式疊層鋁電解電容器的特點及其應用
發布時間:2008-10-14 來源:福建國光新型電子元件與材料技術研究院
中心論題:
- 聚合物片式疊層鋁電解電容器的特點。
- PA-Cap的應用。
- 吸收噪聲性能測試電路介紹。
- 尺寸小適合小型化的電子產品。
- 無須降壓使用綠色環保。
- 低的ESR允許大的紋波電流。
- 溫度係數低的導電高分子作為電解質在寬溫區域內具有良好的溫度特性。
引言
近年來,隨著電子設備電源電路的高頻化,輕薄短小化及表麵貼裝技術發展的需求,鋁電解電容器逐步向著小型化、大容量、低ESR和(he)高(gao)可(ke)靠(kao)性(xing)發(fa)展(zhan),尤(you)其(qi)需(xu)要(yao)具(ju)備(bei)優(you)異(yi)的(de)高(gao)頻(pin)特(te)性(xing),為(wei)了(le)適(shi)應(ying)高(gao)頻(pin)波(bo)段(duan)低(di)阻(zu)抗(kang)的(de)需(xu)要(yao),許(xu)多(duo)公(gong)司(si)開(kai)發(fa)了(le)以(yi)導(dao)電(dian)高(gao)分(fen)子(zi)作(zuo)為(wei)電(dian)容(rong)器(qi)的(de)固(gu)體(ti)電(dian)解(jie)質(zhi)。 PA-Cap○R是“聚合物片式疊層鋁電解電容器”的英文縮寫 ,也是福建國光電子科技股份公司自主研發的新一代鋁電解電容器的注冊商標。PA-Cap采用鋁箔作為陽極,三氧化二鋁作為電介質,固態的高分子導電聚合物作為陰極,疊片而成。
PA-Cap的特點
由於采用固態的高分子導電聚合物作為電解質,使得PA-Cap具有如下特點:
1. 尺寸小,最大為E殼,很適合小型化的電子產品。
2. 額定電壓範圍2~16V,容量範圍3.3~330μF,容量與標稱容量允許偏差為±20%(M級),損耗角正切 ≦ 0.06 (120Hz),漏電流 ≦ 0.04CV。
3. 等效串聯電阻(ESR)低 ,最低的ESR可達8mΩ(100KHz)。
4. 溫度特性穩定,如圖1所示在-55~+105℃工作溫度範圍內,容量、ESR變化幅度小。
5. 頻率特性優良,如圖2所描述,在中頻段(10KHz~20MHz),其ESR比鉭電解電容和液體鋁電解電容還要低,特別是在100 KHz~1MHz之間,相差非常明顯。
6. 長壽命、高可靠性,+105℃下壽命為1000h,相當於在+55℃下可工作36年。
7. 無須降壓使用;采用無鉛封裝,符合RoHS標準,綠色環保.
8. 出現失效時不會爆炸、燃燒,比一般鉭電解電容器安全.
圖1. PA-Cap溫度特性曲線
圖2. PA-Cap、聚合物鉭電容、普通鉭電容的容量隨頻率變化
PA-Cap的應用
PA-Cap的應用範圍很廣,本文重點介紹在DC/DC轉換器或開關電源輸出電容、噪聲吸收和高速保護方麵的應用,並與其他電解電容器進行對比。
a DC/DC轉換器或開關電源輸出電容
由於電子產品的工作電壓不斷地降低,而其功耗卻在增大, 這就要求DC/DC轉換器具有輸出電壓低和輸出電流高等特點。作為DC/DC轉換器或開關電源輸出電容,要求在開關管的工作頻率附近具有較低的紋波電壓。為了觀察PA-Cap在開關管一般工作頻率下的紋波電壓效果,進行了如圖3所示的測試,其中的參數示於表1中。
圖3. 開關電源濾波測試電路

表1. 開關電源測試電路參數
現分別用1隻2V/220μF PA-Cap或2V/220μF鬆下公司聚合物固體疊層鋁電解電容器(SP-Cap)接在輸出電容Cout位置,測試其濾波效果。輸出波形如圖4和圖5所示:
圖4. 300KHz時PA-Cap 濾波效果
圖5. 300KHz時SP-Cap濾波效果
如上麵的濾波效果顯示,當開關電源頻率在300KHz左右時,同種規格的PA-Cap的輸出均方根與SP-Cap的很接近,所以PA-Cap濾波效果基本接近於SP-Cap。由於具有低的ESR、允許的紋波電流大,所以PA-Cap也是DC/DC轉換器或開關電源輸出電容的優選電容之一。
b 噪聲吸收
對於高質量聲音影像的儀器設備來說,需要溫度穩定性和消除高頻噪聲的能力。用於降低噪聲的電容高頻低阻,即具備低ESR和低ESL。但是,ESR過低,使得電容成為一個LC濾波器,產生諧振引起共振。電容的依存性很大程度上取決於它的電解質。PA-Cap采用溫度係數低的導電高分子作為電解質,在寬溫區域內具有良好的溫度特性。
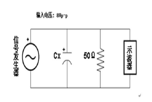
吸收噪聲性能的測試電路示意圖如圖6所示,不同溫度下測試2V/220μF結果如圖7、8所示:
圖6. 噪聲吸收測試電路示意圖
圖7. 室溫下均方根隨頻率變化
圖8. 55度時均方根隨頻率變化
如上述圖7、8曲線所示: 頻率在100 KHz~500 KHz內,輸入峰-峰電壓為8V,負載為50Ω時,接上PA-Cap的輸出均方根不超過2mV,吸收了近99%的噪聲。所以,100 KHz~500 KHz為 PA-Cap理想工作頻率範圍。而且,不管在室溫還是在55度下,10 KHz~1 MHz頻率範圍內, PA-Cap噪聲吸收性能基本接近於SP-Cap。PA-Cap的溫度穩定性和消除高頻噪聲能力也是相當優秀的。
c 高速保護
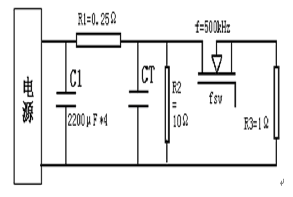
在全球節能的浪潮中,電子產品使用的IC,特別是MPU(微處理器)正超著高速度、低工作電壓方向發展。低工作電壓化帶來了MPU的負載電流呈增加的趨勢。MPU從休眠狀態向高速突變時,MPU的負載變化劇烈,負載電流急劇變化,引起了電源線路的電壓變動導致MPU的誤操作。為了防止這種情況的出現,在MPU電源瞬態響應設計時,考慮在陶瓷電容附近提供一個電荷備用庫。這個電荷備用庫是通過低ESR、低ESL、大容量的電解電容來實現。過去一般應用鉭電容作為電荷備用庫,顧慮到現火災隱患,現避免使用選用該類元件。
圖9為高速保護測試電路,CT為測試電容——16 V/220μF普通鉭電容、4V/82μF PA-Cap。
圖9. 高速保護測試電路
圖10. 16 V/220μF普通鉭電容的測試波形
圖11 . 4V/82μF PA-Cap的測試波形
當MPU的負載電流急劇增大時,由於PA-Cap的ESR比普通鉭電容小很多,所以接上PA-Cap的電源電壓下降隻有66mV比普通鉭電容小好幾倍(如圖10、11所示),達到良好的去耦效果。PA-Cap不僅去耦效果好,而且不燃燒不爆炸,是MPU等數字電路作為高速保護備用電荷庫的優選電容之一。
結束語
新型電容器——PA-Cap聚合物片式疊層鋁電解電容器,技術指標達到或接近國際先進水平,具有超越現有液體鋁電解電容器和固體鉭電解電容器的卓越電性能;穩定的頻率特性和溫度特性,寬溫長壽命高可靠性。廣泛應用於筆記本電腦、平板顯示器、移動DVD、通訊電源、汽車電子、儀器儀表等高端數字化電子中。
參考文獻
[1] PA-Cap○R聚合物固體片式鋁電解電容器2006年產品手冊
[2] PA-Cap○R聚合物固體片式鋁電解電容器2007年企業標準
[3] 日本三洋公司產品資料
[4] 日本鬆下公司產品資料
[5] Yining Zhang等 Multilayer Polymer Aluminium Electrolytic Capacitors with Polypyrrole as Cathode Material [A]. CARTS USA 2008,pp433-437
作者簡介:
張易寧,男,博士,福建國光新型電子元件與材料研究院院長,福建國光電子科技股份有限公司副總經理,研究方向為新型材料與元器件。
陳由雄,男,分析應用工程師,研究方向為電子元件器。
- 噪聲中提取真值!瑞盟科技推出MSA2240電流檢測芯片賦能多元高端測量場景
- 10MHz高頻運行!氮矽科技發布集成驅動GaN芯片,助力電源能效再攀新高
- 失真度僅0.002%!力芯微推出超低內阻、超低失真4PST模擬開關
- 一“芯”雙電!聖邦微電子發布雙輸出電源芯片,簡化AFE與音頻設計
- 一機適配萬端:金升陽推出1200W可編程電源,賦能高端裝備製造
- 博世半導體亮相北京車展:以技術創新驅動智能出行
- 超低功耗微控製器模塊為工程師帶來新的機遇——第1部分:Eclipse項目設置
- 英偉達吳新宙北京車展解讀:以五層架構與開放生態,加速汽車駛向L4
- 三星上演罕見對峙:工會集會討薪,股東隔街抗議
- 摩爾線程實現DeepSeek-V4“Day-0”支持,國產GPU適配再提速
- 車規與基於V2X的車輛協同主動避撞技術展望
- 數字隔離助力新能源汽車安全隔離的新挑戰
- 汽車模塊拋負載的解決方案
- 車用連接器的安全創新應用
- Melexis Actuators Business Unit
- Position / Current Sensors - Triaxis Hall

