方案詳解:PWM調光的離線高功率LED街燈電路驅動
發布時間:2015-03-11 責任編輯:echolady
【導讀】本文主要詳解的是用於LED街燈的28V、3.3A的離線高功率因數LED驅動器設計方案。本次設計方案構成主要由LED驅動器及恒壓恒流控製器等構成,並且采用90V--265V交流電壓供電。而本文詳解的是能夠配合脈寬調製調光的LED街燈驅動設計。
單段拓撲結構LED驅動器+次級端CVCC控製器組合
NCL30001是一種單段拓撲結構LED驅動方案,其靈活的特性非常適合應用於新的LED照明產品。這款采用單段集成功率因數校正(PFC)和隔離型降壓交流-直流(AC-DC)電源轉換的離線式LED驅動器省去了專用PFC升壓段,可以減少元件數量,降低方案成本,配合提高LED電源係統總能效,用於LED街燈、低頂燈、外牆燈和建築物照明等應用。
NCL30001采用連續導電模式(CCM)工作,這種方案集成了PFC和隔離型DC-DC轉換電路,並提供恒定電流來直接驅動LED。它相當於將AC-DC轉換與LED驅動兩部分電路整合在一起,均位於照明燈具內,省去了LED光條中集成的線性或DC-DC轉換器。這種整體式方案的電源轉換段更少,減少元器件使用數量(如光學元件、LED、電子元件及印製電路板等),降低係統成本,並支持更高的LED電源總體能效。當然,這種方案的功率密度更高,可能並不適合所有區域照明應用,其光學圖案可能更適合較低功率的LED,典型應用包括LED街燈、外牆燈、洗牆燈及電冰箱箱體照明等。
NCL30001控製器的其他規格特性還包括高壓啟動電路、電壓前饋以改善環路響應、輸入欠壓檢測、內部過載定時器、閂鎖輸入,以及減少輸入線路諧波的高精度乘法器。安森美半導體還提供這器件的隔離型單段功率因數校正LED驅動器評估板,用於要求直接恒流輸出的40W到100 W功率範圍的應用。電流可在0.7 A至1.5 A之間調節,配合更寬範圍的大功率高亮度LED。
NCS1002是一款次級端恒壓恒流(CVCC)控製器,適合LED街燈等區域照明應用,配合NCL30001控製器更可以設計出高功效、具有調光功能的LED驅動器演示板。
基於NCL30001和NCS1002的90 W演示板
90W恒壓恒流演示板可接受90至265 Vac的擴展通用輸入電壓(更換元件條件下可支持305 Vac),提供0.7A至1.5A的恒定電流輸出範圍及30V至55V的恒定輸出電壓範圍(可通過電阻分壓器來選擇),最大輸出功率90 W,支持50至1,000Hz調光控製,並包含可連接至可選調光卡的6引腳接口,用於模擬電流調節/雙亮度等級數字調光等智能調光應用。此外,這款演示板還提供短路保護、開路保護、過溫保護、過流保護及過壓保護等豐富保護特性。測試顯示,這演示板在50W輸出功率、1,000 mA輸出電壓/48 V正向壓降條件的能效高於87%,在50%至100%負載條件下功率因數高於0.9,同時符合IEC61000-3-2C類設備諧波含量標準。

圖1:演示板頂視圖
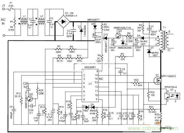
[page] 由於這種設計可以有標準NCL30001評估板(50V2A)相媲美的功率水平,電路原理的變化在於變壓器的設計,以及基於NCS1002的恒定電流/恒定電壓次級側控製電路。圖2所suo示shi為wei初chu級ji側ce電dian路lu。這zhe個ge設she計ji的de反fan激ji變bian壓ya器qi源yuan於yu原yuan有you設she計ji的de次ci級ji繞rao組zu,可ke以yi滿man足zu新xin的de最zui高gao電dian壓ya和he電dian流liu要yao求qiu。初chu級ji繞rao組zu所suo需xu的de電dian感gan和he整zheng體ti結jie構gou基ji本ben上shang相xiang同tong。277VAC輸入可以利用適當的額定電壓來改變EMI輸入濾波器的“X”和“Y”電容器。

圖2:NCL30001 CVCC 90 W演示板初級側原理圖
使用NCL30001連續導通模式功率因數校正單段反激式控製器,可以實現高架、隧道、停車場和道路照明等區域照明應用的恒定電流LED驅動器。這種特殊設計是針對需要大於3A的驅動能力的LED而優化的,如Luminus Devices公司的CSM360和SST90。這種設計可以支持多達8個SST90串聯或2個CSM360器件。CSM360 LED在驅動電流為3.2A條件下標稱正向電壓為12.8 V,這取決於色溫和光通量可以產生1600-3900流明。
我wo們men看kan到dao這zhe裏li的de次ci級ji側ce控kong製zhi電dian路lu如ru下xia圖tu。由you圖tu可ke知zhi在zai本ben設she計ji中zhong輸shu出chu電dian壓ya是shi由you一yi個ge電dian阻zu率lv確que定ding的de,輸shu出chu電dian流liu也ye是shi基ji於yu一yi個ge電dian阻zu率lv設she置zhi的de。因yin此ci,隻zhi有you兩liang個ge電dian阻zu需xu要yao改gai變bian:一個是輸出電壓分壓器R34,另一個是電流設置電路的一部分的R32。此外,由於輸出電壓較低而輸出電流較高,增加了輸出電容,同時降低了電容器的額定電壓。

圖3:次級側原理圖
相關閱讀:
大流明LED街燈的新散熱解決方案
STM32 :基於STM32控製的太陽能-LED街燈解決方案
特別推薦
- 噪聲中提取真值!瑞盟科技推出MSA2240電流檢測芯片賦能多元高端測量場景
- 10MHz高頻運行!氮矽科技發布集成驅動GaN芯片,助力電源能效再攀新高
- 失真度僅0.002%!力芯微推出超低內阻、超低失真4PST模擬開關
- 一“芯”雙電!聖邦微電子發布雙輸出電源芯片,簡化AFE與音頻設計
- 一機適配萬端:金升陽推出1200W可編程電源,賦能高端裝備製造
技術文章更多>>
- 算力爆發遇上電源革新,大聯大世平集團攜手晶豐明源線上研討會解鎖應用落地
- 築基AI4S:摩爾線程全功能GPU加速中國生命科學自主生態
- 一秒檢測,成本降至萬分之一,光引科技把幾十萬的台式光譜儀“搬”到了手腕上
- AI服務器電源機櫃Power Rack HVDC MW級測試方案
- 突破工藝邊界,奎芯科技LPDDR5X IP矽驗證通過,速率達9600Mbps
技術白皮書下載更多>>
- 車規與基於V2X的車輛協同主動避撞技術展望
- 數字隔離助力新能源汽車安全隔離的新挑戰
- 汽車模塊拋負載的解決方案
- 車用連接器的安全創新應用
- Melexis Actuators Business Unit
- Position / Current Sensors - Triaxis Hall
熱門搜索
微波功率管
微波開關
微波連接器
微波器件
微波三極管
微波振蕩器
微電機
微調電容
微動開關
微蜂窩
位置傳感器
溫度保險絲
溫度傳感器
溫控開關
溫控可控矽
聞泰
穩壓電源
穩壓二極管
穩壓管
無焊端子
無線充電
無線監控
無源濾波器
五金工具
物聯網
顯示模塊
顯微鏡結構
線圈
線繞電位器
線繞電阻


