電路解讀:51單片機LED係統設計方案
發布時間:2015-02-12 責任編輯:sherryyu
【導讀】本文為大家介紹的是51單片機LED係統電路設計方案,主要為大家解讀該係統,主要包含了係統硬件原理圖,光耦傳感器模塊的設計,顯示模塊的設計等等,想學習的人不同錯過。
LED 旋轉顯示器時基於視覺暫留原理,開發的一種旋轉式LED 顯示屏。其在具有一定轉速地載體上安裝16 個LED 發光器件,各LED 發光管等間距排位一條直線,隨著旋轉速度的加快,在計算機軟件精確的時序控製下,不斷掃描出預設的文字,圖案等。使用一個光耦(U 型槽的紅外對管)zuoweidingweichuanganqi,dangxuanzhuanyizhoushi,dangguangbanzhedangguangyuan,guangminsanjiguandejidianjishuchugaodianping,danglikaidangguangbanshi,jidianjizaicishuchudidianping,congergeidanpianjiyigexiajiangyandetiaobianxinghao,chanshengyigezhongduan,congergengxinxianshi。gongdianbufen,yinweizhenggezhuangzhishizaibutingdegaosuxuanzhuandangzhong,suoyiwomenzuoleyigejiandandedianshuazhuangzhi,ba220V 的交流電通過變壓器變成12V 的交流電,再由橋式整流電路,和濾波電路,變為平滑的直流電,最後通過7805 芯片輸出我們需要的5V 直流電源,通過電刷把電源和指針板上的單片機連接為其供電。而旋轉載體因為需要12V 的電壓源,所以采用分別供電的方式。
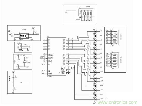
係統硬件原理圖
係統硬件原理如下圖所示

光耦傳感器模塊的設計

對射式U xingcaoguangoujuyou,xiangyingsudukuai,qudongjiandan,anzhuangrongyi,rongyiyudanpianjitongxindengtedian。rutusuoshi,dangshangdianzhihou,guangoudeguangminsanjiguandejidianjishishuchudidianping,dangyouwutidangzhuleguangminsanjiguanganyingdehongwaiguangxianshi,guangminsanjiguandejidianjihefashejichuyugaozutai,suoyijidianjishuchugaodianping,dangguangminsanjiguanzaiciganyingdaohongwaiguangyuandeshihou,jidianjizaicishuchudidianping,congergeidanpianjiyigezhongduanxinhao。
顯示模塊的設計

LED xianshiqijuyougonghaodi,jiekoukongzhifangbiandengyoudian,erqiemokuaidejiekouxinhaohecaozuozhilingjuyouguangfandejianrongxing,bingnengzhijieyudanpianjijiekou,kefangbiandishixiangezhongbutongdecaozuo,zaigeleiceliangjikongzhiyibiaozhongbeiguangfandeyingyong。dangzaiLED 上顯示漢字時,應先取得漢字的點陣構成數據,然後將其寫入顯示存儲器中進行顯示。旋轉LED 顯示器是一種通過同步控製發光二極位置和點亮狀態來實現圖文顯示的新型顯示器,其結構新穎,成本低廉,可視角度達360°。
特別推薦
- 噪聲中提取真值!瑞盟科技推出MSA2240電流檢測芯片賦能多元高端測量場景
- 10MHz高頻運行!氮矽科技發布集成驅動GaN芯片,助力電源能效再攀新高
- 失真度僅0.002%!力芯微推出超低內阻、超低失真4PST模擬開關
- 一“芯”雙電!聖邦微電子發布雙輸出電源芯片,簡化AFE與音頻設計
- 一機適配萬端:金升陽推出1200W可編程電源,賦能高端裝備製造
技術文章更多>>
- 築基AI4S:摩爾線程全功能GPU加速中國生命科學自主生態
- 一秒檢測,成本降至萬分之一,光引科技把幾十萬的台式光譜儀“搬”到了手腕上
- AI服務器電源機櫃Power Rack HVDC MW級測試方案
- 突破工藝邊界,奎芯科技LPDDR5X IP矽驗證通過,速率達9600Mbps
- 通過直接、準確、自動測量超低範圍的氯殘留來推動反滲透膜保護
技術白皮書下載更多>>
- 車規與基於V2X的車輛協同主動避撞技術展望
- 數字隔離助力新能源汽車安全隔離的新挑戰
- 汽車模塊拋負載的解決方案
- 車用連接器的安全創新應用
- Melexis Actuators Business Unit
- Position / Current Sensors - Triaxis Hall
熱門搜索
微波功率管
微波開關
微波連接器
微波器件
微波三極管
微波振蕩器
微電機
微調電容
微動開關
微蜂窩
位置傳感器
溫度保險絲
溫度傳感器
溫控開關
溫控可控矽
聞泰
穩壓電源
穩壓二極管
穩壓管
無焊端子
無線充電
無線監控
無源濾波器
五金工具
物聯網
顯示模塊
顯微鏡結構
線圈
線繞電位器
線繞電阻



