電路速成:智能汽車控製係統電路設計
發布時間:2015-01-12 責任編輯:echolady
【導讀】智能汽車硬件係統的核心就是電路係統,硬件電路係統的穩定性是整個係統的性能指標。智能車屬於輪式移動機器人,集環境感知、路徑規劃、自動駕駛等多功能於一體。智能汽車的能動性、中心、電路板的緊湊型都是硬件電路必須要考慮的因素。
智能汽車技術將許多領域聯係在一起,如計算機科學、人工智能、圖像處理、模式識別和控製理論等。智能汽車與一般所說的自動駕駛有所不同,它更多指的是利用GPS 和智能公路技術實現的汽車自動駕駛。這種汽車不需要人去駕駛,因為它裝有相當於人的“眼睛”、“大腦”和“腳”的電視攝像機、電子計算機和自動操縱係統之類的裝置,這些置都裝有非常複雜的電腦程序,所以這種汽車能和人一樣會“思考”、“判斷”、“行走”,可以自動啟動、加速、刹車,可以自動繞過地麵障礙物在複雜多變的情況下,能隨機應變,自動選擇最佳方案,指揮汽車正常、順利地行駛。
電dian路lu係xi統tong是shi智zhi能neng汽qi車che硬ying件jian係xi統tong的de核he心xin,對dui於yu本ben硬ying件jian電dian路lu係xi統tong而er言yan,穩wen定ding性xing是shi需xu要yao優you先xian保bao證zheng的de性xing能neng指zhi標biao,畢bi竟jing跑pao完wan全quan程cheng才cai是shi取qu得de成cheng績ji的de前qian提ti。在zai此ci基ji礎chu上shang,還hai應ying當dang綜zong合he考kao慮lv智zhi能neng汽qi車che的de動dong力li性xing、重心及電路板的緊湊性等其他指標。
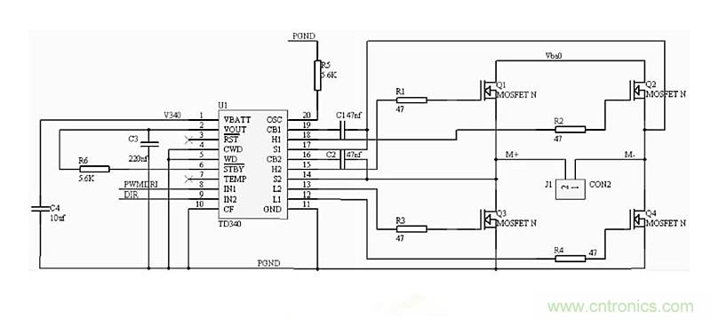
電機驅動模塊
電機驅動模塊為智能汽車的行駛提供動力,它的性能直接影響到後輪電機的控製性能,包括加速、減速與製動等性能。本文采用MOSFET 驅動芯片加全橋驅動方案,隻需合理的選擇MOSFET驅動芯片和功率MOSFET 以保證性能即可。電路圖如圖1所示。

圖1
duojifuzezhinengqichedezhuanxiang,duojimokuainengfouwendinggongzuozhijieyingxiangdaozhinengqichezaisaidaoshanggaosuxingshishidewendingxingyijizhuanxiangshidelingminduhejingquedu。duojigongzuoyuanliwei:舵盤角位由單片機發出的PWM kongzhixinhaodemaikuanjueding,duojineibudianlutongguofankuikongzhitiaojieduopanjiaowei。youyuzishenjiweijiaodubihuankongzhi,erqiexingnengjiaohao,guxitongzhongjiububikaolvwaijiaduojibihuan。duojiqudongmokuaidianlurutu2所示。舵機驅動模塊同樣屬於功率部分,用6N137光耦進行信號隔離。

圖2
相關閱讀:
“步步驚心”步進電機控製係統的設計步驟詳解
3大三相無刷直流電機控製和驅動係統方案對比
專家精講:計算體係結構的三種電機控製
特別推薦
- 噪聲中提取真值!瑞盟科技推出MSA2240電流檢測芯片賦能多元高端測量場景
- 10MHz高頻運行!氮矽科技發布集成驅動GaN芯片,助力電源能效再攀新高
- 失真度僅0.002%!力芯微推出超低內阻、超低失真4PST模擬開關
- 一“芯”雙電!聖邦微電子發布雙輸出電源芯片,簡化AFE與音頻設計
- 一機適配萬端:金升陽推出1200W可編程電源,賦能高端裝備製造
技術文章更多>>
- 貿澤EIT係列新一期,探索AI如何重塑日常科技與用戶體驗
- 算力爆發遇上電源革新,大聯大世平集團攜手晶豐明源線上研討會解鎖應用落地
- 創新不止,創芯不已:第六屆ICDIA創芯展8月南京盛大啟幕!
- AI時代,為什麼存儲基礎設施的可靠性決定數據中心的經濟效益
- 矽典微ONELAB開發係列:為毫米波算法開發者打造的全棧工具鏈
技術白皮書下載更多>>
- 車規與基於V2X的車輛協同主動避撞技術展望
- 數字隔離助力新能源汽車安全隔離的新挑戰
- 汽車模塊拋負載的解決方案
- 車用連接器的安全創新應用
- Melexis Actuators Business Unit
- Position / Current Sensors - Triaxis Hall
熱門搜索
微波功率管
微波開關
微波連接器
微波器件
微波三極管
微波振蕩器
微電機
微調電容
微動開關
微蜂窩
位置傳感器
溫度保險絲
溫度傳感器
溫控開關
溫控可控矽
聞泰
穩壓電源
穩壓二極管
穩壓管
無焊端子
無線充電
無線監控
無源濾波器
五金工具
物聯網
顯示模塊
顯微鏡結構
線圈
線繞電位器
線繞電阻




