基於光學測量的可穿戴生命體征監測方案
發布時間:2022-02-15 來源:亞德諾半導體 責任編輯:lina
【導讀】生(sheng)命(ming)體(ti)征(zheng)監(jian)測(ce)已(yi)經(jing)超(chao)出(chu)醫(yi)療(liao)實(shi)踐(jian)的(de)範(fan)圍(wei),進(jin)入(ru)我(wo)們(men)日(ri)常(chang)生(sheng)活(huo)的(de)多(duo)個(ge)領(ling)域(yu)。最(zui)初(chu),生(sheng)命(ming)體(ti)征(zheng)監(jian)測(ce)是(shi)在(zai)嚴(yan)格(ge)的(de)醫(yi)療(liao)監(jian)督(du)下(xia),在(zai)醫(yi)院(yuan)和(he)診(zhen)所(suo)進(jin)行(xing)。微(wei)電(dian)子(zi)技(ji)術(shu)的(de)進(jin)步(bu)降(jiang)低(di)了(le)監(jian)控(kong)係(xi)統(tong)的(de)成(cheng)本(ben),使(shi)這(zhe)些(xie)技(ji)術(shu)在(zai)遠(yuan)程(cheng)醫(yi)療(liao)、運動、健身和健康、工作場所安全等領域更加普及和普遍,在越來越關注自動駕駛的汽車市場也是如此。
生(sheng)命(ming)體(ti)征(zheng)監(jian)測(ce)已(yi)經(jing)超(chao)出(chu)醫(yi)療(liao)實(shi)踐(jian)的(de)範(fan)圍(wei),進(jin)入(ru)我(wo)們(men)日(ri)常(chang)生(sheng)活(huo)的(de)多(duo)個(ge)領(ling)域(yu)。最(zui)初(chu),生(sheng)命(ming)體(ti)征(zheng)監(jian)測(ce)是(shi)在(zai)嚴(yan)格(ge)的(de)醫(yi)療(liao)監(jian)督(du)下(xia),在(zai)醫(yi)院(yuan)和(he)診(zhen)所(suo)進(jin)行(xing)。微(wei)電(dian)子(zi)技(ji)術(shu)的(de)進(jin)步(bu)降(jiang)低(di)了(le)監(jian)控(kong)係(xi)統(tong)的(de)成(cheng)本(ben),使(shi)這(zhe)些(xie)技(ji)術(shu)在(zai)遠(yuan)程(cheng)醫(yi)療(liao)、運動、健身和健康、工(gong)作(zuo)場(chang)所(suo)安(an)全(quan)等(deng)領(ling)域(yu)更(geng)加(jia)普(pu)及(ji)和(he)普(pu)遍(bian),在(zai)越(yue)來(lai)越(yue)關(guan)注(zhu)自(zi)動(dong)駕(jia)駛(shi)的(de)汽(qi)車(che)市(shi)場(chang)也(ye)是(shi)如(ru)此(ci)。雖(sui)然(ran)實(shi)現(xian)了(le)這(zhe)些(xie)擴(kuo)展(zhan),但(dan)是(shi)因(yin)為(wei)這(zhe)些(xie)應(ying)用(yong)都(dou)與(yu)健(jian)康(kang)高(gao)度(du)相(xiang)關(guan),所(suo)以(yi)仍(reng)然(ran)保(bao)持(chi)很(hen)高(gao)的(de)質(zhi)量(liang)標(biao)準(zhun)。
shengmingtizhengjiancebaokuoceliangyixilienengxianshigerenjiankangzhuangkuangdeshenglicanshu。xinlvshizuichangjiandecanshuzhiyi,keyitongguoxindiantulaijiance,xindiantukeyiceliangxintiaodepinlv,zuizhongyaodeshi,keyiceliangxintiaodebianhua。xinlvbianhuawangwangyouhuodongyinqi。zaishuimianhuoxiuxishi,jiezoujiaoman,danwangwanghuisuizheshentihuodong、情緒反應、壓力或焦慮等因素而加快。本文將結合亞德諾半導體公司(ADI)的相關產品與技術提供基於光學測量的可穿戴生命體征監測方案。
光學體征信號監測成主流
為了監測心率、呼吸、血壓和溫度、皮膚電導率和身體成分等生命體征,需要采用各種傳感器,且解決方案必須緊湊、節能和可靠。生命體征監測包括:
•光學測量
•生物電勢測量
•阻抗測量
•使用MEMS傳感器進行的測量
光(guang)學(xue)測(ce)量(liang)超(chao)越(yue)了(le)標(biao)準(zhun)的(de)半(ban)導(dao)體(ti)技(ji)術(shu)。為(wei)了(le)進(jin)行(xing)這(zhe)種(zhong)類(lei)型(xing)的(de)測(ce)量(liang),需(xu)要(yao)一(yi)個(ge)光(guang)學(xue)測(ce)量(liang)工(gong)具(ju)箱(xiang)。下(xia)圖(tu)所(suo)示(shi)為(wei)光(guang)學(xue)測(ce)量(liang)的(de)典(dian)型(xing)信(xin)號(hao)鏈(lian)。需(xu)要(yao)使(shi)用(yong)光(guang)源(yuan)(通常是LED)來生成光信號,它可能由不同的波長組成。幾種波長組合在一起,可以實現更高的測量精度。還需要使用一係列矽或鍺傳感器(如光電二極管)將(jiang)光(guang)信(xin)號(hao)轉(zhuan)化(hua)為(wei)電(dian)信(xin)號(hao)。光(guang)電(dian)二(er)極(ji)管(guan)在(zai)響(xiang)應(ying)光(guang)源(yuan)的(de)波(bo)長(chang)時(shi),必(bi)須(xu)具(ju)備(bei)足(zu)夠(gou)的(de)靈(ling)敏(min)度(du)和(he)線(xian)性(xing)度(du)。之(zhi)後(hou),光(guang)電(dian)流(liu)必(bi)須(xu)被(bei)放(fang)大(da)和(he)轉(zhuan)換(huan),因(yin)此(ci)需(xu)要(yao)高(gao)性(xing)能(neng)、節能、多通道模擬前端,以控製LED、放大和過濾模擬信號,並按照所需的分辨率和精度進行模數轉換。
生命體征檢測的光學測量信號鏈
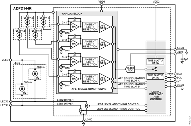
基於ADPD144RI的耳塞式光學心率測量
tizhengxinhaodeceliangyuceliangfanganhenduoshihoujuedingyuceliangdeweizhi,xinlvjiancehuishoudaoyundongweixiangdexianzhiernanyijinxing,xiangshouwandengchangjianceliangweizhiyinweijirouzhiliangxiangduijiaoda,huixianzhiyudongmaidejiechu。xiangbizhixia,erduogengshihejinxingguangxuexinlvceliang。raner,yinweijiyuerduodeceliangshebeishoukongjianxianzhi,bingqiegonghaofeichanggao,xuyaodadianchi。dansuizhegaojichengdu、更低功耗芯片的推出,ADI已yi開kai發fa出chu解jie決jue這zhe些xie問wen題ti的de解jie決jue方fang案an。現xian在zai可ke以yi將jiang有you效xiao運yun作zuo的de生sheng命ming體ti征zheng測ce量liang器qi件jian集ji成cheng到dao典dian型xing的de入ru耳er式shi耳er機ji中zhong。響xiang應ying度du的de改gai進jin開kai辟pi了le全quan新xin的de應ying用yong領ling域yu和he可ke能neng性xing。
基礎測量方法是光學性的,ADI的測量方案使用來自最多三個LED的短脈衝信號。LED電流最高可達370 mA,最小脈衝寬度為1μs。LEDdezuijiabochanggenjuceliangweizhiheceliangfangfalaixuanze。shouwanshangzhinengceliangbiaomiandongmai,guerxuanzelvguang,erduozebutong,keyishiyonghongwaiguang,congerhuodegengdadechuantoushenduhegenggaodeSNR。光電二極管用於測量反射光,因此,它會同時測量信號和背景噪聲。下遊模擬前端提供更高的SNR。它(ta)用(yong)作(zuo)信(xin)號(hao)濾(lv)波(bo)器(qi),將(jiang)檢(jian)測(ce)到(dao)的(de)電(dian)流(liu)轉(zhuan)換(huan)為(wei)電(dian)壓(ya),進(jin)而(er)轉(zhuan)換(huan)為(wei)數(shu)字(zi)形(xing)式(shi)。除(chu)反(fan)射(she)測(ce)量(liang)外(wai),算(suan)法(fa)還(hai)包(bao)括(kuo)用(yong)於(yu)通(tong)過(guo)加(jia)速(su)度(du)計(ji)濾(lv)除(chu)運(yun)動(dong)偽(wei)像(xiang)的(de)校(xiao)正(zheng)。
組成測量係統的器件包括ADPD144RI(芯片用作模擬前端),它還集成了光電二極管和LED。測量由三軸加速度計(ADXL362)提供支持,該三軸加速度計不僅用於識別步態和運動,還用於去除偽像。整個過程由ADuCM3029 微控製器控製,該微控製器用作各種傳感器的接口並包含算法。
為了對係統特性進行表征,針對不同的運動模式考慮了五種不同的場景:站著不動;站著不動並咀嚼;在辦公桌前工作;步行;paobuhetiaoyue。congceshianlizhongkeyidechujielun,zaidaduoshuqingkuangxia,xinlvkeyiliyongersaizhongjichengdechuanganqifeichangjingquedijiayiqueding。yushouwanceliangxiangbi,erduozhongdexinhaogengqiang,yinciceliangjingdukeyidadaogenggaoshuiping。ciwai,shiyonghongguanghuohongwaiguangkeyiceliangxueyangshuiping。
光電式脈搏波測量模擬前端ADPD1081
基於光電容積圖(PPG)技術的光學測量方法在穿戴市場的應用越來越廣泛。針對人體各項生理特征指標測量,如心率、血壓飽和度、血氧等,ADI推出了一係列光學測量傳感器,適用於人體的耳朵、手腕、指尖、額頭、腹部等多個測量部位。此係列產品均帶有體積小,功耗低,高信噪比SNR的特點,可為測量係統提供高質量的原始數據。以光電式脈搏波測量模擬前端ADPD1081為例,ADI公司提供一係列光電二極管和各種模擬前端,能夠處理從光電二極管接收到的信號並控製LED。
ADPD1081將LED、光電二極管和前端集成到一個器件中,也提供完整的光學係統。ADPD1081集成了14位模數轉換器和20位突發累加器的高效率光電式測量前端,配合靈活的發光LED驅動器工作,ADPD1081激勵LED並測量相應的光學返回信號。數據輸出和功能配置通過ADPD1081上的串行端口接口(SPI)進行。控製電路包括靈活的LED信號傳輸和同步檢測。
由於環境光通常引起調製幹擾,模擬前端(AFE)可提供信號失調和破壞抑製性能,而無需濾光器或需要外部控製的直流抵消電路。通過電容低於100 pF的光電二極管耦合ADPD1081以實現優質性能,而且可用於任何LED。
當LEDfaguangshi,xueyehezuzhihuixishoubutongshuliangdeguangzi,daozhiguangdianjianceqijiancedaobutongdejieguo。guangdianjianceqiceliangxueyemaidongdebianhuabingshuchuyigedianliu,gaidianliusuihoujingfangdahelvboyigongjinyibufenxi。 下圖顯示了一個由交流(AC)和直流(DC)分量組成的一般PPG信號。PPG波形的直流分量檢測組織、骨(gu)骼(ge)和(he)肌(ji)肉(rou)反(fan)射(she)的(de)光(guang)信(xin)號(hao),以(yi)及(ji)動(dong)脈(mai)和(he)靜(jing)脈(mai)血(xue)液(ye)的(de)平(ping)均(jun)血(xue)容(rong)量(liang)。交(jiao)流(liu)分(fen)量(liang)則(ze)表(biao)示(shi)心(xin)動(dong)周(zhou)期(qi)的(de)收(shou)縮(suo)期(qi)和(he)舒(shu)張(zhang)期(qi)之(zhi)間(jian)發(fa)生(sheng)的(de)血(xue)容(rong)量(liang)變(bian)化(hua),交(jiao)流(liu)分(fen)量(liang)的(de)基(ji)頻(pin)取(qu)決(jue)於(yu)心(xin)率(lv)。
含交流和直流部分的典型PPG信號
此外,PPG信號易受周邊組織的不良血液灌流和運動偽像的影響是眾所周知的,為將這些因素的影響降至低點,以免幹擾隨後的PPG分析和心率估計,須有一個預處理階段。需要一個帶通濾波器來消除PPG信號的高頻成分(如電源)和低頻成分(如毛細血管密度和靜脈血容量的變化、溫度變化等等)。
本文小結
隨sui著zhe老lao齡ling化hua人ren口kou的de增zeng加jia以yi及ji對dui醫yi療liao保bao健jian整zheng體ti支zhi出chu的de強qiang烈lie關guan注zhu,院yuan外wai醫yi療liao監jian護hu已yi成cheng為wei一yi種zhong發fa展zhan趨qu勢shi。如ru今jin,為wei了le及ji早zao發fa現xian某mou些xie事shi件jian,對dui有you潛qian在zai風feng險xian的de患huan者zhe進jin行xing日ri常chang生sheng活huo監jian護hu,或huo者zhe讓rang患huan者zhe攜xie帶dai監jian護hu儀yi由you醫yi院yuan回hui到dao家jia中zhong,可ke使shi其qi康kang複fu過guo程cheng更geng快kuai捷jie、更舒適。基於光學測量的可穿戴生命體征監測方案為人們的日常健康監護提供了便捷高效率的實施方案。
(來源:ADI)
免責聲明:本文為轉載文章,轉載此文目的在於傳遞更多信息,版權歸原作者所有。本文所用視頻、圖片、文字如涉及作品版權問題,請電話或者郵箱聯係小編進行侵刪。
推薦閱讀:
- 噪聲中提取真值!瑞盟科技推出MSA2240電流檢測芯片賦能多元高端測量場景
- 10MHz高頻運行!氮矽科技發布集成驅動GaN芯片,助力電源能效再攀新高
- 失真度僅0.002%!力芯微推出超低內阻、超低失真4PST模擬開關
- 一“芯”雙電!聖邦微電子發布雙輸出電源芯片,簡化AFE與音頻設計
- 一機適配萬端:金升陽推出1200W可編程電源,賦能高端裝備製造
- 築基AI4S:摩爾線程全功能GPU加速中國生命科學自主生態
- 一秒檢測,成本降至萬分之一,光引科技把幾十萬的台式光譜儀“搬”到了手腕上
- AI服務器電源機櫃Power Rack HVDC MW級測試方案
- 突破工藝邊界,奎芯科技LPDDR5X IP矽驗證通過,速率達9600Mbps
- 通過直接、準確、自動測量超低範圍的氯殘留來推動反滲透膜保護
- 車規與基於V2X的車輛協同主動避撞技術展望
- 數字隔離助力新能源汽車安全隔離的新挑戰
- 汽車模塊拋負載的解決方案
- 車用連接器的安全創新應用
- Melexis Actuators Business Unit
- Position / Current Sensors - Triaxis Hall



