PCB板layout的12個細節
發布時間:2021-08-05 來源:卓晴 責任編輯:wenwei
【導讀】PCB layout的意思是:印(yin)刷(shua)電(dian)路(lu)板(ban),又(you)稱(cheng)印(yin)製(zhi)電(dian)路(lu)板(ban),作(zuo)為(wei)電(dian)子(zi)元(yuan)件(jian)的(de)載(zai)體(ti),實(shi)現(xian)了(le)電(dian)子(zi)元(yuan)器(qi)件(jian)之(zhi)間(jian)的(de)線(xian)路(lu)連(lian)接(jie)和(he)功(gong)能(neng)實(shi)現(xian)。傳(chuan)統(tong)的(de)電(dian)路(lu)板(ban)工(gong)藝(yi),采(cai)用(yong)了(le)印(yin)刷(shua)蝕(shi)刻(ke)阻(zu)劑(ji)的(de)工(gong)法(fa),做(zuo)出(chu)電(dian)路(lu)的(de)線(xian)路(lu)及(ji)圖(tu)麵(mian),因(yin)此(ci)被(bei)稱(cheng)為(wei)印(yin)製(zhi)電(dian)路(lu)板(ban)或(huo)印(yin)刷(shua)線(xian)路(lu)板(ban)。
1.貼片之間的間距

貼片之間的間距既不能太大(浪費電路版麵),也不能太小,避免焊錫膏印刷粘連以及焊接修複困難。
間距大小可以參考如下的規範:
■ 相同器件:≥ 0.3mm
■ 不同器件:≥ 0.13×h+0.3mm(h為周圍近鄰與器件最大高度差)
■ 手工焊接和貼片時,與器件之間的距離要求:≥ 1.5mm。
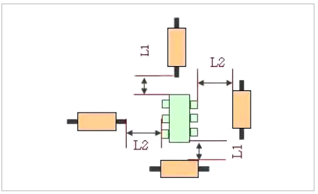
2、直插器件與貼片的距離

如上圖,直插式電阻器件與貼片之間應保持足夠的距離,建議在1-3mm之間,由於加工比較麻煩現在用直插件的情況已經很少了。不過電路板外接插座往往都是直插件。
3、對於IC的去耦電容的擺放

每個IC的電源端口附近都需要擺放去耦電容,且位置盡可能靠近IC的電源口,當一個芯片有多個電源口的時候,每個接口都要布置去耦電容。
4、PCB板邊沿的元器件擺放方向與距離

由於一般都是用拚板來做PCB,因此在邊沿附近的器件需要符合兩個條件。
第一就是與切割方向平行(使器件的機械應力均勻,比如如果按照上圖左邊的方式來擺放,在拚板要拆分時貼片兩個焊盤受力方向不同可能導致元元件與焊盤脫落)
第二就是在一定距離之內不能布置器件(防止板子切割的時候損壞元器件)
5.相鄰焊盤相連

如果相鄰的焊盤需要相連,首先確認在外麵進行連接,防止連成一團造成橋接,同時注意此時的銅線的寬度。
6、焊盤落在鋪地區域

如果焊盤落在鋪通區域應該采取右邊的方式來連接焊盤與鋪通,另根據電流大小來確定是連接1根線還是4跟線。
如果采取左邊的方式的話,在焊接或者維修拆卸元器件時比較困難,因為溫度通過鋪的銅把溫度全麵分散導致焊接困難。
7、焊盤淚滴

如果導線比直插器件的焊盤小的話需要加淚滴上圖左邊的方式。
加淚滴有如下幾個好處:
(1) 避免信號線寬突然變小而造成反射,可使走線與元件焊盤之間的連接趨於平穩過渡化。
(2) 解決了焊盤與走線之間的連接受到衝擊力容易斷裂的問題。
(3) 設置淚滴也可使PCB電路板顯得更加美觀。
8、元器件引線寬度一致

9、保留未使用引腳焊盤

比bi如ru上shang圖tu一yi個ge芯xin片pian其qi中zhong兩liang個ge引yin腳jiao不bu要yao使shi用yong的de情qing況kuang,但dan是shi芯xin片pian實shi物wu引yin腳jiao是shi存cun在zai的de,如ru果guo像xiang上shang圖tu右you邊bian的de方fang式shi兩liang引yin腳jiao就jiu處chu於yu懸xuan空kong狀zhuang態tai很hen容rong易yi引yin起qi幹gan擾rao。
如果芯片引腳本身內部屬於未連接(NC),加上焊盤再把焊盤接地屏蔽能避免幹擾。
10、避免焊盤上打過孔

11、導線與PCB板邊緣距離

zhuyideshiyinxianhuoyuanqijianbunenghebanbianguojinyouqishidanmianban,yibandedanmianbanduoweizhizhiban,shoulihourongyiduanlie,ruguozaibianyuanlianxianhuofangyuanqijianjiuhuishoudaoyingxiang。
12、電解電容遠離熱源
首先要考慮電解電容的環境溫度是否符合要求,其次要使電容盡可能的遠離發熱區域,以防電解電容內部的液態電解質被烤幹。

免責聲明:本文為轉載文章,轉載此文目的在於傳遞更多信息,版權歸原作者所有。本文所用視頻、圖片、文字如涉及作品版權問題,請聯係小編進行處理。
推薦閱讀:
特別推薦
- 噪聲中提取真值!瑞盟科技推出MSA2240電流檢測芯片賦能多元高端測量場景
- 10MHz高頻運行!氮矽科技發布集成驅動GaN芯片,助力電源能效再攀新高
- 失真度僅0.002%!力芯微推出超低內阻、超低失真4PST模擬開關
- 一“芯”雙電!聖邦微電子發布雙輸出電源芯片,簡化AFE與音頻設計
- 一機適配萬端:金升陽推出1200W可編程電源,賦能高端裝備製造
技術文章更多>>
- 突破工藝邊界,奎芯科技LPDDR5X IP矽驗證通過,速率達9600Mbps
- 通過直接、準確、自動測量超低範圍的氯殘留來推動反滲透膜保護
- 從技術研發到規模量產:恩智浦第三代成像雷達平台,賦能下一代自動駕駛!
- 從機械執行到智能互動:移遠Q-Robotbox助力具身智能加速落地
- 品英Pickering將亮相2026航空電子國際論壇,展示航電與電池測試前沿方案
技術白皮書下載更多>>
- 車規與基於V2X的車輛協同主動避撞技術展望
- 數字隔離助力新能源汽車安全隔離的新挑戰
- 汽車模塊拋負載的解決方案
- 車用連接器的安全創新應用
- Melexis Actuators Business Unit
- Position / Current Sensors - Triaxis Hall
熱門搜索
按鈕開關
白色家電
保護器件
保險絲管
北鬥定位
北高智
貝能科技
背板連接器
背光器件
編碼器型號
便攜產品
便攜醫療
變容二極管
變壓器
檳城電子
並網
撥動開關
玻璃釉電容
剝線機
薄膜電容
薄膜電阻
薄膜開關
捕魚器
步進電機
測力傳感器
測試測量
測試設備
拆解
場效應管
超霸科技



