這招準管用:利用熱敏電阻檢測液位
發布時間:2019-12-07 責任編輯:wenwei
【導讀】在使用熱敏電阻、RTD或其它阻性溫度傳感器的(de)精(jing)密(mi)溫(wen)度(du)測(ce)量(liang)應(ying)用(yong)中(zhong),必(bi)須(xu)注(zhu)意(yi)避(bi)免(mian)傳(chuan)感(gan)器(qi)在(zai)激(ji)勵(li)電(dian)流(liu)作(zuo)用(yong)下(xia)自(zi)熱(re)所(suo)引(yin)起(qi)的(de)誤(wu)差(cha)。但(dan)在(zai)一(yi)些(xie)應(ying)用(yong)中(zhong),自(zi)熱(re)效(xiao)應(ying)也(ye)能(neng)發(fa)揮(hui)積(ji)極(ji)作(zuo)用(yong)。下(xia)述(shu)設(she)計(ji)理(li)念(nian)理(li)應(ying)有(you)效(xiao),但(dan)尚(shang)未(wei)經(jing)過(guo)全(quan)麵(mian)測(ce)試(shi)。
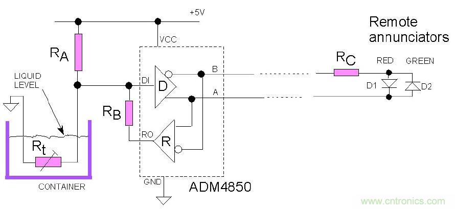
熱敏電阻采用電壓源驅動時會發熱。如果將其浸入冷卻液體中,隻要液體溫度保持相對恒定,則熱敏電阻的溫度(因而其電阻)將保持相對恒定。但是,如果液位下降,致使熱敏電阻暴露在外,則液體的散熱效應將消失,熱敏電阻的溫度將上升,其電阻(對於正溫度係數元件)將增大。低成本、半雙工差分線路收發器 ADM4850 很容易檢測出這一情況,並予以提示。當電平提醒信號必須傳輸至LED等遠程報警器時,差分輸出將十分有用。該收發器主要用於多點數據通信,因此其輸出端提供短路保護、熱關斷和壓擺率限製(用於降低電磁輻射)特性。
我們想知道容器中的液體何時高於或低於特定液位。如圖1所示,將一個熱敏電阻置於此液位。浸沒後,該熱敏電阻的電阻相對較低。適當選擇比值Rt/RA,使驅動器輸入端的電壓可視為邏輯0。當沒有液體覆蓋熱敏電阻時,輸入電壓迅速升高,超過輸入閾值電壓,因而可視為邏輯1。如果需要遲滯功能,可以將接收器輸出端通過電阻RB連接到驅動器輸入端。

圖1. 利用熱敏電阻檢測液位何時高於或低於預設閾值。
該電路能否可靠工作,取決於輸入閾值穩定性(數據手冊並未規定),以及越過臨界液位時Rt和RA所產生的電壓偏移。ADM4850(許多批產品、4.75V至5.25V電源電壓、–40°C至+85°C溫度範圍)的特性數據顯示:1.15 V及以下的輸入電壓將被視為邏輯0,1.42 V及以上的電壓將被視為邏輯1。本應用建議使用EPCOS型D1010陶瓷PTC熱敏電阻,它主要用作液位傳感器,其電阻能夠密切跟蹤周圍介質的熱導率變化。一旦達到閾值溫度,此類熱敏電阻的R/T曲線會急劇上升。它采用不鏽鋼外殼,能夠抵禦惡劣環境中的燃油、溶劑和其它液體腐蝕。
RA值取決於液體和周圍空氣的溫度。最差情況是液體熱而空氣冷。由D1010數據手冊可知,當液體溫度高達+50°C且空氣溫度低至–25°C時,RA標準值909Ω是很好的選擇。室溫下且無激勵時,D1010樣片的電阻測量結果約為149Ω。
工業應用中,某些故障可能會使RA或Rt暴露於破壞性高壓下。對於這種情況,可以考慮使用ADM4850的隔離版本收發器 ADM2483 . 這款半雙工差分總線收發器集成電氣隔離,可耐受1分鍾2.5 kV均方根電壓。驅動該器件的熱端需要使用隔離電源。
推薦閱讀:
特別推薦
- 噪聲中提取真值!瑞盟科技推出MSA2240電流檢測芯片賦能多元高端測量場景
- 10MHz高頻運行!氮矽科技發布集成驅動GaN芯片,助力電源能效再攀新高
- 失真度僅0.002%!力芯微推出超低內阻、超低失真4PST模擬開關
- 一“芯”雙電!聖邦微電子發布雙輸出電源芯片,簡化AFE與音頻設計
- 一機適配萬端:金升陽推出1200W可編程電源,賦能高端裝備製造
技術文章更多>>
- 築基AI4S:摩爾線程全功能GPU加速中國生命科學自主生態
- 一秒檢測,成本降至萬分之一,光引科技把幾十萬的台式光譜儀“搬”到了手腕上
- AI服務器電源機櫃Power Rack HVDC MW級測試方案
- 突破工藝邊界,奎芯科技LPDDR5X IP矽驗證通過,速率達9600Mbps
- 通過直接、準確、自動測量超低範圍的氯殘留來推動反滲透膜保護
技術白皮書下載更多>>
- 車規與基於V2X的車輛協同主動避撞技術展望
- 數字隔離助力新能源汽車安全隔離的新挑戰
- 汽車模塊拋負載的解決方案
- 車用連接器的安全創新應用
- Melexis Actuators Business Unit
- Position / Current Sensors - Triaxis Hall
熱門搜索
微波功率管
微波開關
微波連接器
微波器件
微波三極管
微波振蕩器
微電機
微調電容
微動開關
微蜂窩
位置傳感器
溫度保險絲
溫度傳感器
溫控開關
溫控可控矽
聞泰
穩壓電源
穩壓二極管
穩壓管
無焊端子
無線充電
無線監控
無源濾波器
五金工具
物聯網
顯示模塊
顯微鏡結構
線圈
線繞電位器
線繞電阻





