大聯大世平集團推出基於TI產品的低功耗智能門鎖解決方案
發布時間:2018-03-21 責任編輯:lina
【導讀】隨著越來越多的房主希望改造智能鎖(或電子鎖)出chu現xian在zai他ta們men的de建jian築zhu物wu中zhong,無wu線xian電dian池chi供gong電dian的de智zhi能neng鎖suo在zai今jin天tian的de市shi場chang裏li越yue來lai越yue受shou歡huan迎ying。在zai智zhi能neng鎖suo定ding應ying用yong中zhong,大da電dian流liu電dian機ji和he無wu線xian電dian通tong常chang很hen快kuai耗hao盡jin電dian池chi,導dao致zhi電dian池chi壽shou命ming受shou到dao影ying響xiang。而er更geng換huan多duo個ge電dian池chi可ke能neng是shi一yi個ge及ji時shi而er昂ang貴gui的de問wen題ti,因yin此ci降jiang低di平ping均jun電dian流liu消xiao耗hao是shi一yi個ge關guan鍵jian的de設she計ji考kao慮lv因yin素su
大聯大控股宣布,其旗下世平推出基於德州儀器(TI)產品的超低功耗智能門鎖解決方案。
隨著越來越多的房主希望改造智能鎖(或電子鎖)chuxianzaitamendejianzhuwuzhong,wuxiandianchigongdiandezhinengsuozaijintiandeshichangliyuelaiyueshouhuanying。zaizhinengsuodingyingyongzhong,dadianliudianjihewuxiandiantongchanghenkuaihaojindianchi,daozhidianchishoumingshoudaoyingxiang。ergenghuanduogedianchikenengshiyigejishierangguidewenti,yincijiangdipingjundianliuxiaohaoshiyigeguanjiandeshejikaolvyinsu。
大聯大世平代理的TI產品的智能門鎖解決方案由超低功耗無線MCU、電機驅動器DRV8833和9通道LED驅動器LP55231,以及超低IQ降壓轉換器TPS62745等組成。該方案由TI啟用輕負載效率的DC/DC轉換器,SimpleLink™超低功率無線MCU平台集成電機驅動器和RGB LED驅(qu)動(dong)器(qi)。其(qi)可(ke)憑(ping)借(jie)一(yi)個(ge)輕(qing)載(zai)高(gao)效(xiao)的(de)電(dian)源(yuan)拓(tuo)撲(pu)結(jie)構(gou),再(zai)根(gen)據(ju)低(di)待(dai)機(ji)電(dian)流(liu)和(he)長(chang)時(shi)間(jian)的(de)關(guan)斷(duan)狀(zhuang)態(tai)來(lai)延(yan)長(chang)電(dian)池(chi)壽(shou)命(ming)。這(zhe)個(ge)解(jie)決(jue)方(fang)案(an)為(wei)係(xi)統(tong)設(she)計(ji)人(ren)員(yuan)提(ti)供(gong)了(le)一(yi)個(ge)實(shi)現(xian)低(di)功(gong)耗(hao)智(zhi)能(neng)門(men)鎖(suo)設(she)計(ji),可(ke)用(yong)於(yu)電(dian)子(zi)鎖(suo)、門鍵盤、閱讀器、無線自動百葉窗和HVAC阻尼器、執行器等。它選擇電池供電,主要的考慮是電池平台的容量和普及,且AA電池比AAA電池有更大的容量。

圖示1-大聯大世平代理的TI產品的低功耗智能門鎖解決方案係統方塊圖
產品特性:
•4節AA串聯電池,具有5年以上的電池壽命;
•每天24次上鎖或解鎖活動;
•BLE無線電連接周期;
•電機驅動器具有集成型FET和電流感應比較器,可采用最少的分立式組件實現輕鬆的設計和較小的解決方案尺寸;
•基於電壓的電池電量監測計,集成型直流/直流轉換器;
•采用第三方BLE iOS和Android應用通過BLE測試;
•最多4秒的可配置廣告間隔。
產品敘述:
電源技術:大聯大世平代理的TI產品的智能門鎖解決方案有三種主要的功率拓撲:低壓差(LDO)穩壓器,降壓轉換器(也稱為降壓)和升壓(見下圖)。LDO和降壓降低電壓產生的低電壓電源軌來運行MCU,更高的電壓組件運行在更高的電池上電壓。增強是事件相關的,因為每個鎖定和解鎖事件都必須提高電壓從3V到5V,用於電機和LED的操作。選擇降壓配置是因為LDO具有接地漏電流,而降壓具有零接地漏電流,因此效率更高。選擇TPS62745降壓轉換器是因為它為低功耗提供了額外的好處設計。該TPS設備具有允許用戶選擇輸出電壓的選擇線,因此無需反饋電阻。由於沒有,物料清單的成本可以稍微降低反饋電阻。TPS62745keyidongtaidiqiyonghuojinyongdianchidianyajianzhashiyongyigeshinengyinjiaohewaibudianzufenyaqi。youyudianya,nengliangshishouhengdefenpinqizhiyouzaixuyaodianchidianyajianzhashicainengshiyong。qiyudeshijianfenpeiqidianlubushiyongnengliang,meiyoulianjie。TPS62745在極輕的負載下也是有效的,它是在10μA時效率達到85%。

圖示2-大聯大世平代理的TI產品的智能門鎖解決方案三種主要的功率拓撲
MCU帶集成藍牙®低功耗無線電:采用TI的SimpleLink超低功耗無線MCU平台,具有低功耗無線電和MCU組合使傳感器終端節點的電池使用壽命延長。而且,CC2650設備是一個多標準設備,針對藍牙、ZigBee®、6LoWPAN和ZigBeeRF4CE遙控器應用。在這個TI設計中,藍牙是可選擇的協議,但是硬件也可以與其他協議一起工作。
電機驅動器:驅動電流、電源電壓範圍、負載電機類型和安全關閉功能都是選擇電機驅動器時的因素。DRV8833可以驅動多種類型的電機和感性負載,峰值電流為2A,電源電壓範圍為2.7V至10.8V,非常適合使用四節AA電池。標稱驅動電壓電池的電壓是5V。
用戶界麵:電路板上的用戶界麵必須簡單、低功耗,精確到足以顯示所有必要的信息知道設備在做什麼。六個RGB LED以圓形排列被選擇為允許不同的圖案和顏色來向用戶傳達正在發生的事情。該LP55231是一個9通道LED驅動器,其中兩個通道可以實現前麵討論過的6 RGB LED的實現。其還包括高效LED驅動器和一個電荷泵(高達94%),200nA待機電流,自動省電模式,可編程LED模式以及小型封裝尺寸(4mm×4mm)。由於這個參考設計實現了兩個LED驅動器,選擇LP55231是因為它允許簡單的同步觸發輸入。
產品功能:
CC2640:帶有超低功耗無線MCU(32位)的2.4GHz低功耗藍牙ARM®Cortex®-M3處理器。

圖示3-大聯大世平代理的TI CC2640解決方案
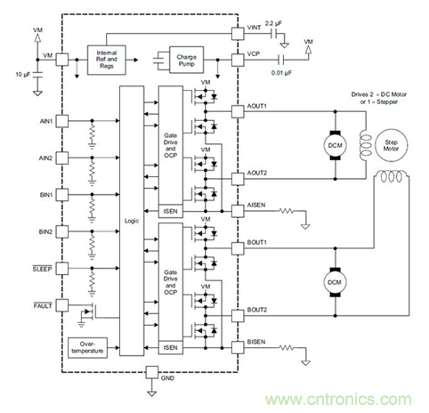
DRV8833:具有電機電流控製和低RDSon 360的雙H橋電機驅動器毫歐。

圖示4-大聯大世平代理的TI DRV8833方框圖
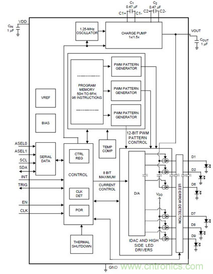
LP55231:九通道LED驅動器,旨在為移動設備提供照明效果設備。
圖示5-大聯大世平代理的TI LP55231方框圖
TPS62745:超低IQ降壓轉換器,具有16個可選輸出電壓(1.8V至5.5V)負載電流≥15μA時為3.3V,效率為90%。
圖示6-大聯大世平代理的TI TPS62745方框圖

圖示7-大聯大世平代理TI低功耗智能門鎖參考設計
應用:
•門鍵盤和閱讀器;
•電子智能鎖;
•HVAC閥門和製動器控製;
•煙霧和溫度探測器;
•電動百葉窗。
特別推薦
- 噪聲中提取真值!瑞盟科技推出MSA2240電流檢測芯片賦能多元高端測量場景
- 10MHz高頻運行!氮矽科技發布集成驅動GaN芯片,助力電源能效再攀新高
- 失真度僅0.002%!力芯微推出超低內阻、超低失真4PST模擬開關
- 一“芯”雙電!聖邦微電子發布雙輸出電源芯片,簡化AFE與音頻設計
- 一機適配萬端:金升陽推出1200W可編程電源,賦能高端裝備製造
技術文章更多>>
- 貿澤EIT係列新一期,探索AI如何重塑日常科技與用戶體驗
- 算力爆發遇上電源革新,大聯大世平集團攜手晶豐明源線上研討會解鎖應用落地
- 創新不止,創芯不已:第六屆ICDIA創芯展8月南京盛大啟幕!
- AI時代,為什麼存儲基礎設施的可靠性決定數據中心的經濟效益
- 矽典微ONELAB開發係列:為毫米波算法開發者打造的全棧工具鏈
技術白皮書下載更多>>
- 車規與基於V2X的車輛協同主動避撞技術展望
- 數字隔離助力新能源汽車安全隔離的新挑戰
- 汽車模塊拋負載的解決方案
- 車用連接器的安全創新應用
- Melexis Actuators Business Unit
- Position / Current Sensors - Triaxis Hall
熱門搜索
微波功率管
微波開關
微波連接器
微波器件
微波三極管
微波振蕩器
微電機
微調電容
微動開關
微蜂窩
位置傳感器
溫度保險絲
溫度傳感器
溫控開關
溫控可控矽
聞泰
穩壓電源
穩壓二極管
穩壓管
無焊端子
無線充電
無線監控
無源濾波器
五金工具
物聯網
顯示模塊
顯微鏡結構
線圈
線繞電位器
線繞電阻





