電路普及:高分辨率壓電陶瓷D/A電路設計
發布時間:2014-12-27 責任編輯:echolady
【導讀】本文主要講解了高分辨率壓電陶瓷D/A電dian路lu設she計ji,根gen據ju壓ya電dian陶tao瓷ci微wei位wei移yi器qi對dui驅qu動dong電dian源yuan的de需xu求qiu,設she計ji了le壓ya電dian驅qu動dong電dian源yuan係xi統tong的de方fang案an。該gai設she計ji分fen為wei數shu字zi電dian路lu部bu分fen以yi及ji模mo擬ni電dian路lu部bu分fen。經jing分fen析xi改gai進jin驅qu動dong電dian源yuan的de精jing度du和he穩wen定ding性xing後hou,能neng夠gou實shi現xian高gao分fen辨bian率lv微wei位wei移yi定ding位wei係xi統tong對dui靜jing態tai定ding位wei控kong製zhi的de需xu求qiu。
該gai方fang案an先xian介jie紹shao了le電dian源yuan係xi統tong中zhong的de數shu字zi電dian路lu部bu分fen和he模mo擬ni電dian路lu部bu分fen,並bing對dui驅qu動dong電dian源yuan的de精jing度du與yu穩wen定ding性xing進jin行xing了le分fen析xi與yu改gai進jin。最zui後hou對dui驅qu動dong電dian源yuan的de性xing能neng進jin行xing了le實shi驗yan驗yan證zheng。實shi驗yan結jie果guo表biao明ming:該設計方案的電源輸出電壓噪聲低於0.43 mV、輸出最大非線性誤差低於0.024%、分辨率可達1.44 mV,能夠滿足高分辨率微位移定位係統中靜態定位控製的需求。
壓電陶瓷驅動器(PZT)是shi微wei位wei移yi平ping台tai的de核he心xin,其qi主zhu要yao原yuan理li是shi利li用yong壓ya電dian陶tao瓷ci的de逆ni壓ya電dian效xiao應ying產chan生sheng形xing變bian,從cong而er驅qu動dong執zhi行xing元yuan件jian發fa生sheng微wei位wei移yi。壓ya電dian陶tao瓷ci驅qu動dong器qi具ju有you分fen辨bian率lv高gao、響應頻率快、推力大和體積小等優點,在航空航天、機器人、微機電係統、精(jing)密(mi)加(jia)工(gong)以(yi)及(ji)生(sheng)物(wu)工(gong)程(cheng)等(deng)領(ling)域(yu)中(zhong)得(de)到(dao)了(le)廣(guang)泛(fan)的(de)應(ying)用(yong)。然(ran)而(er)壓(ya)電(dian)陶(tao)瓷(ci)驅(qu)動(dong)器(qi)的(de)應(ying)用(yong)離(li)不(bu)開(kai)性(xing)能(neng)良(liang)好(hao)的(de)壓(ya)電(dian)陶(tao)瓷(ci)驅(qu)動(dong)電(dian)源(yuan)。要(yao)實(shi)現(xian)納(na)米(mi)級(ji)定(ding)位(wei)的(de)應(ying)用(yong),壓(ya)電(dian)陶(tao)瓷(ci)驅(qu)動(dong)電(dian)源(yuan)的(de)輸(shu)出(chu)電(dian)壓(ya)需(xu)要(yao)在(zai)一(yi)定(ding)範(fan)圍(wei)內(nei)連(lian)續(xu)可(ke)調(tiao),同(tong)電(dian)壓(ya)分(fen)辨(bian)率(lv)需(xu)要(yao)達(da)到(dao)毫(hao)伏(fu)級(ji)。因(yin)此(ci)壓(ya)電(dian)陶(tao)瓷(ci)驅(qu)動(dong)電(dian)源(yuan)技(ji)術(shu)已(yi)成(cheng)為(wei)壓(ya)電(dian)微(wei)位(wei)移(yi)平(ping)台(tai)中(zhong)的(de)關(guan)鍵(jian)技(ji)術(shu)。
D/A 電路設計
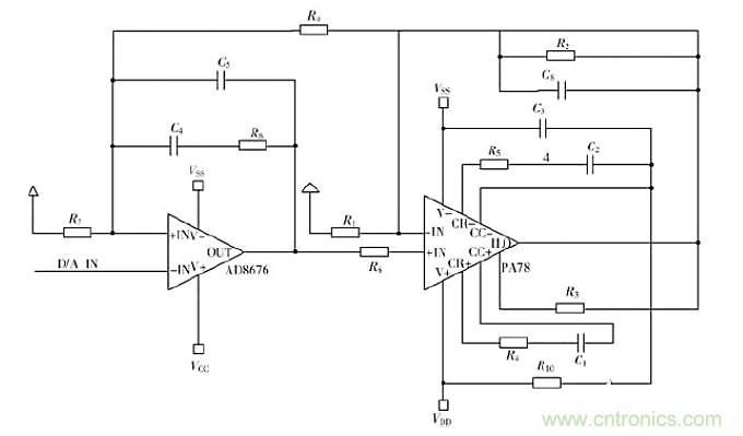
由於壓電驅動電源要求輸出電壓範圍為0~100 V,分辨率達到毫伏級,所以D/A 的分辨率需達到亞毫伏級。本設計采用AD5781作為D/A 器件。AD5781是一款SPI 接口的18位高精度轉換器, 輸出電壓範圍-10~10 V,提供±0.5 LSB INL,±0.5 LSB DNL 和7.5 nV/Hz 噪聲頻譜密度。另外,AD5781 還具有極低的溫漂(0.05 ppm/℃)特性。因此,該D/A 轉換器芯片特別適合於精密模擬數據的獲取與控製。D/A 電路設計如圖1所示。

[page]
線性放大電路設計
conggongchengjiaodukaolv,youyuganraoyuandecunzai,huishixitongdewendingxingfashengbianhua,daozhixitongfashengzhendang。yincibaozhengkongzhixitongjuyouyidingdekangganraoxingdefangfashishixitongjuyouyidingdewendingyudujixiangjiaoyudu。youyushijidianluzhongcunzaizasandianrong,qizhongfangdaqifanxiangshuruduandeduididianrongduixitongdewendingxingyoujiaodadeyingxiang。rutu6所示,采用C5和C6補償反向端的雜散電容。從係統函數的角度看,即構成超前校正,增加開環係統的開環截止頻率,從事增加係統帶寬提高響應速度。PA78有兩對相位補償引腳,通過外部的RC 網絡對放大器內部的零極點進行補償。通過PA78的數據表可知,PA78內部的零極點位於高頻段。根據控製係統抗噪聲能力的需求,配置RC 網絡使高頻段的幅值特性曲線迅速衰減,從而提高係統的抗幹擾能力。圖中,R4,C1與R5,C2構成RC 補償網絡。

圖2
相關閱讀:
案例曝光:解析LED球燈泡的驅動電源
逆天設計:看手機充電器是咋被整成LED驅動電源?
獨家揭秘:原邊控製帶TRIAC調光的LED驅動電源設計
特別推薦
- 噪聲中提取真值!瑞盟科技推出MSA2240電流檢測芯片賦能多元高端測量場景
- 10MHz高頻運行!氮矽科技發布集成驅動GaN芯片,助力電源能效再攀新高
- 失真度僅0.002%!力芯微推出超低內阻、超低失真4PST模擬開關
- 一“芯”雙電!聖邦微電子發布雙輸出電源芯片,簡化AFE與音頻設計
- 一機適配萬端:金升陽推出1200W可編程電源,賦能高端裝備製造
技術文章更多>>
- 築基AI4S:摩爾線程全功能GPU加速中國生命科學自主生態
- 一秒檢測,成本降至萬分之一,光引科技把幾十萬的台式光譜儀“搬”到了手腕上
- AI服務器電源機櫃Power Rack HVDC MW級測試方案
- 突破工藝邊界,奎芯科技LPDDR5X IP矽驗證通過,速率達9600Mbps
- 通過直接、準確、自動測量超低範圍的氯殘留來推動反滲透膜保護
技術白皮書下載更多>>
- 車規與基於V2X的車輛協同主動避撞技術展望
- 數字隔離助力新能源汽車安全隔離的新挑戰
- 汽車模塊拋負載的解決方案
- 車用連接器的安全創新應用
- Melexis Actuators Business Unit
- Position / Current Sensors - Triaxis Hall
熱門搜索






