技術分享:基於DSP和STM32的電液伺服控製器設計
發布時間:2014-09-22 責任編輯:echolady
【導讀】基於DSP和STM32的智能伺服控製器在位置閉環反饋伺服控製係統中有著廣泛的應用。本設計采用TMS320F28335與STM32F103RET6雙核控製器,兩者通過SPI進jin行xing數shu據ju通tong信xin分fen工gong協xie作zuo。另ling外wai,設she計ji了le完wan善shan的de係xi統tong故gu障zhang自zi檢jian測ce報bao警jing程cheng序xu與yu複fu合he控kong製zhi算suan法fa程cheng序xu,在zai提ti高gao了le係xi統tong穩wen定ding性xing與yu智zhi能neng化hua的de同tong時shi,又you提ti高gao了le整zheng個ge係xi統tong的de精jing度du。
伺服控製係統大部分都采用傳統的硬件結構,控製算法比較固定,而且也無法實現不同工況下的高性能控製算法,難以滿足現代工業的需求。現階段迫切需要研製一種智能型、具有高可靠性、控製性能更加優秀的電液伺服係統。基於DSP與STM32的智能型伺服控製器具有軟硬件結合程度更加緊密、係統的智能化程度更高、可實現多種控製策略的優勢。本係統從實際的需求出發,結合精確數字PID控製算法和Fuzzy控製算法自身的優勢,組合成Fuzzy—PID控製算法,根據偏差的大小範圍選擇合適的控製算法進行調節。
本設計將兩款工控芯片——TI公司的浮點型DSPTMS320F28335和ST公司的ARM7升級版STM32F103RET6引入智能電液伺服係統,設計了基於DSP與STM32的智能型伺服控製器,使電液控製技術進一步朝向數字化、集成化、智能化、輕量化、高精度、高可靠性、節能降耗的方向持續發展。
1、硬件設計
1.1 硬件總體結構
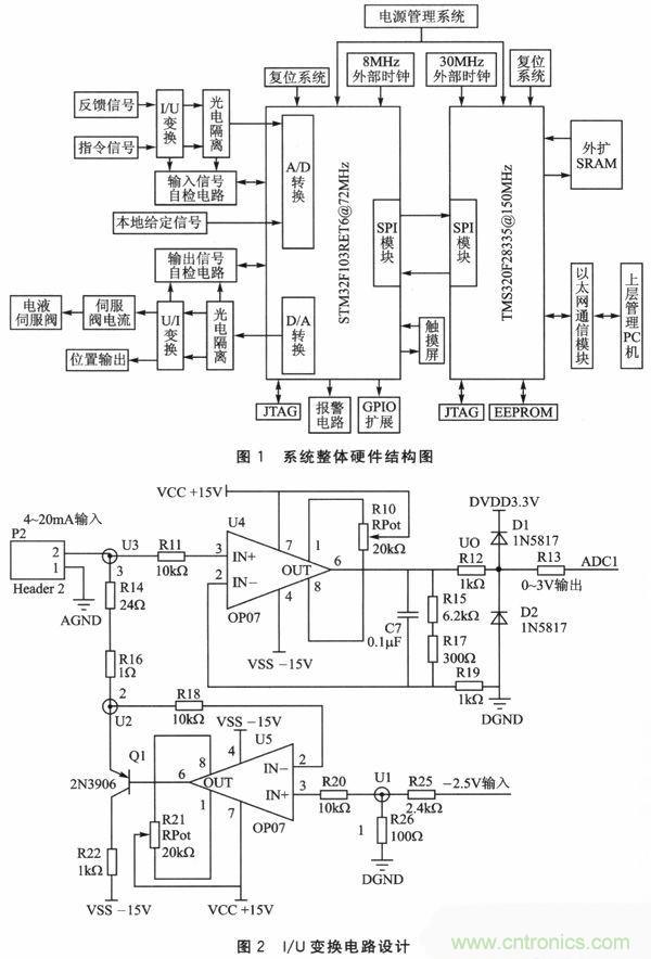
本係統硬件主要由STM32F103RET6和TMS320F28335兩部分組成。STM32F103RET6主要控製外圍電路,包括輸入信號調理模塊、輸出信號調理模塊、A/D和D/A轉換模塊、硬件自檢測電路模塊、觸摸屏控製模塊、故障報警模塊;DSP芯片TMS320F28335主要完成算法的計算與以太網通信,包括外擴SRAM模塊、DM9000A以太網通信模塊、EEPROM存儲模塊。兩者通過SPI進行數據通信,包括各種參數、控製輸出量等。顯示模塊采用5.7寸電阻式觸摸屏,用於顯示各部分的工作狀態及運行情況,完成控製器各種參數的在線設定等人機交互。其硬件結構如圖1所示。
1.2 I/U變換電路
由於指令輸入信號和反饋信號都是4~20 mA直流信號,所以需要將其轉換成STM32F103RET6的A/D轉換器可接受的0~3 V直流電壓信號。圖2為I/U變換電路。
電阻R25輸入一個“-2.5 V”參考電壓,由“虛斷”可知,經過R25和R26電阻分壓後,在“1”點的電壓為:
![]()
所以U1=-0.1 V。由“虛短”可知,“2”點的電壓U2=U1=-0.1 V,所以當4~20 mA電流信號輸入後,“3”點的電壓U3=I×(R14+R16)-0.1,即U3=0.025×I-0.1。當I=4 mA時,U3=0 V;當I=20 mA時,U3=0.4 V,這樣就完成了4~20 mA到0~0.4 V的電流/電壓轉換。後級運放為同相比例運算放大器,放大倍數:
![]()
所以輸出電壓公式為UO=7.5×U3。當輸入為4 mA時,UO=0 V;當輸入為20 mA時,UO=7.5×0.4=3 V。經過兩級運放,完成了從4~20 mA電流信號向0~3 V電壓信號的轉換。
[page]
1.3 U/I變換電路
STM32F103RET6的D/A轉換輸出為0~3 V的直流電壓信號,要想驅動伺服閥,必須通過U/I變換,轉變成4~20 mA直流電流信號,如圖3所示。
由圖3可知,I0≈I3由“虛斷”和“虛短”可知:

其中,0≤V1≤3V,由於電阻阻值有誤差,為了保證電路能從0~3 V轉換為4~20 mA,特意將電阻R44設置為200 Ω的滑動變阻器,用以彌補電阻阻值誤差帶來的影響。

圖4:主程序流程圖
2、軟件設計
2.1 STM32主程序設計
待係統上電初始化完成後,首先執行故障自診斷程序,當STM32F103RET6(以下簡稱STM32)無故障且外圍硬件電路無故障時,啟動STM32內部A/D轉換器,對指令信號(或本地給定信號)與反饋信號進行采樣和模數轉換,並將采集的數據通過SPI通信傳給DSP進行運算。DSP再將計算結果通過SPI傳給STM32,STM32經過內部的D/A變換輸出模擬量來控製電液伺服閥,並可以通過觸摸屏查詢各種參數、輸出控製量的曲線圖,判斷計算偏差的大小。若偏差為0,則退出程序;反之,則繼續執行以上過程,直至偏差為0。係統工作的流程如圖4所示。
控製器的軟件設計采用模塊化編程方案,軟件由STM32部分和DSP部分組成,STM32部分包括了係統初始化子程序、A/D轉換子程序、D/A轉換子程序、係統自檢報警子程序、SPI通信子程序。DSP部分包括控製算法子程序、以太網通信子程序、EEPROM存儲子程序、SPI數據通信子程序、係統初始化設置子程序。
2.2 DSP主程序設計
DSP部分的主程序主要的功能是:與STM32進行SPI通信,將STM32采集的數據通過控製算法計算出控製輸出量和以太網通信。在主函數中,首先禁用DSP內部看門狗,初始化DSP時鍾;其次,初始化DSP各個內部模塊,然後禁用全局中斷,初始化中斷向量表,根據需求對中斷進行配置;待所有初始化完成後再打開全局中斷,最後程序進入無限循環等待SPI和以太網中斷。主程序流程圖如圖5所示。

3、係統測試
本係統設計了參數在線設定、guzhangzijiancedenggongneng,zaixitongzhengtideceshiguochengzhong,yejingxianshichuguzhangdebufen。jingguogexiangceshi,ceshijieguobiaominggaikongzhiqiyunxingkekao,jubeilianghaodewentaixingnenghedongtaipinzhi,nenggouhuodejingmiqieshishidekongzhixiaoguo。biao1為伺服控製器瞬時測試結果。

其測試條件為:本地控製工作模式下,輸入信號均為4~20 mA,且qie伺si服fu閥fa為wei正zheng作zuo用yong,位wei置zhi反fan饋kui為wei正zheng作zuo用yong。根gen據ju伺si服fu閥fa電dian流liu的de變bian化hua趨qu勢shi來lai確que認ren控kong製zhi算suan法fa是shi否fou正zheng確que,在zai整zheng個ge測ce試shi過guo程cheng中zhong,當dang指zhi令ling信xin號hao小xiao於yu反fan饋kui信xin號hao時shi。伺si服fu閥fa電dian流liu呈cheng現xian減jian小xiao變bian化hua的de趨qu勢shi;dangzhilingxinhaodayufankuixinhaoshi,sifufadianliuchengxianzengdabianhuadequshi。genjubianhuaqushidechukongzhisuanfafuheshijidetiaojieguilv。bensifukongzhiqidexianxingnihedukedadao0.078%,能完全滿足線性擬合度優於0.1%的要求,完全達到了預期設定的目標。
相關閱讀:
第四講:高能效太陽能充電控製器設計實例
基於單片機的微波爐控製器設計
電動車無刷電機超靜音控製器設計——基於高速A/D實現精準電流補償
- 噪聲中提取真值!瑞盟科技推出MSA2240電流檢測芯片賦能多元高端測量場景
- 10MHz高頻運行!氮矽科技發布集成驅動GaN芯片,助力電源能效再攀新高
- 失真度僅0.002%!力芯微推出超低內阻、超低失真4PST模擬開關
- 一“芯”雙電!聖邦微電子發布雙輸出電源芯片,簡化AFE與音頻設計
- 一機適配萬端:金升陽推出1200W可編程電源,賦能高端裝備製造
- 築基AI4S:摩爾線程全功能GPU加速中國生命科學自主生態
- 一秒檢測,成本降至萬分之一,光引科技把幾十萬的台式光譜儀“搬”到了手腕上
- AI服務器電源機櫃Power Rack HVDC MW級測試方案
- 突破工藝邊界,奎芯科技LPDDR5X IP矽驗證通過,速率達9600Mbps
- 通過直接、準確、自動測量超低範圍的氯殘留來推動反滲透膜保護
- 車規與基於V2X的車輛協同主動避撞技術展望
- 數字隔離助力新能源汽車安全隔離的新挑戰
- 汽車模塊拋負載的解決方案
- 車用連接器的安全創新應用
- Melexis Actuators Business Unit
- Position / Current Sensors - Triaxis Hall


