詳細解析全自動洗衣機原理及電路圖
發布時間:2011-12-31
中心議題:
全自動洗衣機就是將洗衣的全過程(泡浸-洗滌-漂洗-脫水)預先設定好N個程序,洗衣時選擇其中一個程序,打開水龍頭和啟動洗衣機開關後洗衣的全過程就會自動完成,洗衣完成時由蜂鳴器發出響聲。
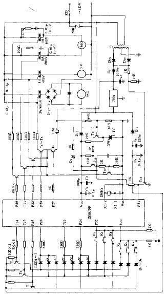
全自動洗衣機由洗衣係統和控製電路組成。其控製電路分為機械和電腦型,電腦型控製電路是以單片機作為控製電路的核心。圖1給出單片機Z86C09組成的全自動洗衣機的控製電路。
Ⅰ.自動洗衣機的洗衣程序
洗衣機麵板上有4個按鈕K1、K2、K5和K6。
K1用於水流選擇,分兩檔:普通水流與柔和水流;
K2用於洗衣周期選擇,可以選擇洗滌、漂洗和脫水三個過程;
K5是暫停開關;
K6是洗衣程序選擇鍵。洗衣程序分為標準程序和經濟程序。
洗衣機的標準洗衣程序是:洗滌——脫水——脫水——漂洗——脫水——漂洗——脫水。經濟洗衣程序少一次漂洗和脫水過程。
1.滌過程
通電後,洗衣機進入暫停狀態,以便放好衣物。若不選擇洗衣周期,則洗衣機從洗滌過程開始。當按暫停開關鍵K5時,進入洗滌過程。首先進水閥FV通電,打開進水開關,向洗衣楊供水;當到達預定水位時,水位開關K4接通,進水閥斷電關閉,停止進水;電機MO接通電源,帶動波輪旋轉,形成洗衣水流。電機MO是一個正反轉電機,可以形成往返水流,有利於洗滌衣物。
2.脫水過程
洗滌或漂洗過程結束後,電機MO停止轉動,排水閥MG通電,開始排水。排水閥動作時,帶動離合器動作,使電機可以帶動內桶轉動。當水位低到一定值時,水位開關K4斷開,再經過一段時間後,電機開始正轉,帶動內桶高速旋轉,甩幹衣物。
3.漂洗過程
與洗滌過程操作相同,隻是時間短一些。
全部洗衣工作完成後,由蜂鳴器發出音響,表示衣物已洗幹淨。
Ⅱ.洗衣機控製器的硬件組成原理
洗衣機控製器由單片機Z86C09作為控製器的核心所構成,該控製器具有以下特點:
(1)具有較強的抗幹擾能力,當受到外部強幹擾,程序出錯時,可以自動使係統複位重新執行程序。
(2)采用無噪聲、無電磁幹擾的雙向晶閘管作為控製元件,控製電磁閥和電機。
(3)具有欠壓和過壓保護,欠壓時,控製器不工作;超壓時,保護電路起作用。
(4)具有瞬間掉電保護功能,電源短時間停電後,電壓恢複時,能夠維持原運行程序的工作狀態並繼續完成洗衣程序。
(5)各種操作和洗衣機的運行狀態均用LED顯示。
下麵分別介紹各部分的特點及組成原理。
1.單片機Z86C09
Z86C09是Z8係列單片機中最簡單的一種,成本較低。采用COMS結構,具有耗電少、抗幹擾力強和工作電壓寬等特點,可在2.5~5.5V的電壓範圍內工作。Z86C09有14條I/O線,P2.0~P2.7是雙向I/O口,可以按位設置輸入或輸出。P3口中P3.1~3.3規定為輸入口,可作為輸入端或中斷請求端。P3.4~P3.6規定為輸出口。Z86C09內部含有2個多功能定時/計數器,2K字節的ROM和144字節的寄存器陣列。
2.電源電路部分
控製器的電源由變壓器B、整流二極管D14~D19、濾波電容C1和穩壓集成電路7806組成。7806輸出的電壓分三路分別用於晶閘管觸發,提供鍵盤輸入和LED顯示,以及提供單片機的電源。後兩路各經過一個二極管和一個電容,當7806的輸出電壓下降時,還可以依靠電容保持的能量,維持電路再工作一段時間。
晶體管T11、T10和穩壓管DW組成欠壓保護電路。當電源電壓不足,T11的基極電壓小於3.9V時,T11截止,T10也截止。Z86C09的P3.1端沒有電壓,常為低電平。T12截止,造成T5~T9的發射極均懸空,因此T5~T9截止,不受Z86C09控製。這時,雖然Z86C09能夠正常工作,但外圍控製元件全部關斷,洗衣機不工作。單片機的P3.1端輸入判別欠壓保護電路工作狀態的信號,隻有當電壓正常後,單片機才開始執行洗衣程序。
當電源電壓超過使用電壓時,壓敏電阻MR的阻值會突然變小,使電壓不能超過保護電壓值,當過壓時間較長時,則會燒斷保險絲RD。
[page]
3.過零檢測電路
過零檢測電路由晶體管T14,變壓器B和二極管D17~D19組成。D17起隔離作用,在電壓為零時,脈動電壓為零,T14截止。由於T14的集電極電阻接到T10的集電極,隻有在T10導通,即電源電壓正常,T14才能在電源電壓過零時輸出高電平。Z86C09的P3.1端檢測過零信號。
4.鍵盤和顯示電路
鍵盤由K1~K6組成,其中K3、K4是檢測開關,按鍵狀態的檢測采用掃描方法,由單片機的P3.4~P3.6輸出掃描信號,使晶體管T1~T3輪流導通,T1~T3輸出的高電平通過二極管D1~D6後掃描每個鍵。6個鍵分為兩組,按鍵信號由P3.2和P3.3輸入。P3.2和P3.3常態為低電平,當按下某一鍵,並且高電平掃描到這個鍵時,P3.2或P3.3輸入才變為高電平。Z86C09檢測到這個高電平,再根據當前掃描到哪一位,即可判別出哪個鍵按下,D1~D6的作用是防止多個鍵同時按下時,對三條掃描線產生的短路。
顯示電路由LED1~LED7組成。顯示方式采用動態掃描方式,列掃帚信號線與行掃帚線共用,行顯示信號直接由Z86C09的P2.4~P2.6驅動。由於LED要求的亮度不,所以驅動電流不大,約9mA。每個LED顯示的時間是總的顯示時間的1/3,平均電流約為3mA。
5.雙向晶閘管觸發電路
雙向晶閘管采用直流觸發,晶閘管的門極由晶體管T5~T8控製,晶體管導通時,觸發雙向晶閘管導通,第Ⅱ~Ⅲ象限觸發,T5~T8的集電極電阻用於限流。由於1A和3A的雙向晶閘管所需要的觸發電流較小,容易受外界的幹擾。為了提高係統的抗幹擾能力,在1A和3A的雙向晶閘管觸發回路中各並聯一個0.01uF的電容,抑製瞬時的幹擾信號。兩個8A的雙向晶閘管用於控製電機MO正轉和反轉。這兩個晶閘管在任何時候最多隻允許一個導通,如果兩個同時導通,則會損壞晶閘管。兩個8A雙向晶閘管的兩個主電極上並聯一個100Ω的電阻和0.01uF的電容組成阻容回路,用來吸收雙向晶閘管兩主電極之間的瞬時電壓脈衝,保護雙向晶閘管。
附:文中的單片機也可采用AT89S51等來構成。


- 自動洗衣機的洗衣程序設計
- 洗衣機控製器的硬件組成原理
- 程序:洗滌—脫水—脫水—漂洗—脫水—漂洗—脫水
- 硬件:單片機Z86C09、電源、過零檢測、鍵盤和顯示、雙向晶閘管觸發電路
全自動洗衣機就是將洗衣的全過程(泡浸-洗滌-漂洗-脫水)預先設定好N個程序,洗衣時選擇其中一個程序,打開水龍頭和啟動洗衣機開關後洗衣的全過程就會自動完成,洗衣完成時由蜂鳴器發出響聲。
全自動洗衣機由洗衣係統和控製電路組成。其控製電路分為機械和電腦型,電腦型控製電路是以單片機作為控製電路的核心。圖1給出單片機Z86C09組成的全自動洗衣機的控製電路。
Ⅰ.自動洗衣機的洗衣程序
洗衣機麵板上有4個按鈕K1、K2、K5和K6。
K1用於水流選擇,分兩檔:普通水流與柔和水流;
K2用於洗衣周期選擇,可以選擇洗滌、漂洗和脫水三個過程;
K5是暫停開關;
K6是洗衣程序選擇鍵。洗衣程序分為標準程序和經濟程序。
洗衣機的標準洗衣程序是:洗滌——脫水——脫水——漂洗——脫水——漂洗——脫水。經濟洗衣程序少一次漂洗和脫水過程。
1.滌過程
通電後,洗衣機進入暫停狀態,以便放好衣物。若不選擇洗衣周期,則洗衣機從洗滌過程開始。當按暫停開關鍵K5時,進入洗滌過程。首先進水閥FV通電,打開進水開關,向洗衣楊供水;當到達預定水位時,水位開關K4接通,進水閥斷電關閉,停止進水;電機MO接通電源,帶動波輪旋轉,形成洗衣水流。電機MO是一個正反轉電機,可以形成往返水流,有利於洗滌衣物。
2.脫水過程
洗滌或漂洗過程結束後,電機MO停止轉動,排水閥MG通電,開始排水。排水閥動作時,帶動離合器動作,使電機可以帶動內桶轉動。當水位低到一定值時,水位開關K4斷開,再經過一段時間後,電機開始正轉,帶動內桶高速旋轉,甩幹衣物。
3.漂洗過程
與洗滌過程操作相同,隻是時間短一些。
全部洗衣工作完成後,由蜂鳴器發出音響,表示衣物已洗幹淨。
Ⅱ.洗衣機控製器的硬件組成原理
洗衣機控製器由單片機Z86C09作為控製器的核心所構成,該控製器具有以下特點:
(1)具有較強的抗幹擾能力,當受到外部強幹擾,程序出錯時,可以自動使係統複位重新執行程序。
(2)采用無噪聲、無電磁幹擾的雙向晶閘管作為控製元件,控製電磁閥和電機。
(3)具有欠壓和過壓保護,欠壓時,控製器不工作;超壓時,保護電路起作用。
(4)具有瞬間掉電保護功能,電源短時間停電後,電壓恢複時,能夠維持原運行程序的工作狀態並繼續完成洗衣程序。
(5)各種操作和洗衣機的運行狀態均用LED顯示。
下麵分別介紹各部分的特點及組成原理。
1.單片機Z86C09
Z86C09是Z8係列單片機中最簡單的一種,成本較低。采用COMS結構,具有耗電少、抗幹擾力強和工作電壓寬等特點,可在2.5~5.5V的電壓範圍內工作。Z86C09有14條I/O線,P2.0~P2.7是雙向I/O口,可以按位設置輸入或輸出。P3口中P3.1~3.3規定為輸入口,可作為輸入端或中斷請求端。P3.4~P3.6規定為輸出口。Z86C09內部含有2個多功能定時/計數器,2K字節的ROM和144字節的寄存器陣列。
2.電源電路部分
控製器的電源由變壓器B、整流二極管D14~D19、濾波電容C1和穩壓集成電路7806組成。7806輸出的電壓分三路分別用於晶閘管觸發,提供鍵盤輸入和LED顯示,以及提供單片機的電源。後兩路各經過一個二極管和一個電容,當7806的輸出電壓下降時,還可以依靠電容保持的能量,維持電路再工作一段時間。
晶體管T11、T10和穩壓管DW組成欠壓保護電路。當電源電壓不足,T11的基極電壓小於3.9V時,T11截止,T10也截止。Z86C09的P3.1端沒有電壓,常為低電平。T12截止,造成T5~T9的發射極均懸空,因此T5~T9截止,不受Z86C09控製。這時,雖然Z86C09能夠正常工作,但外圍控製元件全部關斷,洗衣機不工作。單片機的P3.1端輸入判別欠壓保護電路工作狀態的信號,隻有當電壓正常後,單片機才開始執行洗衣程序。
當電源電壓超過使用電壓時,壓敏電阻MR的阻值會突然變小,使電壓不能超過保護電壓值,當過壓時間較長時,則會燒斷保險絲RD。
[page]
3.過零檢測電路
過零檢測電路由晶體管T14,變壓器B和二極管D17~D19組成。D17起隔離作用,在電壓為零時,脈動電壓為零,T14截止。由於T14的集電極電阻接到T10的集電極,隻有在T10導通,即電源電壓正常,T14才能在電源電壓過零時輸出高電平。Z86C09的P3.1端檢測過零信號。
4.鍵盤和顯示電路
鍵盤由K1~K6組成,其中K3、K4是檢測開關,按鍵狀態的檢測采用掃描方法,由單片機的P3.4~P3.6輸出掃描信號,使晶體管T1~T3輪流導通,T1~T3輸出的高電平通過二極管D1~D6後掃描每個鍵。6個鍵分為兩組,按鍵信號由P3.2和P3.3輸入。P3.2和P3.3常態為低電平,當按下某一鍵,並且高電平掃描到這個鍵時,P3.2或P3.3輸入才變為高電平。Z86C09檢測到這個高電平,再根據當前掃描到哪一位,即可判別出哪個鍵按下,D1~D6的作用是防止多個鍵同時按下時,對三條掃描線產生的短路。
顯示電路由LED1~LED7組成。顯示方式采用動態掃描方式,列掃帚信號線與行掃帚線共用,行顯示信號直接由Z86C09的P2.4~P2.6驅動。由於LED要求的亮度不,所以驅動電流不大,約9mA。每個LED顯示的時間是總的顯示時間的1/3,平均電流約為3mA。
5.雙向晶閘管觸發電路
雙向晶閘管采用直流觸發,晶閘管的門極由晶體管T5~T8控製,晶體管導通時,觸發雙向晶閘管導通,第Ⅱ~Ⅲ象限觸發,T5~T8的集電極電阻用於限流。由於1A和3A的雙向晶閘管所需要的觸發電流較小,容易受外界的幹擾。為了提高係統的抗幹擾能力,在1A和3A的雙向晶閘管觸發回路中各並聯一個0.01uF的電容,抑製瞬時的幹擾信號。兩個8A的雙向晶閘管用於控製電機MO正轉和反轉。這兩個晶閘管在任何時候最多隻允許一個導通,如果兩個同時導通,則會損壞晶閘管。兩個8A雙向晶閘管的兩個主電極上並聯一個100Ω的電阻和0.01uF的電容組成阻容回路,用來吸收雙向晶閘管兩主電極之間的瞬時電壓脈衝,保護雙向晶閘管。
附:文中的單片機也可采用AT89S51等來構成。


特別推薦
- 噪聲中提取真值!瑞盟科技推出MSA2240電流檢測芯片賦能多元高端測量場景
- 10MHz高頻運行!氮矽科技發布集成驅動GaN芯片,助力電源能效再攀新高
- 失真度僅0.002%!力芯微推出超低內阻、超低失真4PST模擬開關
- 一“芯”雙電!聖邦微電子發布雙輸出電源芯片,簡化AFE與音頻設計
- 一機適配萬端:金升陽推出1200W可編程電源,賦能高端裝備製造
技術文章更多>>
- 2026藍牙亞洲大會暨展覽在深啟幕
- 維智捷發布中國願景
- 2秒啟動係統 • 資源受限下HMI最優解,米爾RK3506開發板× LVGL Demo演示
- H橋降壓-升壓電路中的交替控製與帶寬優化
- Tektronix 助力二維材料器件與芯片研究與創新
技術白皮書下載更多>>
- 車規與基於V2X的車輛協同主動避撞技術展望
- 數字隔離助力新能源汽車安全隔離的新挑戰
- 汽車模塊拋負載的解決方案
- 車用連接器的安全創新應用
- Melexis Actuators Business Unit
- Position / Current Sensors - Triaxis Hall
熱門搜索
接口IC
介質電容
介質諧振器
金屬膜電阻
晶體濾波器
晶體諧振器
晶體振蕩器
晶閘管
精密電阻
精密工具
景佑能源
聚合物電容
君耀電子
開發工具
開關
開關電源
開關電源電路
開關二極管
開關三極管
科通
可變電容
可調電感
可控矽
空心線圈
控製變壓器
控製模塊
藍牙
藍牙4.0
藍牙模塊
浪湧保護器




