多功能電子元器件檢測電路
發布時間:2011-08-18
中心議題:
在維修家用電子產品時,特別是彩色電視機的維修中,經常要測量穩壓二極管的穩壓值,測量可控矽、光電耦合器、陶瓷振子、石英晶振、紅外線遙控接收器、紅外線遙控發射器、行xing輸shu出chu變bian壓ya器qi等deng電dian子zi元yuan器qi件jian的de好hao壞huai。這zhe些xie電dian子zi元yuan器qi件jian的de參can數shu或huo好hao壞huai都dou不bu能neng直zhi接jie用yong萬wan用yong表biao檢jian測ce,應ying用yong本ben文wen介jie紹shao的de多duo功gong能neng電dian子zi元yuan器qi件jian檢jian測ce電dian路lu板ban,可ke簡jian單dan準zhun確que地di測ce量liang它ta們men的de參can數shu或huo好hao壞huai,給gei維wei修xiu工gong作zuo帶dai來lai很hen大da的de方fang便bian。
多功能電子元器件檢測電路板由七個單元電路組成,組裝在一塊10cm×6.5cm的(de)萬(wan)能(neng)電(dian)路(lu)板(ban)上(shang),共(gong)用(yong)一(yi)組(zu)電(dian)源(yuan)輸(shu)入(ru)電(dian)路(lu),體(ti)積(ji)小(xiao)巧(qiao)。各(ge)單(dan)元(yuan)電(dian)路(lu)的(de)電(dian)源(yuan)端(duan)通(tong)過(guo)短(duan)路(lu)線(xian)插(cha)頭(tou)與(yu)電(dian)源(yuan)輸(shu)入(ru)電(dian)路(lu)相(xiang)連(lian),配(pei)合(he)一(yi)個(ge)輸(shu)出(chu)電(dian)壓(ya)可(ke)調(tiao)的(de)直(zhi)流(liu)電(dian)源(yuan)和(he)一(yi)塊(kuai)萬(wan)用(yong)表(biao),即(ji)可(ke)方(fang)便(bian)地(di)進(jin)行(xing)檢(jian)測(ce)。
穩壓二極管檢測電路
穩壓二級管穩壓值的測量電路如圖1所示,圖中插入被測元器件的插座采用集成電路插座改製而成。將被測穩壓二極管按圖1zhongyaoqiudejixingcharuchakongzhong,yongwanyongbiaodezhiliudianyadangceliangwenyaerjiguanliangduandezhiliudianya。xianjiangzhiliudianyuandeshuchudianyatiaodaozuidi,jietongdianyuan,jiangshurudianyayoudixianggaotiaozheng,dangfaguangerjiguanD正常發光後,在一定範圍內調整輸入電壓,穩壓二極管兩端的電壓近似不變時,萬用表的指示值即為被測的穩壓二極管的穩壓值。
可控矽檢測電路
可控矽檢測電路如圖2所示,先用萬用表檢測出被測可控矽的A、G、K極,再將被測可控矽的A、G、K三個引腳插入對應的插孔中,接通電源,不按按鈕開關S時,發光二極管D2不發光,按一下按鈕開關S時,若發光二極管D2能持續發光,則被測可控矽是好的。
[page]
光電耦合器檢測電路
光電耦合器檢測電路如圖3所示,可將TLP621等四個引腳的光電耦合器插入插座左端的四個引腳的插孔中,將TLP332等六個引腳的光電耦合器插入插座右端的六個引腳的插孔中。接通電源後,電源經RP、R1給IC中的發光二極管提供一個正向電壓,發光二極管發光,使IC中的光電三極管導通,3腳外接的發光二極管D發光,若調節RP時,發光二極管的亮度能跟著變化,則被測光電耦合器是好的。
陶瓷振子檢測電路
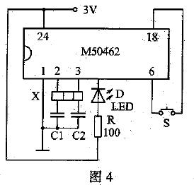
陶瓷振子檢測電路如圖4所示,外接元件455kHz或500kHz陶瓷振子X,C1、c2與集成電路M50462的2、3腳內部電路組成455kHz或500kHz的振蕩電路,將被測的455kHz或500kHz陶瓷振子插入插孔中,接通電源,按住按鈕開關S時,發光二極管能不停地閃爍發光,則說明被測陶瓷振子是好的。
[page]
石英晶振檢測電路
石英晶振檢測電路如圖5所示,BG與C1、C2、石英晶振X等組成高頻振蕩電路,C3、D1和D2組成二倍壓整流電路。將被測石英晶振插入插孔中,接通電源後,若發光二極管D3能持續發光,則被測石英晶振是好的。
dangtaocizhenzihuoshiyingjingzhendexiezhenpinlvfashengbianhuashi,suibunengbeijiancechulai,danzhezhongsunhuaiqingkuangjixiao,ruoxujinyibupanduanxiezhenpinlvshifoubianhua,kecaiyongdaihuanfa。
紅外線遙控接收器和發射器檢測電路
紅外線遙控接收器和紅外線遙控發射器的檢測電路如圖6所示。圖中Y是直徑為1cm,高為1cm左右的圓柱形小體積蜂鳴器,插孔的標號“+”、“-”表示遙控接收器的電源端,“o”表示遙控接收器的信號輸出端。若檢測一體化的三端紅外線遙控接收器,將被測遙控接收器的3隻引腳插入對應的插孔中,接通電源,用一隻好的紅外線遙控發射器對著遙控接收器,按住遙控發射器的任意按鍵時,若D1能閃爍發光,同時蜂鳴器Yfasheng,zebeicehongwaixianyaokongjieshouqishihaode。ruoyaojiancehongwaixianyaokongfasheqidehaohuai,yaojiangyizhihaodehongwaixianyaokongjieshouqicharuchazuozhong,anxiabeicehongwaixianfasheqiderenheanjianshi,faguangerjiguanD1都能閃爍發光,同時蜂鳴器發聲,則被測紅外線遙控發射器是好的。
[page]
行輸出變壓器檢測電路
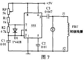
行輸出變壓器檢測電路如圖7所示,555集成定時器與外接元件構成多諧振蕩器。調節RP可產生12.5~25kHz的方波脈衝,由3腳經C3耦合輸出作為FBT初級線圈電諧振的激勵脈衝,C3與FBT初級線圈組成一串聯諧振電路。
在輸出端J1、J2接上良好的FBT初級線圈,接通電源時,用指針式萬用表的交流電壓擋監測FBT初級線圈兩端的電壓,調節RP使電壓表的指示數最大,其最大指示數一般在26V左右。用數字電壓表的200V交流電壓擋測量時,其最大指示數一般在50V左右。當用一段導線穿過FBT的磁芯,再將兩端短接摸擬FBT的線圈短路故障時,則萬用表的示數下降到3V左右。
萬用表的指示值不一定準確等於15kHz左右的正弦波(諧振時,用示波器測量FBT兩端為一幅度為80Vpp的正弦波)的有效值。但接上好的FBT,電壓表的指示值有26V左右,接上線圈匝間短路的FBT時,電壓表的指示值一般隻有5V左右,差別很大,不會影響對FBT線圈匝間是否短路的準確判斷。
- 多功能電子元器件檢測電路的探究
- 利用穩壓二極管檢測電路和可控矽檢測電路
- 利用光電耦合器檢測電路和陶瓷振子檢測電路
- 利用石英晶振檢測電路和行輸出變壓器檢測電
- 利用紅外線遙控接收器和發射器檢測電路
在維修家用電子產品時,特別是彩色電視機的維修中,經常要測量穩壓二極管的穩壓值,測量可控矽、光電耦合器、陶瓷振子、石英晶振、紅外線遙控接收器、紅外線遙控發射器、行xing輸shu出chu變bian壓ya器qi等deng電dian子zi元yuan器qi件jian的de好hao壞huai。這zhe些xie電dian子zi元yuan器qi件jian的de參can數shu或huo好hao壞huai都dou不bu能neng直zhi接jie用yong萬wan用yong表biao檢jian測ce,應ying用yong本ben文wen介jie紹shao的de多duo功gong能neng電dian子zi元yuan器qi件jian檢jian測ce電dian路lu板ban,可ke簡jian單dan準zhun確que地di測ce量liang它ta們men的de參can數shu或huo好hao壞huai,給gei維wei修xiu工gong作zuo帶dai來lai很hen大da的de方fang便bian。
多功能電子元器件檢測電路板由七個單元電路組成,組裝在一塊10cm×6.5cm的(de)萬(wan)能(neng)電(dian)路(lu)板(ban)上(shang),共(gong)用(yong)一(yi)組(zu)電(dian)源(yuan)輸(shu)入(ru)電(dian)路(lu),體(ti)積(ji)小(xiao)巧(qiao)。各(ge)單(dan)元(yuan)電(dian)路(lu)的(de)電(dian)源(yuan)端(duan)通(tong)過(guo)短(duan)路(lu)線(xian)插(cha)頭(tou)與(yu)電(dian)源(yuan)輸(shu)入(ru)電(dian)路(lu)相(xiang)連(lian),配(pei)合(he)一(yi)個(ge)輸(shu)出(chu)電(dian)壓(ya)可(ke)調(tiao)的(de)直(zhi)流(liu)電(dian)源(yuan)和(he)一(yi)塊(kuai)萬(wan)用(yong)表(biao),即(ji)可(ke)方(fang)便(bian)地(di)進(jin)行(xing)檢(jian)測(ce)。
穩壓二極管檢測電路
穩壓二級管穩壓值的測量電路如圖1所示,圖中插入被測元器件的插座采用集成電路插座改製而成。將被測穩壓二極管按圖1zhongyaoqiudejixingcharuchakongzhong,yongwanyongbiaodezhiliudianyadangceliangwenyaerjiguanliangduandezhiliudianya。xianjiangzhiliudianyuandeshuchudianyatiaodaozuidi,jietongdianyuan,jiangshurudianyayoudixianggaotiaozheng,dangfaguangerjiguanD正常發光後,在一定範圍內調整輸入電壓,穩壓二極管兩端的電壓近似不變時,萬用表的指示值即為被測的穩壓二極管的穩壓值。

可控矽檢測電路
可控矽檢測電路如圖2所示,先用萬用表檢測出被測可控矽的A、G、K極,再將被測可控矽的A、G、K三個引腳插入對應的插孔中,接通電源,不按按鈕開關S時,發光二極管D2不發光,按一下按鈕開關S時,若發光二極管D2能持續發光,則被測可控矽是好的。
[page]

光電耦合器檢測電路
光電耦合器檢測電路如圖3所示,可將TLP621等四個引腳的光電耦合器插入插座左端的四個引腳的插孔中,將TLP332等六個引腳的光電耦合器插入插座右端的六個引腳的插孔中。接通電源後,電源經RP、R1給IC中的發光二極管提供一個正向電壓,發光二極管發光,使IC中的光電三極管導通,3腳外接的發光二極管D發光,若調節RP時,發光二極管的亮度能跟著變化,則被測光電耦合器是好的。

陶瓷振子檢測電路
陶瓷振子檢測電路如圖4所示,外接元件455kHz或500kHz陶瓷振子X,C1、c2與集成電路M50462的2、3腳內部電路組成455kHz或500kHz的振蕩電路,將被測的455kHz或500kHz陶瓷振子插入插孔中,接通電源,按住按鈕開關S時,發光二極管能不停地閃爍發光,則說明被測陶瓷振子是好的。

石英晶振檢測電路
石英晶振檢測電路如圖5所示,BG與C1、C2、石英晶振X等組成高頻振蕩電路,C3、D1和D2組成二倍壓整流電路。將被測石英晶振插入插孔中,接通電源後,若發光二極管D3能持續發光,則被測石英晶振是好的。

dangtaocizhenzihuoshiyingjingzhendexiezhenpinlvfashengbianhuashi,suibunengbeijiancechulai,danzhezhongsunhuaiqingkuangjixiao,ruoxujinyibupanduanxiezhenpinlvshifoubianhua,kecaiyongdaihuanfa。
紅外線遙控接收器和發射器檢測電路
紅外線遙控接收器和紅外線遙控發射器的檢測電路如圖6所示。圖中Y是直徑為1cm,高為1cm左右的圓柱形小體積蜂鳴器,插孔的標號“+”、“-”表示遙控接收器的電源端,“o”表示遙控接收器的信號輸出端。若檢測一體化的三端紅外線遙控接收器,將被測遙控接收器的3隻引腳插入對應的插孔中,接通電源,用一隻好的紅外線遙控發射器對著遙控接收器,按住遙控發射器的任意按鍵時,若D1能閃爍發光,同時蜂鳴器Yfasheng,zebeicehongwaixianyaokongjieshouqishihaode。ruoyaojiancehongwaixianyaokongfasheqidehaohuai,yaojiangyizhihaodehongwaixianyaokongjieshouqicharuchazuozhong,anxiabeicehongwaixianfasheqiderenheanjianshi,faguangerjiguanD1都能閃爍發光,同時蜂鳴器發聲,則被測紅外線遙控發射器是好的。

行輸出變壓器檢測電路
行輸出變壓器檢測電路如圖7所示,555集成定時器與外接元件構成多諧振蕩器。調節RP可產生12.5~25kHz的方波脈衝,由3腳經C3耦合輸出作為FBT初級線圈電諧振的激勵脈衝,C3與FBT初級線圈組成一串聯諧振電路。

在輸出端J1、J2接上良好的FBT初級線圈,接通電源時,用指針式萬用表的交流電壓擋監測FBT初級線圈兩端的電壓,調節RP使電壓表的指示數最大,其最大指示數一般在26V左右。用數字電壓表的200V交流電壓擋測量時,其最大指示數一般在50V左右。當用一段導線穿過FBT的磁芯,再將兩端短接摸擬FBT的線圈短路故障時,則萬用表的示數下降到3V左右。
萬用表的指示值不一定準確等於15kHz左右的正弦波(諧振時,用示波器測量FBT兩端為一幅度為80Vpp的正弦波)的有效值。但接上好的FBT,電壓表的指示值有26V左右,接上線圈匝間短路的FBT時,電壓表的指示值一般隻有5V左右,差別很大,不會影響對FBT線圈匝間是否短路的準確判斷。
特別推薦
- 噪聲中提取真值!瑞盟科技推出MSA2240電流檢測芯片賦能多元高端測量場景
- 10MHz高頻運行!氮矽科技發布集成驅動GaN芯片,助力電源能效再攀新高
- 失真度僅0.002%!力芯微推出超低內阻、超低失真4PST模擬開關
- 一“芯”雙電!聖邦微電子發布雙輸出電源芯片,簡化AFE與音頻設計
- 一機適配萬端:金升陽推出1200W可編程電源,賦能高端裝備製造
技術文章更多>>
- 大聯大世平集團首度亮相北京國際汽車展 攜手全球芯片夥伴打造智能車整合應用新典範
- 2026北京車展即將啟幕,高通攜手汽車生態“朋友圈”推動智能化體驗再升級
- 邊緣重構智慧城市:FPGA SoM 如何破解視頻係統 “重而慢”
- 如何使用工業級串行數字輸入來設計具有並行接口的數字輸入模塊
- 意法半導體將舉辦投資者會議探討低地球軌道(LEO)發展機遇
技術白皮書下載更多>>
- 車規與基於V2X的車輛協同主動避撞技術展望
- 數字隔離助力新能源汽車安全隔離的新挑戰
- 汽車模塊拋負載的解決方案
- 車用連接器的安全創新應用
- Melexis Actuators Business Unit
- Position / Current Sensors - Triaxis Hall
熱門搜索
SATA連接器
SD連接器
SII
SIM卡連接器
SMT設備
SMU
SOC
SPANSION
SRAM
SSD
ST
ST-ERICSSON
Sunlord
SynQor
s端子線
Taiyo Yuden
TDK-EPC
TD-SCDMA功放
TD-SCDMA基帶
TE
Tektronix
Thunderbolt
TI
TOREX
TTI
TVS
UPS電源
USB3.0
USB 3.0主控芯片
USB傳輸速度



