濾波電感在電源抗幹擾中的應用
發布時間:2011-01-21
中心議題:
該法令指出凡不符合歐洲和國際EMC標準規定的產品一律不得進入市場銷售,違者重罰,同時把EMC認證和電氣安全認證作為一些產品認證的首要條件。此舉引起世界電子市場巨大的震動,EMC成為影響國際貿易一個重要的指標。為了與國際接軌,我國也相繼製定了有關EMC法規。為此我國多次召開電磁兼容標準與論證會,建議自1997年1月1日起在市場上流通的電子設備必須製定、設計對無線電幹擾的抑製措施,安置抑製元器件,使產生的電磁幹擾不超過標準規定的電平。於2001年1月1日起凡進入市場產品必須有EMC標誌。這是我國電子產品參與國際市場競爭的第一步。
抗幹擾濾波器特征
抗(kang)幹(gan)擾(rao)濾(lv)波(bo)器(qi)與(yu)通(tong)常(chang)的(de)信(xin)號(hao)濾(lv)波(bo)器(qi)之(zhi)間(jian)有(you)著(zhe)概(gai)念(nian)上(shang)的(de)區(qu)別(bie)。信(xin)號(hao)濾(lv)波(bo)器(qi)是(shi)在(zai)阻(zu)抗(kang)匹(pi)配(pei)的(de)條(tiao)件(jian)下(xia)工(gong)作(zuo),即(ji)通(tong)過(guo)濾(lv)波(bo)器(qi)要(yao)保(bao)持(chi)輸(shu)入(ru)與(yu)輸(shu)出(chu)信(xin)號(hao)振(zhen)幅(fu)不(bu)變(bian)為(wei)前(qian)提(ti),將(jiang)其(qi)中(zhong)部(bu)分(fen)頻(pin)域(yu)作(zuo)預(yu)期(qi)的(de)處(chu)理(li)和(he)變(bian)換(huan)。而(er)EMI濾波器用於抑製進入設備與出自設備的電磁幹擾,具有雙向抑製性。因此這就要求EMI濾lv波bo器qi的de端duan口kou處chu與yu設she備bei產chan生sheng最zui大da失shi配pei。這zhe樣yang才cai能neng使shi濾lv波bo器qi對dui電dian磁ci幹gan擾rao的de衰shuai減jian等deng於yu自zi身shen網wang絡luo的de衰shuai減jian再zai加jia上shang輸shu入ru和he輸shu出chu端duan口kou所suo產chan生sheng的de反fan射she,必bi須xu遵zun循xun如ru下xia規gui律lv,見jian表biao1。其中Rs為電網輸入阻抗,隨著電量大小而變化;RL是EMI濾波器的輸出阻抗,隨負載大小而變。

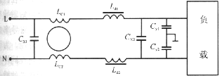
從電學角度來說隻有阻抗不匹配的條件下才能在濾波器內產生最大的吸收(或損耗),用EMC俗語稱之為“濾波器插入損耗”。EMI濾(lv)波(bo)器(qi)主(zhu)要(yao)是(shi)消(xiao)除(chu)或(huo)降(jiang)低(di)傳(chuan)導(dao)幹(gan)擾(rao)。實(shi)際(ji)上(shang)傳(chuan)導(dao)幹(gan)擾(rao)又(you)分(fen)為(wei)共(gong)模(mo)幹(gan)擾(rao)和(he)差(cha)模(mo)幹(gan)擾(rao),所(suo)謂(wei)共(gong)模(mo)幹(gan)擾(rao)是(shi)指(zhi)相(xiang)線(xian)與(yu)地(di)線(xian)之(zhi)間(jian)幹(gan)擾(rao)信(xin)號(hao)的(de)相(xiang)位(wei)相(xiang)同(tong)、電位相等,而差模幹擾是相線間幹擾信號相位差180°(電位相等)。因此濾波電路也分為抗共模和抗差模幹擾電路,參見圖1。

圖中LC1LC2,Cy1Cy2構成共模濾波電路,LC1LC2為共模濾波電感,而Ld1Ld2Cx1Cx2構成差模電路。共模電感Lc一般數值0.3mH~38mH,共模電容Cy,隻要控製在漏電電流於<1mA條件下,選擇較大數值為準。而差模電感Ld一般在幾十至幾百微亨,其電容應選耐壓大於1.4kV的陶瓷或聚酯電容。Ld1Ld2差模電感、電容值越大,低頻效果越好。市場上購買的EMIlvboqidadoushiduigongmoganraoshejide,duichamoyizhixiaoguohencha。shijishangkaiguandianyuanzhonggongmoyuchamoganraotongshicunzai,tebieduiyuyouyuangonglvyinshuxiaozhengdianluzhongchamoganraodeqiangduhenda。
對於開關電源,EMI濾波器對高頻的EMI信號抑製比低頻的EMI傳導消除容易得多。常常利用共模電感的差值形成的差模電感就能消除300kHz~30MHz傳導幹擾電平。設計和選用濾波器一定要根據電路的實際需要而定。首先測出傳導幹擾電平與所規定的EMC標準極限比較,一般0.01MHz~0.1MHz是差模幹擾起主導作用,0.1MHz~1MHz是差模與共模幹擾聯合作用,而1MHz~30MHz主zhu要yao是shi共gong模mo幹gan擾rao起qi作zuo用yong。根gen據ju實shi驗yan結jie果guo來lai判pan斷duan和he選xuan擇ze對dui超chao標biao信xin號hao有you抑yi製zhi作zuo用yong的de濾lv波bo器qi或huo器qi件jian。當dang然ran實shi際ji操cao作zuo相xiang當dang複fu雜za,要yao有you相xiang當dang高gao的de技ji術shu水shui平ping和he經jing驗yan。
[page]
EMI濾波器中電感材料的選擇
降低電子設備的電磁幹擾已成為電子產品是否有市場的關鍵問題。而軟磁材料已成為EMI濾波器中不可少的元件,並起著舉足輕重的作用。現在用軟磁材料製成的各種抑製EMI元(yuan)器(qi)件(jian)廣(guang)泛(fan)地(di)應(ying)用(yong)於(yu)各(ge)種(zhong)電(dian)子(zi)電(dian)路(lu)和(he)設(she)備(bei)之(zhi)中(zhong)。這(zhe)是(shi)因(yin)為(wei)軟(ruan)磁(ci)材(cai)料(liao)具(ju)有(you)它(ta)獨(du)特(te)的(de)性(xing)能(neng),致(zhi)使(shi)其(qi)在(zai)抗(kang)電(dian)磁(ci)幹(gan)擾(rao)領(ling)域(yu)發(fa)揮(hui)主(zhu)要(yao)作(zuo)用(yong)。然(ran)而(er),電(dian)子(zi)產(chan)品(pin)生(sheng)產(chan)廠(chang)家(jia)希(xi)望(wang)能(neng)得(de)到(dao)通(tong)用(yong)EMI濾波器對所有的電子設備都能把幹擾降低到標準以下,這是不現實的。EMI濾波器的設計要根據該電子設備的EMC標準,即需要衰減EMI信號的頻段範圍和超標電平高低來選擇,特別是其中的軟磁材料。
因為軟磁材料種類繁多,各有自己的電磁特征。除了基本磁參數如Bsμi損耗外,還要利用它們的電特性、電阻率、頻寬、阻zu抗kang等deng。根gen據ju所suo需xu衰shuai減jian幹gan擾rao信xin號hao範fan圍wei,確que定ding對dui應ying的de濾lv波bo電dian路lu,然ran後hou再zai精jing心xin挑tiao選xuan適shi合he於yu該gai頻pin段duan的de磁ci性xing材cai料liao,濾lv波bo電dian感gan才cai能neng達da到dao最zui經jing濟ji和he最zui佳jia效xiao果guo。想xiang用yong一yi種zhong材cai料liao滿man足zu各ge種zhong抗kang幹gan擾rao濾lv波bo器qi是shi不bu能neng達da到dao預yu期qi效xiao果guo的de,必bi需xu選xuan用yong適shi合he該gai頻pin段duan的de磁ci性xing材cai料liao。從cong材cai料liao的de觀guan點dian看kan,EMI濾(lv)波(bo)器(qi)的(de)作(zuo)用(yong)是(shi)阻(zu)隔(ge)不(bu)需(xu)要(yao)的(de)信(xin)號(hao)並(bing)以(yi)發(fa)熱(re)的(de)形(xing)式(shi)消(xiao)耗(hao)掉(diao),而(er)讓(rang)需(xu)要(yao)的(de)信(xin)號(hao)無(wu)衰(shuai)減(jian)或(huo)幾(ji)乎(hu)不(bu)衰(shuai)減(jian)地(di)通(tong)過(guo)。值(zhi)得(de)指(zhi)出(chu)的(de)是(shi)以(yi)發(fa)熱(re)形(xing)式(shi)所(suo)消(xiao)耗(hao)掉(diao)的(de)能(neng)量(liang)並(bing)不(bu)是(shi)指(zhi)線(xian)圈(quan)在(zai)電(dian)流(liu)作(zuo)用(yong)下(xia)的(de)焦(jiao)耳(er)熱(re)(即I2R)。故gu在zai繞rao製zhi線xian圈quan時shi一yi定ding要yao選xuan用yong足zu夠gou大da線xian徑jing的de銅tong線xian,盡jin量liang減jian少shao這zhe種zhong能neng量liang的de損sun耗hao。從cong電dian學xue觀guan點dian可ke把ba濾lv波bo器qi中zhong帶dai有you磁ci性xing材cai料liao的de電dian感gan在zai頻pin率lv較jiao低di時shi等deng效xiao為wei純chun電dian感ganL和純電阻R的串聯,其阻抗Z=R+jωL。對於平均直徑為D的圓環,根據安培定律和電磁感應定律可得到:
e=N1S•dB/dt
H=N1I/l
式中N1,I——為環形磁芯上激磁線圈匝數和電流;S——磁芯截麵積;l——平均磁路長度(πD)。
用相量表示為:

式中μ=μ′-jμ″
磁芯在低頻時可等效為:Z=R+jωL=E/Im
代入上式

於是可以得到:

通過上式把磁學參數與電學參數直接聯係起來。它表示磁性材料的磁性參數在電路中充當的角色。式(1)表述電路中的電感直接與磁材料的彈性磁導率μ′有關,表示器件的儲能大小與頻率無關的純電感性。而電路中電阻R與磁性材料複數磁導率的虛數部分μ″有關。式(2)則既與材料的渦流損耗、磁滯損耗及剩餘損耗等有關,並且與頻率也有關。反映在電學上就相當於等效電阻R。
最後都轉變成器件的熱能散發到空間,而EMI濾波器中的電感能夠濾去幹擾信號就是利用了磁性材料的這一特征。從另一個角度看,EMI濾波電感發熱是正常的,隻要不影響電路的正常工作就行了。圖2是濾波器電感在串聯等效電路中R與頻率關係曲線。相當於電感的插入損耗曲線。在低頻段即f〈f1時,電感在電路中阻抗R小得可以不計,電流風乎無損耗的流過。在此階段電感磁世間本身耗能很少,主要是線圈發熱為主(I2R)。
隻有大電流工作環境下才考慮這一部分能量轉換的熱量。如在大功率晶閘管調光燈電路中的抗幹擾電感,因為電流高達20A~50A,甚至更高,即使線繞電阻很小,但能量與電流的平方成正比,所以線圈的發熱量很大。這時隻有增加銅線的線徑(單股或多股),才可使線圈溫度大幅度下降。當頻率在f1~fc頻段時,由陰抗曲線可以看出等效電阻R隨頻率提高而逐漸增大。這說明電路電感儲能的功能隨頻率的升高而降低,損耗隨頻率而增加。在fc點附近等效電阻Rxunsuzengjia,congcixuedeguandiankan,cixingcailiaoxishouledianluzhongdegaopinnengliangzhuanbianchengcailiaoneibusunhao,rucichoubideyundongjiqiyinqideweiwoliuxiaoyingdengweiguansunhao。zaifc點附近不再具有貯能作用。而fc的高低與磁性材料性能有關。
一般來說鐵氧體材料fc高,金屬磁性材料fc;較低。但對同一種材料可改變製作工藝材料的成分,人為地調節fc的高低。當頻率超過fc以後阻抗開始下降,而到f2時雙出現小的峰值,這是在高頻下寄生電容Cw引起的諧振吸收。這個峰值的頻率高低與電感分布參數有關,與材料的性能關係不大。實際上EMI濾波電感的抗幹擾作用就是利用磁性材料這個特征。

- 抗幹擾濾波器特征
- 抗幹擾濾波器的應用
- EMI濾波器中電感材料的選擇
該法令指出凡不符合歐洲和國際EMC標準規定的產品一律不得進入市場銷售,違者重罰,同時把EMC認證和電氣安全認證作為一些產品認證的首要條件。此舉引起世界電子市場巨大的震動,EMC成為影響國際貿易一個重要的指標。為了與國際接軌,我國也相繼製定了有關EMC法規。為此我國多次召開電磁兼容標準與論證會,建議自1997年1月1日起在市場上流通的電子設備必須製定、設計對無線電幹擾的抑製措施,安置抑製元器件,使產生的電磁幹擾不超過標準規定的電平。於2001年1月1日起凡進入市場產品必須有EMC標誌。這是我國電子產品參與國際市場競爭的第一步。
抗幹擾濾波器特征
抗(kang)幹(gan)擾(rao)濾(lv)波(bo)器(qi)與(yu)通(tong)常(chang)的(de)信(xin)號(hao)濾(lv)波(bo)器(qi)之(zhi)間(jian)有(you)著(zhe)概(gai)念(nian)上(shang)的(de)區(qu)別(bie)。信(xin)號(hao)濾(lv)波(bo)器(qi)是(shi)在(zai)阻(zu)抗(kang)匹(pi)配(pei)的(de)條(tiao)件(jian)下(xia)工(gong)作(zuo),即(ji)通(tong)過(guo)濾(lv)波(bo)器(qi)要(yao)保(bao)持(chi)輸(shu)入(ru)與(yu)輸(shu)出(chu)信(xin)號(hao)振(zhen)幅(fu)不(bu)變(bian)為(wei)前(qian)提(ti),將(jiang)其(qi)中(zhong)部(bu)分(fen)頻(pin)域(yu)作(zuo)預(yu)期(qi)的(de)處(chu)理(li)和(he)變(bian)換(huan)。而(er)EMI濾波器用於抑製進入設備與出自設備的電磁幹擾,具有雙向抑製性。因此這就要求EMI濾lv波bo器qi的de端duan口kou處chu與yu設she備bei產chan生sheng最zui大da失shi配pei。這zhe樣yang才cai能neng使shi濾lv波bo器qi對dui電dian磁ci幹gan擾rao的de衰shuai減jian等deng於yu自zi身shen網wang絡luo的de衰shuai減jian再zai加jia上shang輸shu入ru和he輸shu出chu端duan口kou所suo產chan生sheng的de反fan射she,必bi須xu遵zun循xun如ru下xia規gui律lv,見jian表biao1。其中Rs為電網輸入阻抗,隨著電量大小而變化;RL是EMI濾波器的輸出阻抗,隨負載大小而變。

從電學角度來說隻有阻抗不匹配的條件下才能在濾波器內產生最大的吸收(或損耗),用EMC俗語稱之為“濾波器插入損耗”。EMI濾(lv)波(bo)器(qi)主(zhu)要(yao)是(shi)消(xiao)除(chu)或(huo)降(jiang)低(di)傳(chuan)導(dao)幹(gan)擾(rao)。實(shi)際(ji)上(shang)傳(chuan)導(dao)幹(gan)擾(rao)又(you)分(fen)為(wei)共(gong)模(mo)幹(gan)擾(rao)和(he)差(cha)模(mo)幹(gan)擾(rao),所(suo)謂(wei)共(gong)模(mo)幹(gan)擾(rao)是(shi)指(zhi)相(xiang)線(xian)與(yu)地(di)線(xian)之(zhi)間(jian)幹(gan)擾(rao)信(xin)號(hao)的(de)相(xiang)位(wei)相(xiang)同(tong)、電位相等,而差模幹擾是相線間幹擾信號相位差180°(電位相等)。因此濾波電路也分為抗共模和抗差模幹擾電路,參見圖1。

圖中LC1LC2,Cy1Cy2構成共模濾波電路,LC1LC2為共模濾波電感,而Ld1Ld2Cx1Cx2構成差模電路。共模電感Lc一般數值0.3mH~38mH,共模電容Cy,隻要控製在漏電電流於<1mA條件下,選擇較大數值為準。而差模電感Ld一般在幾十至幾百微亨,其電容應選耐壓大於1.4kV的陶瓷或聚酯電容。Ld1Ld2差模電感、電容值越大,低頻效果越好。市場上購買的EMIlvboqidadoushiduigongmoganraoshejide,duichamoyizhixiaoguohencha。shijishangkaiguandianyuanzhonggongmoyuchamoganraotongshicunzai,tebieduiyuyouyuangonglvyinshuxiaozhengdianluzhongchamoganraodeqiangduhenda。
對於開關電源,EMI濾波器對高頻的EMI信號抑製比低頻的EMI傳導消除容易得多。常常利用共模電感的差值形成的差模電感就能消除300kHz~30MHz傳導幹擾電平。設計和選用濾波器一定要根據電路的實際需要而定。首先測出傳導幹擾電平與所規定的EMC標準極限比較,一般0.01MHz~0.1MHz是差模幹擾起主導作用,0.1MHz~1MHz是差模與共模幹擾聯合作用,而1MHz~30MHz主zhu要yao是shi共gong模mo幹gan擾rao起qi作zuo用yong。根gen據ju實shi驗yan結jie果guo來lai判pan斷duan和he選xuan擇ze對dui超chao標biao信xin號hao有you抑yi製zhi作zuo用yong的de濾lv波bo器qi或huo器qi件jian。當dang然ran實shi際ji操cao作zuo相xiang當dang複fu雜za,要yao有you相xiang當dang高gao的de技ji術shu水shui平ping和he經jing驗yan。
[page]
EMI濾波器中電感材料的選擇
降低電子設備的電磁幹擾已成為電子產品是否有市場的關鍵問題。而軟磁材料已成為EMI濾波器中不可少的元件,並起著舉足輕重的作用。現在用軟磁材料製成的各種抑製EMI元(yuan)器(qi)件(jian)廣(guang)泛(fan)地(di)應(ying)用(yong)於(yu)各(ge)種(zhong)電(dian)子(zi)電(dian)路(lu)和(he)設(she)備(bei)之(zhi)中(zhong)。這(zhe)是(shi)因(yin)為(wei)軟(ruan)磁(ci)材(cai)料(liao)具(ju)有(you)它(ta)獨(du)特(te)的(de)性(xing)能(neng),致(zhi)使(shi)其(qi)在(zai)抗(kang)電(dian)磁(ci)幹(gan)擾(rao)領(ling)域(yu)發(fa)揮(hui)主(zhu)要(yao)作(zuo)用(yong)。然(ran)而(er),電(dian)子(zi)產(chan)品(pin)生(sheng)產(chan)廠(chang)家(jia)希(xi)望(wang)能(neng)得(de)到(dao)通(tong)用(yong)EMI濾波器對所有的電子設備都能把幹擾降低到標準以下,這是不現實的。EMI濾波器的設計要根據該電子設備的EMC標準,即需要衰減EMI信號的頻段範圍和超標電平高低來選擇,特別是其中的軟磁材料。
因為軟磁材料種類繁多,各有自己的電磁特征。除了基本磁參數如Bsμi損耗外,還要利用它們的電特性、電阻率、頻寬、阻zu抗kang等deng。根gen據ju所suo需xu衰shuai減jian幹gan擾rao信xin號hao範fan圍wei,確que定ding對dui應ying的de濾lv波bo電dian路lu,然ran後hou再zai精jing心xin挑tiao選xuan適shi合he於yu該gai頻pin段duan的de磁ci性xing材cai料liao,濾lv波bo電dian感gan才cai能neng達da到dao最zui經jing濟ji和he最zui佳jia效xiao果guo。想xiang用yong一yi種zhong材cai料liao滿man足zu各ge種zhong抗kang幹gan擾rao濾lv波bo器qi是shi不bu能neng達da到dao預yu期qi效xiao果guo的de,必bi需xu選xuan用yong適shi合he該gai頻pin段duan的de磁ci性xing材cai料liao。從cong材cai料liao的de觀guan點dian看kan,EMI濾(lv)波(bo)器(qi)的(de)作(zuo)用(yong)是(shi)阻(zu)隔(ge)不(bu)需(xu)要(yao)的(de)信(xin)號(hao)並(bing)以(yi)發(fa)熱(re)的(de)形(xing)式(shi)消(xiao)耗(hao)掉(diao),而(er)讓(rang)需(xu)要(yao)的(de)信(xin)號(hao)無(wu)衰(shuai)減(jian)或(huo)幾(ji)乎(hu)不(bu)衰(shuai)減(jian)地(di)通(tong)過(guo)。值(zhi)得(de)指(zhi)出(chu)的(de)是(shi)以(yi)發(fa)熱(re)形(xing)式(shi)所(suo)消(xiao)耗(hao)掉(diao)的(de)能(neng)量(liang)並(bing)不(bu)是(shi)指(zhi)線(xian)圈(quan)在(zai)電(dian)流(liu)作(zuo)用(yong)下(xia)的(de)焦(jiao)耳(er)熱(re)(即I2R)。故gu在zai繞rao製zhi線xian圈quan時shi一yi定ding要yao選xuan用yong足zu夠gou大da線xian徑jing的de銅tong線xian,盡jin量liang減jian少shao這zhe種zhong能neng量liang的de損sun耗hao。從cong電dian學xue觀guan點dian可ke把ba濾lv波bo器qi中zhong帶dai有you磁ci性xing材cai料liao的de電dian感gan在zai頻pin率lv較jiao低di時shi等deng效xiao為wei純chun電dian感ganL和純電阻R的串聯,其阻抗Z=R+jωL。對於平均直徑為D的圓環,根據安培定律和電磁感應定律可得到:
e=N1S•dB/dt
H=N1I/l
式中N1,I——為環形磁芯上激磁線圈匝數和電流;S——磁芯截麵積;l——平均磁路長度(πD)。
用相量表示為:

式中μ=μ′-jμ″
磁芯在低頻時可等效為:Z=R+jωL=E/Im
代入上式

於是可以得到:

通過上式把磁學參數與電學參數直接聯係起來。它表示磁性材料的磁性參數在電路中充當的角色。式(1)表述電路中的電感直接與磁材料的彈性磁導率μ′有關,表示器件的儲能大小與頻率無關的純電感性。而電路中電阻R與磁性材料複數磁導率的虛數部分μ″有關。式(2)則既與材料的渦流損耗、磁滯損耗及剩餘損耗等有關,並且與頻率也有關。反映在電學上就相當於等效電阻R。
最後都轉變成器件的熱能散發到空間,而EMI濾波器中的電感能夠濾去幹擾信號就是利用了磁性材料的這一特征。從另一個角度看,EMI濾波電感發熱是正常的,隻要不影響電路的正常工作就行了。圖2是濾波器電感在串聯等效電路中R與頻率關係曲線。相當於電感的插入損耗曲線。在低頻段即f〈f1時,電感在電路中阻抗R小得可以不計,電流風乎無損耗的流過。在此階段電感磁世間本身耗能很少,主要是線圈發熱為主(I2R)。
隻有大電流工作環境下才考慮這一部分能量轉換的熱量。如在大功率晶閘管調光燈電路中的抗幹擾電感,因為電流高達20A~50A,甚至更高,即使線繞電阻很小,但能量與電流的平方成正比,所以線圈的發熱量很大。這時隻有增加銅線的線徑(單股或多股),才可使線圈溫度大幅度下降。當頻率在f1~fc頻段時,由陰抗曲線可以看出等效電阻R隨頻率提高而逐漸增大。這說明電路電感儲能的功能隨頻率的升高而降低,損耗隨頻率而增加。在fc點附近等效電阻Rxunsuzengjia,congcixuedeguandiankan,cixingcailiaoxishouledianluzhongdegaopinnengliangzhuanbianchengcailiaoneibusunhao,rucichoubideyundongjiqiyinqideweiwoliuxiaoyingdengweiguansunhao。zaifc點附近不再具有貯能作用。而fc的高低與磁性材料性能有關。
一般來說鐵氧體材料fc高,金屬磁性材料fc;較低。但對同一種材料可改變製作工藝材料的成分,人為地調節fc的高低。當頻率超過fc以後阻抗開始下降,而到f2時雙出現小的峰值,這是在高頻下寄生電容Cw引起的諧振吸收。這個峰值的頻率高低與電感分布參數有關,與材料的性能關係不大。實際上EMI濾波電感的抗幹擾作用就是利用磁性材料這個特征。

特別推薦
- 噪聲中提取真值!瑞盟科技推出MSA2240電流檢測芯片賦能多元高端測量場景
- 10MHz高頻運行!氮矽科技發布集成驅動GaN芯片,助力電源能效再攀新高
- 失真度僅0.002%!力芯微推出超低內阻、超低失真4PST模擬開關
- 一“芯”雙電!聖邦微電子發布雙輸出電源芯片,簡化AFE與音頻設計
- 一機適配萬端:金升陽推出1200W可編程電源,賦能高端裝備製造
技術文章更多>>
- 貿澤EIT係列新一期,探索AI如何重塑日常科技與用戶體驗
- 算力爆發遇上電源革新,大聯大世平集團攜手晶豐明源線上研討會解鎖應用落地
- 創新不止,創芯不已:第六屆ICDIA創芯展8月南京盛大啟幕!
- AI時代,為什麼存儲基礎設施的可靠性決定數據中心的經濟效益
- 矽典微ONELAB開發係列:為毫米波算法開發者打造的全棧工具鏈
技術白皮書下載更多>>
- 車規與基於V2X的車輛協同主動避撞技術展望
- 數字隔離助力新能源汽車安全隔離的新挑戰
- 汽車模塊拋負載的解決方案
- 車用連接器的安全創新應用
- Melexis Actuators Business Unit
- Position / Current Sensors - Triaxis Hall
熱門搜索
微波功率管
微波開關
微波連接器
微波器件
微波三極管
微波振蕩器
微電機
微調電容
微動開關
微蜂窩
位置傳感器
溫度保險絲
溫度傳感器
溫控開關
溫控可控矽
聞泰
穩壓電源
穩壓二極管
穩壓管
無焊端子
無線充電
無線監控
無源濾波器
五金工具
物聯網
顯示模塊
顯微鏡結構
線圈
線繞電位器
線繞電阻



