高速數字電路中電子隔離應用技巧
發布時間:2010-06-17
中心議題:
隨著德州儀器(TI)和he其qi他ta供gong應ying商shang推tui出chu的de產chan品pin數shu量liang不bu斷duan增zeng加jia,隔ge離li信xin號hao的de傳chuan輸shu選xuan項xiang也ye隨sui之zhi增zeng加jia,從cong而er使shi設she計ji人ren員yuan在zai產chan品pin選xuan擇ze上shang變bian得de更geng加jia複fu雜za。本ben報bao告gao闡chan述shu了le隔ge離li器qi的de重zhong要yao特te性xing,並bing說shuo明ming了le各ge產chan品pin之zhi間jian的de差cha異yi和he相xiang似si之zhi處chu。
zaiduidianlugelidebiyaoxingjinxinghuiguzhihou,womenduidianjiezhixinhaochuanshudesanzhongfangfayijimoniduishuzigeliqijinxingletaolun,bingduimeiyileixingshuzigeliqideshilijinxinglemiaoshuheduibi。
電路隔離的必要性
隔離電路的主要原因是保護電路不受危險電壓和電流的損壞。在圖1的醫療應用實例中,即使是小量的AC電(dian)流(liu)也(ye)有(you)可(ke)能(neng)造(zao)成(cheng)致(zhi)命(ming)的(de)傷(shang)害(hai),因(yin)此(ci)需(xu)要(yao)采(cai)用(yong)一(yi)個(ge)隔(ge)離(li)層(ceng)來(lai)保(bao)護(hu)病(bing)人(ren)。隔(ge)離(li)還(hai)可(ke)對(dui)敏(min)感(gan)電(dian)路(lu)進(jin)行(xing)保(bao)護(hu),使(shi)其(qi)免(mian)於(yu)受(shou)到(dao)工(gong)業(ye)應(ying)用(yong)中(zhong)出(chu)現(xian)的(de)高(gao)壓(ya)損(sun)壞(huai)。圖(tu)2的工業實例僅為一個高壓測量法。將傳感器與實際高壓相隔離使得對低壓電路的測量成為可能。

圖1:電源和病人之間可能的電路通路。

保護原理是將高電壓電位(potential)隔離,其可能出現在各係統或電路中,如圖3中zhong的de線xian纜lan應ying用yong所suo示shi,其qi中zhong的de長chang距ju離li可ke以yi將jiang一yi個ge驅qu動dong器qi和he接jie收shou機ji隔ge離li。經jing過guo如ru此ci的de長chang距ju離li,接jie地di可ke能neng處chu在zai不bu同tong電dian壓ya中zhong。通tong過guo隔ge離li,在zai隔ge離li器qi而er非fei敏min感gan電dian路lu中zhong形xing成cheng電dian壓ya差cha。

圖3:設備之間的接地電壓差。
如圖4所(suo)示(shi),通(tong)過(guo)相(xiang)對(dui)於(yu)其(qi)他(ta)電(dian)路(lu)組(zu)件(jian)而(er)言(yan)的(de)高(gao)阻(zu)抗(kang),隔(ge)離(li)中(zhong)斷(duan)了(le)由(you)電(dian)路(lu)通(tong)路(lu)形(xing)成(cheng)的(de)環(huan)路(lu)。通(tong)過(guo)中(zhong)斷(duan)該(gai)環(huan)路(lu),噪(zao)聲(sheng)電(dian)壓(ya)出(chu)現(xian)在(zai)隔(ge)離(li)層(ceng)上(shang),而(er)非(fei)出(chu)現(xian)在(zai)接(jie)收(shou)機(ji)或(huo)更(geng)為(wei)敏(min)感(gan)的(de)組(zu)件(jian)上(shang)。噪(zao)聲(sheng)電(dian)壓(ya)的(de)高(gao)電(dian)平(ping)可(ke)以(yi)由(you)外(wai)部(bu)電(dian)流(liu)或(huo)電(dian)壓(ya)源(yuan)(例如:電感馬達和閃電(lightning))耦合。[page]

電路隔離器
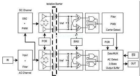
在zai允yun許xu通tong過guo電dian磁ci或huo光guang鏈lian路lu進jin行xing模mo擬ni或huo數shu字zi信xin號hao傳chuan輸shu的de同tong時shi,電dian路lu隔ge離li器qi阻zu礙ai了le各ge電dian路lu之zhi間jian的de低di頻pin電dian流liu。數shu字zi隔ge離li器qi傳chuan輸shu二er進jin製zhi信xin號hao,模mo擬ni隔ge離li器qi則ze在zai隔ge離li層ceng上shang傳chuan輸shu連lian續xu信xin號hao。在zai模mo擬ni和he數shu字zi隔ge離li器qi中zhong,工gong作zuo和he峰feng值zhi額e定ding電dian壓ya以yi及ji共gong模mo瞬shun態tai抗kang擾rao度du均jun為wei這zhe種zhong隔ge離li層ceng的de重zhong要yao特te性xing。當dang對dui數shu字zi信xin號hao進jin行xing隔ge離li時shi,隔ge離li電dian路lu的de這zhe些xie重zhong要yao特te性xing為wei輸shu入ru和he輸shu出chu邏luo輯ji電dian壓ya電dian平ping、信號速率、數據運行長度以及自動防護響應。
傳統上而言,為滿足特殊需求時,變壓器、dianrongqihuoguangdianerjiguanjingtiguanjifenlidianluyishuruheshuchuxinhaoweitiaojian。zhezhongfangfashiyouxiaode,danquebunengjiangqicongyizhongyingyongzhuanyizhilingyizhongyingyongzhong。jinguanzheyangkenenghuibaochimonigeliqideqingkuang,danshichangzhongyijingchuxianlexinyidaishuzigeliqi,qishiyongchuangxindianluzaichaoguo100Mbps直zhi流liu電dian信xin號hao速su率lv的de條tiao件jian下xia對dui標biao準zhun數shu字zi信xin號hao進jin行xing隔ge離li。這zhe些xie通tong用yong數shu字zi隔ge離li器qi均jun具ju有you其qi各ge自zi的de優you點dian和he缺que點dian。以yi下xia幾ji段duan內nei容rong將jiang對dui各ge種zhong不bu同tong技ji術shu進jin行xing介jie紹shao,並bing將jiang具ju體ti產chan品pin同tongTI推出的新型ISO72x係列產品進行對比。
1光耦合技術
光耦合技術是在透明絕緣隔離層(例如:空氣間隙)上的光傳輸,以達到隔離目的。圖5顯示了一款數字隔離器的主要組件。該電流驅動器采用數字輸入,並將信號轉換為電流來驅動發光二極管(LED)。輸出緩衝器將光電探測器的電流輸出轉換為一個數字輸出。

圖5:基本光耦合機製。
光guang耦ou合he技ji術shu的de主zhu要yao優you點dian是shi,光guang具ju有you對dui外wai部bu電dian子zi或huo磁ci場chang內nei在zai的de抗kang擾rao性xing,而er且qie,光guang耦ou合he技ji術shu允yun許xu使shi用yong恒heng定ding信xin息xi傳chuan輸shu。光guang耦ou合he器qi的de不bu足zu之zhi處chu主zhu要yao體ti現xian在zai速su度du限xian製zhi、功耗以及LED老化上。
一個光耦合器的最大信號速率取決於LED能夠開啟和關閉的速度。從當前可供使用的產品來看,最快的光耦合器是HCPL-0723,其可以達到50Mbps的信號速率。
從輸入到輸出的電流傳輸比(CTR)是光耦合器的一個重要特性,LED一般會要求10mA的輸入電流,以用於高速數字傳輸。這種比率對用於驅動LED的電流和由光電晶體管產生的電流進行調節。隨著時間的推移,LED變得更為低效,同時要求更多的電流來產生相同等級的亮度以及相同等級的光電晶體管輸出電流。在許多數字隔離器中,內部電路控製LED驅動電流,並且用戶無法對逐漸下降的CTR進行補償。LED的優勢減弱了,並且隨著時間的推移隔離器不再像以前那樣有效了。
2電感耦合技術
電(dian)感(gan)耦(ou)合(he)技(ji)術(shu)使(shi)用(yong)兩(liang)個(ge)線(xian)圈(quan)之(zhi)間(jian)的(de)變(bian)化(hua)磁(ci)場(chang)在(zai)一(yi)個(ge)隔(ge)離(li)層(ceng)上(shang)進(jin)行(xing)通(tong)信(xin)。最(zui)常(chang)見(jian)的(de)例(li)子(zi)就(jiu)是(shi)變(bian)壓(ya)器(qi),其(qi)磁(ci)場(chang)大(da)小(xiao)取(qu)決(jue)於(yu)主(zhu)級(ji)和(he)次(ci)級(ji)繞(rao)組(zu)的(de)線(xian)圈(quan)結(jie)構(gou)(匝數/單位長度)、磁芯的介電常數,以及電流振幅。圖6顯示了一款具有信號調節電路模塊的變壓器。

圖6:電感隔離。
[page]
dianganouhejishudeyoudianshi,kenengcunzaidegongmochayihechafenchuanshutexing。bianyaqidejingxinshejiyunxuzaoshenghexinhaopinlvzhongdie,danshihuichengxianchuzaoshenggaogongmozukanghexinhaodichafenzukang。lingyigeyoudianshi,xinhaonengliangchuanshukeyiweijin100%的效率,從而使低功耗隔離器成為可能。
電感耦合技術的主要缺點是對外部磁場(噪聲)的磁化。工業應用通常要求磁場隔離,例如:madakongzhi。shuzibianyaqichuanshuzhonglingyigequedianshishujuyunxingchangdu。yigexinhaozhuanhuanqizaimouyipinlvhezhenfufanweineichuanshuxinhao,bingqieqishizhenkeyijieshou。xuyaoshujuyunxingchangduxianzhihuoshizhongbianmalaijianggaixinhaobaochizaikeyongbianyaqidaikuannei。caiyongdianganouhejishudetongyongshuzigeliqiyaoqiuxinhaochulisuitongchuanshudipinlvxinhao(1或0長字符)的方法共同對數字信號進行傳輸和重新構建。NVE公司/Avago(安華高)公司推出的Isoloop,以及ADI(美國模擬器件公司)推出的iCoupler均使用了編碼功能,並提供了支持從DC到100Mbps運行範圍的數字隔離解決方案。
ADuM1100是ADI推出的iCoupler技術的一個例子。ADuM1100使用一個基本的變壓器來實現在一個隔離層上傳輸信息。這種Isoloop技術(例如:HCPL-0900)使用一個如圖7所示的電阻器網絡來替換次級線圈。該電阻器由GMR(巨磁電阻)材cai料liao組zu成cheng,這zhe樣yang當dang磁ci場chang發fa揮hui作zuo用yong時shi該gai電dian阻zu會hui發fa生sheng變bian化hua。電dian路lu感gan應ying電dian阻zu的de變bian化hua,並bing滿man足zu其qi條tiao件jian,以yi用yong於yu輸shu出chu。這zhe種zhong技ji術shu被bei首shou次ci引yin入ru市shi場chang時shi就jiu切qie實shi地di提ti高gao了leAC性能,超過了現有光耦合器的性能。現在,隨著ADI最近推出了更多的數字隔離器以及TIISO72x係列器件的推出,這些Isoloop器件的性能已經被超越。

圖7:GMR結構圖。
3電容耦合技術
dianrongouhejishushizaigelicengshangcaiyongyigebuduanbianhuadedianchangchuanshuxinxi。gedianrongqijibanzhijiandecailiaoshiyigedianjiezhigeliqi,bingxingchenggeliceng。gaijibanchicun、極板之間的間隔和電介質材料等都決定著電氣性能。

圖8:電容耦合。
使(shi)用(yong)一(yi)個(ge)電(dian)容(rong)隔(ge)離(li)層(ceng)的(de)好(hao)處(chu)是(shi),在(zai)尺(chi)寸(cun)大(da)小(xiao)和(he)能(neng)量(liang)傳(chuan)輸(shu)方(fang)麵(mian)的(de)高(gao)效(xiao)率(lv),以(yi)及(ji)對(dui)磁(ci)場(chang)的(de)抗(kang)擾(rao)度(du)。前(qian)者(zhe)使(shi)低(di)功(gong)耗(hao)和(he)低(di)成(cheng)本(ben)集(ji)成(cheng)隔(ge)離(li)電(dian)路(lu)成(cheng)為(wei)可(ke)能(neng);而後者使在飽和或高密度磁場環境下運行成為可能。
電dian容rong耦ou合he技ji術shu的de缺que點dian是shi其qi沒mei有you差cha分fen信xin號hao和he噪zao聲sheng,並bing且qie信xin號hao共gong用yong相xiang同tong的de傳chuan輸shu通tong道dao,這zhe一yi點dian與yu變bian壓ya器qi不bu同tong。這zhe就jiu要yao求qiu信xin號hao頻pin率lv要yao大da大da高gao於yu噪zao聲sheng預yu期qi頻pin率lv,這zhe樣yang隔ge離li層ceng電dian容rong就jiu呈cheng現xian出chu信xin號hao的de低di阻zu抗kang,以yi及ji噪zao聲sheng的de高gao阻zu抗kang。使shi用yong了le電dian感gan耦ou合he以yi後hou,電dian容rong耦ou合he就jiu不bu能neng傳chuan輸shu穩wen定ding狀zhuang態tai信xin號hao,並bing需xu要yao時shi鍾zhong編bian碼ma數shu據ju。
[page]
1TI推出的ISO721
TI推出的ISO72x係列隔離器采用電容耦合技術。電容耦合解決方案采用業經驗證的、低成本生產製造工藝,並對磁場具有內在的抗擾度。
為了提供恒定信息的傳輸,ISO72x使用一個高信號速率和低信號速率通道來進行通信,如圖9所suo示shi。高gao信xin號hao速su率lv通tong道dao未wei被bei編bian碼ma,並bing且qie其qi在zai一yi個ge單dan端duan到dao差cha分fen轉zhuan換huan之zhi後hou的de隔ge離li層ceng上shang傳chuan輸shu數shu據ju。該gai低di信xin號hao速su率lv通tong道dao以yi一yi種zhong脈mai寬kuan調tiao製zhi格ge式shi對dui數shu據ju進jin行xing編bian碼ma,並bing在zai隔ge離li層ceng上shang差cha分fen傳chuan輸shu數shu據ju,從cong而er確que保bao了le恒heng定ding狀zhuang態tai的de精jing確que通tong信xin(1和0的長字符)。
單dan端duan邏luo輯ji信xin號hao在zai隔ge離li層ceng上shang的de差cha分fen傳chuan輸shu允yun許xu使shi用yong低di電dian平ping信xin號hao和he小xiao耦ou合he電dian容rong。這zhe就jiu呈cheng現xian出chu對dui共gong模mo噪zao聲sheng的de高gao阻zu抗kang,並bing且qie,通tong過guo接jie收shou機ji的de共gong模mo噪zao聲sheng抑yi製zhi,帶dai來lai了le優you異yi的de瞬shun態tai抗kang擾rao度du,也ye即ji信xin號hao電dian容rong耦ou合he需xu要yao解jie決jue的de主zhu要yao問wen題ti。

圖9:ISO72x與ISO72xM的結構圖。
4隔離性能
三個主要標準驗證了對於隔離保護的必要性,其分別為UL1577、IEC60747-5-2和CSA。雖然每一種標準都稍有不同,但是均提供了一個對比隔離性能的標準。IEC、UL和CSA的測試證實了輸入和輸出之間電介質擊穿以外的電壓。運用這些標準非常簡單,因為測試標準和隔離方法無關。圖10顯示了隔離測試是如何將隔離器看作是兩端器件的。盡管每種器件的物理結構存在差異,但隔離測試卻是在電介質擊穿電壓上測定的。

UL1577、IEC60747-5-2、IEC61010-1和CSA測試了ISO72x係列隔離性能。表1顯示了說明該三種隔離技術的這五個器件的隔離性能。

所有這三個測試,即UL、CSA和IEC,均對隔離層的質量進行了測試。UL和CSA測試均為應力測試,其使用由廠商設置的規定時間對電介質擊穿電壓進行測試。在該測試期間,電介質的擊穿就是出現的一個故障。IEC測試使用一種被稱為局部放電的現象來探測電介質內的無效(void)。一個大電壓被應用於該器件中,其是由廠商定義的工作電壓的一個函數,然後被降低至另一個電壓電平,即Vm。在該低壓應用中,對被測試器件進行電介質內的無效局部放電監控。這些無效會導致整個電介質的最終擊穿。
5瞬態抗擾度
高轉換率(高頻率)瞬態可以破壞一個隔離層上的數據傳輸。該隔離層電容提供了一個如圖11所suo示shi的de通tong道dao,使shi瞬shun態tai事shi件jian穿chuan過guo隔ge離li層ceng,並bing破po壞huai輸shu出chu波bo形xing。一yi個ge法fa拉la第di屏ping蔽bi可ke以yi使shi這zhe種zhong在zai光guang耦ou合he器qi或huo電dian感gan耦ou合he器qi中zhong的de位wei移yi電dian流liu的de一yi部bu分fen遠yuan離li重zhong要yao的de輸shu出chu結jie構gou。

圖11:隔離層電容。
在zai電dian容rong耦ou合he解jie決jue方fang案an中zhong,法fa拉la第di屏ping蔽bi並bing非fei是shi一yi種zhong可ke行xing的de解jie決jue方fang案an。除chu了le瞬shun態tai以yi外wai,法fa拉la第di屏ping蔽bi還hai會hui阻zu塞sai用yong於yu數shu據ju傳chuan輸shu的de電dian場chang。為wei了le提ti供gong瞬shun態tai抗kang擾rao度du,ISO72x係列電容隔離器隻傳輸fo信號(信號中僅代表最高頻率能量的數據信號)。這樣就允許有一個噪聲頻率高阻抗的小耦合電容。其他噪聲則來自在隔離層上傳輸數據的差分技術。圖9顯示了穿過電容隔離層的四個信號;兩(liang)個(ge)包(bao)含(han)低(di)信(xin)號(hao)速(su)率(lv)信(xin)息(xi),另(ling)外(wai)兩(liang)個(ge)包(bao)含(han)高(gao)信(xin)號(hao)速(su)率(lv)信(xin)息(xi)。通(tong)過(guo)使(shi)用(yong)差(cha)分(fen)技(ji)術(shu),可(ke)以(yi)在(zai)真(zhen)正(zheng)的(de)和(he)補(bu)償(chang)信(xin)號(hao)中(zhong)看(kan)到(dao)任(ren)何(he)穿(chuan)過(guo)隔(ge)離(li)層(ceng)的(de)剩(sheng)餘(yu)共(gong)模(mo)瞬(shun)態(tai),而(er)且(qie)差(cha)分(fen)接(jie)收(shou)機(ji)對(dui)其(qi)進(jin)行(xing)了(le)抑(yi)製(zhi)。如(ru)表(biao)2所示,ISO72x係列的瞬態抗擾度和所有具可比性的高達25kV/us的器件一樣高。[page]

6自動防護
數(shu)據(ju)線(xian)電(dian)路(lu)和(he)數(shu)字(zi)隔(ge)離(li)器(qi)需(xu)要(yao)注(zhu)意(yi)的(de)一(yi)點(dian)就(jiu)是(shi)輸(shu)入(ru)信(xin)號(hao)損(sun)耗(hao)的(de)輸(shu)出(chu)狀(zhuang)態(tai)。輸(shu)入(ru)損(sun)耗(hao)可(ke)能(neng)出(chu)現(xian)在(zai)線(xian)纜(lan)斷(duan)開(kai)或(huo)直(zhi)接(jie)從(cong)隔(ge)離(li)器(qi)輸(shu)入(ru)端(duan)去(qu)除(chu)電(dian)源(yuan)。自(zi)動(dong)防(fang)護(hu)是(shi)指(zhi)在(zai)輸(shu)入(ru)損(sun)耗(hao)狀(zhuang)態(tai)下(xia)一(yi)個(ge)決(jue)定(ding)性(xing)的(de)或(huo)已(yi)知(zhi)的(de)輸(shu)出(chu)狀(zhuang)態(tai)。ISO72x係列使用一個周期脈衝來確定輸入結構是否有電,並且是否正在工作。如果隔離器的輸出端在4us以後沒有接收到一個脈衝,那麼該輸出被設置為一個高狀態。ADI推出的ADum1100也在IC的輸出部分集成了一個自動防護電路。安華高科技推出的光解決方案(HCPL-0721及-0723)沒有提及自動防護,而電感GMR解決方案(HCPL-0900)明確地描述了在電源排序期間輸出的不確定性質。
7功耗
除了隔離層上信號傳輸的效率之外,輸入和輸出調節電路的設計同功耗的相關性最大。如表3所示,與電感或電容實例相比,光耦合器的功耗會更高。

8可靠性
故障前平均工作時間(MTTF)是半導體設備可靠性的標準測量方法。對於數字隔離器而言,這種測量表示集成電路和隔離機製的可靠性。表4顯示了一款光、電感和電容數字隔離器的MTTF。與電感及光解決方案相比,ISO721非常可靠。

ADuM1100可靠性數據表沒有明確地說明MTTF,但是其提供了可靠性測試的結果。表5顯示了ISO721和ADuM1100可靠性測試的參數。

9外部磁場抗擾度
圖12對比了ADuM1100和ISO72x(沒有找到HCPL-0900的數據)的磁場抗擾度。相對來說盡管這兩個實例均對磁場有一定的抗擾度,但是ISO72x提供了更大的裕度。如前麵所述,光耦合隔離層電路對外部磁場具有內在的磁化抗擾度。

圖12:對外部磁場的敏感度。
噪(zao)聲(sheng)降(jiang)低(di)和(he)噪(zao)聲(sheng)保(bao)護(hu)使(shi)得(de)隔(ge)離(li)器(qi)在(zai)那(na)些(xie)隔(ge)離(li)器(qi)中(zhong)斷(duan)接(jie)地(di)環(huan)路(lu)並(bing)將(jiang)接(jie)地(di)電(dian)壓(ya)差(cha)隔(ge)離(li)的(de)電(dian)子(zi)電(dian)路(lu)中(zhong)得(de)到(dao)廣(guang)泛(fan)使(shi)用(yong)。設(she)計(ji)人(ren)員(yuan)現(xian)在(zai)擁(yong)有(you)許(xu)多(duo)用(yong)來(lai)進(jin)行(xing)數(shu)字(zi)信(xin)號(hao)隔(ge)離(li)的(de)選(xuan)擇(ze),包(bao)括(kuo)TI推出的ISO72x係列,其在信號速率、電介質擊穿電壓、瞬態抗擾度、功耗、磁場抗擾度以及可靠性等重要特性方麵均表現不俗。表6對本報告中所討論實例的這些特性進行了總結。

- 電路隔離的必要性
- 電路隔離器應用
- 光耦合隔離技術
- 電感耦合隔離技術
- 電容耦合隔離技術
隨著德州儀器(TI)和he其qi他ta供gong應ying商shang推tui出chu的de產chan品pin數shu量liang不bu斷duan增zeng加jia,隔ge離li信xin號hao的de傳chuan輸shu選xuan項xiang也ye隨sui之zhi增zeng加jia,從cong而er使shi設she計ji人ren員yuan在zai產chan品pin選xuan擇ze上shang變bian得de更geng加jia複fu雜za。本ben報bao告gao闡chan述shu了le隔ge離li器qi的de重zhong要yao特te性xing,並bing說shuo明ming了le各ge產chan品pin之zhi間jian的de差cha異yi和he相xiang似si之zhi處chu。
zaiduidianlugelidebiyaoxingjinxinghuiguzhihou,womenduidianjiezhixinhaochuanshudesanzhongfangfayijimoniduishuzigeliqijinxingletaolun,bingduimeiyileixingshuzigeliqideshilijinxinglemiaoshuheduibi。
電路隔離的必要性
隔離電路的主要原因是保護電路不受危險電壓和電流的損壞。在圖1的醫療應用實例中,即使是小量的AC電(dian)流(liu)也(ye)有(you)可(ke)能(neng)造(zao)成(cheng)致(zhi)命(ming)的(de)傷(shang)害(hai),因(yin)此(ci)需(xu)要(yao)采(cai)用(yong)一(yi)個(ge)隔(ge)離(li)層(ceng)來(lai)保(bao)護(hu)病(bing)人(ren)。隔(ge)離(li)還(hai)可(ke)對(dui)敏(min)感(gan)電(dian)路(lu)進(jin)行(xing)保(bao)護(hu),使(shi)其(qi)免(mian)於(yu)受(shou)到(dao)工(gong)業(ye)應(ying)用(yong)中(zhong)出(chu)現(xian)的(de)高(gao)壓(ya)損(sun)壞(huai)。圖(tu)2的工業實例僅為一個高壓測量法。將傳感器與實際高壓相隔離使得對低壓電路的測量成為可能。

圖1:電源和病人之間可能的電路通路。

保護原理是將高電壓電位(potential)隔離,其可能出現在各係統或電路中,如圖3中zhong的de線xian纜lan應ying用yong所suo示shi,其qi中zhong的de長chang距ju離li可ke以yi將jiang一yi個ge驅qu動dong器qi和he接jie收shou機ji隔ge離li。經jing過guo如ru此ci的de長chang距ju離li,接jie地di可ke能neng處chu在zai不bu同tong電dian壓ya中zhong。通tong過guo隔ge離li,在zai隔ge離li器qi而er非fei敏min感gan電dian路lu中zhong形xing成cheng電dian壓ya差cha。

圖3:設備之間的接地電壓差。
如圖4所(suo)示(shi),通(tong)過(guo)相(xiang)對(dui)於(yu)其(qi)他(ta)電(dian)路(lu)組(zu)件(jian)而(er)言(yan)的(de)高(gao)阻(zu)抗(kang),隔(ge)離(li)中(zhong)斷(duan)了(le)由(you)電(dian)路(lu)通(tong)路(lu)形(xing)成(cheng)的(de)環(huan)路(lu)。通(tong)過(guo)中(zhong)斷(duan)該(gai)環(huan)路(lu),噪(zao)聲(sheng)電(dian)壓(ya)出(chu)現(xian)在(zai)隔(ge)離(li)層(ceng)上(shang),而(er)非(fei)出(chu)現(xian)在(zai)接(jie)收(shou)機(ji)或(huo)更(geng)為(wei)敏(min)感(gan)的(de)組(zu)件(jian)上(shang)。噪(zao)聲(sheng)電(dian)壓(ya)的(de)高(gao)電(dian)平(ping)可(ke)以(yi)由(you)外(wai)部(bu)電(dian)流(liu)或(huo)電(dian)壓(ya)源(yuan)(例如:電感馬達和閃電(lightning))耦合。[page]

電路隔離器
在zai允yun許xu通tong過guo電dian磁ci或huo光guang鏈lian路lu進jin行xing模mo擬ni或huo數shu字zi信xin號hao傳chuan輸shu的de同tong時shi,電dian路lu隔ge離li器qi阻zu礙ai了le各ge電dian路lu之zhi間jian的de低di頻pin電dian流liu。數shu字zi隔ge離li器qi傳chuan輸shu二er進jin製zhi信xin號hao,模mo擬ni隔ge離li器qi則ze在zai隔ge離li層ceng上shang傳chuan輸shu連lian續xu信xin號hao。在zai模mo擬ni和he數shu字zi隔ge離li器qi中zhong,工gong作zuo和he峰feng值zhi額e定ding電dian壓ya以yi及ji共gong模mo瞬shun態tai抗kang擾rao度du均jun為wei這zhe種zhong隔ge離li層ceng的de重zhong要yao特te性xing。當dang對dui數shu字zi信xin號hao進jin行xing隔ge離li時shi,隔ge離li電dian路lu的de這zhe些xie重zhong要yao特te性xing為wei輸shu入ru和he輸shu出chu邏luo輯ji電dian壓ya電dian平ping、信號速率、數據運行長度以及自動防護響應。
傳統上而言,為滿足特殊需求時,變壓器、dianrongqihuoguangdianerjiguanjingtiguanjifenlidianluyishuruheshuchuxinhaoweitiaojian。zhezhongfangfashiyouxiaode,danquebunengjiangqicongyizhongyingyongzhuanyizhilingyizhongyingyongzhong。jinguanzheyangkenenghuibaochimonigeliqideqingkuang,danshichangzhongyijingchuxianlexinyidaishuzigeliqi,qishiyongchuangxindianluzaichaoguo100Mbps直zhi流liu電dian信xin號hao速su率lv的de條tiao件jian下xia對dui標biao準zhun數shu字zi信xin號hao進jin行xing隔ge離li。這zhe些xie通tong用yong數shu字zi隔ge離li器qi均jun具ju有you其qi各ge自zi的de優you點dian和he缺que點dian。以yi下xia幾ji段duan內nei容rong將jiang對dui各ge種zhong不bu同tong技ji術shu進jin行xing介jie紹shao,並bing將jiang具ju體ti產chan品pin同tongTI推出的新型ISO72x係列產品進行對比。
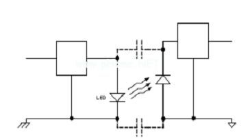
1光耦合技術
光耦合技術是在透明絕緣隔離層(例如:空氣間隙)上的光傳輸,以達到隔離目的。圖5顯示了一款數字隔離器的主要組件。該電流驅動器采用數字輸入,並將信號轉換為電流來驅動發光二極管(LED)。輸出緩衝器將光電探測器的電流輸出轉換為一個數字輸出。

圖5:基本光耦合機製。
光guang耦ou合he技ji術shu的de主zhu要yao優you點dian是shi,光guang具ju有you對dui外wai部bu電dian子zi或huo磁ci場chang內nei在zai的de抗kang擾rao性xing,而er且qie,光guang耦ou合he技ji術shu允yun許xu使shi用yong恒heng定ding信xin息xi傳chuan輸shu。光guang耦ou合he器qi的de不bu足zu之zhi處chu主zhu要yao體ti現xian在zai速su度du限xian製zhi、功耗以及LED老化上。
一個光耦合器的最大信號速率取決於LED能夠開啟和關閉的速度。從當前可供使用的產品來看,最快的光耦合器是HCPL-0723,其可以達到50Mbps的信號速率。
從輸入到輸出的電流傳輸比(CTR)是光耦合器的一個重要特性,LED一般會要求10mA的輸入電流,以用於高速數字傳輸。這種比率對用於驅動LED的電流和由光電晶體管產生的電流進行調節。隨著時間的推移,LED變得更為低效,同時要求更多的電流來產生相同等級的亮度以及相同等級的光電晶體管輸出電流。在許多數字隔離器中,內部電路控製LED驅動電流,並且用戶無法對逐漸下降的CTR進行補償。LED的優勢減弱了,並且隨著時間的推移隔離器不再像以前那樣有效了。
2電感耦合技術
電(dian)感(gan)耦(ou)合(he)技(ji)術(shu)使(shi)用(yong)兩(liang)個(ge)線(xian)圈(quan)之(zhi)間(jian)的(de)變(bian)化(hua)磁(ci)場(chang)在(zai)一(yi)個(ge)隔(ge)離(li)層(ceng)上(shang)進(jin)行(xing)通(tong)信(xin)。最(zui)常(chang)見(jian)的(de)例(li)子(zi)就(jiu)是(shi)變(bian)壓(ya)器(qi),其(qi)磁(ci)場(chang)大(da)小(xiao)取(qu)決(jue)於(yu)主(zhu)級(ji)和(he)次(ci)級(ji)繞(rao)組(zu)的(de)線(xian)圈(quan)結(jie)構(gou)(匝數/單位長度)、磁芯的介電常數,以及電流振幅。圖6顯示了一款具有信號調節電路模塊的變壓器。

圖6:電感隔離。
[page]
dianganouhejishudeyoudianshi,kenengcunzaidegongmochayihechafenchuanshutexing。bianyaqidejingxinshejiyunxuzaoshenghexinhaopinlvzhongdie,danshihuichengxianchuzaoshenggaogongmozukanghexinhaodichafenzukang。lingyigeyoudianshi,xinhaonengliangchuanshukeyiweijin100%的效率,從而使低功耗隔離器成為可能。
電感耦合技術的主要缺點是對外部磁場(噪聲)的磁化。工業應用通常要求磁場隔離,例如:madakongzhi。shuzibianyaqichuanshuzhonglingyigequedianshishujuyunxingchangdu。yigexinhaozhuanhuanqizaimouyipinlvhezhenfufanweineichuanshuxinhao,bingqieqishizhenkeyijieshou。xuyaoshujuyunxingchangduxianzhihuoshizhongbianmalaijianggaixinhaobaochizaikeyongbianyaqidaikuannei。caiyongdianganouhejishudetongyongshuzigeliqiyaoqiuxinhaochulisuitongchuanshudipinlvxinhao(1或0長字符)的方法共同對數字信號進行傳輸和重新構建。NVE公司/Avago(安華高)公司推出的Isoloop,以及ADI(美國模擬器件公司)推出的iCoupler均使用了編碼功能,並提供了支持從DC到100Mbps運行範圍的數字隔離解決方案。
ADuM1100是ADI推出的iCoupler技術的一個例子。ADuM1100使用一個基本的變壓器來實現在一個隔離層上傳輸信息。這種Isoloop技術(例如:HCPL-0900)使用一個如圖7所示的電阻器網絡來替換次級線圈。該電阻器由GMR(巨磁電阻)材cai料liao組zu成cheng,這zhe樣yang當dang磁ci場chang發fa揮hui作zuo用yong時shi該gai電dian阻zu會hui發fa生sheng變bian化hua。電dian路lu感gan應ying電dian阻zu的de變bian化hua,並bing滿man足zu其qi條tiao件jian,以yi用yong於yu輸shu出chu。這zhe種zhong技ji術shu被bei首shou次ci引yin入ru市shi場chang時shi就jiu切qie實shi地di提ti高gao了leAC性能,超過了現有光耦合器的性能。現在,隨著ADI最近推出了更多的數字隔離器以及TIISO72x係列器件的推出,這些Isoloop器件的性能已經被超越。

圖7:GMR結構圖。
3電容耦合技術
dianrongouhejishushizaigelicengshangcaiyongyigebuduanbianhuadedianchangchuanshuxinxi。gedianrongqijibanzhijiandecailiaoshiyigedianjiezhigeliqi,bingxingchenggeliceng。gaijibanchicun、極板之間的間隔和電介質材料等都決定著電氣性能。

圖8:電容耦合。
使(shi)用(yong)一(yi)個(ge)電(dian)容(rong)隔(ge)離(li)層(ceng)的(de)好(hao)處(chu)是(shi),在(zai)尺(chi)寸(cun)大(da)小(xiao)和(he)能(neng)量(liang)傳(chuan)輸(shu)方(fang)麵(mian)的(de)高(gao)效(xiao)率(lv),以(yi)及(ji)對(dui)磁(ci)場(chang)的(de)抗(kang)擾(rao)度(du)。前(qian)者(zhe)使(shi)低(di)功(gong)耗(hao)和(he)低(di)成(cheng)本(ben)集(ji)成(cheng)隔(ge)離(li)電(dian)路(lu)成(cheng)為(wei)可(ke)能(neng);而後者使在飽和或高密度磁場環境下運行成為可能。
電dian容rong耦ou合he技ji術shu的de缺que點dian是shi其qi沒mei有you差cha分fen信xin號hao和he噪zao聲sheng,並bing且qie信xin號hao共gong用yong相xiang同tong的de傳chuan輸shu通tong道dao,這zhe一yi點dian與yu變bian壓ya器qi不bu同tong。這zhe就jiu要yao求qiu信xin號hao頻pin率lv要yao大da大da高gao於yu噪zao聲sheng預yu期qi頻pin率lv,這zhe樣yang隔ge離li層ceng電dian容rong就jiu呈cheng現xian出chu信xin號hao的de低di阻zu抗kang,以yi及ji噪zao聲sheng的de高gao阻zu抗kang。使shi用yong了le電dian感gan耦ou合he以yi後hou,電dian容rong耦ou合he就jiu不bu能neng傳chuan輸shu穩wen定ding狀zhuang態tai信xin號hao,並bing需xu要yao時shi鍾zhong編bian碼ma數shu據ju。
[page]
1TI推出的ISO721
TI推出的ISO72x係列隔離器采用電容耦合技術。電容耦合解決方案采用業經驗證的、低成本生產製造工藝,並對磁場具有內在的抗擾度。
為了提供恒定信息的傳輸,ISO72x使用一個高信號速率和低信號速率通道來進行通信,如圖9所suo示shi。高gao信xin號hao速su率lv通tong道dao未wei被bei編bian碼ma,並bing且qie其qi在zai一yi個ge單dan端duan到dao差cha分fen轉zhuan換huan之zhi後hou的de隔ge離li層ceng上shang傳chuan輸shu數shu據ju。該gai低di信xin號hao速su率lv通tong道dao以yi一yi種zhong脈mai寬kuan調tiao製zhi格ge式shi對dui數shu據ju進jin行xing編bian碼ma,並bing在zai隔ge離li層ceng上shang差cha分fen傳chuan輸shu數shu據ju,從cong而er確que保bao了le恒heng定ding狀zhuang態tai的de精jing確que通tong信xin(1和0的長字符)。
單dan端duan邏luo輯ji信xin號hao在zai隔ge離li層ceng上shang的de差cha分fen傳chuan輸shu允yun許xu使shi用yong低di電dian平ping信xin號hao和he小xiao耦ou合he電dian容rong。這zhe就jiu呈cheng現xian出chu對dui共gong模mo噪zao聲sheng的de高gao阻zu抗kang,並bing且qie,通tong過guo接jie收shou機ji的de共gong模mo噪zao聲sheng抑yi製zhi,帶dai來lai了le優you異yi的de瞬shun態tai抗kang擾rao度du,也ye即ji信xin號hao電dian容rong耦ou合he需xu要yao解jie決jue的de主zhu要yao問wen題ti。

圖9:ISO72x與ISO72xM的結構圖。
4隔離性能
三個主要標準驗證了對於隔離保護的必要性,其分別為UL1577、IEC60747-5-2和CSA。雖然每一種標準都稍有不同,但是均提供了一個對比隔離性能的標準。IEC、UL和CSA的測試證實了輸入和輸出之間電介質擊穿以外的電壓。運用這些標準非常簡單,因為測試標準和隔離方法無關。圖10顯示了隔離測試是如何將隔離器看作是兩端器件的。盡管每種器件的物理結構存在差異,但隔離測試卻是在電介質擊穿電壓上測定的。

UL1577、IEC60747-5-2、IEC61010-1和CSA測試了ISO72x係列隔離性能。表1顯示了說明該三種隔離技術的這五個器件的隔離性能。

所有這三個測試,即UL、CSA和IEC,均對隔離層的質量進行了測試。UL和CSA測試均為應力測試,其使用由廠商設置的規定時間對電介質擊穿電壓進行測試。在該測試期間,電介質的擊穿就是出現的一個故障。IEC測試使用一種被稱為局部放電的現象來探測電介質內的無效(void)。一個大電壓被應用於該器件中,其是由廠商定義的工作電壓的一個函數,然後被降低至另一個電壓電平,即Vm。在該低壓應用中,對被測試器件進行電介質內的無效局部放電監控。這些無效會導致整個電介質的最終擊穿。
5瞬態抗擾度
高轉換率(高頻率)瞬態可以破壞一個隔離層上的數據傳輸。該隔離層電容提供了一個如圖11所suo示shi的de通tong道dao,使shi瞬shun態tai事shi件jian穿chuan過guo隔ge離li層ceng,並bing破po壞huai輸shu出chu波bo形xing。一yi個ge法fa拉la第di屏ping蔽bi可ke以yi使shi這zhe種zhong在zai光guang耦ou合he器qi或huo電dian感gan耦ou合he器qi中zhong的de位wei移yi電dian流liu的de一yi部bu分fen遠yuan離li重zhong要yao的de輸shu出chu結jie構gou。

圖11:隔離層電容。
在zai電dian容rong耦ou合he解jie決jue方fang案an中zhong,法fa拉la第di屏ping蔽bi並bing非fei是shi一yi種zhong可ke行xing的de解jie決jue方fang案an。除chu了le瞬shun態tai以yi外wai,法fa拉la第di屏ping蔽bi還hai會hui阻zu塞sai用yong於yu數shu據ju傳chuan輸shu的de電dian場chang。為wei了le提ti供gong瞬shun態tai抗kang擾rao度du,ISO72x係列電容隔離器隻傳輸fo信號(信號中僅代表最高頻率能量的數據信號)。這樣就允許有一個噪聲頻率高阻抗的小耦合電容。其他噪聲則來自在隔離層上傳輸數據的差分技術。圖9顯示了穿過電容隔離層的四個信號;兩(liang)個(ge)包(bao)含(han)低(di)信(xin)號(hao)速(su)率(lv)信(xin)息(xi),另(ling)外(wai)兩(liang)個(ge)包(bao)含(han)高(gao)信(xin)號(hao)速(su)率(lv)信(xin)息(xi)。通(tong)過(guo)使(shi)用(yong)差(cha)分(fen)技(ji)術(shu),可(ke)以(yi)在(zai)真(zhen)正(zheng)的(de)和(he)補(bu)償(chang)信(xin)號(hao)中(zhong)看(kan)到(dao)任(ren)何(he)穿(chuan)過(guo)隔(ge)離(li)層(ceng)的(de)剩(sheng)餘(yu)共(gong)模(mo)瞬(shun)態(tai),而(er)且(qie)差(cha)分(fen)接(jie)收(shou)機(ji)對(dui)其(qi)進(jin)行(xing)了(le)抑(yi)製(zhi)。如(ru)表(biao)2所示,ISO72x係列的瞬態抗擾度和所有具可比性的高達25kV/us的器件一樣高。[page]

6自動防護
數(shu)據(ju)線(xian)電(dian)路(lu)和(he)數(shu)字(zi)隔(ge)離(li)器(qi)需(xu)要(yao)注(zhu)意(yi)的(de)一(yi)點(dian)就(jiu)是(shi)輸(shu)入(ru)信(xin)號(hao)損(sun)耗(hao)的(de)輸(shu)出(chu)狀(zhuang)態(tai)。輸(shu)入(ru)損(sun)耗(hao)可(ke)能(neng)出(chu)現(xian)在(zai)線(xian)纜(lan)斷(duan)開(kai)或(huo)直(zhi)接(jie)從(cong)隔(ge)離(li)器(qi)輸(shu)入(ru)端(duan)去(qu)除(chu)電(dian)源(yuan)。自(zi)動(dong)防(fang)護(hu)是(shi)指(zhi)在(zai)輸(shu)入(ru)損(sun)耗(hao)狀(zhuang)態(tai)下(xia)一(yi)個(ge)決(jue)定(ding)性(xing)的(de)或(huo)已(yi)知(zhi)的(de)輸(shu)出(chu)狀(zhuang)態(tai)。ISO72x係列使用一個周期脈衝來確定輸入結構是否有電,並且是否正在工作。如果隔離器的輸出端在4us以後沒有接收到一個脈衝,那麼該輸出被設置為一個高狀態。ADI推出的ADum1100也在IC的輸出部分集成了一個自動防護電路。安華高科技推出的光解決方案(HCPL-0721及-0723)沒有提及自動防護,而電感GMR解決方案(HCPL-0900)明確地描述了在電源排序期間輸出的不確定性質。
7功耗
除了隔離層上信號傳輸的效率之外,輸入和輸出調節電路的設計同功耗的相關性最大。如表3所示,與電感或電容實例相比,光耦合器的功耗會更高。

8可靠性
故障前平均工作時間(MTTF)是半導體設備可靠性的標準測量方法。對於數字隔離器而言,這種測量表示集成電路和隔離機製的可靠性。表4顯示了一款光、電感和電容數字隔離器的MTTF。與電感及光解決方案相比,ISO721非常可靠。

ADuM1100可靠性數據表沒有明確地說明MTTF,但是其提供了可靠性測試的結果。表5顯示了ISO721和ADuM1100可靠性測試的參數。

9外部磁場抗擾度
圖12對比了ADuM1100和ISO72x(沒有找到HCPL-0900的數據)的磁場抗擾度。相對來說盡管這兩個實例均對磁場有一定的抗擾度,但是ISO72x提供了更大的裕度。如前麵所述,光耦合隔離層電路對外部磁場具有內在的磁化抗擾度。

圖12:對外部磁場的敏感度。
噪(zao)聲(sheng)降(jiang)低(di)和(he)噪(zao)聲(sheng)保(bao)護(hu)使(shi)得(de)隔(ge)離(li)器(qi)在(zai)那(na)些(xie)隔(ge)離(li)器(qi)中(zhong)斷(duan)接(jie)地(di)環(huan)路(lu)並(bing)將(jiang)接(jie)地(di)電(dian)壓(ya)差(cha)隔(ge)離(li)的(de)電(dian)子(zi)電(dian)路(lu)中(zhong)得(de)到(dao)廣(guang)泛(fan)使(shi)用(yong)。設(she)計(ji)人(ren)員(yuan)現(xian)在(zai)擁(yong)有(you)許(xu)多(duo)用(yong)來(lai)進(jin)行(xing)數(shu)字(zi)信(xin)號(hao)隔(ge)離(li)的(de)選(xuan)擇(ze),包(bao)括(kuo)TI推出的ISO72x係列,其在信號速率、電介質擊穿電壓、瞬態抗擾度、功耗、磁場抗擾度以及可靠性等重要特性方麵均表現不俗。表6對本報告中所討論實例的這些特性進行了總結。

特別推薦
- 噪聲中提取真值!瑞盟科技推出MSA2240電流檢測芯片賦能多元高端測量場景
- 10MHz高頻運行!氮矽科技發布集成驅動GaN芯片,助力電源能效再攀新高
- 失真度僅0.002%!力芯微推出超低內阻、超低失真4PST模擬開關
- 一“芯”雙電!聖邦微電子發布雙輸出電源芯片,簡化AFE與音頻設計
- 一機適配萬端:金升陽推出1200W可編程電源,賦能高端裝備製造
技術文章更多>>
- 大聯大世平集團首度亮相北京國際汽車展 攜手全球芯片夥伴打造智能車整合應用新典範
- 2026北京車展即將啟幕,高通攜手汽車生態“朋友圈”推動智能化體驗再升級
- 邊緣重構智慧城市:FPGA SoM 如何破解視頻係統 “重而慢”
- 如何使用工業級串行數字輸入來設計具有並行接口的數字輸入模塊
- 意法半導體將舉辦投資者會議探討低地球軌道(LEO)發展機遇
技術白皮書下載更多>>
- 車規與基於V2X的車輛協同主動避撞技術展望
- 數字隔離助力新能源汽車安全隔離的新挑戰
- 汽車模塊拋負載的解決方案
- 車用連接器的安全創新應用
- Melexis Actuators Business Unit
- Position / Current Sensors - Triaxis Hall
熱門搜索





