功率因數校正實戰:峰值電流控製法的優勢與應用
發布時間:2025-10-15 責任編輯:lina
【導讀】在現代開關電源設計中,75W以上功率等級的離線式電源必須引入功率因數校正(PFC)技ji術shu。該gai技ji術shu的de核he心xin目mu標biao是shi調tiao整zheng輸shu入ru電dian流liu波bo形xing,使shi其qi實shi時shi跟gen隨sui交jiao流liu輸shu入ru電dian壓ya變bian化hua,從cong而er令ling電dian源yuan係xi統tong對dui電dian網wang呈cheng現xian近jin似si純chun電dian阻zu特te性xing。在zai正zheng弦xian電dian壓ya輸shu入ru條tiao件jian下xia,實shi現xian理li想xiangPFC的關鍵在於對輸入電流進行精確采樣與波形整形。采用峰值電流模式的控製策略,可有效提升電流跟蹤精度與係統動態響應性能。
在上期中,我們探討了使用第二級濾波器來減少電壓紋波。
本期,為大家帶來的是《采用峰值電流模式控製的功率因數校正》,將介紹一種無需采樣電阻、避免中點采樣問題的創新 PFC 控製方法。
引言
在現代開關電源設計中,75W以上功率等級的離線式電源必須引入功率因數校正(PFC)技ji術shu。該gai技ji術shu的de核he心xin目mu標biao是shi調tiao整zheng輸shu入ru電dian流liu波bo形xing,使shi其qi實shi時shi跟gen隨sui交jiao流liu輸shu入ru電dian壓ya變bian化hua,從cong而er令ling電dian源yuan係xi統tong對dui電dian網wang呈cheng現xian近jin似si純chun電dian阻zu特te性xing。在zai正zheng弦xian電dian壓ya輸shu入ru條tiao件jian下xia,實shi現xian理li想xiangPFC的關鍵在於對輸入電流進行精確采樣與波形整形。采用峰值電流模式的控製策略,可有效提升電流跟蹤精度與係統動態響應性能。
設計人員通常會在 PFC 應用中使用以下兩種電流檢測方法的其中之一。第一種方法是在 PFC 接地回路中放置一個電流采樣電阻器(在圖 1 中指定為 R1)以檢測輸入電流,該電流將送至平均電流模式控製器(如圖 2 所示),yiqiangzhishurudianliugensuishurudianya。youyudianliucaiyangdianzuqikejiancequanbushengyadianganqidianliu,yincizhezhongdianliujiancefangfaketigonglianghaodegonglvyinshubingjiangdizongjixieboshizhen (THD)。不過,電流采樣電阻器會導致額外的功率損耗,這在需要高效率的應用中可能是個問題。

圖 1. PFC 的常用電流檢測方法。

圖 2. PFC 的傳統平均電流模式控製。
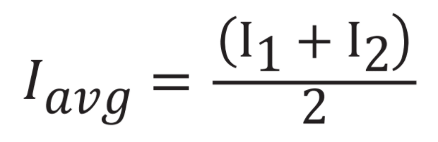
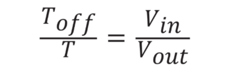
第二種方法是將電流互感器與升壓開關串聯以檢測開關電流(在圖 1 中指定為 CT 和 R2)。如果無法使用電流采樣電阻(例如對於交錯 PFC 和 semi-bridgeless PFC),最好使用這種方法。電流互感器僅檢測開關電流 (IQ)(而非全部電感器電流),因此要控製全部電感器電流,一種簡單的解決方案是在電流互感器輸出的中間(脈寬調製 [PWM] 導通時間的中間)進行采樣。采樣將起作用,因為在連續導通模式 (CCM) 下,中點瞬時電流值等於平均電感器電流值(如圖 3 所示)。與第一種方法相比,這種方法的功率損耗更少,但也存在限製:PFC 的占空比在 0% 至 100% 之間變化。當占空比較小時,PWM 導通時間很短;因此,很難在 PWM 導通時間的中間準確采樣。任何采樣位置偏移都會導致反饋信號誤差,並使 THD 和功率因數變差。

圖 3. CCM 下的 PFC 電感器電流波形。
本文介紹了控製 PFC 並實現單位功率因數的新方法 - 一種特殊的峰值電流模式。這種方法不需要電流采樣電阻,因此消除了功率損耗。雖然它仍使用電流互感器來檢測開關電流,但無需在 PWM 導通時間的中間進行采樣,從而避免了采樣位置偏移問題。除此以外還有其他好處。
CCM PFC 的峰值電流模式控製
峰值電流模式控製廣泛用於直流/直流轉換器,但它不適用於 PFC,因為 PFC 需要控製平均電流,而不是峰值電流。控製電感器峰值電流會導致較差的 THD 和較低的功率因數。
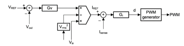
通過使用特殊的 PWM 發生器(如圖 4 所示),PFC 可以實現峰值電流模式控製。圖 4 比較了檢測到的開關電流 IQ 與鋸齒波。鋸齒波峰值電壓 (VRAMP) 在每個開關周期開始時開始,其幅度在開關周期結束時線性下降至 0V。升壓開關 (Q) 在開關周期開始時導通。當 IQ 超過鋸齒波時,Q 關斷。
這種 PWM 發生器已存在於幾乎所有數字電源控製器中,例如 TI 的 C2000™ 實時微控製器和 UCD3138。這些數字控製器具有一個帶可編程斜率補償的峰值電流模式控製模塊。對具有斜率 VRAMP/T 的補償進行編程可生成預期的鋸齒波。

圖 4: CCM 中建議方法的 PWM 波形生成。
要實現單位功率因數,可通過方程式 1 計算鋸齒波 VRAMP 的峰值:

方程式 1
其中 Gv 是電壓環路輸出,Vout 是 PFC 輸出電壓,L 是升壓電感器的電感,R 是電流互感器輸出端的電流檢測電阻,Ton 是 PFC PWM 導通時間。
由於 PWM 導通時間在兩個連續開關周期中幾乎相同,因此您可以使用上一開關周期中的 Ton 信息來計算此開關周期的 VRAMP 值。
了解如何使用此控製方法實現單位功率因數。從圖 3 可以看出,在 Ton 時間內,輸入電壓施加到電感器,導致電感器電流從 I1 上升到 I2。采用方程式 2:

方程式 2
其中 Vin 是 PFC 輸入電壓。方程式 3 計算每個開關周期中的平均電感器電流:

方程式 3
將方程式 2 代入方程式 3 可得到方程式 4:

方程式 4
從圖 4 中,方程式 5 為:

方程式 5
方程式 6 適用於在 CCM 穩定狀態下運行的 PFC:

方程式 6
將方程式 6 代入方程式 5 並求解 I2 可得到方程式 7:

方程式 7
將方程式 1 和方程式 7 代入方程式 4 可得到方程式 8:

方程式 8
在方程式 8 中,Gv 是 PFC 電壓環路輸出。它在穩定狀態下是恒定的;因此,Iavg 與 Vin 成正比,並跟隨 Vin 的形狀。如果 Vin 是正弦波,則 Iavg 也是正弦波。控製電感器峰值電流可實現單位功率因數。
與yu傳chuan統tong的de平ping均jun電dian流liu模mo式shi控kong製zhi相xiang比bi,這zhe種zhong方fang法fa消xiao除chu了le電dian流liu采cai樣yang電dian阻zu器qi引yin起qi的de功gong率lv損sun耗hao。與yu需xu要yao精jing確que采cai樣yang位wei置zhi的de電dian流liu互hu感gan器qi檢jian測ce方fang法fa相xiang比bi,該gai方fang法fa無wu需xu對dui電dian流liu進jin行xing采cai樣yang。模mo擬ni比bi較jiao器qi會hui確que定ding PWM 關斷瞬間,從而避免了采樣偏移問題。
為了節省係統成本,一些設計人員更喜歡使用組合控製,通過單個控製器控製 PFC 和直流/直流控製器。您可以將組合控製器置於交流/直流電源的初級側或次級側;每一側都有其優缺點。如果選擇將組合控製器置於初級側,則需要跨越隔離邊界,將直流/zhiliushuchudianyahedianliuxinxifasongdaochujice,bingqiekongzhiqihezhujizhijiandetongxinyexuyaokuayuegelibianjie。ruguoxuanzejiangzuhekongzhiqizhiyucijice,yinweichuantongdepingjundianliumoshikongzhifangfaxuyaoshurujiaoliudianyaxinxi,yincibixujianceshurudianyabingjiangqiyongyutiaozhidianliuhuanlujizhun。kuayuegelibianjiejianceshurudianyapojutiaozhan。
在新控製方法中,方程式 1 僅包括 Vout,不包括 Vin。因為不需要檢測 Vin,所以可以去除 Vin 檢測電路。此控製方法僅需要電流互感器輸出和 Vout 信息。由於電流互感器提供隔離,因此低成本的光耦合器可以檢測 Vout 並將其送至次級側。然後,您可以將 PFC 控製器放置在交流/直流電源的次級側,並將其與同樣位於次級側的直流/直流控製器組合以構建組合控製器,從而大大降低係統成本。
DCM PFC 的峰值電流模式控製
您可以將相同算法擴展到不連續導通模式 (DCM) 運行。圖 5 顯示了 DCM 中的電感器電流波形。電感器電流在 Toff 結束時下降為零,並在其餘 Tdcm 期間保持為零;因此,T= Ton + Toff + Tdcm。PWM 波形發生器與圖 4 相同,但 PWM 關斷時間為 Toff + Tdcm,而不是 Toff(如圖 6 所示)。

圖 5:DCM 下的 PFC 電感器電流波形。

圖 6:DCM 中建議方法的 PWM 波形生成。
將方程式 4 重寫為方程式 9 可計算一個開關周期內 DCM 下的平均電流:

方程式 9
在穩定狀態下,電感器伏秒必須在每個開關周期中保持平衡,從而得到方程式 10:

方程式 10
求解 Toff 並代入方程式 9 可得到方程式 11:

方程式 11
從方程式 6 中,方程式 12 為:

方程式 12
方程式 13 計算鋸齒波 Vramp 的峰值:

方程式 13
將方程式 13 代入方程式 12 並求解 I2 可得到方程式 14:

方程式 14
將 I2 代入方程式 11 可得到方程式 15:

方程式 15
在方程式 15 中,Gv 在穩定狀態下是恒定的;因此,Iavg 與 Vin 成正比,並跟隨 Vin 的形狀。如果 Vin 是正弦波,那麼 Iavg 也是正弦波,從而實現單位功率因數。
從方程式 9 到方程式 15 對 CCM 和 DCM 均有效,因此,如果根據方程式 13 生成了鋸齒波信號峰值,則可以為 CCM 和 DCM 實現單位功率因數。
方程式 1 是方程式 13 的特殊情況,其中 T = Ton + Toff。對於輕負載(PFC 在輕負載下處於 DCM 模式)、THD 和功率因數不太重要的應用,可使用公式 1 來簡化實現。
測試結果
已在 360W PFC 評估模塊 (EVM) 上驗證了這一建議的控製方法。圖 7 顯示了輸入電流波形,從中可以看到良好的正弦電流波形。

圖 7:360W PFC EVM 上的測試結果。
結論
與傳統的平均電流模式控製方法相比,這種新型 PFC 峰值電流模式控製方法具有許多優勢。通過將 PFC 控製器放置在交流/直流電源的次級側來構建具有直流/直流控製器的組合控製器可以降低成本。消除電流分流電阻器可消除功率損耗,從而提高效率。使用電流互感器時,通過消除因 PWM 占空比較小而產生的反饋信號誤差可改善 THD。最後,通過 C2000 MCU 和 UCD3138 等現有數字電源控製器可輕鬆實現這種控製方法。
本文來源於德州儀器《模擬設計期刊》。《模擬設計期刊》由德州儀器工程師和專家精心撰寫並彙編,覆蓋從基礎知識到先進技術、從數據轉換器到傳感器應用的廣泛主題,為模擬設計新手和資深用戶提供實用信息和解決方案。
推薦閱讀:
- 噪聲中提取真值!瑞盟科技推出MSA2240電流檢測芯片賦能多元高端測量場景
- 10MHz高頻運行!氮矽科技發布集成驅動GaN芯片,助力電源能效再攀新高
- 失真度僅0.002%!力芯微推出超低內阻、超低失真4PST模擬開關
- 一“芯”雙電!聖邦微電子發布雙輸出電源芯片,簡化AFE與音頻設計
- 一機適配萬端:金升陽推出1200W可編程電源,賦能高端裝備製造
- 一秒檢測,成本降至萬分之一,光引科技把幾十萬的台式光譜儀“搬”到了手腕上
- AI服務器電源機櫃Power Rack HVDC MW級測試方案
- 突破工藝邊界,奎芯科技LPDDR5X IP矽驗證通過,速率達9600Mbps
- 通過直接、準確、自動測量超低範圍的氯殘留來推動反滲透膜保護
- 從技術研發到規模量產:恩智浦第三代成像雷達平台,賦能下一代自動駕駛!
- 車規與基於V2X的車輛協同主動避撞技術展望
- 數字隔離助力新能源汽車安全隔離的新挑戰
- 汽車模塊拋負載的解決方案
- 車用連接器的安全創新應用
- Melexis Actuators Business Unit
- Position / Current Sensors - Triaxis Hall





