如何利用碳化矽打造下一代固態斷路器
發布時間:2024-03-05 來源:安森美 責任編輯:lina
【導讀】如今,碳化矽 (SiC) 器件在電動汽車 (EV) 和太陽能光伏 (PV) 應用中帶來的性能優勢已經得到了廣泛認可。不過,SiC 的de材cai料liao優you勢shi還hai可ke能neng用yong在zai其qi他ta應ying用yong中zhong,其qi中zhong包bao括kuo電dian路lu保bao護hu領ling域yu。本ben文wen將jiang回hui顧gu該gai領ling域yu的de發fa展zhan,同tong時shi比bi較jiao機ji械xie保bao護hu和he使shi用yong不bu同tong半ban導dao體ti器qi件jian實shi現xian的de固gu態tai斷duan路lu器qi (SSCB) 的優缺點。最後,本文還將討論為什麼 SiC 固態斷路器日益受到人們青睞。
如今,碳化矽 (SiC) 器件在電動汽車 (EV) 和太陽能光伏 (PV) 應用中帶來的性能優勢已經得到了廣泛認可。不過,SiC 的de材cai料liao優you勢shi還hai可ke能neng用yong在zai其qi他ta應ying用yong中zhong,其qi中zhong包bao括kuo電dian路lu保bao護hu領ling域yu。本ben文wen將jiang回hui顧gu該gai領ling域yu的de發fa展zhan,同tong時shi比bi較jiao機ji械xie保bao護hu和he使shi用yong不bu同tong半ban導dao體ti器qi件jian實shi現xian的de固gu態tai斷duan路lu器qi (SSCB) 的優缺點。最後,本文還將討論為什麼 SiC 固態斷路器日益受到人們青睞。
保護電力基礎設施和設備
輸(shu)配(pei)電(dian)係(xi)統(tong)以(yi)及(ji)靈(ling)敏(min)設(she)備(bei)都(dou)需(xu)要(yao)妥(tuo)善(shan)的(de)保(bao)護(hu),以(yi)防(fang)因(yin)為(wei)長(chang)時(shi)間(jian)過(guo)載(zai)和(he)瞬(shun)態(tai)短(duan)路(lu)情(qing)況(kuang)而(er)受(shou)到(dao)損(sun)壞(huai)。隨(sui)著(zhe)電(dian)力(li)係(xi)統(tong)和(he)電(dian)動(dong)汽(qi)車(che)使(shi)用(yong)的(de)電(dian)壓(ya)越(yue)來(lai)越(yue)高(gao),可(ke)能(neng)的(de)最(zui)大(da)故(gu)障(zhang)電(dian)流(liu)也(ye)比(bi)以(yi)往(wang)任(ren)何(he)時(shi)候(hou)都(dou)更(geng)高(gao)。為(wei)了(le)針(zhen)對(dui)這(zhe)些(xie)高(gao)電(dian)流(liu)故(gu)障(zhang)提(ti)供(gong)保(bao)護(hu),我(wo)們(men)需(xu)要(yao)超(chao)快(kuai)速(su)交(jiao)流(liu)和(he)直(zhi)流(liu)斷(duan)路(lu)器(qi)。過(guo)去(qu),機(ji)械(xie)斷(duan)路(lu)器(qi)一(yi)直(zhi)是(shi)此(ci)類(lei)應(ying)用(yong)的(de)主(zhu)要(yao)選(xuan)擇(ze),然(ran)而(er)隨(sui)著(zhe)工(gong)作(zuo)要(yao)求(qiu)越(yue)來(lai)越(yue)嚴(yan)苛(ke),固(gu)態(tai)斷(duan)路(lu)器(qi)越(yue)來(lai)越(yue)受(shou)到(dao)歡(huan)迎(ying)。相(xiang)較(jiao)於(yu)機(ji)械(xie)斷(duan)路(lu)器(qi),固(gu)態(tai)斷(duan)路(lu)器(qi)具(ju)有(you)許(xu)多(duo)優(you)勢(shi):
·穩健性和可靠性:機ji械xie斷duan路lu器qi內nei含han活huo動dong部bu件jian,因yin此ci相xiang對dui易yi於yu受shou損sun。這zhe意yi味wei著zhe它ta們men容rong易yi損sun壞huai或huo因yin為wei運yun動dong而er意yi外wai自zi動dong斷duan開kai,並bing且qie在zai使shi用yong期qi間jian,每mei次ci複fu位wei都dou會hui出chu現xian磨mo損sun。相xiang比bi之zhi下xia,固gu態tai斷duan路lu器qi不bu含han活huo動dong部bu件jian,因yin此ci更geng加jia穩wen健jian可ke靠kao,也ye不bu太tai容rong易yi出chu現xian意yi外wai損sun壞huai,因yin此ci能neng夠gou反fan複fu進jin行xing數shu千qian次ci斷duan開kai/閉合操作。
·溫度靈活性:機ji械xie斷duan路lu器qi的de工gong作zuo溫wen度du取qu決jue於yu其qi製zhi造zao材cai料liao,因yin此ci在zai工gong作zuo溫wen度du方fang麵mian存cun在zai一yi定ding的de限xian製zhi。相xiang比bi之zhi下xia,固gu態tai斷duan路lu器qi的de工gong作zuo溫wen度du更geng高gao並bing且qie可ke以yi調tiao節jie,因yin此ci它ta能neng夠gou更geng加jia靈ling活huo地di適shi應ying不bu同tong的de工gong作zuo環huan境jing。
·遠程配置:jixieduanluqizaitiaozhahouxuyaorengongshoudongfuwei,zhekenengfeichanghaoshiqiechengbengaoang,tebieshizaiduogeanzhuangdianjinxingdaguimobushudeqingkuangxia,lingwaiyekenengcunzaianquanyinhuan。ergutaiduanluqizekeyitongguoyouxianhuowuxianlianjiejinxingyuanchengfuwei。
·開關速度更快且不會產生電弧:jixieduanluqizaikaiguanshikenenghuichanshengjiaodadedianhuhedianyabodong,zuyisunhuaifuzaishebei。gutaiduanluqicaiyongruanqidongfangfa,keyibaohudianlubushouzhexieganyingdianyajianfenghedianronglangyongdianliudeyingxiang,erqiekaiguansuduyaokuaideduo,zaifashengguzhangshizhixujihaomiaojikeqieduandianlu。
·靈活的電流額定值:固態斷路器具有可編程的電流額定值,而機械斷路器則具有固定的電流額定值。
·尺寸更小、重量更輕:相較於機械斷路器,固態斷路器重量更輕、體積更小。
現有固態斷路器的局限性
雖然固態斷路器相較於機械斷路器具有多項優勢,但它們也存在一些缺點,具體包括電壓/電流額定值受限製、導通損耗更高且價格更貴。通常,對於交流應用,固態斷路器基於可控矽整流器 (TRIAC),而對於直流係統,則基於標準平麵 MOSFET。TRIAC 或 MOSFET 負責實現開關功能,而光隔離驅動器則用作控製元件。然而,在具有高輸出電流的情況下,基於 MOSFET 的高電流固態斷路器需要使用散熱片,這就意味著它們無法達到與機械斷路器相同的功率密度水平。
同樣地,使用絕緣柵雙極晶體管 (IGBT) 實現的固態斷路器也需要散熱片,因為當電流超過幾十安培時,飽和電壓會導致過多的功率損耗。舉例來說,當電流為 500 安培時,IGBT 上的 2V 壓降會產生高達 1000W 的功率損耗。對於同等功率水平,MOSFET 需要具有約 4 mΩ 的導通電阻。隨著電動汽車中器件的電壓額定值朝著 800V(甚至更高)發fa展zhan,目mu前qian沒mei有you單dan一yi器qi件jian能neng夠gou實shi現xian這zhe一yi電dian阻zu水shui平ping。雖sui然ran理li論lun上shang可ke以yi通tong過guo並bing聯lian多duo個ge器qi件jian來lai實shi現xian該gai數shu字zi,但dan這zhe樣yang的de做zuo法fa會hui顯xian著zhu增zeng加jia方fang案an的de尺chi寸cun和he成cheng本ben,尤you其qi是shi在zai需xu要yao處chu理li雙shuang向xiang電dian流liu的de情qing況kuang下xia。
使用 SiC 功率模塊打造下一代固態斷路器
與矽芯片相比,SiC 芯片在相同額定電壓和導通電阻條件下,尺寸可以縮小多達十倍。此外,與矽器件相比,SiC 器件的開關速度至少快 100 倍,並且它可以在高達兩倍以上的峰值溫度下工作。同時,SiC 具有出色的導熱性能,因此在高電流水平下具有更好的穩健性。安森美利用 SiC 的這些特性開發了一係列 EliteSiC 功率模塊,其 1200V 器件的導通電阻低至 1.7mΩ。這些模塊在單個封裝中集成了兩到六個 SiC MOSFET。
燒結芯片技術(將兩個獨立芯片燒結在一個封裝內)甚至在高功率水平下也能提供可靠的產品性能。由於具備快速開關行為和高熱導率,因此該類器件可以在故障發生時快速而安全地“跳閘”(斷開電路),阻止電流流動,直到恢複正常工作條件為止。這樣的模塊展示了越來越有可能將多個 SiC MOSFET 器件集成到單個封裝中,以實現低導通電阻和小尺寸,從而滿足實際斷路器應用的需求。此外,安森美還提供承受電壓範圍為 650V 到 1700V 的 EliteSiC MOSFET 和功率模塊,因此這些器件也可用於打造適合單相和三相家庭、商業和工業應用的固態斷路器。安森美具有垂直整合的 SiC 供應鏈,能夠提供近乎零缺陷的產品,這些產品經過全麵的可靠性測試,能夠滿足固態斷路器製造商的需求。
圖 1:安森美完整的端到端碳化矽 (SiC) 供應鏈
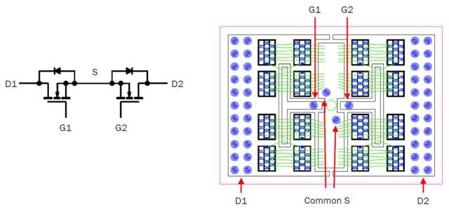
下圖展示了固態斷路器的模塊化實現方式,其中以並聯配置連接多個 1200V SiC 芯片和多個開關來實現了極低的 rdson heyouhuadesanrexiaoguo。xiafangzhexiewanquanjichengdemokuaijuyouyouhuadeyinjiaoweizhihebuju,youzhuyujianshaojishengxiaoying,tigaokaiguanxingnenghesuoduanguzhangxiangyingshijian。ansenmeitigongfengfuduoyangde SiC 模塊產品組合,模塊額定電壓為 650V、1200V 和 1700V,並且其中一些模塊帶有底板,而另一些則無底板,以便滿足不同的應用需求和效率需求。
圖 2:適用於固態斷路器的 SiC B2B 模塊- 480VAC -200A
圖 3:適用於固態斷路器應用的安森美模塊
SiC 技術和固態斷路器將共同發展
jixieduanluqijuyoudigonglvsunhaohegenggaodegonglvmidu,muqianjiageyediyugutaiduanluqi。lingwai,jixieduanluqirongyiyinweifanfushiyongerfashengmosun,bingqiefuweihuogenghuanhuichanshengangguiderengongweihuchengben。suizhediandongqichederiyipuji,shichangduiduanluqihe SiC 器件的需求將持續增長,因此這種寬禁帶技術的成本競爭力會日益增強,並且其對固態斷路器方案的吸引力也會不斷增加。隨著 SiC 工藝技術的不斷進步和獨立 SiC MOSFET 的電阻進一步降低,固態斷路器的功率損耗最終會達到與機械斷路器相媲美的水平,那時功率損耗將不再是個問題。基於 SiC 器件的固態斷路器具備開關速度快、無電弧以及零維護等優勢,能夠帶來顯著的成本節約,因此必將成為市場廣泛采用的主流選擇。
(作者: 安森美電源方案事業群工業方案部高級總監Sravan Vanaparthy)
免責聲明:本文為轉載文章,轉載此文目的在於傳遞更多信息,版權歸原作者所有。本文所用視頻、圖片、文字如涉及作品版權問題,請聯係小編進行處理。
推薦閱讀:
如何幫助提高混合動力汽車/電動汽車電池斷開係統的安全性和效率
- 噪聲中提取真值!瑞盟科技推出MSA2240電流檢測芯片賦能多元高端測量場景
- 10MHz高頻運行!氮矽科技發布集成驅動GaN芯片,助力電源能效再攀新高
- 失真度僅0.002%!力芯微推出超低內阻、超低失真4PST模擬開關
- 一“芯”雙電!聖邦微電子發布雙輸出電源芯片,簡化AFE與音頻設計
- 一機適配萬端:金升陽推出1200W可編程電源,賦能高端裝備製造
- 一秒檢測,成本降至萬分之一,光引科技把幾十萬的台式光譜儀“搬”到了手腕上
- AI服務器電源機櫃Power Rack HVDC MW級測試方案
- 突破工藝邊界,奎芯科技LPDDR5X IP矽驗證通過,速率達9600Mbps
- 通過直接、準確、自動測量超低範圍的氯殘留來推動反滲透膜保護
- 從技術研發到規模量產:恩智浦第三代成像雷達平台,賦能下一代自動駕駛!
- 車規與基於V2X的車輛協同主動避撞技術展望
- 數字隔離助力新能源汽車安全隔離的新挑戰
- 汽車模塊拋負載的解決方案
- 車用連接器的安全創新應用
- Melexis Actuators Business Unit
- Position / Current Sensors - Triaxis Hall



