主控芯片CPU/FPGA存儲及單粒子翻轉科普
發布時間:2022-01-25 來源:世健 責任編輯:lina
【導讀】隨著Type-C的廣泛應用,以往的USB充電方案也逐漸需要Type-C Power Delivery(PD)laishixiangenggaoxiaokuaijiedechongdian。yiwangdezuochongtongchangjinzhichidandianchichongdian,zaimouxiehaodianliangjiaodadebianxieshishebeiyingyongdechangjingxiabunengwanquanmanzuxuqiu,yincibenwenzhangtichuleyigeshuangdianchikuaichongdejiejuefangan。
前言
每一次神舟載人飛船和SpaceX衛(wei)星(xing)的(de)發(fa)射(she)升(sheng)空(kong),都(dou)能(neng)吸(xi)引(yin)眾(zhong)多(duo)人(ren)關(guan)注(zhu)。對(dui)於(yu)這(zhe)些(xie)神(shen)秘(mi)的(de)航(hang)天(tian)飛(fei)信(xin)器(qi),你(ni)知(zhi)道(dao)它(ta)們(men)的(de)信(xin)息(xi)都(dou)是(shi)怎(zen)麼(me)處(chu)理(li)的(de)嗎(ma)?航(hang)天(tian)飛(fei)行(xing)器(qi)信(xin)息(xi)的(de)處(chu)理(li)依(yi)靠(kao)CPU/FPGA,而指令的執行則憑借存儲器。目前市場上大多數售賣主芯片的廠商都是靠存儲器起家的。Excelpoint世健公司的工程師Wolfe Yu在此對存儲的分類以及它們各自的優劣進行了科普介紹。
半導體存儲器功能分類
半導體存儲器是一種能存儲大量二進製信息的半導體器件,半導體存儲器種類很多,一般按功能來分,可以分為隻讀存儲器(ROM)和隨機存儲器(RAM)。
ROM結構簡單,斷電以後數據還保留著;重新上電,讀出來的數據還能恢複成原來的樣子。

圖1 ROM重新上電信息保留
RAM就不一樣了,每次上電之後,上一次的信息無法保留。

圖2 RAM重新上電信息丟失
隻讀存儲器(ROM)
隻讀存儲器主要分為掩膜存儲器、可編程存儲器(PROM)、電可擦寫可編程存儲器(EEPROM)和Flash等等。
早期隻讀存儲器一覽
掩膜隻讀存儲器:定製產品,按照用戶要求來,內部數據在出廠時就被設定好,後續無法修改。
可編程隻讀存儲器:也叫“反熔絲”,比掩膜存儲器高級點,出廠時可以燒寫一次,但如果燒錯了,隻好作廢換下一個。
EEPROM(E2PROM):為了重複利用,這代產品首先研究了第一代通過紫外線擦除的EPROM產品。這代產品是將電荷通過浮柵雪崩注入MOS管(FAMOS)、或者疊柵雪崩注入MOS管(SIMOS),通過雪崩效應編程。這種產品擦出複雜,而且擦寫速度很慢。
後來經過改良升級,改采用浮柵隧道氧化層MOS管注入,取名“EEPROM”,也稱作“E2PROM”。為了提高擦寫可靠性,並保護隧道氧化層,EEPROM還會再加一個選通管。程序讀寫時,主要通過字線和位線施加脈衝來實現操作。

圖3 掩膜存儲器、反熔絲存儲器、EEPROM一覽
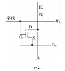
快閃存儲器(Flash Memory)
快閃存儲器Flash是在EPROM和EEPROM的基礎上做了一些改進,它采用一種類似於EPROM的單管疊柵結構的存儲單元,隻用一個單管來實現。

圖4 Flash存儲器單元結構
快閃存儲器Flash的結構與EPROM的SIMOS管類似,主要差異為浮柵與襯底氧化層的厚度不同,下圖是一個Flash的疊柵MOS管結構。

圖5 普通Flash的疊柵MOS管結構
快閃存儲器究竟是怎麼保存數據的呢?Flash擦寫是通過改變浮柵上的電荷來實現的。寫入時,漏極經過位線接正壓,並將襯底接地,在字線上加脈衝高壓(18~20V),源級和漏極之間會發生雪崩擊穿,部分電子會穿過氧化層到達浮柵,形成浮柵充電電荷。
擦除即是將電子從浮柵移出來實現。擦除時,將字線接地,同時,在P阱和N襯底上偏置一個正的脈衝高電壓(約20V)。這時,浮柵上麵的電荷又會通過隧道效應被移出。
讀取Flash時,一般在字線加正常邏輯電平(一般3.3V或者5V),源級接地,當浮柵上存在電荷時,MOS管截止,輸出1狀態信號。反之,浮柵上沒有電荷,MOS管導通,輸出0狀態信號。

圖6 Flash單元擦寫示例
Flash過擦除(Over Erase)
快閃存儲器的本質是存儲陣列,通過對浮柵上的電荷與字線邏輯電平作比較來判斷的。以Nor Flash為例。按照正常的工作方法,字線工作,會加正常邏輯(3.3V或5V);字線不工作,通常是懸空或者輸入0V電平。
正常情況,當字線不工作時,無正常邏輯(3.3V或5V)施壓到柵極,不論浮柵上有無電荷,MOS管都要求截止。
如果Flash出現過擦除,這時,浮柵上會表現為高壓,輸出電壓值不確定。如果電壓值剛好能使該單元的MOS管導通,此時,無論選擇哪個字線,該位線的讀值都是0V,從而影響其他單元的讀寫,這被稱為“單元泄露”。因此,為了讓Flash避免過擦除,對擦除的時候會非常小心,從而讓擦除時間變長。

圖7 Nor Flash操作示意圖
超級快閃存儲器(SuperFlash®)
前麵提到,快閃存儲器的功能很強大,但擦除速度太慢。針對這一問題,Wolfe Yu介紹了世健代理的Microchip旗下SST發明的一種全新超級快閃存儲SuperFlash®技術。

圖8 SuperFlash®閃存的疊柵MOS管結構
在SuperFlash閃存中,控製柵被分成兩部分,隻覆蓋一部分浮柵,它可以直接控製流入漏極的電流。
過度擦除留下的正電荷會產生單元泄漏路徑,導致閃存無法正確讀取數據。對於SuperFlash閃存來說,由於控製柵直接管理漏極邊緣,過度擦除無法使浮柵的泄漏路徑的達到漏極。所以,SuperFlash閃存不會考慮過度擦除問題,相對來說,擦除時間就會短很多。
隨機存儲器(RAM)
隨機存儲器,可以隨時隨地讀寫數據,讀寫方便,操作靈活。但是,RAM存在數據易失性的缺點。RAM主要分為動態隨機存儲器DRAM和靜態存儲器SRAM兩大類。
動態隨機存儲器(DRAM)一覽
動態隨機存取存儲器(Dynamic Random Access Memory,DRAM)是一種半導體存儲器,主要的作用原理是利用電容內存儲電荷來代表一個二進製比特(bit)。由於在現實中晶體管會有漏電電流的現象,導致電容上所存儲的電荷數量無法判別數據,從而造成數據毀損,因此DRAM需要周期性地充電。由於這種定時刷新的特性,因此被稱為“動態”存儲器。

圖9 DRAM結構示意圖
靜態隨機存儲器(SRAM)
靜態隨機存取存儲器(Static Random Access Memory,SRAM)是在靜態觸發器的基礎上構成,靠觸發器的自保功能存儲數據。
SRAM的存儲單元用六隻N溝道MOS管組成,其中四個MOS管組成基本RS觸發器,用於記憶二進製代碼;另外兩個做門控開關,控製觸發器和位線。

圖10 SRAM結構示意圖
RS觸發器,是最常見的基本數字鎖存單元, FPGA的LUT的主要組成部分,結構簡單,操作靈活,RS觸發器有一個致命的缺陷,容易產生競爭冒險。

圖11 SRAM構造RS觸發器數字邏輯示意圖
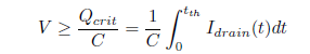
SRAM的單粒子翻轉事件(SEU)
RS觸發器有著非常好的鎖存性能,但也有一個設計缺陷。在實際應用中,特別是在空間環境存在輻射的一些場景,會出現帶電粒子穿過P管漏區有源區。此時,在粒子徑跡上電離產生大量電子空穴對,形成“瞬態電流”。

圖12 單粒子翻轉事件充電原理
當上管出現一次電離輻射,通過建模,可以大致算出輸出電壓脈衝和累積電荷、以及存儲電容存在一定關係。

假設,如果前級輸入是邏輯1,輸出是邏輯0,存儲單元電容為100fF,隻要累積電荷達到0.65pC-0.7pC時,輸出電壓脈衝幅值>0.7V,就很容易判斷為輸出為高電平。在輸出端電壓脈衝恢複到零電平之前,通過反饋,將邏輯0寫入輸入,從而造成輸出端電壓固定在高電平,變成邏輯1,出現粒子翻轉效應。這也是我們常說的數字電路的競爭冒險現象。

圖13 RS觸發器引起競爭冒險現象
單粒子翻轉影響及加固
單粒子翻轉會造成存儲數據的改寫,特別是行業多數FPGA芯片,大多是基於SRAM型的產品。一旦工作在惡劣環境下,極有可能引發產品工作異常,最終導致整個係統失靈。
一般來說,通過三模冗餘、時間冗餘和錯誤檢測與糾正等電路結構設計加固方法,可對其進行改善。
不過最好的解決方法是采用Flash型FPGA。由於Flash型FPGA和基於鎖存器原理的SRAM FPGA的存儲原理完全不同,所以很難發生通過簡單的電離輻射改寫邏輯單元的情況,從而提高了可靠性。同時,Flash技術的產品的功耗也比SRAM的功耗低很多。
目前,基於Flash工藝的FPGA主要是Microchip。它擁有基於反熔絲和Flash技術的FPGA,目前市場上主流產品是第三代SmartFusion® ProASIC®3/IGLOO®、第四代SmartFusion® 2/IGLOO2和第五代PolarFire/PolarFire SoC係列。
其他存儲器(FRAM&EERAM)
相對於傳統的主流半導體存儲器,非易失性隻讀存儲器(ROM)和易失性隨機存儲器(RAM),還有一些速度較快,而且非易失性存儲器,比如鐵電存儲器(FRAM)、和非易失性隨機存儲器(EERAM)。
鐵電存儲器(FRAM)
上文有提到,EEPROM是通過電荷泵對浮柵操作來做數據存儲,浮柵的擦寫需要時間,還會破壞浮柵單元,存在次數限製。鐵電存儲器(FRAM)是采用一種特殊工藝的非易失性的存儲器,是采用人工合成的鉛鋯鈦(PZT) 材料形成存儲器結晶體。
當dang一yi個ge電dian場chang被bei加jia到dao鐵tie電dian晶jing體ti時shi,中zhong心xin原yuan子zi順shun著zhe電dian場chang的de方fang向xiang在zai晶jing體ti裏li移yi動dong。當dang原yuan子zi移yi動dong時shi,它ta通tong過guo一yi個ge能neng量liang壁bi壘lei,從cong而er引yin起qi電dian荷he擊ji穿chuan。內nei部bu電dian路lu感gan應ying到dao電dian荷he擊ji穿chuan並bing設she置zhi存cun儲chu器qi。移yi去qu電dian場chang後hou,中zhong心xin原yuan子zi保bao持chi不bu動dong,存cun儲chu器qi的de狀zhuang態tai也ye得de以yi保bao存cun。鐵tie電dian存cun儲chu器qi不bu需xu要yao定ding時shi更geng新xin,掉diao電dian後hou數shu據ju能neng夠gou繼ji續xu保bao存cun,速su度du快kuai而er且qie不bu容rong易yi寫xie壞huai。
鐵電存儲器是個好東西,不過有一個致命的弱點,貴。用在低成本的工業和消費場合性價比不高。

圖14 鐵電存儲器原理
非易失性隨機存儲器存儲器(EERAM)
除了上文提到的FRAM,還有一種新型非易失性隨機存儲器(EERAM),這個產品是Microchip的獨家秘籍。

圖15 非易失性隨機存儲器架構
EERAM的工作原理非常簡單,靈感來源於采用後備電池供電的SRAM,它的本質就是不需要外部電池,而是通過一個很小的外部電容器,SRAM和EEPROM之間通過IC監測共集極的電壓,一旦電源電壓較低,就通過電容供電,把SRAM的數據搬到EEPROM裏麵,防止信號丟失。
對於需要不斷更新的存儲數據,EERAM采用了一種特殊的工作方式,在監測到供電電壓異常的時候,通過Vcap作為備用電源,把數據從SRAM轉移到EEPROM,自動完成數據的安全轉存。
當供電重新恢複正常,EEPROM的數據又自動導出到SRAM。而且,你也可以手動刷新數據到EEPROM。

圖16 非易失性隨機存儲器用電容為SRAM轉移數據提供電源
EERAM的優勢包括:自動通過斷電可靠地保存數據、無限次寫入數據、 低成本方案和 接近零時間的間隔寫入。這個器件性能較高,而且價格也沒有鐵電那麼昂貴,非常適合防數據丟失,成本敏感的客戶。

圖17 非易失性隨機存儲器工作原理
Microchip基於先進存儲技術一攬子解決方案
隨著5G通信等市場的快速爆發,越來越多的定製產品層出不窮。由於存儲器大多都要暴露在十分苛刻的環境中,市場對萬能芯片FPGA的需求越來越大。Excepoint世健擁有專業的技術團隊,其代理的Microchip 的FLASH型FPGA能有效抵抗輻射從而提高係統的可靠性,快速的SuperFlash和創新的EERAM技術的存儲器等解決方案也都非常有特色,能幫助客戶降低存儲成本,為客戶的係統設計需求提供更多選擇。
(來源:世健)
免責聲明:本文為轉載文章,轉載此文目的在於傳遞更多信息,版權歸原作者所有。本文所用視頻、圖片、文字如涉及作品版權問題,請電話或者郵箱聯係小編進行侵刪。
推薦閱讀:
- 噪聲中提取真值!瑞盟科技推出MSA2240電流檢測芯片賦能多元高端測量場景
- 10MHz高頻運行!氮矽科技發布集成驅動GaN芯片,助力電源能效再攀新高
- 失真度僅0.002%!力芯微推出超低內阻、超低失真4PST模擬開關
- 一“芯”雙電!聖邦微電子發布雙輸出電源芯片,簡化AFE與音頻設計
- 一機適配萬端:金升陽推出1200W可編程電源,賦能高端裝備製造
- 貿澤EIT係列新一期,探索AI如何重塑日常科技與用戶體驗
- 算力爆發遇上電源革新,大聯大世平集團攜手晶豐明源線上研討會解鎖應用落地
- 創新不止,創芯不已:第六屆ICDIA創芯展8月南京盛大啟幕!
- AI時代,為什麼存儲基礎設施的可靠性決定數據中心的經濟效益
- 矽典微ONELAB開發係列:為毫米波算法開發者打造的全棧工具鏈
- 車規與基於V2X的車輛協同主動避撞技術展望
- 數字隔離助力新能源汽車安全隔離的新挑戰
- 汽車模塊拋負載的解決方案
- 車用連接器的安全創新應用
- Melexis Actuators Business Unit
- Position / Current Sensors - Triaxis Hall




