反激設計背後的秘密之能量傳輸與控製
發布時間:2021-12-28 責任編輯:lina
【導讀】對於許多設計人員來說,反激拓撲是低性能、dixiaolvhechadejiaochatiaojiedetongyici。weilechongfenfahuizhezhongtuopudeqianli,xuyaohenhaodilijietadexuduobunamemingxiandeweimiaozhichu。benpianwenzhangzhuyaoxianjieshaofanjibianhuanqijichuzhishihuigu。
對於許多設計人員來說,反激拓撲是低性能、dixiaolvhechadejiaochatiaojiedetongyici。weilechongfenfahuizhezhongtuopudeqianli,xuyaohenhaodilijietadexuduobunamemingxiandeweimiaozhichu。benpianwenzhangzhuyaoxianjieshaofanjibianhuanqijichuzhishihuigu。
一、能量傳輸
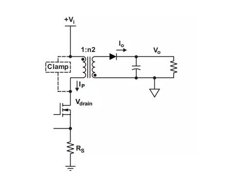
反(fan)激(ji)式(shi)轉(zhuan)換(huan)器(qi)首(shou)先(xian)在(zai)主(zhu)電(dian)源(yuan)開(kai)關(guan)打(da)開(kai)時(shi)將(jiang)能(neng)量(liang)從(cong)輸(shu)入(ru)源(yuan)存(cun)儲(chu)到(dao)變(bian)壓(ya)器(qi)中(zhong)。當(dang)開(kai)關(guan)關(guan)閉(bi)時(shi),變(bian)壓(ya)器(qi)電(dian)壓(ya)反(fan)轉(zhuan),正(zheng)向(xiang)偏(pian)置(zhi)輸(shu)出(chu)捕(bu)捉(zhuo)二(er)極(ji)管(guan)並(bing)將(jiang)能(neng)量(liang)輸(shu)送(song)到(dao)輸(shu)出(chu)。
對於反激式拓撲,輸出可以是正的或負的(由變壓器極性點定義)。有兩種基本的能量傳輸工作模式。第一種是連續導通模式 (CCM),當下一個導通周期開始時,存儲在反激變壓器中的部分能量仍保留在變壓器中。第二種模式是非連續導通模式 (DCM),其中存儲在變壓器中的所有能量在關斷期間轉移到負載。臨界導通模式 (CRM) 是第三種模式,也稱為過渡模式 (TM),它正好位於 DCM 和 CCM 之間的邊界處,發生在開關周期結束時存儲的能量剛好為零時。


圖1 CCM

DCM

圖2 TM
圖1和2圖示了CCM、DCM和TM工作模式。圖 3 說明了 CCM 和 DCM 工作時的電流。

圖3
DCM 工作時,當初級 MOSFET 導通時,初級電流從零開始並上升到峰值,該峰值可能是可比 CCM 應用中峰值電流的兩倍以上。關斷時,安匝數轉移到次級,次級電流降至零,並一直保持到下一個開關周期的開始。為 DCM 工作設計的反激變壓器需要比為 CCM 工作設計的反激變壓器更小的電感值,因為電流紋波 (ΔIL) 要高得多。在某些應用中,較低的電感可能會導致體積較小的變壓器;假設效率和熱性能仍然可以接受。
TM 模式與 DCM 類似,不同之處在於初級 MOSFET 在漏極電壓處於其最低電平時導通。這種時序提供了最小的導通損耗和更高效的工作,但是,開關頻率是可變的。
采用 CCM 時,電感值較大,電流和磁場的紋波分量相對較小。以下限製是可接受的初級峰值電流的良好工作折衷。

這也可用於定義效率和變壓器尺寸之間的適當權衡。忽略初級 MOSFET 導通時的損耗(見圖 1),初級電流以定義為的速率增加

其中 Vi 是輸入電壓,L 是在變壓器初級處測得的電感值,IL 是流經初級的電流(見圖 1 中的 IP),TS 是一個開關周期的時間段。
遵循相同的假設,當初級 MOSFET 關閉且變壓器電流已轉移到其次級繞組時,次級電流以公式 (2) 定義的速率下降,除非它變得不連續:

其中 Vo 是輸出電壓,n2 = N2/N1,ILS 是次級磁化電流(見圖 2 中的 Io)。
請qing注zhu意yi,變bian壓ya器qi的de初chu級ji側ce和he次ci級ji側ce之zhi間jian的de耦ou合he是shi不bu完wan美mei的de,因yin為wei它ta們men之zhi間jian存cun在zai漏lou電dian感gan。在zai初chu級ji到dao次ci級ji的de換huan向xiang過guo程cheng中zhong,泄xie漏lou能neng量liang不bu能neng直zhi接jie轉zhuan移yi到dao次ci級ji,因yin此ci必bi須xu被bei吸xi收shou。如ru果guo沒mei有you一yi個ge鉗qian位wei電dian路lu,唯wei一yi的de路lu徑jing的de泄xie漏lou電dian感gan電dian流liu可ke以yi流liu通tong是shi通tong過guo充chong電dianMOSFET的寄生的漏極至源極電容。如果不采取預防措施,MOSFET 開關可能會被電壓擊穿損壞。圖 3 顯示了一個通用鉗位電路示例。後麵我們會介紹鉗位電路相關內容。
請注意在 CCM、DCM 和 TM 中zhong變bian壓ya器qi每mei一yi側ce的de電dian流liu的de不bu連lian續xu特te性xing。與yu降jiang壓ya或huo升sheng壓ya等deng其qi他ta無wu變bian壓ya器qi拓tuo撲pu相xiang比bi,這zhe是shi一yi個ge根gen本ben區qu別bie。變bian壓ya器qi兩liang側ce的de高gao紋wen波bo電dian流liu直zhi接jie影ying響xiang輸shu出chu電dian壓ya紋wen波bo、效率和差模傳導 EMI。
此外,盡管變壓器兩側存在電流不連續性,但在 CCM 下運行通常比在 DCM 下運行會產生更好的效率。 DCM 中較高的 rms 電流是支持這一事實的一個原因,因為這意味著 MOSFET、初級和次級電容器以及初級鉗位的耗散更高。然而,由於 DCM 操作的電感值較低,因此物理尺寸相同的變壓器在 DCM 操作中的傳導損耗可能比設計用於 CCM 操作的變壓器要小,即使其 rms 電流更高。在某些交流線路應用和操作條件下,TM 操作可能能夠提供與 CCM 相似甚至更好的效率。考慮到磁場的大交流分量,在 DCM(和 TM)下運行時還必須考慮磁芯損耗。CCM 操作通常對應於較低的交流磁場;因此,設計變壓器時的主要限製是磁芯飽和而不是磁芯損耗。
在 DCM 中,傳輸的能量由導通時間、輸入電壓和電感值決定。在每個循環中總是有一個完整的能量轉移,定義為:

其中 PDCM 是 DCM 中的負載功率,L 是在變壓器初級測得的電感值,D 是控製開關占空比,而 Freq 是開關頻率。
這也意味著在 DCM 中,以下占空比公式取決於負載電流和輸入電壓:

相反,在 CCM 中,占空比方程為:

二、控製方麵
反激拓撲的特點之一是能量僅在控製開關關斷期間傳遞給負載;在 ON shijianneirenhekongzhidongzuodexiaoguodouhuiyanchidaoxiayicikaiguanguanbi。liru,weilexiangyingdaozhishuchudianyajiangdidefuzaijieyuezengjia,kongzhiqizengjiadaotongshijianyizengjiabianyaqizhongcunchudenengliang。zengjia ON 時間實際上減少了 OFF 時間。如果有 CCM 模mo式shi,在zai最zui初chu的de幾ji個ge周zhou期qi中zhong傳chuan遞di給gei負fu載zai的de能neng量liang減jian少shao,初chu始shi反fan應ying導dao致zhi更geng大da的de輸shu出chu電dian壓ya降jiang。隻zhi有you在zai來lai自zi較jiao長chang導dao通tong時shi間jian的de能neng量liang在zai幾ji個ge周zhou期qi內nei轉zhuan移yi到dao負fu載zai後hou才cai能neng恢hui複fu到dao調tiao節jie狀zhuang態tai。在zai小xiao信xin號hao分fen析xi建jian模mo中zhong,這zhe種zhong狀zhuang態tai被bei稱cheng為wei右you半ban平ping麵mian零ling (RHPZ)。對於 RHPZ,相位隨著增益的增加而減小,在定義控製環路補償時必須考慮這一點。

圖4 輸入電壓和負載電流對 RHPZ 頻率影響的示例
圖 4 說明了輸入電壓和輸出負載電流對 RHPZ 頻率的影響。有關 RHPZ 的轉換器的一般規則是在最低輸入線電壓和最大負載下進行設計,將控製反饋環路的帶寬限製在 RHPZ 頻率的五分之一左右。RHPZ 方程為:

即使在 DCM 模式中,RHPZ 也存在,但通常不是問題,DCM模式中通常超過開關頻率的一半。
控製反激拓撲操作的兩種最流行的方法是電壓模式控製 (VMC) 和峰值電流模式控製 (CMC)。CMC 使用磁化電流來定義占空比,而 VMC 不使用。在 CCM 下運行時,由於變壓器的電感和輸出電容器,使用 VMC 的設計具有相對低頻的雙極點。因此,它比峰值 CMC 更難補償,它基本上由驅動相同電容器的電流源組成。相反,當在 CCM 下運行時使用峰值 CMC 時,必須進行斜率補償以避免當工作占空比超過甚至接近 50% 時出現次諧波振蕩。 這通常是通過向電流反饋信號添加外部斜坡來實現的,從而創建複合信號。
綜上,我們對反激變換器的模式進行了對比分析。

對於幾種模式中的相關技術點,我們在後文會詳細論述。
(來源:電源網星球號,作者:electronicLee)
免責聲明:本文為轉載文章,轉載此文目的在於傳遞更多信息,版權歸原作者所有。本文所用視頻、圖片、文字如涉及作品版權問題,請電話或者郵箱聯係小編進行侵刪。
推薦閱讀:
- 噪聲中提取真值!瑞盟科技推出MSA2240電流檢測芯片賦能多元高端測量場景
- 10MHz高頻運行!氮矽科技發布集成驅動GaN芯片,助力電源能效再攀新高
- 失真度僅0.002%!力芯微推出超低內阻、超低失真4PST模擬開關
- 一“芯”雙電!聖邦微電子發布雙輸出電源芯片,簡化AFE與音頻設計
- 一機適配萬端:金升陽推出1200W可編程電源,賦能高端裝備製造
- 貿澤EIT係列新一期,探索AI如何重塑日常科技與用戶體驗
- 算力爆發遇上電源革新,大聯大世平集團攜手晶豐明源線上研討會解鎖應用落地
- 創新不止,創芯不已:第六屆ICDIA創芯展8月南京盛大啟幕!
- AI時代,為什麼存儲基礎設施的可靠性決定數據中心的經濟效益
- 矽典微ONELAB開發係列:為毫米波算法開發者打造的全棧工具鏈
- 車規與基於V2X的車輛協同主動避撞技術展望
- 數字隔離助力新能源汽車安全隔離的新挑戰
- 汽車模塊拋負載的解決方案
- 車用連接器的安全創新應用
- Melexis Actuators Business Unit
- Position / Current Sensors - Triaxis Hall





