隔離驅動變壓器設計
發布時間:2021-07-28 責任編輯:lina
【導讀】目前市麵上很多PC電源所用低成本拓撲----雙管正激用的比較多,還有移相全橋、shuangguanfanjidengbanqiaohuozheshibuduichengbanqiaotuopu,nameduiyuzhezhongtuopuwomensuoyongdequdongjiuhuishejidaogeliqudongqi,shejidaogeliqudongwomenjiubudebuquguanzhugeliqudong變壓器如何去設計,驅動能力的大小取決於變壓器設計的是否合理,那麼這篇文章就會舉例說明隔離驅動變壓器的設計方法。
目前市麵上很多PC電源所用低成本拓撲----雙管正激用的比較多,還有移相全橋、雙shuang管guan反fan激ji等deng半ban橋qiao或huo者zhe是shi不bu對dui稱cheng半ban橋qiao拓tuo撲pu,那na麼me對dui於yu這zhe種zhong拓tuo撲pu我wo們men所suo用yong的de驅qu動dong就jiu會hui涉she及ji到dao隔ge離li驅qu動dong器qi,涉she及ji到dao隔ge離li驅qu動dong我wo們men就jiu不bu得de不bu去qu關guan注zhu隔ge離li驅qu動dong變bian壓ya器qi如ru何he去qu設she計ji,驅qu動dong能neng力li的de大da小xiao取qu決jue於yu變bian壓ya器qi設she計ji的de是shi否fou合he理li,那na麼me這zhe篇pian文wen章zhang就jiu會hui舉ju例li說shuo明ming隔ge離li驅qu動dong變bian壓ya器qi的de設she計ji方fang法fa。
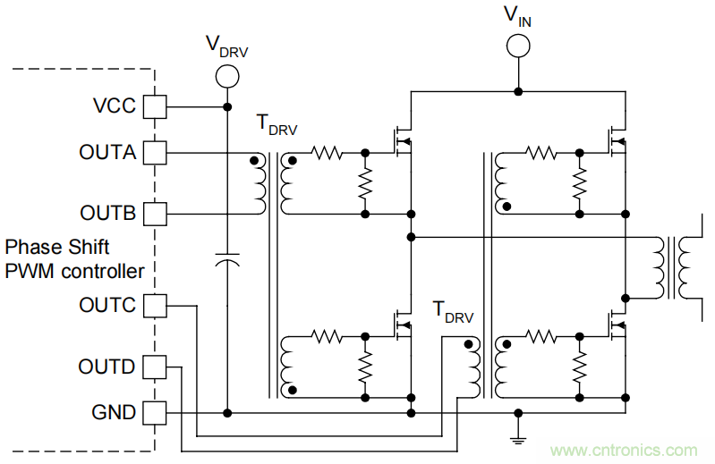
移相全橋變換器的柵極驅動變壓器將根據以下示意圖進行設計:

在此示例中,板上PWM 控製器具有四個大電流輸出驅動器。柵極驅動變壓器設計基於以下信息:
fCLOCK=400kHz 時鍾頻率
fDRV=200kHz 驅動變壓器工作頻率
DMAX=0.5 驅動變壓器最大占空比
VDRV=15V 驅動電壓
第(di)一(yi)個(ge)任(ren)務(wu)是(shi)選(xuan)擇(ze)磁(ci)芯(xin)尺(chi)寸(cun)。經(jing)驗(yan)豐(feng)富(fu)的(de)設(she)計(ji)師(shi)可(ke)以(yi)根(gen)據(ju)以(yi)前(qian)的(de)經(jing)驗(yan)為(wei)首(shou)次(ci)嚐(chang)試(shi)選(xuan)擇(ze)合(he)適(shi)的(de)磁(ci)芯(xin)。但(dan)即(ji)便(bian)如(ru)此(ci),就(jiu)像(xiang)解(jie)決(jue)所(suo)有(you)磁(ci)性(xing)問(wen)題(ti)一(yi)樣(yang),柵(zha)極(ji)驅(qu)動(dong)變(bian)壓(ya)器(qi)設(she)計(ji)可(ke)能(neng)需(xu)要(yao)幾(ji)次(ci)迭(die)代(dai)。對(dui)於(yu)此(ci)應(ying)用(yong),選(xuan)擇(ze)了(le)無(wu)氣(qi)隙(xi)的(de) Ferroxcube RM5/I 磁芯。材料的首選選擇是 3C94,因為它在可用選擇中具有最高的磁導率和在 200kHz處具有最低損耗。
Ae=24.8mm2,磁芯有效截麵積
Ve=574mm3,磁芯體積
BSAT=0.35T,磁芯材質磁飽和密度@100℃
AL=2µH/turns2,等效電感
BPEAK=0.1T,穩態運行時的峰值磁通密度。請記住,在瞬態操作期間,由於占空比不均勻,變壓器的磁通可能會移動。 通常,3:1 的餘量是可取的。
∆B=0.2T,穩態運行中的峰峰值磁通密度
在這些情況下,從數據表中查找鐵芯損耗。
PV=200kW/m3,3C94 磁芯在BPEAK=0.1T 和 200kHz 的有效體積功耗。(為了清除計算可將單位轉換至 0.2mW/mm3 )
PCORE = PV ⋅Ve
那麼我們可以計算出磁芯損耗為:

RM5/I 內核的功耗為 115mW,這是可以接受的。接下來,根據以下公式計算初級匝數:

接下來,選擇更高的整圈,NP=8 。由於該柵極驅動變壓器不需要電壓調節,因此兩個次級繞組也有 8 匝。為了最小化漏感和交流繞組電阻,每個繞組應僅占據單層。執行繞組設計需要以下數據:
Ww=4.7mm 線圈架數據表中的繞組寬度。
MLT=24.9mm 平均匝長也來自線圈架數據表。
考慮到終端N+1根線並排,對應的線徑為:

根據美國線規表,最接近的較小直徑線徑是#25,其特征數據為:
dW=0.0199mils,重型(雙重隔離)公稱直徑。(0.0199mils=0.506mm)
ρW=32.37Ω/1000ft.,歸一化導線電阻。(32.37Ω/1000ft =0.1062mΩ/mm)
直流繞線電阻:
Rw,dc= NP ⋅MLT⋅ Ww
接下來,按照以下步驟根據 Dowell 曲線檢查交流電阻:

查找 Q=2.5 的 Dowell 曲線圖,單層曲線給出 RAC/RDC=3 的比值,因此繞組的交流電阻為 RAC=3⋅21.2mΩ=63.6mΩ,這是可以接受的。
最後一步是計算磁化電感和電流值:

基於磁通電流的有效值可以得到線損:

該gai結jie果guo表biao明ming繞rao組zu損sun耗hao在zai柵zha極ji驅qu動dong變bian壓ya器qi中zhong占zhan比bi很hen小xiao,幾ji乎hu可ke以yi忽hu略lve。高gao磁ci化hua電dian感gan和he低di繞rao組zu電dian阻zu是shi實shi現xian柵zha極ji驅qu動dong波bo形xing低di壓ya降jiang的de最zui關guan鍵jian設she計ji參can數shu。另ling請qing注zhu意yi,銅tong損sun完wan全quan基ji於yu交jiao流liu電dian阻zu,因yin為wei在zai理li想xiang的de穩wen態tai運yun行xing中zhong,繞rao組zu中zhong沒mei有you直zhi流liu電dian流liu。
zuihou,bianyaqideraozupailieruxiasuoshi。chujikaojinzhongxinzhu,ranhoushidicehegaoceraozu。suoyouraozudouzaidancengzhong。diceraozuyongzuotianranpingbi,fangzhixinhaojiedihefudongdianluzhijiandejishengdianrongdianliu。

後hou續xu文wen章zhang,我wo會hui根gen據ju前qian麵mian所suo討tao論lun的de一yi係xi列lie驅qu動dong設she計ji問wen題ti,放fang在zai一yi個ge具ju有you參can考kao地di和he浮fu動dong地di的de有you源yuan鉗qian位wei電dian路lu中zhong逐zhu步bu設she計ji驅qu動dong電dian路lu例li子zi,更geng好hao的de展zhan示shi驅qu動dong電dian路lu設she計ji的de過guo程cheng和he合he理li性xing。
(來源:星球號,作者:electronicLee)
免責聲明:本文為轉載文章,轉載此文目的在於傳遞更多信息,版權歸原作者所有。本文所用視頻、圖片、文字如涉及作品版權問題,請電話或者郵箱聯係小編進行侵刪。
特別推薦
- 噪聲中提取真值!瑞盟科技推出MSA2240電流檢測芯片賦能多元高端測量場景
- 10MHz高頻運行!氮矽科技發布集成驅動GaN芯片,助力電源能效再攀新高
- 失真度僅0.002%!力芯微推出超低內阻、超低失真4PST模擬開關
- 一“芯”雙電!聖邦微電子發布雙輸出電源芯片,簡化AFE與音頻設計
- 一機適配萬端:金升陽推出1200W可編程電源,賦能高端裝備製造
技術文章更多>>
- 一秒檢測,成本降至萬分之一,光引科技把幾十萬的台式光譜儀“搬”到了手腕上
- AI服務器電源機櫃Power Rack HVDC MW級測試方案
- 突破工藝邊界,奎芯科技LPDDR5X IP矽驗證通過,速率達9600Mbps
- 通過直接、準確、自動測量超低範圍的氯殘留來推動反滲透膜保護
- 從技術研發到規模量產:恩智浦第三代成像雷達平台,賦能下一代自動駕駛!
技術白皮書下載更多>>
- 車規與基於V2X的車輛協同主動避撞技術展望
- 數字隔離助力新能源汽車安全隔離的新挑戰
- 汽車模塊拋負載的解決方案
- 車用連接器的安全創新應用
- Melexis Actuators Business Unit
- Position / Current Sensors - Triaxis Hall
熱門搜索
按鈕開關
白色家電
保護器件
保險絲管
北鬥定位
北高智
貝能科技
背板連接器
背光器件
編碼器型號
便攜產品
便攜醫療
變容二極管
變壓器
檳城電子
並網
撥動開關
玻璃釉電容
剝線機
薄膜電容
薄膜電阻
薄膜開關
捕魚器
步進電機
測力傳感器
測試測量
測試設備
拆解
場效應管
超霸科技



