經典MOSFET柵極驅動電路
發布時間:2021-07-28 責任編輯:lina
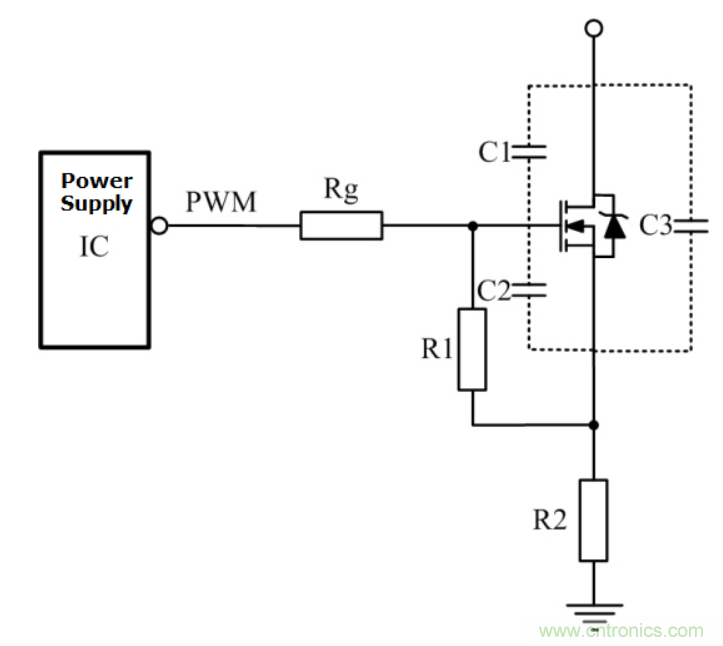
【導讀】首先查看電源IC手冊,了解最大峰值驅動電流,因為不同的IC芯片具有不同的驅動能力。其次,檢查MOSFET的寄生電容,如圖中的C1、C2和C3,如果容值較大,導通MOS管所需的能量也比較大。如果電源IC沒有足夠的峰值驅動電流,晶體管將以較慢的速度開啟。
今天分享四種常見的MOS管柵極驅動電路,都用過嗎?
1、IC直接驅動型
這種電源IC的直接驅動是最常見、最簡單的驅動方式。

圖1 IC直接驅動MOS柵極使用這種方法,我們應該注意幾個參數及其影響。首先查看電源IC手冊,了解最大峰值驅動電流,因為不同的IC芯片具有不同的驅動能力。其次,檢查MOSFET的寄生電容,如圖中的C1、C2和C3,如果容值較大,導通MOS管所需的能量也比較大。如果電源IC沒有足夠的峰值驅動電流,晶體管將以較慢的速度開啟。如果驅動能力不足,上升沿可能會出現高頻振蕩,即使減小圖1中的Rg也無法解決問題!而IC驅動能力、MOSFET寄生電容、MOSFET開關速度等因素,也會影響驅動電阻的選擇,所以Rg不能無限減小。
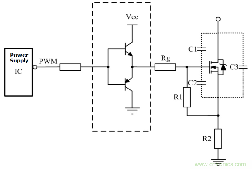
2、圖騰柱電路增強驅動
gaiqudongdianludezuoyongshizengjiadianliugongyingnengli,kuaisuwanchengzhajidianrongshurudechongdianguocheng。zhezhongtuopuzengjialekaitongsuoxudeshijian,danjianshaoleguanduanshijian,kaiguanguannenggoukuaisukaitong,bimianshangshengyandegaopinzhendang。

圖2 圖騰柱電路增強驅動
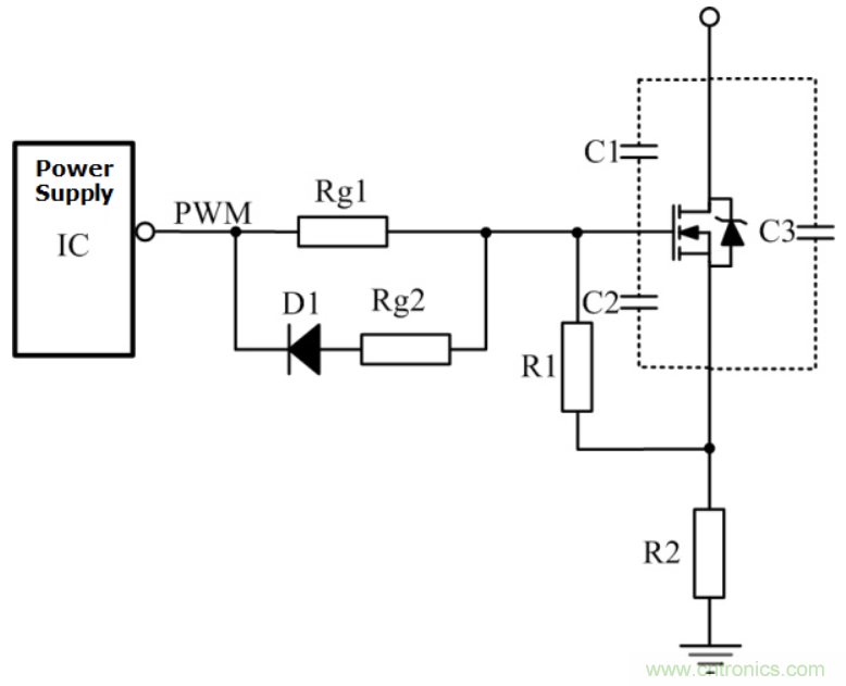
3、驅動電路加速MOS管的關斷
在關斷的瞬間,驅動電路可以提供盡可能低阻抗的通路,使MOSFET的柵極和源極之間的電容快速放電,保證開關管可以快速關斷。為了保證柵源極間電容C2的快速放電,在Rg1上並聯了一個Rg2和一個二極管D1。其中D1通常采用快恢複二極管,縮短了關斷時間並降低了關斷損耗;Rg2的作用是防止電源IC在關斷時因電流過大而燒壞。

圖3 加速MOS管關斷電路圖騰柱電路也可以加速關斷,當電源IC的驅動能力足夠時,圖2中的電路可以改進為下圖這種形式。

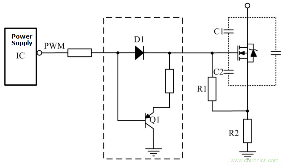
圖4 改善型加速MOS管關斷電路用三極管釋放GS電容的電是很常見的,如果Q1的發射極沒有電阻,PNP晶體管導通時柵極與源極之間的電容會短路,可以在最短的時間內實現放電,最大限度地減小關斷時的交叉損耗。圖4,因為三極管的存在,柵極和源極之間電容電流不會直接通過電源IC放電,提高了電路可靠性。
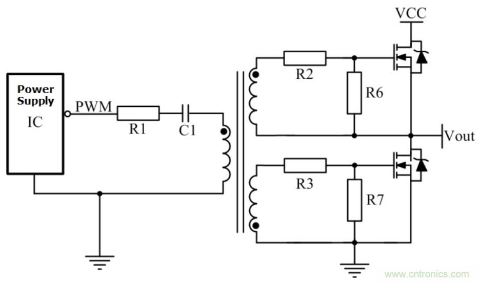
4、變壓器驅動電路加速MOS管的關斷
為了滿足驅動高邊MOS管的要求,如圖5所示,通常使用變壓器驅動器,有時也用於安全隔離。使用R1的目的是抑製PCB板上的寄生電感與C1形成LC振蕩,其設計目的是隔離直流,通過交流,同時防止磁芯飽和。

圖5 高邊MOSFET驅動電路
(來源:星球號,作者:liuxiaofei126 )
免責聲明:本文為轉載文章,轉載此文目的在於傳遞更多信息,版權歸原作者所有。本文所用視頻、圖片、文字如涉及作品版權問題,請電話或者郵箱聯係小編進行侵刪。
特別推薦
- 噪聲中提取真值!瑞盟科技推出MSA2240電流檢測芯片賦能多元高端測量場景
- 10MHz高頻運行!氮矽科技發布集成驅動GaN芯片,助力電源能效再攀新高
- 失真度僅0.002%!力芯微推出超低內阻、超低失真4PST模擬開關
- 一“芯”雙電!聖邦微電子發布雙輸出電源芯片,簡化AFE與音頻設計
- 一機適配萬端:金升陽推出1200W可編程電源,賦能高端裝備製造
技術文章更多>>
- 一秒檢測,成本降至萬分之一,光引科技把幾十萬的台式光譜儀“搬”到了手腕上
- AI服務器電源機櫃Power Rack HVDC MW級測試方案
- 突破工藝邊界,奎芯科技LPDDR5X IP矽驗證通過,速率達9600Mbps
- 通過直接、準確、自動測量超低範圍的氯殘留來推動反滲透膜保護
- 從技術研發到規模量產:恩智浦第三代成像雷達平台,賦能下一代自動駕駛!
技術白皮書下載更多>>
- 車規與基於V2X的車輛協同主動避撞技術展望
- 數字隔離助力新能源汽車安全隔離的新挑戰
- 汽車模塊拋負載的解決方案
- 車用連接器的安全創新應用
- Melexis Actuators Business Unit
- Position / Current Sensors - Triaxis Hall
熱門搜索




