充電樁中剩餘電流保護器的選用
發布時間:2018-07-06 責任編輯:wenwei
【導讀】剩餘電流保護器作為一種漏電保護器,被廣泛應用於低壓配電係統中,用於防止電擊事故、電氣設備漏電損壞和電氣火災。同樣在電動汽車充電領域,RCD也作為一種基本電氣保護裝置被廣泛應用。
隨著近兩年來的新能源汽車數量的爆發式增長, 其配套設施充電樁的建設規模也隨之擴大。 2010 年—2017 年七年間,我國充電樁數量已經從千餘個增長至 21 萬個。
新(xin)能(neng)源(yuan)汽(qi)車(che)市(shi)場(chang)的(de)增(zeng)長(chang)離(li)不(bu)開(kai)基(ji)礎(chu)充(chong)電(dian)設(she)施(shi)的(de)建(jian)設(she),如(ru)何(he)保(bao)證(zheng)充(chong)電(dian)過(guo)程(cheng)中(zhong)的(de)用(yong)電(dian)安(an)全(quan),尤(you)其(qi)是(shi)防(fang)止(zhi)泄(xie)漏(lou)電(dian)流(liu)對(dui)生(sheng)命(ming)財(cai)產(chan)造(zao)成(cheng)危(wei)害(hai),是(shi)值(zhi)得(de)關(guan)注(zhu)的(de)問(wen)題(ti)。
電動汽車充電一共有四種模式,在GB/T 18487.1-2015《電動汽車傳導充電係統 第1部分:通用要求》中有明確說明。
模式一使用充電連接電纜將電動汽車與交流電網相連,剩餘電流保護主要依靠建築配電箱中的剩餘電流保護裝置(RCD),由於不能保證所有現存建築物裝置都配有RCD,所以這種方式十分危險,已經被禁止使用;模式二在充電連接電纜上安裝了纜上控製保護裝置(IC-CPD),IC-CPD內部具有剩餘電流檢測保護功能;模式三使用專用供電設備,將電動汽車與交流電網直接連接,並且在專用供電設備上安裝了控製導引裝置,專用供電設備即交流充電樁;模式四將電動汽車連接交流電網或直流電網時,使用了帶控製導引功能的直流供電設備,即直流充電樁。在這裏,我們主要討論模式三、模式四充電樁內的剩餘電流保護器的選用。
在GB/T 18487.1-2015中要求,交流供電設備的剩餘電流保護器宜采用A型或B型,符合GB 14084.2-2008,GB 16916.1-2014和GB 22794-2008的相關要求。如圖1所示為充電模式3控製導引電路原理圖,在供電設備內部安裝了剩餘電流保護器。

圖 1充電模式3控製導引電路原理圖
什麼是A型或者B型剩餘電流保護器?我國的剩餘電流保護裝置(RCD)指導性標準GB/Z 6829-2008(IEC/TR 60755:2008,MOD)《剩餘電流動作保護器的一般要求》從產品的基本結構、剩餘電流類型、脫扣方式等方麵作了劃分。
根據剩餘電流類型可將RCD分為AC型、A型、B型。AC型剩餘電流保護器:對突然施加或緩慢上升的剩餘正弦交流電流確保脫扣的RCD。A型剩餘電流保護器:包含AC型的特性並對脈動直流剩餘電流、脈動直流剩餘電流疊加6mA平滑剩餘電流確保脫扣的RCD。
B型剩餘電流保護器:包含A型的保護特性,此外,還能對1000Hz及以下的正弦交流剩餘電流、交流剩餘電流疊加平滑直流剩餘電流、脈動直流剩餘電流疊加平滑剩餘電流、兩相或多相整流電路產生的脈動直流剩餘電流、平滑直流剩餘電流確保脫扣的RCD。

圖2 交流充電樁內部結構
目前,由於B型RCD價格過於昂貴,國內大部分的交流充電樁內部安裝的都是A型剩餘電流保護器。下圖所示為交流充電樁內部結構圖,使用了A型剩餘電流保護裝置。
那麼A型的剩餘電流保護器能滿足充電樁的漏電保護要求嗎?我們來分析一下充電過程中可能產生的剩餘電流類型。

圖3電動汽車充電設施與電網及電動車間連接示意圖
如圖3所示,在使用交流充電樁充電過程中,交流充電樁和車輛耦合器與公共電網相連,樁內如果由於絕緣破壞,可能產生工頻交流漏電流。
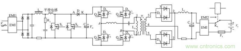
在電動汽車部分,可能產生的漏電流主要來自於車載充電機漏電,充電機一般拓撲主要為AC/DC和DC/DC兩部分。如下圖所示為一種常見車載充電機的主電路圖。

圖4 一種車載充電機主電路原理圖
AC/DC部分單相輸入交流電首先經過EMI濾波,然後在Boost型APFC電路作用下將85~265V的交流電整流成穩定輸出的直流400V電壓,並為後級提供直流輸入。
DC/DC部分采用移相全橋LLC主電路將直流電壓400V轉化成蓄電池可接受的電壓。當電路板與設備外殼之間絕緣損壞時,在整流部分可能產生脈動直流剩餘電流,在Boost型APFC電路中可能會產生紋波係數很小的直流剩餘電流。這裏借用Bender的圖來詳細說明直流剩餘電流的產生及危害。

圖5 隔離式充電機直流漏電的產生
可以看到,在DC/DC部分推挽全橋變換器當中可能發生直流漏電,我國低壓配電係統一般采用TN形式供電,設備金屬外殼與工作零線相接,直流漏電會通過車身和PE線反饋到充電線路上,對整個係統電流波形造成影響。通過對等效電路的仿真,發現整個係統的電流波形會改變,如下圖所示。

圖6 充電機直流故障係統電流波形
可(ke)以(yi)看(kan)到(dao)在(zai)後(hou)端(duan)發(fa)生(sheng)直(zhi)流(liu)漏(lou)電(dian)之(zhi)後(hou),也(ye)會(hui)影(ying)響(xiang)到(dao)前(qian)級(ji)電(dian)路(lu),整(zheng)流(liu)過(guo)後(hou)的(de)脈(mai)動(dong)直(zhi)流(liu)波(bo)形(xing)發(fa)生(sheng)畸(ji)變(bian),產(chan)生(sheng)尖(jian)刺(ci),逐(zhu)級(ji)對(dui)後(hou)端(duan)電(dian)路(lu)產(chan)生(sheng)幹(gan)擾(rao),影(ying)響(xiang)到(dao)充(chong)電(dian)效(xiao)果(guo),甚(shen)至(zhi)影(ying)響(xiang)蓄(xu)電(dian)池(chi)壽(shou)命(ming)...
推薦閱讀:
特別推薦
- 噪聲中提取真值!瑞盟科技推出MSA2240電流檢測芯片賦能多元高端測量場景
- 10MHz高頻運行!氮矽科技發布集成驅動GaN芯片,助力電源能效再攀新高
- 失真度僅0.002%!力芯微推出超低內阻、超低失真4PST模擬開關
- 一“芯”雙電!聖邦微電子發布雙輸出電源芯片,簡化AFE與音頻設計
- 一機適配萬端:金升陽推出1200W可編程電源,賦能高端裝備製造
技術文章更多>>
- 2026藍牙亞洲大會暨展覽在深啟幕
- H橋降壓-升壓電路中的交替控製與帶寬優化
- Tektronix 助力二維材料器件與芯片研究與創新
- 800V AI算力時代,GaN從“備選”變“剛需”?
- 大聯大世平集團首度亮相北京國際汽車展 攜手全球芯片夥伴打造智能車整合應用新典範
技術白皮書下載更多>>
- 車規與基於V2X的車輛協同主動避撞技術展望
- 數字隔離助力新能源汽車安全隔離的新挑戰
- 汽車模塊拋負載的解決方案
- 車用連接器的安全創新應用
- Melexis Actuators Business Unit
- Position / Current Sensors - Triaxis Hall
熱門搜索




