buck電路PK三級電路,成本性能齊評判
發布時間:2016-08-18 責任編輯:susan
【導讀】對於buck電路的成本,很多人認為與三級電路相比其優勢並不明顯。但實際上,從性能、尺寸、可靠性上來說,buck電路都要優於三級電路。就性能而言,三級電路與雙buck是不在一個層麵的。
糾(jiu)結(jie)於(yu)成(cheng)本(ben)問(wen)題(ti)的(de)設(she)計(ji)者(zhe)有(you)可(ke)能(neng)是(shi)因(yin)為(wei)實(shi)踐(jian)機(ji)會(hui)較(jiao)少(shao),對(dui)成(cheng)本(ben)的(de)了(le)解(jie)不(bu)夠(gou)深(shen)刻(ke),所(suo)以(yi)出(chu)現(xian)了(le)高(gao)估(gu)的(de)現(xian)象(xiang)。另(ling)一(yi)方(fang)麵(mian),一(yi)旦(dan)多(duo)家(jia)企(qi)業(ye)都(dou)開(kai)始(shi)產(chan)出(chu),就(jiu)必(bi)定(ding)將(jiang)對(dui)電(dian)路(lu)進(jin)行(xing)優(you)化(hua),到(dao)時(shi)成(cheng)本(ben)將(jiang)不(bu)再(zai)是(shi)問(wen)題(ti)。下(xia)麵(mian)就(jiu)來(lai)對(dui)雙(shuang)buck電路的成本問題進行討論。
就性能而言,三級電路與雙buck是不在一個層麵的。但三級電路控製非常簡單,容易理解,不像雙buck電路控製複雜精確。三級電路采用的MOS功率器件太多,影響大批量的可靠性,這是其一,其二是傳統buck電路的缺點,無論哪種工作模式,均沒有雙buck的性能優秀。這是導致效率不高的原因之一。多數人都知道。其三是三級電路的工作特性,導致其幹擾會比兩級的大。
以70W的HID鎮流器方案為例,有高頻的,有三級全橋低頻通用方案,還有兩級半橋雙buck方案,均以設計成功。其中,想說說低頻方案的兩級和三級最主要的特點:兩級半橋雙buck方案:成本上來說並不比三級便宜。但在性能上要比三級要好一些,如:輸出波形、溫升、效率等。但雙buck的控製較複雜,參數調試麻煩,互相牽製,調試之初稍有不慎,就會爆響,不過一旦參數調試OK後,便能可靠運行。至於恒功率控製精度及MCU整體控製和三級差不多,都是采用恒流方式來達到恒功率。三級全橋低頻通用方案:電路結構清晰,易懂,各部分獨立運作,便於調試,元件通用性強,便於采購。可以采用諧振點火,相對於兩級來說,可以省去點火MOSFET或IGBT。為了避免產品同質化,突出其差異化,現主要生產兩級半橋雙buck結構的金鹵燈電子鎮流器,相信隨著產量的提升,元器件成本就會有一定幅度的下降,到時將會比三級全橋結構更有優勢。
三級的效率其實不是問題。調試得當 91是沒太大問題的。可問題不在效率這裏。換向鋁電解的問題,的確是個問題,不然CCIyebuhuichurucifuzadeboxinglaikongzhi。danzhegewenti,genbenshanglaishuo,shikejiejuede,zhishikongzhidianlufuzayixieeryi。sanjidianluruguojiangyaweimuxianduan,zexuyaogaoyaqudong,qudongmafan。dangranzheyangdejieguoshiquyangfangbian。ruguozaididuan,zequyangbubian。quanqiaobukekongzhuangtai。
lunchengben,banqiaoliangjihequanqiaosanjinanfenshuigaoshuidi。lunxingneng,nanfenshuyoushulie,geyousuochanggeyousuoduan。guanjianshikanshuinengchitouyuanli,bakonghaogongyi,zheyangcainengzuochuwendingkekaodechanpin,xianzaijinludengzhenliuqixingyeyinqijishumenkangaodeyuanyin,jiagebingbuzuoweizhuyaoyinsukaolv,juedaduoshuhaitingliuzaichaoxidecengci,gengtanbushangshenkelijieshenzhigaijintigaodecengcisuiranyoudanshijishao。
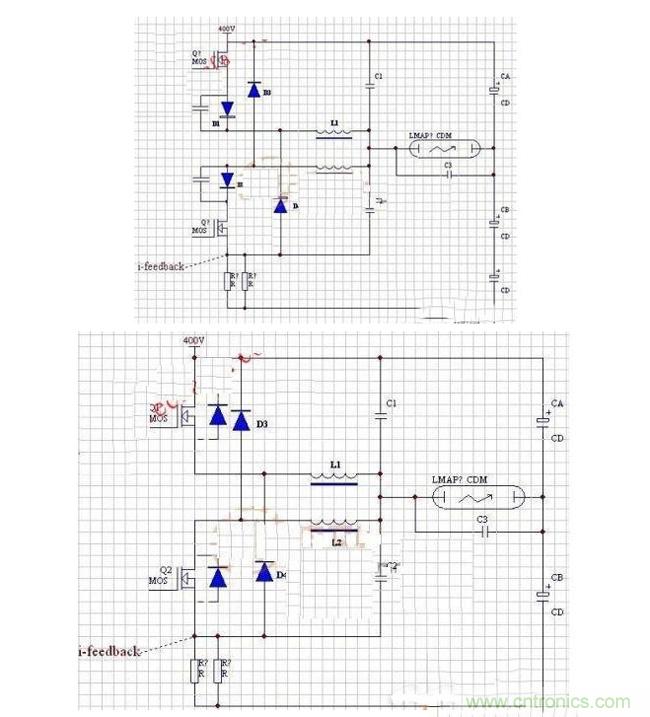
下麵就把它還原成實際應用的兩個拓撲。

在圖2中,為了防止Q1Q2瞬間同時導通(即死區)造成“天地通”,特加多一個電感,即使Q1Q2短時間同時導通,因電流不會突變,在三兩個微秒內,不致傷害。

在圖3中,在充分評估了自己對死區時間把控的信心後,隻用了一個電感;但Q1Q2體內都寄生著一個二極管,並且是慢恢複的,這樣會令並聯的D3D4不起作用,拖慢速度,發熱。所以串聯了D1D2低導通電壓的肖特基二極管,讓D3D4分別在自己的相區時段裏單獨起續流作用。
可以看到,C1C2C3的關係是並聯的,為什麼?因為CA、CB遠遠比它們大,在高頻脈衝電流狀態下C1C2C3相當於並聯。
再講時序,當換相,如:Q1停,輪到Q2工作的瞬間,當Q2開,此時L2上的壓降是200V(VA)+VL,慢慢過渡到200V(VA)-VL。這個瞬間給C2放電的電流並不經過電流采樣電阻,隨電功率大,C2容量也大,小功率時可以靠Q2硬撐,大功率時,幾十安的衝擊電流如何能撐?在這種拓撲裏,為了兼顧電流采樣的有效性C3遠遠小於C1C2。
雙buck的(de)成(cheng)本(ben)有(you)獨(du)到(dao)的(de)見(jian)解(jie),並(bing)將(jiang)其(qi)與(yu)三(san)級(ji)電(dian)路(lu)之(zhi)間(jian)進(jin)行(xing)了(le)對(dui)比(bi)分(fen)析(xi)。最(zui)後(hou)通(tong)過(guo)實(shi)例(li)的(de)方(fang)式(shi)為(wei)大(da)家(jia)進(jin)一(yi)步(bu)分(fen)析(xi)了(le)其(qi)中(zhong)的(de)不(bu)同(tong),希(xi)望(wang)大(da)家(jia)在(zai)閱(yue)讀(du)過(guo)本(ben)篇(pian)文(wen)章(zhang)之(zhi)後(hou)能(neng)夠(gou)有(you)所(suo)收(shou)獲(huo)。
特別推薦
- 噪聲中提取真值!瑞盟科技推出MSA2240電流檢測芯片賦能多元高端測量場景
- 10MHz高頻運行!氮矽科技發布集成驅動GaN芯片,助力電源能效再攀新高
- 失真度僅0.002%!力芯微推出超低內阻、超低失真4PST模擬開關
- 一“芯”雙電!聖邦微電子發布雙輸出電源芯片,簡化AFE與音頻設計
- 一機適配萬端:金升陽推出1200W可編程電源,賦能高端裝備製造
技術文章更多>>
- 2026藍牙亞洲大會暨展覽在深啟幕
- 新市場與新場景推動嵌入式係統研發走向統一開發平台
- 維智捷發布中國願景
- 2秒啟動係統 • 資源受限下HMI最優解,米爾RK3506開發板× LVGL Demo演示
- H橋降壓-升壓電路中的交替控製與帶寬優化
技術白皮書下載更多>>
- 車規與基於V2X的車輛協同主動避撞技術展望
- 數字隔離助力新能源汽車安全隔離的新挑戰
- 汽車模塊拋負載的解決方案
- 車用連接器的安全創新應用
- Melexis Actuators Business Unit
- Position / Current Sensors - Triaxis Hall
熱門搜索
接口IC
介質電容
介質諧振器
金屬膜電阻
晶體濾波器
晶體諧振器
晶體振蕩器
晶閘管
精密電阻
精密工具
景佑能源
聚合物電容
君耀電子
開發工具
開關
開關電源
開關電源電路
開關二極管
開關三極管
科通
可變電容
可調電感
可控矽
空心線圈
控製變壓器
控製模塊
藍牙
藍牙4.0
藍牙模塊
浪湧保護器



