典型功率MOSFET驅動保護電路設計方案
發布時間:2016-07-15 責任編輯:wenwei
【導讀】功率場效應晶體管由於承受短時過載的能力較弱,使其應用受到一定的限製。本文分析了MOSFET器件驅動與保護電路的設計要求,計算了MOSFET驅動器的功耗及MOSFET驅動器與MOSFET的匹配之後,在此基礎上設計了基於IR2130驅動模塊的MOSFET驅(qu)動(dong)保(bao)護(hu)電(dian)路(lu)。該(gai)電(dian)路(lu)具(ju)有(you)結(jie)構(gou)簡(jian)單(dan),實(shi)用(yong)性(xing)強(qiang),響(xiang)應(ying)速(su)度(du)快(kuai)等(deng)特(te)點(dian)。在(zai)驅(qu)動(dong)無(wu)刷(shua)直(zhi)流(liu)電(dian)機(ji)的(de)應(ying)用(yong)中(zhong)證(zheng)明(ming),該(gai)電(dian)路(lu)驅(qu)動(dong)能(neng)力(li)及(ji)保(bao)護(hu)功(gong)能(neng)效(xiao)果(guo)良(liang)好(hao)。
功率場效應晶體管(Power MOSFET)是一種多數載流子導電的單極型電壓控製器件,具有開關速度快、高頻性能好、輸入阻抗高、噪聲小、驅動功率小、動態範圍大、無二次擊穿現象和安全工作區域(SOA)寬等優點,因此,在高性能的開關電源、斬波電源及電機控製的各種交流變頻電源中獲得越來越多的應用。但相比於絕緣柵雙極型晶體管IGBT或大功率雙極型晶體管GTR等,MOSFET管具有較弱的承受短時過載能力,因而其實際使用受到一定的限製。如何設計出可靠和合理的驅動與保護電路,對於充分發揮MOSFET功率管的優點,起著至關重要的作用,也是有效利用MOSFET管的前提和關鍵。文中用IR2130驅動模塊為核心,設計了功率MOSFET驅qu動dong保bao護hu電dian路lu應ying用yong與yu無wu刷shua直zhi流liu電dian機ji控kong製zhi係xi統tong中zhong,同tong時shi也ye闡chan述shu了le本ben電dian路lu各ge個ge部bu分fen的de設she計ji要yao求qiu。該gai設she計ji使shi係xi統tong功gong率lv驅qu動dong部bu分fen的de可ke靠kao性xing大da大da的de提ti高gao。
1 功率MOSFET保護電路設計
功率場效應管自身擁有眾多優點,但是MOSFET管具有較脆弱的承受短時過載能力,特別是在高頻的應用場合,所以在應用功率MOSFET對必須為其設計合理的保護電路來提高器件的可靠性。功率MOSFET保護電路主要有以下幾個方麵:
1)防止柵極 di/dt過高:youyucaiyongqudongxinpian,qishuchuzukangjiaodi,zhijiequdonggonglvguanhuiyinqiqudongdegonglvguankuaisudekaitongheguanduan,youkenengzaochenggonglvguanlouyuanjijiandedianyazhendang,huozheyoukenengzaochenggonglvguanzaoshouguogaodedi/dt而引起誤導通。為避免上述現象的發生,通常在MOS驅動器的輸出與MOS管的柵極之間串聯一個電阻,電阻的大小一般選取幾十歐姆。
2)防止柵源極間過電壓 youyuzhajiyuyuanjidezukanghengao,loujiyuyuanjijiandedianyatubianhuitongguojijiandianrongouhedaozhajierchanshengxiangdanggaodezhayuanjianfengdianya,cidianyahuishihenbodezhayuanyanghuacengjichuan,tongshizhajihenrongyijileidianheyehuishizhayuanyanghuacengjichuan,suoyiyaozaiMOS管柵極並聯穩壓管以限製柵極電壓在穩壓管穩壓值以下,保護MOS管不被擊穿,MOS管柵極並聯電阻是為了釋放柵極電荷,不讓電荷積累。
3)防護漏源極之間過電壓 雖然漏源擊穿電壓VDS一般都很大,但如果漏源極不加保護電路,同樣有可能因為器件開關瞬間電流的突變而產生漏極尖峰電壓,進而損壞MOS管,功率管開關速度越快,產生的過電壓也就越高。為了防止器件損壞,通常采用齊納二極管鉗位和RC緩衝電路等保護措施。
當電流過大或者發生短路時,功率MOSFET漏極與源極之間的電流會迅速增加並超過額定值,必須在過流極限值所規定的時間內關斷功率MOSFET,否則器件將被燒壞,因此在主回路增加電流采樣保護電路,當電流到達一定值,通過保護電路關閉驅動電路來保護MOSFET管。圖1是MOSFET管的保護電路,由此可以清楚的看出保護電路的功能。

圖1 功率管的保護電路
2 功率MOSFET驅動電路的設計
功率場效應晶體管的柵極對驅動電路的要求主要有以下幾個方麵:
1)產生的柵極驅動脈衝必須具有足夠的上升和下降速度,脈衝的前後沿要陡峭:
2)開通時以低電阻對柵極電容充電,關斷時為柵極電荷提供低電阻放電回路,以提高功率MOSFET的開關速度;
3)為了使功率MOSFET可靠導通,柵極驅動脈衝應有足夠的幅度和寬度;
4)功率MOSFET開關時所需的驅動電流為柵極電容的充放電電流,為了使開關波形有足夠的上升下降陡度,驅動電流要大。
MOSFET驅動器在驅動MOSFET功率管的功耗主要包括3個方麵:
1)MOSFET柵極電容的充電放電產生的功耗為:
Pc=CG×F×V2DD (1)
其中:CG為MOSFET柵極電容;VDD為MOSFET驅動器電源電壓;F為開關頻率。
2)MOSFET驅動器吸收靜態電流產生的功耗為:
PQ=(IQH×D+IQL(1-D))×VDD (2)
其中:IQH為驅動器輸入為高電平狀態的靜態電流;D為開關波形的占空比;IQL為驅動器輸入為低電平狀態的靜態電流。
3)MOSFET驅動器交越導通電流產生的功耗為:
PS=CC×F×VDD (3)
其中:CC為交越常數。
從上述公式可以推導出,在3部分功耗中其中柵極電容充放電功耗在MOSFET驅動器功耗中占的比例最高,特別是在很低的開關頻率時。同時根據公式減小柵極驅動電壓可以顯著減少驅動器的功耗。
在應用中使MOS管驅動器與MOS管匹配主要是根據功率MOS管導通和截止的速度快慢即柵極電壓的上升和下降時間,也即是MOS管柵極電容的充放電速度。MOS管柵極電容導通與截止的時間與MOS管驅動器的驅動電流的關係可以表示為:
T=(VxC)/I (4)
其中:T表示導通與截止時間,V表示MOS管柵極源極兩端的電壓,C表示柵極電容,I表示驅動器峰值驅動電流。
根據柵極電壓與柵極電容的乘積為柵極電荷Q則上式可轉化為T=Q/I.本設計中功率MOSFET采用IR公司的IRF3710S功率MOSFET芯片,從其datasheet可以得到MOSFET的柵極電荷為26 nC,導通/截止時間為106 ns,可以得到峰值驅動電流為,驅動電壓為12 V,本設計驅動芯片采用IR公司的IR2130驅動模塊,該芯片可用來驅動工作在母電壓不高於600 V的電路中的功率MOS門器件,其可輸出的最大正向峰值驅動電流為250mA,輸出驅動電壓為10~20V而反向峰值驅動電流為500 mA.它內部設計有過流、過壓及欠壓保護、封鎖和指示網絡,使用戶可方便的用來保護被驅動的MOS門功率管,加之內部自舉技術的巧妙運用使其可用於高壓係統,它還可對同一橋臂上下2個功率器件的門極驅動信號產生2μs互鎖延時時間。它自身工作和電源電壓的範圍較寬(3~20 V),在它的內部還設計有與被驅動的功率器件所通過的電流成線性關係的電流放大器,電路設計還保證了內部的3個通道的高壓側驅動器和低壓側驅動器可單獨使用,亦可隻用其內部的3個低壓側驅動器,並且輸入信號與TTL及COMS電平兼容。IR2130管腳如圖2所示。

圖2 IR2130管腳
圖2中HIN1~HIN3、LIN1~LIN3:逆變器上橋臂和下橋臂功率管的驅動信號輸入端,低電平有效。CA-、CAO、VSO:內部放大器的反相端、輸出端和同相端,可對主電路的電流進行檢測。ITRIP:過流信號檢測輸入端,可通過輸入電流信號來完成過流或直通保護。FAULT:過流、直通短路、過壓、欠壓保護輸出端,該端提供一個故障保護的指示信號。它在芯片內部是漏極開路輸出端,低電平有效。VB1~VB3:是懸浮電源連接端,通過自舉電容和快速恢複二極管為3個上橋臂功率管的驅動器提供內部懸浮電源,其中快速恢複二極管的作用是防止母線電壓倒流損壞器件,VS1~VS3是其對應的懸浮電源地端。HO1~HO3、LO1~LO3:逆變器上下橋臂功率開關器件驅動器信號輸出端。
在實際應用中,IR2130的設計也有一些不合理之處,在使用中應特別注意。
1)IR2130的故障輸出隻有一個通道,在實際應用中很難判斷是過流還是欠壓故障,特別是在上電過程中,控製電源必然從0上升至某值,在此過程中,IR2130deguzhangshuchuduanyinneibuqianyaerdongzuo,jiangcixinhaozuoweiguodianliuxinhaoquchufaqianjibaohudianlushi,ruguoqianjibaohudianlujuyouzisuogongneng,kenengshidianluwufaqidong。
2)由於IR2130的電流檢測輸入端直接與主電路連接,很容易引入幹擾而使係統停機或出現異常,因此,電流檢測電阻應采用無感電阻。
3)由於IR2130采用了不隔離的驅動方式,若主電路功率器件損壞,高壓將直接串入IR2130,引起IR2130永久性損壞,嚴重時還會將IR2130前級電路擊穿。
4)當IR2130的輸入信號來自微處理器時必須采取隔離措施,由於IR2130具有高側驅動功能,因此可使用普通光耦,以降低成本。
3 應用實例
永磁無刷直流電機是隨著高性能永磁材料、電機控製技術和電力電子技術發展而出現的一種新型電機,它既具有交流電機結構簡單、運行可靠、維護方便、壽命長等優點,又具備直流電機運行效率高、無勵磁損耗及調速性能好等諸多優點,且還具有功率密度高,低轉速,大轉矩的特點。它的應用已從最初的軍事工業,向航空航天、醫療、信息、家電以及工業自動化等領域迅速發展。
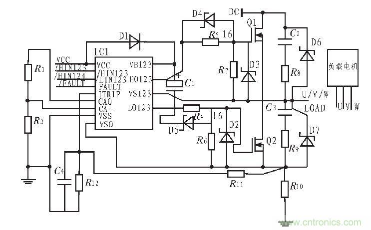
圖3是由IR2130組成的無刷直流電機驅動原理圖為便於表示隻畫出其中一個橋臂的電路示意圖,通過IR2130輸入信號控製MOSFET的開關,由此驅動無刷直流動機。C1是自舉電容,為上橋臂功率管驅動的懸浮電源存儲能量,D1的作用是防止上橋臂導通時母線電壓倒流到IR2130的電源上而使器件損壞,因此D1應有足夠的反向耐壓,當然D1與C1串聯也是為了滿足主電路功率開關頻率的要求,D1應選快速恢複二極管。 R1、R2、R10、R11、R12、C4組成過流檢測電路。R5、R6為柵極驅動電阻,D4、D5為功率管提供了一個低阻抗的放電回路,使功率管能夠快速的泄放電荷。

圖3 無刷直流電機驅動原理圖
功gong率lv場chang效xiao應ying管guan的de柵zha極ji與yu源yuan極ji之zhi間jian並bing聯lian了le一yi個ge電dian阻zu和he一yi個ge齊qi納na二er極ji管guan,電dian阻zu的de作zuo用yong是shi降jiang低di柵zha極ji與yu源yuan極ji間jian的de阻zu抗kang,齊qi納na二er極ji管guan的de作zuo用yong是shi防fang止zhi柵zha極ji與yu源yuan極ji間jian尖jian端duan電dian壓ya擊ji穿chuan功gong率lv管guan。同tong時shi在zai功gong率lv場chang效xiao應ying管guan的de漏lou極ji與yu源yuan極ji之zhi間jian並bing聯lian了le一yi個geRC電路和齊納二極管,由於器件開關瞬間電流的突變而產生漏極尖峰電壓,所以必須加上RC緩衝電路和齊納二極管對其進行保護。
在實際應用中柵極的驅動波形如圖4所示,此波形是在電機3000RPM時的驅動波形,可以看出此波形完全能夠滿足要求,同時進行了短路、電機堵轉等試驗,圖3電路也能過很好地保護功率MOSFET管。

圖4 柵極驅動波形
4 結束語
功率MOSFET驅qu動dong保bao護hu電dian路lu的de設she計ji可ke直zhi接jie決jue定ding係xi統tong對dui執zhi行xing機ji構gou的de驅qu動dong品pin質zhi。文wen中zhong針zhen對dui具ju體ti的de微wei電dian機ji驅qu動dong保bao護hu係xi統tong,有you針zhen對dui性xing地di功gong率lv驅qu動dong保bao護hu電dian路lu進jin行xing計ji算suan分fen析xi與yu設she計ji。實shi驗yan證zheng明ming該gai電dian路lu設she計ji簡jian單dan可ke靠kao,驅qu動dong與yu保bao護hu效xiao果guo良liang好hao,完wan全quan可ke以yi滿man足zu控kong製zhi係xi統tong對dui執zhi行xing機ji構gou的de驅qu動dong要yao求qiu。
【推薦閱讀】
特別推薦
- 噪聲中提取真值!瑞盟科技推出MSA2240電流檢測芯片賦能多元高端測量場景
- 10MHz高頻運行!氮矽科技發布集成驅動GaN芯片,助力電源能效再攀新高
- 失真度僅0.002%!力芯微推出超低內阻、超低失真4PST模擬開關
- 一“芯”雙電!聖邦微電子發布雙輸出電源芯片,簡化AFE與音頻設計
- 一機適配萬端:金升陽推出1200W可編程電源,賦能高端裝備製造
技術文章更多>>
- 貿澤EIT係列新一期,探索AI如何重塑日常科技與用戶體驗
- 算力爆發遇上電源革新,大聯大世平集團攜手晶豐明源線上研討會解鎖應用落地
- 創新不止,創芯不已:第六屆ICDIA創芯展8月南京盛大啟幕!
- AI時代,為什麼存儲基礎設施的可靠性決定數據中心的經濟效益
- 矽典微ONELAB開發係列:為毫米波算法開發者打造的全棧工具鏈
技術白皮書下載更多>>
- 車規與基於V2X的車輛協同主動避撞技術展望
- 數字隔離助力新能源汽車安全隔離的新挑戰
- 汽車模塊拋負載的解決方案
- 車用連接器的安全創新應用
- Melexis Actuators Business Unit
- Position / Current Sensors - Triaxis Hall
熱門搜索
微波功率管
微波開關
微波連接器
微波器件
微波三極管
微波振蕩器
微電機
微調電容
微動開關
微蜂窩
位置傳感器
溫度保險絲
溫度傳感器
溫控開關
溫控可控矽
聞泰
穩壓電源
穩壓二極管
穩壓管
無焊端子
無線充電
無線監控
無源濾波器
五金工具
物聯網
顯示模塊
顯微鏡結構
線圈
線繞電位器
線繞電阻


