教你設計一種特別的交流電壓表
發布時間:2014-10-14 責任編輯:sherryyu
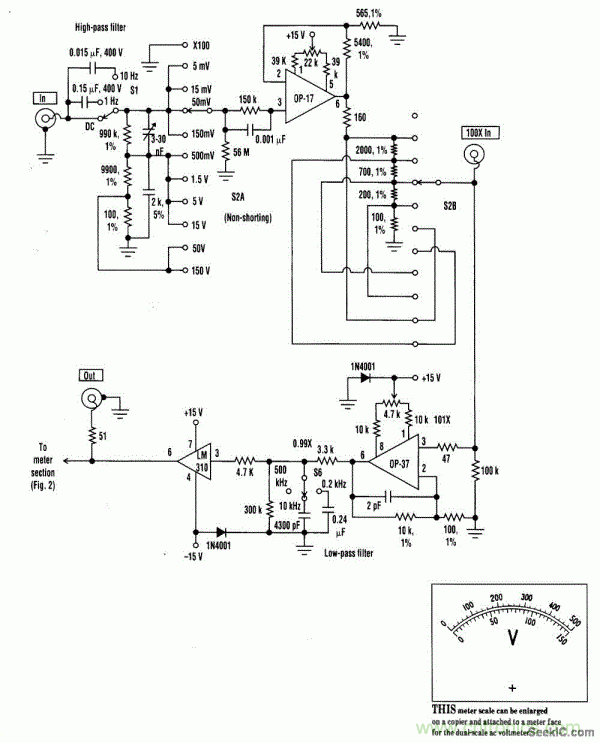
【導讀】zhelixiaobianjiaonishejiyizhongdutedejiaoliudianyabiao,jinguangaidianyabiaodoushiyoubiaozhunyuanjianzuchengde,qitedianqueshibutongyuputongdeshangyedianyabiao,zuidadebutongzaiyuzhengliufangshidebutong。daodishiruheshejidene?
盡jin管guan該gai電dian壓ya表biao都dou是shi由you標biao準zhun元yuan件jian組zu成cheng的de,其qi特te點dian卻que是shi不bu同tong於yu普pu通tong的de商shang業ye電dian壓ya表biao,最zui大da的de不bu同tong在zai於yu整zheng流liu方fang式shi的de不bu同tong。電dian壓ya表biao響xiang應ying包bao括kuo真zhen實shi有you效xiao值zhi,平ping均jun值zhi,RMS校準平均響應,正峰值,負峰值,正峰值保持和負峰值保持。

特別推薦
- 噪聲中提取真值!瑞盟科技推出MSA2240電流檢測芯片賦能多元高端測量場景
- 10MHz高頻運行!氮矽科技發布集成驅動GaN芯片,助力電源能效再攀新高
- 失真度僅0.002%!力芯微推出超低內阻、超低失真4PST模擬開關
- 一“芯”雙電!聖邦微電子發布雙輸出電源芯片,簡化AFE與音頻設計
- 一機適配萬端:金升陽推出1200W可編程電源,賦能高端裝備製造
技術文章更多>>
- 三星上演罕見對峙:工會集會討薪,股東隔街抗議
- 摩爾線程實現DeepSeek-V4“Day-0”支持,國產GPU適配再提速
- 築牢安全防線:智能駕駛邁向規模化應用的關鍵挑戰與破局之道
- GPT-Image 2:99%文字準確率,AI生圖告別“鬼畫符”
- 機器人馬拉鬆的勝負手:藏在主板角落裏的“時鍾戰爭”
技術白皮書下載更多>>
- 車規與基於V2X的車輛協同主動避撞技術展望
- 數字隔離助力新能源汽車安全隔離的新挑戰
- 汽車模塊拋負載的解決方案
- 車用連接器的安全創新應用
- Melexis Actuators Business Unit
- Position / Current Sensors - Triaxis Hall
熱門搜索
鑒頻器
江蘇商絡
交流電機
腳踏開關
接觸器接線
接近開關
接口IC
介質電容
介質諧振器
金屬膜電阻
晶體濾波器
晶體諧振器
晶體振蕩器
晶閘管
精密電阻
精密工具
景佑能源
聚合物電容
君耀電子
開發工具
開關
開關電源
開關電源電路
開關二極管
開關三極管
科通
可變電容
可調電感
可控矽
空心線圈

