具有電壓指示的蓄點知保護電路設計
發布時間:2014-07-21 責任編輯:sherryyu
【導讀】benwenweidajiajieshaodeshiyikuanjuyoudianyazhishigongnengdexudianchibaohudianlu,dangxudianchidianyachuyuzhengchangfanweidedianyazhishidianluzhengchanggongdian,yidanqidianyadiyumouyidianyazhijitingzhiduiwaifangdian,tongshibanyouzhishidengshanshuoxianshi。
zheshiyikuanjuyoudianyazhishigongnengdexudianchibaohudianlu,dangxudianchidianyachuyuzhengchangfanweidedianyazhishidianluzhengchanggongdian,yidanqidianyadiyumouyidianyazhijitingzhiduiwaifangdian,tongshibanyouzhishidengshanshuoxianshi。lurutusuoshi。

具有電壓指示的蓄點知保護電路
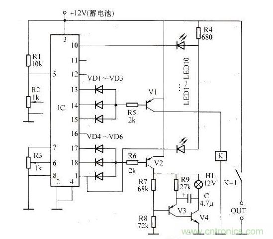
電電路工作原理:由圖可知,IC及外圍元件組成蓄電池電壓檢測電路,IC為10點LED電平指示集成電路,當IC指示輸出電壓時其對應的某個輸出端為低電平,並使對應的一隻LED點亮,以指示此時蓄電池的電壓大小。R1、R2組成分壓器,從R2兩端取出檢測電壓送至IC的輸入端(第5腳)。當蓄電池電壓處於正常電壓範圍時,則IC第13~15腳中的某腳為低電平,因此V1導通使繼電器吸合,其動合觸點K-1接通,電路“OUT”端輸出電壓。由於該電路中IC的工作方式設置為點狀方式,當電池電壓變化時其對應的指示輸出端被選通,且與之相對應的LED管被點亮,並根據電池電壓的正常與否,將繼電器觸點K1斷開或接通。
該電路中,當蓄電池電壓低於其放電電壓的最低值時,將使IC第17、18、1腳中的某腳選通,由晶體管V3、V4構成的簡易振蕩電路獲得工作電壓而起振,使閃爍指示燈HL不斷閃爍,以提醒人們此時需要對蓄電池進行充電。該指示燈HL的閃爍頻率可由電阻R8、電容C來確定,電子愛好者可自行選擇。當V2導通時,V1處於截止狀態,在指示燈HL閃爍顯示時電器觸點K-1斷開,使蓄電池停止向負載電路供電,從而保護了蓄電池。用來顯示蓄電池電壓大小的顯示裝置由LED1~LED10組成,在每隻LED下方應標出與蓄電池相對應的電壓大小。當某隻LED點亮時便可直觀地了解到此時電池電壓的變化情況。
元器件選擇:IC為10點LED電平指示驅動集成電路LM3914,LED1~LED10選用2×5mm綠色發光二極管,組成顯示陣列。二極管VD1~VD6選用lN4148,晶體管V1~V3選用C9O12,V4選用D882*率管。HL為12V燈泡外加紅色罩。繼電器K可根據需要選用合適的12V直流繼電器,電阻均為具有1/8W功率的碳膜電阻,R2為可調電阻。
特別推薦
- 噪聲中提取真值!瑞盟科技推出MSA2240電流檢測芯片賦能多元高端測量場景
- 10MHz高頻運行!氮矽科技發布集成驅動GaN芯片,助力電源能效再攀新高
- 失真度僅0.002%!力芯微推出超低內阻、超低失真4PST模擬開關
- 一“芯”雙電!聖邦微電子發布雙輸出電源芯片,簡化AFE與音頻設計
- 一機適配萬端:金升陽推出1200W可編程電源,賦能高端裝備製造
技術文章更多>>
- 築基AI4S:摩爾線程全功能GPU加速中國生命科學自主生態
- 一秒檢測,成本降至萬分之一,光引科技把幾十萬的台式光譜儀“搬”到了手腕上
- AI服務器電源機櫃Power Rack HVDC MW級測試方案
- 突破工藝邊界,奎芯科技LPDDR5X IP矽驗證通過,速率達9600Mbps
- 通過直接、準確、自動測量超低範圍的氯殘留來推動反滲透膜保護
技術白皮書下載更多>>
- 車規與基於V2X的車輛協同主動避撞技術展望
- 數字隔離助力新能源汽車安全隔離的新挑戰
- 汽車模塊拋負載的解決方案
- 車用連接器的安全創新應用
- Melexis Actuators Business Unit
- Position / Current Sensors - Triaxis Hall
熱門搜索
微波功率管
微波開關
微波連接器
微波器件
微波三極管
微波振蕩器
微電機
微調電容
微動開關
微蜂窩
位置傳感器
溫度保險絲
溫度傳感器
溫控開關
溫控可控矽
聞泰
穩壓電源
穩壓二極管
穩壓管
無焊端子
無線充電
無線監控
無源濾波器
五金工具
物聯網
顯示模塊
顯微鏡結構
線圈
線繞電位器
線繞電阻



