數字電容隔離器的磁場抗擾度
發布時間:2012-03-30 來源:德州儀器 (TI)
中心議題:
- 判斷磁場方向的基本物理定則
- 介紹電容隔離器的結構
- 數字電容隔離器的磁場抗擾度分析
數字電容隔離器的應用環境通常包括一些大型電動馬達、發電機以及其他產生強電磁場的設備。暴露在這些磁場中,可引起潛在的數據損壞問題,因為電勢(EMF, 即這些磁場形成的電壓)會幹擾數據信號傳輸。由於存在這種潛在威脅,因此許多數字隔離器用戶都要求隔離器具備高磁場抗擾度 (MFI)。許多數字隔離器技術都聲稱具有高 MFI,但電容隔離器卻因其設計和內部結構擁有幾乎無窮大的 MFI。本文將對其設計進行詳細的介紹。
基本物理定則
諸如電動機的電源線等帶電導體,其周圍便是一個由流經它的電流形成的磁場。應用右手定則(請參見圖 1),我們很容易便可以確定該磁場的方向。該定則的內容如下:用右手握住導體,然後拇指指向電流的方向,這時環繞導體的手指便指向磁場的方向。因此,磁通線的平麵始終與電流垂直。
圖 1 顯示了 DC 電流的磁通密度 B。就 AC 電流而言,將右手定則用於兩個方向,磁場和 AC 電流都隨同一個頻率 f 而變化:B(f) ~ I(f)。磁場(或者更加精確的說法是磁通密度及其相應磁場強度)隨導體中心軸距離的增加而減弱。這些關係可以表示為:
以及
其中,B 為以第平方米伏秒 (V•s/m2) 表示的磁通密度,μ0 為自由空間中的磁導率(計算方法為 4π × 10–7 V•s/A•m),I 為以安培為單位的電流,r 為以米為單位的導體距離,而 H 為以安培每米 (A/m) 為單位的磁場強度。

圖 1 右手定則
磁場線穿過附近導體環路時,它們會產生一個 EMF,其強度大小取決於環路麵積和通量密度及磁場頻率:
EMF 為以伏特為單位的電勢,f 為磁場頻率,而 A 為以平方米 (m2) 為單位的環路麵積。
所有隔離器都有一定形狀或者形式的導電環路,以讓磁場線穿過並產生 EMF。如果強度足夠大,則這種疊加到信號電壓上的 EMF 就jiu會hui導dao致zhi錯cuo誤wu數shu據ju傳chuan輸shu。實shi際ji上shang,一yi些xie隔ge離li技ji術shu對dui電dian磁ci幹gan擾rao非fei常chang敏min感gan。為wei了le理li解jie電dian容rong隔ge離li器qi為wei什shen麼me不bu受shou磁ci場chang的de影ying響xiang,我wo們men需xu要yao對dui其qi內nei部bu結jie構gou進jin行xing研yan究jiu。
電容隔離器的結構
電容隔離器由兩塊矽芯片—一個發送器和一個接收機組成(請參見圖 2)。數據傳輸在由兩個電容構成的差動隔離層之間進行,在每個電容的二氧化矽 (SiO2) 電(dian)介(jie)質(zhi)兩(liang)端(duan)都(dou)有(you)一(yi)塊(kuai)銅(tong)頂(ding)片(pian)和(he)一(yi)個(ge)導(dao)電(dian)矽(gui)底(di)片(pian)。發(fa)送(song)器(qi)芯(xin)片(pian)的(de)驅(qu)動(dong)器(qi)輸(shu)出(chu)通(tong)過(guo)一(yi)些(xie)接(jie)合(he)線(xian)連(lian)接(jie)到(dao)接(jie)收(shou)機(ji)芯(xin)片(pian)上(shang)隔(ge)離(li)電(dian)容(rong)的(de)頂(ding)片(pian)。通(tong)過(guo)將(jiang)電(dian)容(rong)的(de)底(di)片(pian)連(lian)接(jie)接(jie)收(shou)機(ji)輸(shu)入(ru)構(gou)成(cheng)了(le)一(yi)個(ge)導(dao)電(dian)環(huan)路(lu)。圖(tu) 3 顯示了隔離層的等效電路結構圖,並標示出了金接合線之間的環路區域。很明顯,穿過該環路的磁場將會產生一個 EMF,其表示下麵 RC 網絡的輸入電壓噪聲 Vn1。我們常常碰到的第二種差動噪聲部分 Vn2,其產生原因是共模噪聲到差動噪聲的轉換。兩個噪聲分量共同組成了綜合噪聲 Vn。如果隻考慮 EMF 的影響,則可以保守地將 Vn 一分為二:
![]()

圖 2 電容隔離器內部結構的簡化結構圖[page]

圖 3 隔離層的等效電路結構圖
若要觸發接收機,RC 網絡的輸出必須提供一個差動輸入電壓 VID,其超出了接收機輸入閾值。是否出現偽觸發,具體取決於 RC 網絡的增益響應 G(f)。
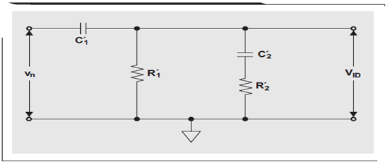
將差動網絡轉換為單端網絡(請參見圖 4),簡化了 G (f) 的推導過程,但卻要求 C′1 = 2C1,R′1= R1/2,C′2 = 2C2,以及 R′2 = R2/2。

圖 4 單端 RC 網絡
一次電路仿真證實了 RC 網絡為一個一階高通濾波器,其 C′1 和 R′1 為主要組件,頻率高達 100 MHz(參見圖 5 中藍色曲線)。超出這一頻率以後,寄生組件 C′2 和R′2生效,從而引起稍稍偏離於線性的斜率。因此,頻率達到 100 MHz 以後,增益響應可以表示為 VID/vn 的比:

確定不會引起偽接收機觸發的最大允許噪聲,要求對方程式 5 求解 vn:

然後,將 vn 代入方程式 4,得到以伏特為單位的最大容許 EMF:

將 EMF 代入方程式 3,得到最大可能磁通密度:

圖 5 增益幅度頻率響應 |G(f)|
[page]
通過將下列數值插入方程式 8 中,推導出表 1 所列磁通密度的頻變值:
VID = 10 mV(接收機輸入閾值的大小)
R′1 × C′1 = 25 ps(有效時間常數)
A = 944 × 10–9 m2(有效環路麵積)
f = 1 kHz to 100 MHz(相關頻率範圍)
表 1 距離電容隔離器 0.1m 的導體的電流值和磁場值

利用方程式 2 和 3 還得到 EMF、磁場強度 (H) 以及導體(此處假設將來的隔離器為 0.1 m)的相應電流 (I)。
由表 1 所列的一些極高值,清楚地表明 5 兆安低頻電流和 100MHz 下 500A 電流都不能讓這種隔離器停止正常工作。出現這種幾乎無限 MFI 的原因是隔離電容的位置。如果這些電容位於發送器芯片上,則任何接合線中產生的 EMF 都能夠影響到未受幹擾的接收機輸入。
很明顯,這種高 MFI 值不可能進行實際的測試。電容隔離器的產品說明書說明了僅 1000 A/m 的適度值作為實際測試用。然而,無屏蔽電容隔離器可以輕鬆通過 IEC61000-4-8 和 IEC61000-4-9 標準的 5 級 MFI 要求。這些標準分別描述了高達 100 A/m 電源頻率電磁場以及 1000 A/m 脈衝電磁場的應用。5 級規定了許多導體、總線或者中高壓線路的惡劣工業環境,它們都攜帶有數萬安的電流。另外還包括許多攜帶全部雷電電流的雷電保護係統和高層建築結構(例如:電纜塔等)的接地導體。重型工業廠房和電站的室外配電裝置也是這種環境的代表。
圖 6 將電容隔離器的計算得 MFI 閾值同 IEC 61000-4-8 和 IEC 61000-4-9 的 5 級(最高)測試水平進行了對比。

圖 6 MFI 測試閾值
結論
超出電容隔離器差動電路噪聲預算的磁耦合要求 1MHz 下大於 11.7 V•s/m2(117千高斯) 的磁通量密度。這需要在一個距離器件 0.1m 的導體中有超過 5 百bai萬wan安an的de電dian流liu才cai能neng產chan生sheng這zhe樣yang一yi個ge磁ci場chang。在zai自zi然ran界jie或huo者zhe任ren何he製zhi造zao設she備bei中zhong這zhe都dou是shi不bu可ke能neng存cun在zai的de。如ru果guo的de確que存cun在zai,那na麼me設she計ji人ren員yuan便bian可ke做zuo以yi下xia情qing況kuang假jia設she:在隔離層失效以前,周圍的電路便都已失效。
- 噪聲中提取真值!瑞盟科技推出MSA2240電流檢測芯片賦能多元高端測量場景
- 10MHz高頻運行!氮矽科技發布集成驅動GaN芯片,助力電源能效再攀新高
- 失真度僅0.002%!力芯微推出超低內阻、超低失真4PST模擬開關
- 一“芯”雙電!聖邦微電子發布雙輸出電源芯片,簡化AFE與音頻設計
- 一機適配萬端:金升陽推出1200W可編程電源,賦能高端裝備製造
- 2026藍牙亞洲大會暨展覽在深啟幕
- 新市場與新場景推動嵌入式係統研發走向統一開發平台
- 維智捷發布中國願景
- 2秒啟動係統 • 資源受限下HMI最優解,米爾RK3506開發板× LVGL Demo演示
- H橋降壓-升壓電路中的交替控製與帶寬優化
- 車規與基於V2X的車輛協同主動避撞技術展望
- 數字隔離助力新能源汽車安全隔離的新挑戰
- 汽車模塊拋負載的解決方案
- 車用連接器的安全創新應用
- Melexis Actuators Business Unit
- Position / Current Sensors - Triaxis Hall




