TVS二極管特性及應用
發布時間:2012-03-19
- TVS器件的特性及主要參數
- 選用TVS的注意事項TVS在電路設計中的典型應用
- TVS在電路設計中的典型應用
瞬態電壓抑製器是一種二極管形式的高效能保護器件,具有極快的響應時間和相當高的浪湧吸收能力。當TVSdeliangduanshoudaofanxiangshuntaiguoyamaichongshi,nengyijigaodesudubaliangduanjiandegaozukangbianweidizukang,yixishoushunjiandadianliu,bingjiangdianyaqianzhizaiyudingshuzhi,congeryouxiaobaohudianluzhongdeyuanqijianmianshousunhuai。benwenjiangshuleTVS器件的主要特性參數和選用注意事項,同時給出了TVS在電路設計中的應用方法。
1 TVS器件的特性及主要參數
1.1 TVS的器件特性
在規定的反向應用條件下,TVS對受保護的線路呈高阻抗狀態。當瞬間電壓超過其擊穿電壓時,TVS就會提供一個低阻抗的路徑,並通過大電流方式使流向被保護元器件的瞬間電流分流到TVS二極管,同時將受保護元器件兩端的電壓限製在TVS的箝製電壓。當過壓條件消失後,TVS又恢複到高阻抗狀態。與陶瓷電容相比,TVS可以承受15 kV的電壓,但陶瓷電容對高壓的承受能力比較弱。5 kV的衝擊就會造成約10%陶瓷電容失效,而到10 kV時,其損壞率將高達到60%。
1.2 TVS器件的主要參數
(1)最小擊穿電壓VBR
當TVS流過規定的電流時,TVS兩端的電壓稱為最小擊穿電壓,在此區域,TVS呈低阻抗的通路。在25℃時,低於這個電壓,TVS是不會發生雪崩擊穿的。
(2)額定反向關斷電壓VWM
VWM是TVSzaizhengchangzhuangtaishikechengshoudedianya,cidianyayingdayuhuodengyubeibaohudianludezhengchanggongzuodianya。dantayouxuyaojinliangyubeibaohudianludezhengchanggongzuodianyajiejin,zheyangcaibuhuizaiTVS工作以前使整個電路麵對過壓威脅。按TVS的VBR與標準值的離散度,可把VBR分為5%和10%兩種,對於5%的VBR來說,VWM=0.85VBR腿;而對於10%的VBR來說,VWM=0.81VBR。
(3)最大峰值脈衝電流IPP
IPP是TVS在反向狀態工作時,在規定的脈衝條件下,器件允許通過的最大脈衝峰值電流。
(4)箝位電壓Vc
當脈衝峰值電流Ipp流過TVS時,其兩端出現的最大電壓值稱為箝位電壓Vc。Vc和Ipp反映了TVS的浪湧抑製能力。通常把Vc與VBR之比稱為箝位因子(係數),其值一般在1.2~1.4之間。實際使用時,應使Vc不大於被保護電路的最大允許安全電壓,否則被保護器件將麵臨被損壞的可能。
(5)最大峰值脈衝功耗PM
PM通常是最大峰值脈衝電流Ipp與箝位電壓Vc的乘積,也就是最大峰值脈衝功耗。它是TVS能承受的最大峰值脈衝功耗值。在給定的最大鉗位電壓下,功耗PM越大,其浪湧電流的承受能力越大。另外,峰值脈衝功耗還與脈衝波形、脈衝持續時間和環境溫度有關。而且,TVS所能承受的瞬態脈衝是不可重複施加的。
(6)電容量C
TVS的電容是由其矽片的截麵積和偏置電壓來決定的,它是在1 MHz特定頻率下測得的。C的大小與TVS的電流承受能力成正比,C太大,將使信號衰減。因此,電容C是數據接口電路選用TVS的重要參數。
(7)漏電流IR
IR是最大反向工作電壓施加到TVS上時,TVS管的漏電流。當TVS用於高阻抗電路時,這個漏電流IR一個重要參數。
2 選用TVS的注意事項
在選用TVS時,根據電路的具體情況,一般應考慮以下幾個主要因素:
首先,由於雙向TVS可(ke)以(yi)在(zai)正(zheng)反(fan)兩(liang)個(ge)方(fang)向(xiang)吸(xi)收(shou)瞬(shun)時(shi)大(da)脈(mai)衝(chong)功(gong)率(lv),並(bing)把(ba)電(dian)壓(ya)箝(qian)製(zhi)到(dao)預(yu)定(ding)水(shui)平(ping)。因(yin)此(ci),若(ruo)電(dian)路(lu)有(you)可(ke)能(neng)承(cheng)受(shou)來(lai)自(zi)兩(liang)個(ge)方(fang)向(xiang)的(de)浪(lang)湧(yong)電(dian)壓(ya)衝(chong)擊(ji)時(shi),應(ying)當(dang)選(xuan)用(yong)雙(shuang)向(xiang)TVS。雙向TVS一般適用於交流電路,單向TVS一般用於直流電路。另外,箝位電壓Vc不大於被保護電路的最大允許安全電壓。
其次,就是最大峰值脈衝功耗PM必須大於電路中出現的最大瞬態浪湧功率。但是,在實際應用過程中,浪湧有可能重複地出現,在這種情況下,即使單個的脈衝能量比TVS器件可承受的脈衝能量要小得多,但是,如果重複施加,這些單個的脈衝能量積累起來,也可能在某些情況下超過TVS器件所能承受的脈衝能量。因此,在電路設計時,必須在這點上認真考慮並選用合適的TVS器件,以使其在規定的間隔時間內,重複施加脈衝能量的累積不至於超過TVS器件的脈衝能量額定值。
[page]
第三,在實際應用過程中,對最大反向工作電壓必須有正確的選取,一般原則是以交流電壓的1.4倍來選取TVS管的最大反向工作電壓。直流電壓則按1.1~1.2倍來選取TVS管的最高反向工作電壓。
3 TVS在電路設計中的典型應用
在實際的應用電路中,處理瞬時脈衝對器件損害的最好辦法,就是將瞬時電流從敏感器件引開。為達到這一目的,將TVS在線路板上與被保護線路並聯。這樣,當瞬時電壓超過電路正常工作電壓後,TNS將發生雪崩擊穿,從而提供給瞬時電流一個超低阻抗的通路,其結果是瞬時電流通過TVS被引開,從而避開被保護器件,並且在電壓恢複正常值之前使被保護回路一直保持截止電壓。在此之後,當瞬時脈衝結束以後,TVS二極管再自動恢複至高阻狀態,整個回路進入正常電壓狀態。以下是TVS在電路應用中的幾個典型實例。
3.1 TVS在交流電路中的應用
圖1所示是一個雙向TVS在交流電路中的應用電路。應用TVS可以有效地抑製電網帶來的過載脈衝,從而起到保護整流橋及負載中所有元器件的作用。圖1中的TVS箝位電壓應不大於電路的最大允許電壓。

圖1 TVS用於交流電路
3.2 用TVS保護直流穩壓電源
圖2是一個直流穩壓電源,在其穩壓輸出端加上TVS,可以保護使用該電源的儀器設備,同時還可以吸收電路中晶體管的集電極到發射極間的峰值電壓,從而保護晶體管。建議在每個穩壓源的輸出端增加一個TVS管,這樣可以大幅度地提高整機的可靠性。

圖2 TVS保護直流穩壓電源實例
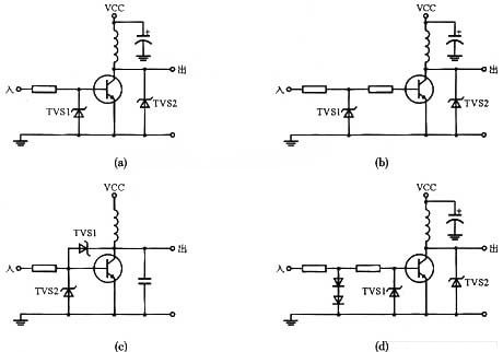
3.3 用TVS保護晶體管電路
各種瞬變電壓能使晶體管的EB結或CE結擊穿而損壞,特別是晶體管集電極有感性(線圈、變壓器、電動機)負載時,通常會產生高壓反電勢,因而可能使晶體管損壞。在實際應用中,建議采用TVS作為保護器件。圖3所示為TVS保護晶體管的四種電路實例。
3.4 集成電路的保護
由於現代IC的集成度越來越高,而其耐壓則越來越低,因而很容易受到瞬變電壓的衝擊而損壞,故須采取保護措施。通常在CMOS電路的輸入端及輸出端都有保護網路,為了可靠起見,在各整機對外接口處也增加了各種保護網絡。圖4給出了用TVS對TTL及CMOS器件進行保護的有關電路措施。

圖3 基於TVS的晶體管保護電路
[page]
3.5 用TVS保護集成運放
集(ji)成(cheng)運(yun)放(fang)對(dui)外(wai)界(jie)電(dian)應(ying)力(li)非(fei)常(chang)敏(min)感(gan)。因(yin)此(ci),在(zai)使(shi)用(yong)運(yun)放(fang)的(de)過(guo)程(cheng)中(zhong),如(ru)果(guo)因(yin)操(cao)作(zuo)失(shi)誤(wu)或(huo)采(cai)取(qu)了(le)不(bu)正(zheng)常(chang)的(de)工(gong)作(zuo)條(tiao)件(jian),往(wang)往(wang)會(hui)出(chu)現(xian)過(guo)大(da)的(de)電(dian)壓(ya)或(huo)電(dian)流(liu),特(te)別(bie)是(shi)浪(lang)湧(yong)和(he)靜(jing)電(dian)脈(mai)衝(chong),從(cong)而(er)很(hen)容(rong)易(yi)使(shi)運(yun)放(fang)受(shou)損(sun)或(huo)失(shi)效(xiao)。圖(tu)5所示是用TVS在運放差模輸入端防止過壓損傷的保護電路。

圖4 TVS保護集成運放實例
4 結束語
本文主要講述了TVS器件的特性和主要參數,以及選用器件時的注意事項,同時給出了器件在電路設計中的典型應用電路,以便加深電路設計人員對TVS的認識,為設計出高可靠性的應用電路提供基礎。雖然目前的TVS在國內的應用正處於推廣階段,但我們有理由相信,隨著越來越多的設計者對TVS的認識不斷加深以及TVS所表現出來的優異性能,TVS器件最終將獲得極為廣泛的應用。
- 噪聲中提取真值!瑞盟科技推出MSA2240電流檢測芯片賦能多元高端測量場景
- 10MHz高頻運行!氮矽科技發布集成驅動GaN芯片,助力電源能效再攀新高
- 失真度僅0.002%!力芯微推出超低內阻、超低失真4PST模擬開關
- 一“芯”雙電!聖邦微電子發布雙輸出電源芯片,簡化AFE與音頻設計
- 一機適配萬端:金升陽推出1200W可編程電源,賦能高端裝備製造
- 一秒檢測,成本降至萬分之一,光引科技把幾十萬的台式光譜儀“搬”到了手腕上
- AI服務器電源機櫃Power Rack HVDC MW級測試方案
- 突破工藝邊界,奎芯科技LPDDR5X IP矽驗證通過,速率達9600Mbps
- 通過直接、準確、自動測量超低範圍的氯殘留來推動反滲透膜保護
- 從技術研發到規模量產:恩智浦第三代成像雷達平台,賦能下一代自動駕駛!
- 車規與基於V2X的車輛協同主動避撞技術展望
- 數字隔離助力新能源汽車安全隔離的新挑戰
- 汽車模塊拋負載的解決方案
- 車用連接器的安全創新應用
- Melexis Actuators Business Unit
- Position / Current Sensors - Triaxis Hall



