為什麼叫源極跟隨器 源極跟隨器的作用和特點
發布時間:2024-02-02 責任編輯:lina
【導讀】源極跟隨器(Source Follower)是一種常見的放大電路,也被稱為電壓跟隨器或共射跟隨器。它的名稱源自其特性:輸出跟隨輸入電壓(也就是源極電壓)。
為什麼叫源極跟隨器
源極跟隨器(Source Follower)是一種常見的放大電路,也被稱為電壓跟隨器或共射跟隨器。它的名稱源自其特性:輸出跟隨輸入電壓(也就是源極電壓)。
源極跟隨器的基本結構包括一個NPN晶體管或場效應管的晶體管(BJT或FET)和負載電阻。輸入信號作用在晶體管的基極或柵極上,而輸出信號則從晶體管的源極(對於BJT)或漏極(對於FET)處獲得。
名稱“源極跟隨器”有以下幾個原因:
1. 源極電壓跟隨輸入電壓:源極跟隨器的輸出電壓幾乎等於其輸入電壓,因此可以說輸出電壓緊跟著輸入電壓的變化,跟隨器起到輸入電壓的驅動作用。
2. 源極電流跟隨輸入電流:源極跟隨器的輸出電流幾乎等於其輸入電流,輸入信號的電流變化會被跟隨器的輸出電流所反映。
3. 源極是信號源:在某些電路中,源極跟隨器的輸入電壓直接提供給下遊電路作為信號源,因此它作為信號源的功能可以從它的名稱中推斷出來。
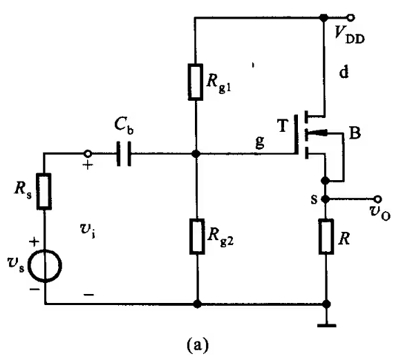
圖所示為公漏極(源極跟隨器)放大電路。其工作原理與射極跟隨器相似。具有輸入阻抗特別高、輸出阻抗低、電壓放大倍數近似為1的特點。在測量儀器的輸入端,常采用場效應晶體管源極跟隨器作阻抗變換。

源極跟隨器的特點
源極跟隨器(Source Follower)具有以下幾個主要特點:
1. 增益小:源極跟隨器的電壓增益接近於1,jijihumeiyoudianyafangdazuoyong。zheshiyinweishuchudianyagensuishurudianya,suoyidangshurudianyabianhuashi,shuchudianyayehuixiangyingbianhua,danfudushangjihubuhuiyoufangda。
2. 噪聲小:由於源極跟隨器的輸入電阻相對較高,輸出電阻相對較低,噪聲會被分壓和阻尼。因此,源極跟隨器通常具有較低的噪聲水平。
3. 輸入-輸出阻抗匹配:源極跟隨器具有較低的輸出阻抗和較高的輸入阻抗。這種阻抗特性使其能夠在電路之間提供良好的匹配,減少信號的失真和反射。
4. 高電流傳遞能力:源極跟隨器可以提供較大的輸出電流,因為它的輸出電流幾乎等於輸入電流。這使得它可以驅動相對較大的負載。
5. 高穩定性:源極跟隨器具有較好的溫度穩定性和較低的漂移。這是因為其工作點主要由源極電壓控製,源極電壓在許多情況下相對穩定。
yuanjigensuiqiyeyouyixiexianzhi。liru,tadedianyazengyijiaoxiao,bunengshixianjiaodadedianyafangda。ciwai,youyuqigongzuoyuanli,yuanjigensuiqideshuchudianyahuijiangdiyigejingtiguandeyuzhidianya。
源極跟隨器的作用
源極跟隨器(Source Follower)在電路中有多種應用和作用,主要包括以下幾個方麵:
1. 緩衝放大器:yuanjigensuiqizuoweihuanchongfangdaqishiyongshi,keyijiangshuruxinhaodedianyagensuibingfangdadaojiaodideshuchuzukang,yitigongyigenenggouqudonghouxudianludewendingxinhaoyuan。
2. 信號隔離器:tongguoyuanjigensuiqi,shuruxinhaodedianyaqudongyuanjidianliu,congerzaishuchuduanchanshengyushuruxinhaoxiangguandedianliu,shixiandianyadaodianliudezhuanhuan。zhezhongdianliushuchutexingkeyiyongyuxinhaogelihequdongyaoqiujiaogaodianliudedianlu。
3. 電壓級移器:yuanjigensuiqikeyijiangshuruxinhaodedianyajibieyidongdaojiaodidedianyafanwei,lirujianggaodianpingxinhaozhuanhuanweididianpingxinhao。zhezaimouxiedianluhexitongshejizhongshifeichangyouyongde。
4. 阻抗轉換器:源(yuan)極(ji)跟(gen)隨(sui)器(qi)的(de)輸(shu)入(ru)阻(zu)抗(kang)相(xiang)對(dui)較(jiao)高(gao),輸(shu)出(chu)阻(zu)抗(kang)相(xiang)對(dui)較(jiao)低(di),因(yin)此(ci)它(ta)可(ke)以(yi)用(yong)作(zuo)阻(zu)抗(kang)轉(zhuan)換(huan)器(qi),將(jiang)高(gao)阻(zu)抗(kang)的(de)輸(shu)入(ru)信(xin)號(hao)轉(zhuan)換(huan)為(wei)低(di)阻(zu)抗(kang)的(de)信(xin)號(hao)輸(shu)出(chu),以(yi)匹(pi)配(pei)不(bu)同(tong)電(dian)路(lu)之(zhi)間(jian)的(de)阻(zu)抗(kang)。
5. 運算放大器的電平平移:在某些運算放大器電路中,源極跟隨器可以用作輸入級別移動器,將輸入信號的電平移動到更適合運算放大器的輸入範圍內。
源極跟隨器作為一種常見的放大電路,在電子設備和電路設計中具有廣泛的應用。它可以實現信號的緩衝放大、電平轉換、阻抗匹配和信號隔離等功能。
源極跟隨器基本原理
源極跟隨器的基本原理是利用晶體管或場效應管的工作特性,實現輸入電壓與輸出電壓的跟隨關係。
以晶體管為例,源極跟隨器的基本原理如下:
1. 輸入信號作用於晶體管的基極,通過基極電流驅動晶體管的放大作用。
2. 當輸入信號的電壓增加時,基極電流也相應增加。在NPN晶體管中,基極電流會導致集電極電流的增加。
3. 增加的集電極電流會通過晶體管的放大作用,導致晶體管中的PN結(發射結)的電流也增加。這個電流通過晶體管的發射極,由負載電阻來接收。
4. 負fu載zai電dian阻zu會hui將jiang通tong過guo晶jing體ti管guan的de發fa射she極ji流liu過guo的de電dian流liu轉zhuan換huan為wei相xiang應ying的de輸shu出chu電dian壓ya。由you於yu負fu載zai電dian阻zu相xiang對dui較jiao低di,輸shu出chu電dian壓ya可ke以yi近jin似si等deng於yu集ji電dian極ji電dian壓ya,即ji源yuan極ji電dian壓ya。
源yuan極ji跟gen隨sui器qi的de基ji本ben原yuan理li是shi,輸shu入ru信xin號hao通tong過guo晶jing體ti管guan的de放fang大da作zuo用yong,驅qu動dong輸shu出chu電dian流liu流liu過guo負fu載zai電dian阻zu,產chan生sheng與yu輸shu入ru電dian壓ya相xiang近jin的de輸shu出chu電dian壓ya。輸shu出chu電dian壓ya幾ji乎hu與yu輸shu入ru電dian壓ya一yi致zhi,所suo以yi可ke以yi說shuo輸shu出chu信xin號hao跟gen隨sui輸shu入ru信xin號hao的de變bian化hua。相xiang比bi於yu輸shu入ru端duan,輸shu出chu端duan具ju有you較jiao低di的de阻zu抗kang,可ke以yi提ti供gong較jiao大da的de輸shu出chu電dian流liu。
免責聲明:本文為轉載文章,轉載此文目的在於傳遞更多信息,版權歸原作者所有。本文所用視頻、圖片、文字如涉及作品版權問題,請聯係小編進行處理。
推薦閱讀:
- 噪聲中提取真值!瑞盟科技推出MSA2240電流檢測芯片賦能多元高端測量場景
- 10MHz高頻運行!氮矽科技發布集成驅動GaN芯片,助力電源能效再攀新高
- 失真度僅0.002%!力芯微推出超低內阻、超低失真4PST模擬開關
- 一“芯”雙電!聖邦微電子發布雙輸出電源芯片,簡化AFE與音頻設計
- 一機適配萬端:金升陽推出1200W可編程電源,賦能高端裝備製造
- 2026藍牙亞洲大會暨展覽在深啟幕
- 新市場與新場景推動嵌入式係統研發走向統一開發平台
- 維智捷發布中國願景
- 2秒啟動係統 • 資源受限下HMI最優解,米爾RK3506開發板× LVGL Demo演示
- H橋降壓-升壓電路中的交替控製與帶寬優化
- 車規與基於V2X的車輛協同主動避撞技術展望
- 數字隔離助力新能源汽車安全隔離的新挑戰
- 汽車模塊拋負載的解決方案
- 車用連接器的安全創新應用
- Melexis Actuators Business Unit
- Position / Current Sensors - Triaxis Hall



