小功率電機驅動方案中如何選擇驅動IC
發布時間:2023-06-09 責任編輯:lina
【導讀】電機驅動作為工業4.0中工廠自動化整個閉環中的執行器環節,其性能好壞直接影響到整個閉環的性能。因此,工業4.0對電機驅動提出了更高的性能和功能要求,例如更快的響應速度、更高的帶寬、更高精度的位置和速度控製、以(yi)及(ji)更(geng)豐(feng)富(fu)的(de)網(wang)絡(luo)互(hu)聯(lian)功(gong)能(neng)等(deng)。針(zhen)對(dui)不(bu)同(tong)應(ying)用(yong)場(chang)合(he)的(de)電(dian)機(ji),我(wo)們(men)應(ying)該(gai)選(xuan)擇(ze)與(yu)之(zhi)相(xiang)對(dui)應(ying)的(de)驅(qu)動(dong)方(fang)案(an)。簡(jian)單(dan)地(di)來(lai)說(shuo),功(gong)率(lv)大(da)的(de)電(dian)機(ji)應(ying)該(gai)選(xuan)用(yong)內(nei)阻(zu)小(xiao)、電流容許大的驅動,功率小的電機就可以選用較低功率的驅動。
小功率電機驅動方案及驅動IC的選擇
電機驅動作為工業4.0中工廠自動化整個閉環中的執行器環節,其性能好壞直接影響到整個閉環的性能。因此,工業4.0對電機驅動提出了更高的性能和功能要求,例如更快的響應速度、更高的帶寬、更高精度的位置和速度控製、以(yi)及(ji)更(geng)豐(feng)富(fu)的(de)網(wang)絡(luo)互(hu)聯(lian)功(gong)能(neng)等(deng)。針(zhen)對(dui)不(bu)同(tong)應(ying)用(yong)場(chang)合(he)的(de)電(dian)機(ji),我(wo)們(men)應(ying)該(gai)選(xuan)擇(ze)與(yu)之(zhi)相(xiang)對(dui)應(ying)的(de)驅(qu)動(dong)方(fang)案(an)。簡(jian)單(dan)地(di)來(lai)說(shuo),功(gong)率(lv)大(da)的(de)電(dian)機(ji)應(ying)該(gai)選(xuan)用(yong)內(nei)阻(zu)小(xiao)、電流容許大的驅動,功率小的電機就可以選用較低功率的驅動。直流小功率電機廣泛適用於家電、工控、計算機等諸多設備。較常規的方法是采用 PWM 控製,常見的驅動有兩種方式:
一、采用集成電機驅動芯片;
二、采用MOSFET和專用柵極驅動芯片。

圖1
在高集成度的應用中,傳統電機控製鏈路MCU + Gate Driver + MOSFET(如圖1)中已經出現了MCU+ Pre-Driver集成,或是Pre-Driver+MOSFET功率模組集成的方式,甚至在一些小功率應用中還出現了集成全部鏈路的情形。而在便攜設備、IOT和5G應用中,對電機驅動在高精度、小型化、高集成度、低功耗的要求越來越高;而自動化生產線則對電機驅動的高可靠性和長壽命提出了苛刻的要求。
按集成度的不同,有3種電機驅動器方案:係統單芯片(SoC)方案、集成的控製方案(ICS)和門極驅動器方案。
SoC方案將DC-DC、門極驅動器、控製器、逆變器及反饋/保護等集成到單個芯片上,集成度高,適合空間受限的應用,簡單易用。
ICS方案相對於SoC方案,沒有集成逆變器,因而可通過外部MOSFET支持寬範圍的功率,適用於功率較大的應用,靈活性較高。
門極驅動器方案則隻集成DC-DC、門極驅動器和反饋/保護,因為控製器和功率器件都在外部,所以具有的靈活度。
門級驅動方案因其靈活性和傳統性,在非汽車市場有較多的應用,比如應用在風扇、電動工具、按摩椅等小功率場合。有隔離門級驅動產品和非隔離門級驅動產品。
數明半導體提供高可靠性的門級驅動,產品覆蓋200V及600V工作電壓範圍,可供客戶選擇各種驅動電流以及半橋、全橋設計。
數明的非隔離門級驅動產品中,200V IGBT/MOSFET 半橋驅動IC有SLM2001、SLM2003、SLM2004、SLM2005;160V IGBT/MOSFET 三相全橋驅動IC有SLM7888;600V IGBT/MOSFET半橋驅動IC SLM21XX和SLM2304S以及三相全橋驅動IC SLM2136。非隔離門級驅動產品具有高可靠性及廣泛兼容性,更寬的驅動能力。
隔離式半橋柵極驅動器可用於許多應用,從要求高功率密度和效率的隔離式DC-DC電源模塊,到高隔離電壓和長期可靠性至關重要的太陽能逆變器等等,不一而足。數明的新兼容光耦隔離式單通道柵極驅動器係列產品SLM34x,與傳統的光耦柵極驅動器相比,具有低延時,低脈寬失真,共模瞬態抗擾度能力強,壽命長,工作溫度範圍寬等一係列優點、工作電壓範圍更寬,輸入端抗負壓能力更強,可在變頻,伺服,UPS,感應加熱等不同領域進行應用。

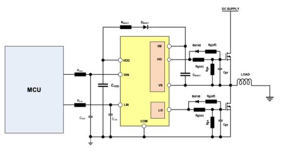
圖2
今天的內容主要涉及數明的非隔離式半橋驅動產品,如圖2為典型半橋應用電路。
非隔離半橋在電機控製、開關電源、工業自動化等領域目前已經得到了廣泛的應用,數明的非隔離式半橋驅動產品應用廣泛,比如說SLM2106S應用於電吹風,SLM2101S成功打入了吊扇、無葉風扇、破壁機、風扇、暖風機等市場,SLM2XX在白色家電產品中都占據了不小的市場份額;三相驅動產品比如SLM2136也在跑步機、工業縫紉機、水泵等工控場合有一定的市場,SLM7888在電動車、角磨機一類的電動工具市場站穩了腳跟。今天主要涉及到數明的半橋驅動IC在小功率電機驅動中的應用。
在上文提到的各類小功率應用的電機驅動電路的設計中,主要考慮:
1. 電機轉動方向、速度。對於單向的電機驅動,隻要用一個大功率三極管或MOS直接帶動電機即可,當電機需要雙向轉動時,可以使用由4個功率元件組成的H橋電路,通過改變流入電機的電流方向從而改變電機轉向。如果需要調速,可以使用三極管,MOS等開關元件實現PWM(脈衝寬度調製)調速。(PWM控(kong)製(zhi)通(tong)常(chang)配(pei)合(he)橋(qiao)式(shi)驅(qu)動(dong)電(dian)路(lu)實(shi)現(xian)直(zhi)流(liu)電(dian)機(ji)調(tiao)速(su),電(dian)機(ji)的(de)轉(zhuan)速(su)與(yu)電(dian)機(ji)兩(liang)端(duan)的(de)電(dian)壓(ya)成(cheng)比(bi)例(li),而(er)電(dian)機(ji)兩(liang)端(duan)的(de)電(dian)壓(ya)與(yu)控(kong)製(zhi)波(bo)形(xing)的(de)占(zhan)空(kong)比(bi)成(cheng)正(zheng)比(bi),因(yin)此(ci)電(dian)機(ji)的(de)速(su)度(du)與(yu)占(zhan)空(kong)比(bi)成(cheng)比(bi)例(li),占(zhan)空(kong)比(bi)越(yue)大(da),電(dian)機(ji)轉(zhuan)得(de)越(yue)快(kuai),當(dang)占(zhan)空(kong)比(bi)α=1 時,電機轉速)
2. 對於PWM調速的電機驅動電路,選擇驅動IC時主要有以下性能指標需要考慮:
1)輸出電流和耐壓,它決定著電路能驅動多大功率的電機。
2)效率,節省電源同時減少驅動電路的發熱。可以從保證功率器件的開關工作狀態和防止共態導通(在需要涉及為H橋時)入手。
3)對控製輸入端的影響,是否使用隔離式驅動IC。
4)對電源的影響。
5)可(ke)靠(kao)性(xing)。在(zai)係(xi)統(tong)應(ying)用(yong)中(zhong),由(you)於(yu)門(men)極(ji)驅(qu)動(dong)連(lian)接(jie)著(zhe)邏(luo)輯(ji)控(kong)製(zhi)單(dan)元(yuan)與(yu)功(gong)率(lv)變(bian)換(huan)單(dan)元(yuan),門(men)極(ji)驅(qu)動(dong)芯(xin)片(pian)的(de)穩(wen)定(ding)性(xing)對(dui)整(zheng)個(ge)係(xi)統(tong)的(de)可(ke)靠(kao)性(xing)起(qi)著(zhe)至(zhi)關(guan)重(zhong)要(yao)的(de)作(zuo)用(yong)。
因此,不同的應用場合,采用不同的驅動方案是必要的。

圖3-1

圖3-2
在小功率應用場合,門級驅動方案應用廣,選取合適的門級驅動IC是極為重要的。MOSFET開關速度快、導通電阻低,在電機驅動電路中占據半壁江山。要想使MOSFET在應用中充分發揮其性能,驅動電路必不可少。在應用中,MOSFET一般工作在如圖1所示的橋式拓撲結構模式下。由於下橋MOSFET驅動電壓的參考點為地,較容易設計驅動電路,而上橋的驅動電壓是跟隨相線電壓浮動的,因此如何很好地驅動上橋MOSFET成了設計能否成功的關鍵。相比全橋驅動,半橋驅動芯片由於其易於設計驅動電路、外圍元器件少、驅動能力強、可靠性高、靈活等優點在MOSFET驅動電路中得到廣泛應用。數明的半橋門級驅動芯片是不錯的選擇。門級驅動IC的兩個主要參數:耐壓和驅動電流。如圖3所示,前文提到的SLM2101、SLM2106S皆有600V耐壓,290/600mA 的驅動電流(MOSFET的柵-源極之間存在寄生電容,MOSFET的開和關過程,是對電容的充放電過程,如果MOSFET的驅動電路不能提供足夠的峰值電流(輸入/輸出電流),則會降低MOSFET的開關速度。所以,根據不同的產品,來選取不同的驅動IC驅動電機至關重要),是具有高低側參考輸出通道,耐壓高、高速的MOSFET和IGBT驅動IC,邏輯輸入兼容標準CMOS或LSTTL輸出,邏輯電壓可降至3.3 V。輸出驅動器的特點是一個高脈衝電流緩衝級設計的驅動器交叉傳導。浮動通道可用於驅動n通道功率MOSFET或IGBT在高側配置,耐壓達600V,通斷時間220 ns/200 ns。而SLM2101S通斷時間為160 ns/150 ns。
免責聲明:本文為轉載文章,轉載此文目的在於傳遞更多信息,版權歸原作者所有。本文所用視頻、圖片、文字如涉及作品版權問題,請聯係小編進行處理。
推薦閱讀:
- 噪聲中提取真值!瑞盟科技推出MSA2240電流檢測芯片賦能多元高端測量場景
- 10MHz高頻運行!氮矽科技發布集成驅動GaN芯片,助力電源能效再攀新高
- 失真度僅0.002%!力芯微推出超低內阻、超低失真4PST模擬開關
- 一“芯”雙電!聖邦微電子發布雙輸出電源芯片,簡化AFE與音頻設計
- 一機適配萬端:金升陽推出1200W可編程電源,賦能高端裝備製造
- 築基AI4S:摩爾線程全功能GPU加速中國生命科學自主生態
- 一秒檢測,成本降至萬分之一,光引科技把幾十萬的台式光譜儀“搬”到了手腕上
- AI服務器電源機櫃Power Rack HVDC MW級測試方案
- 突破工藝邊界,奎芯科技LPDDR5X IP矽驗證通過,速率達9600Mbps
- 通過直接、準確、自動測量超低範圍的氯殘留來推動反滲透膜保護
- 車規與基於V2X的車輛協同主動避撞技術展望
- 數字隔離助力新能源汽車安全隔離的新挑戰
- 汽車模塊拋負載的解決方案
- 車用連接器的安全創新應用
- Melexis Actuators Business Unit
- Position / Current Sensors - Triaxis Hall



