在物聯網設計中應用電源管理解決方案
發布時間:2023-03-01 責任編輯:lina
【導讀】本文探討了物聯網電池技術。它描述了設計人員在電源方麵麵臨的一些問題,並提供了 Analog Devices 的解決方案。這些解決方案非常高效,可以幫助解決物聯網設備中的其他問題,包括尺寸、重量和溫度。
本文探討了物聯網電池技術。它描述了設計人員在電源方麵麵臨的一些問題,並提供了 Analog Devices 的解決方案。這些解決方案非常高效,可以幫助解決物聯網設備中的其他問題,包括尺寸、重量和溫度。
隨著物聯網設備在工業設備、家庭自動化和醫療應用中的使用越來越多,優化這些設備的電源管理部分的壓力越來越大——要麼通過減小尺寸、提高效率、改gai善shan電dian流liu消xiao耗hao,要yao麼me加jia快kuai充chong電dian時shi間jian。所suo有you這zhe些xie都dou必bi須xu以yi小xiao尺chi寸cun的de形xing式shi實shi現xian,既ji不bu會hui對dui散san熱re產chan生sheng負fu麵mian影ying響xiang,也ye不bu會hui幹gan擾rao這zhe些xie設she備bei實shi現xian的de無wu線xian通tong信xin。
什麼是物聯網?
這個物聯網應用領域有許多不同的形式。它通常指的是一種智能的、聯網的電子設備,可能由電池供電,並將預先計算的數據發送到基於雲的基礎設施。它利用處理器、通信 IC 和傳感器等嵌入式係統的組合來收集、xiangyingshujubingjiangshujufasonghuiwangluozhongdezhongxindianhuoqitajiedian。zhekeyishirenhedongxi,congshiwendejiandanwenduchuanganqidaozhongyangjiankongquyuyizhidaogenzongfeichangangguidegongchangshebeidechangqixingnengshujudejiqijiankangjianshiqi。
終zhong,開kai發fa這zhe些xie設she備bei是shi為wei了le解jie決jue特te定ding的de挑tiao戰zhan,無wu論lun是shi自zi動dong化hua通tong常chang需xu要yao人ren工gong幹gan預yu的de任ren務wu,如ru家jia庭ting或huo樓lou宇yu自zi動dong化hua,還hai是shi在zai工gong業ye物wu聯lian網wang應ying用yong中zhong提ti高gao設she備bei的de可ke用yong性xing和he壽shou命ming,或huo者zhe如ru果guo您nin考kao慮lv在zai基ji於yu結jie構gou的de應ying用yong程cheng序xu(例如橋梁)中實施基於狀態的監控應用程序,甚至可以提高安全性。
示例應用程序
物聯網設備的應用領域幾乎是無窮無盡的。基於智能發射器的應用程序收集有關它們所在環境的數據,以做出有關控製熱量、觸發警報或自動執行任務的決策。此外,燃氣表和空氣質量測量係統等便攜式儀器可通過雲向控製中心提供準確的測量結果。GPS 跟(gen)蹤(zong)係(xi)統(tong)是(shi)另(ling)一(yi)種(zhong)應(ying)用(yong)。它(ta)們(men)允(yun)許(xu)通(tong)過(guo)智(zhi)能(neng)耳(er)標(biao)跟(gen)蹤(zong)集(ji)裝(zhuang)箱(xiang)和(he)牲(sheng)畜(chu)。這(zhe)些(xie)隻(zhi)是(shi)雲(yun)連(lian)接(jie)設(she)備(bei)的(de)一(yi)小(xiao)部(bu)分(fen)。其(qi)他(ta)領(ling)域(yu)包(bao)括(kuo)可(ke)穿(chuan)戴(dai)醫(yi)療(liao)保(bao)健(jian)和(he)基(ji)礎(chu)設(she)施(shi)傳(chuan)感(gan)應(ying)用(yong)。
一yi個ge重zhong要yao的de增zeng長chang領ling域yu是shi工gong業ye物wu聯lian網wang應ying用yong,它ta是shi第di四si次ci工gong業ye革ge命ming的de一yi部bu分fen。物wu聯lian網wang應ying用yong範fan圍wei廣guang泛fan,終zhong都dou在zai嚐chang試shi盡jin可ke能neng多duo地di實shi現xian工gong廠chang自zi動dong化hua,無wu論lun是shi通tong過guo使shi用yong自zi動dong導dao引yin車che、射頻標簽或壓力計等智能傳感器,還是放置在工廠周圍的其他環境傳感器。工廠。
從 ADI 的角度來看,物聯網的重點在五個主要領域:
智能健康:支持臨床層麵和消費者應用的生命體征監測應用
智能工廠:通過使工廠響應更快、更靈活、更精簡,專注於構建工業 4.0
智能建築/智能城市:使用智能傳感實現建築安全、停車位占用檢測以及熱電控製
智能農業:利用現有技術實現自動化農業和資源利用效率
智能基礎設施:基於我們基於狀態的監測技術來監測運動和結構健康
有關這些重點領域和支持它們的可用技術的更多信息,請訪問analog.com/IoT。
物聯網設計挑戰
在zai不bu斷duan增zeng長chang的de物wu聯lian網wang應ying用yong領ling域yu,設she計ji師shi麵mian臨lin的de主zhu要yao挑tiao戰zhan是shi什shen麼me?大da多duo數shu這zhe些xie設she備bei或huo節jie點dian都dou是shi事shi後hou安an裝zhuang或huo安an裝zhuang在zai難nan以yi到dao達da的de區qu域yu,因yin此ci不bu可ke能neng為wei它ta們men供gong電dian。當dang然ran,這zhe意yi味wei著zhe它ta們men完wan全quan依yi賴lai電dian池chi和he/或能量收集作為電源。
在(zai)大(da)型(xing)設(she)施(shi)周(zhou)圍(wei)移(yi)動(dong)電(dian)力(li)可(ke)能(neng)非(fei)常(chang)昂(ang)貴(gui)。例(li)如(ru),考(kao)慮(lv)為(wei)工(gong)廠(chang)中(zhong)的(de)遠(yuan)程(cheng)物(wu)聯(lian)網(wang)節(jie)點(dian)供(gong)電(dian)。運(yun)行(xing)新(xin)電(dian)源(yuan)線(xian)為(wei)該(gai)設(she)備(bei)供(gong)電(dian)的(de)想(xiang)法(fa)既(ji)昂(ang)貴(gui)又(you)耗(hao)時(shi),這(zhe)基(ji)本(ben)上(shang)使(shi)電(dian)池(chi)供(gong)電(dian)或(huo)能(neng)量(liang)收(shou)集(ji)成(cheng)為(wei)為(wei)這(zhe)些(xie)遠(yuan)程(cheng)節(jie)點(dian)供(gong)電(dian)的(de)剩(sheng)餘(yu)選(xuan)項(xiang)。
對dui電dian池chi電dian源yuan的de依yi賴lai需xu要yao遵zun循xun嚴yan格ge的de功gong率lv預yu算suan,以yi確que保bao電dian池chi的de使shi用yong壽shou命ming化hua,這zhe當dang然ran會hui對dui設she備bei的de總zong擁yong有you成cheng本ben產chan生sheng影ying響xiang。使shi用yong電dian池chi的de另ling一yi個ge缺que點dian是shi在zai電dian池chi壽shou命ming到dao期qi後hou需xu要yao更geng換huan電dian池chi。這zhe不bu僅jin包bao括kuo電dian池chi本ben身shen的de成cheng本ben,還hai包bao括kuo更geng換huan和he可ke能neng處chu置zhi舊jiu電dian池chi的de潛qian在zai高gao昂ang人ren力li成cheng本ben。
關於電池成本和尺寸的額外考慮因素:很容易過度設計電池以確保有足夠的容量來達到通常超過 10 niandeshiyongshoumingyaoqiu。raner,guodushejihuidaozhiewaidechengbenhechicun,yincibujinyaoyouhuagonglvyusuan,haiyaojinkenengjianshaonengyuanshiyong,yianzhuangrengnengmanzunindeshejiyaoqiudejinkenengxiaodedianchi,zheyidianfeichangzhongyao。
物聯網的力量
出於本次電源討論的目的,物聯網應用的電源可分為三種情況:
依賴不可充電電池供電的設備(原電池)
需要充電電池的設備
利用能量收集來提供係統電源的設備
如果應用程序需要,這些源可以單獨使用或組合使用。
原電池應用
不可充電電池應用適用於僅偶爾使用電源的應用——yejiushishuo,shebeiouerhuizaifanhuishendushuimianmoshizhiqiantongdian,zaigaimoshixiataxiaohaodedianliangshao。shiyongtazuoweidianyuandezhuyaoyoudianshitatigonggaonengliangmiduhegengjiandandesheji,yinweininbuxuyaorongnadianchichongdian/管理電路,以及更低的成本,因為電池更便宜且需要更少的電子產品。它們非常適合低成本、低功耗應用。但是,由於電池的使用壽命有限,因此不太適合功耗稍高的應用。
考慮具有許多節點的大型 IoT anzhuang。youyuninyouyimingjishurenyuanzaixianchangweiyitaishebeigenghuandianchi,yincitongchanghuigenghuansuoyoudianchiyijieshengrengongchengben。dangran,zheshiyizhonglangfei,zhihuijiajulangfeiwenti。zhongyaodeshi,bukechongdiandianchijintigongchuzhizaotamensuoyongdianliangde 2% 左右。約 98% 的能源浪費使它們成為非常不經濟的電源。
顯(xian)然(ran),這(zhe)些(xie)在(zai)基(ji)於(yu)物(wu)聯(lian)網(wang)的(de)應(ying)用(yong)程(cheng)序(xu)中(zhong)確(que)實(shi)占(zhan)有(you)一(yi)席(xi)之(zhi)地(di)。它(ta)們(men)相(xiang)對(dui)較(jiao)低(di)的(de)初(chu)始(shi)成(cheng)本(ben)使(shi)其(qi)成(cheng)為(wei)低(di)功(gong)耗(hao)應(ying)用(yong)的(de)理(li)想(xiang)選(xuan)擇(ze)。有(you)許(xu)多(duo)不(bu)同(tong)的(de)類(lei)型(xing)和(he)尺(chi)寸(cun)可(ke)供(gong)選(xuan)擇(ze),並(bing)且(qie)由(you)於(yu)它(ta)們(men)不(bu)需(xu)要(yao)太(tai)多(duo)額(e)外(wai)的(de)電(dian)子(zi)設(she)備(bei)來(lai)進(jin)行(xing)充(chong)電(dian)或(huo)管(guan)理(li),因(yin)此(ci)它(ta)們(men)是(shi)一(yi)種(zhong)簡(jian)單(dan)的(de)解(jie)決(jue)方(fang)案(an)。
從設計的角度來看,關鍵的挑戰是充分利用這些電源提供的能量。為此,製定功率預算計劃以確保電池壽命化非常重要,10 年是常見的壽命目標。
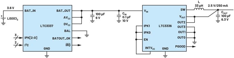
對於原電池應用,ADI 毫微功耗係列產品中的兩個部分值得考慮:LTC3337 毫微功耗庫侖計數器和 LTC3336 毫微功耗降壓穩壓器,如圖 1 所示。
LTC3336 是一款低功率 DC-DC 轉換器,輸入電壓高達 15V,具有可編程峰值輸出電流電平。輸入電壓可低至 2.5 V,非常適合電池供電應用。
在無負載情況下進行調節時,靜態電流極低,僅為 65nA。隨著 DC-DC 轉換器的發展,這很容易在新設計中設置和使用。輸出電壓根據 OUT0 至 OUT3 引腳的連接方式進行編程。
LTC3336 的配套器件是 LTC3337,這是一款納瓦級原電池健康狀態監視器和庫侖計數器。這是另一種易於在新設計中使用的器件——隻需根據所需的峰值電流(在 5 mA 至 100 mA 範圍內)連接 IPK 引腳即可。根據您選擇的電池運行一些計算,然後根據數據表中注明的所選峰值電流填充推薦的輸出上限。
zhong,zheshiyiduishiyongyugonglvyusuanyouxiandewulianwangyingyongdeshebei。zhexiebujianjikeyizhunquejiankongyuandianchidenengliangshiyongqingkuang,youkeyiyouxiaodijiangshuchuzhuanhuanweikeyongdexitongdianya。

圖 1:LTC3337 和 LTC3336 應用電路
充電電池應用
讓rang我wo們men繼ji續xu討tao論lun可ke充chong電dian應ying用yong。對dui於yu無wu法fa選xuan擇ze電dian池chi更geng換huan頻pin率lv的de更geng高gao功gong率lv或huo更geng高gao耗hao電dian的de物wu聯lian網wang應ying用yong,這zhe些xie是shi不bu錯cuo的de選xuan擇ze。由you於yu電dian池chi和he充chong電dian電dian路lu的de初chu始shi成cheng本ben,可ke充chong電dian電dian池chi應ying用yong是shi一yi種zhong成cheng本ben較jiao高gao的de實shi施shi方fang案an,但dan在zai電dian池chi經jing常chang耗hao盡jin和he充chong電dian的de高gao耗hao電dian應ying用yong中zhong,成cheng本ben是shi合he理li的de並bing且qie很hen快kuai就jiu能neng收shou回hui成cheng本ben。
根gen據ju所suo使shi用yong的de化hua學xue物wu質zhi,可ke充chong電dian電dian池chi應ying用yong的de初chu始shi能neng量liang可ke能neng低di於yu原yuan電dian池chi,但dan從cong長chang遠yuan來lai看kan,它ta是shi更geng高gao效xiao的de選xuan擇ze,總zong體ti上shang浪lang費fei更geng少shao。根gen據ju電dian力li需xu求qiu,另ling一yi種zhong選xuan擇ze是shi電dian容rong器qi或huo超chao級ji電dian容rong器qi存cun儲chu,但dan這zhe些xie更geng適shi合he短duan期qi備bei用yong存cun儲chu。
電池充電涉及多種不同的模式和配置文件,具體取決於所使用的化學物質。例如,鋰離子電池充電曲線如圖 2 所示。底部是電池電壓,充電電流在垂直軸上。

圖 2:充電電流與電池電壓

圖 3:充電電壓/電流與時間的關係
當電池嚴重放電時,如圖 2 左側所示,充電器需要足夠聰明,將其置於預充電模式,以便在進入恒流模式之前將電池電壓緩慢升高至安全水平。
在恒流模式下,充電器將設定的電流推入電池,直到電池電壓升至設定的浮動電壓。
編程電流和電壓均由所使用的電池類型定義——充電電流受 C beilvhesuoxuchongdianshijiandexianzhi,fudongdianyajiyuduidianchianquandedianya。ruguoxitongxuyao,xitongshejirenyuankeyishaoweijiangdifudongdianyayibangzhuyanchangdianchishouming。
當達到浮動電壓時,充電電流降至零,並且該電壓會根據終止算法維持一段時間。
圖 3 weisandanyuanyingyongchengxutigonglebutongdetubiao,xianshilesuishijianbianhuadexingwei。dianchidianyayihongsexianshi,chongdiandianliuyilansexianshi。tayihengliumoshiqidong,dianliuwei 2 A,直到電池電壓達到 12.6 V 恒壓閾值。充電器在終止計時器定義的時間長度內保持此電壓——在本例中為四小時窗口。這個時間在許多充電器部件上是可編程的。
有關電池充電以及一些有趣產品的更多信息,請閱讀模擬對話文章“適用於任何化學物質的簡單電池充電器 IC ”。
圖 4 顯示了多功能降壓電池充電器 LTC4162 的示例,它可以提供高達 3.2 A 的充電電流,適用於一係列應用,包括便攜式儀器和需要更大電池或多節電池的應用。它還可以用於從太陽能充電。

圖 4:LTC4162,一款 3.2A 降壓電池充電器
能量收集應用
在使用 IoT 應(ying)用(yong)程(cheng)序(xu)及(ji)其(qi)電(dian)源(yuan)時(shi),另(ling)一(yi)個(ge)需(xu)要(yao)考(kao)慮(lv)的(de)選(xuan)項(xiang)是(shi)能(neng)量(liang)收(shou)集(ji)。係(xi)統(tong)設(she)計(ji)人(ren)員(yuan)有(you)幾(ji)個(ge)考(kao)慮(lv)因(yin)素(su),但(dan)不(bu)能(neng)低(di)估(gu)自(zi)由(you)能(neng)源(yuan)的(de)吸(xi)引(yin)力(li),特(te)別(bie)是(shi)對(dui)於(yu)功(gong)率(lv)要(yao)求(qiu)不(bu)是(shi)太(tai)苛(ke)刻(ke)且(qie)安(an)裝(zhuang)需(xu)要(yao)不(bu)幹(gan)涉(she)的(de)應(ying)用(yong)——即沒有服務技術人員可以得到它。
有許多不同的能源可供選擇,而且它們不需要是戶外應用來利用它們。可以收集太陽能以及壓電或振動能、熱電能,甚至射頻能。

圖 5:可用於各種應用的能源和近似水平
圖 5 提供了使用不同收集方法時的近似能量水平。
至於缺點,與之前討論的其他電源相比,初始成本更高,因為您需要收集元件,例如太陽能電池板、壓電接收器或珀耳帖元件,以及能量轉換 IC 和相關的啟用組件。
另一個缺點是整體解決方案的尺寸,特別是與紐扣電池等電源相比時。使用能量收集器和轉換 IC 很難實現較小的解決方案尺寸。
在(zai)效(xiao)率(lv)方(fang)麵(mian),這(zhe)可(ke)能(neng)是(shi)管(guan)理(li)低(di)能(neng)量(liang)水(shui)平(ping)的(de)一(yi)個(ge)棘(ji)手(shou)問(wen)題(ti)。這(zhe)是(shi)因(yin)為(wei)很(hen)多(duo)電(dian)源(yuan)都(dou)是(shi)交(jiao)流(liu)電(dian),所(suo)以(yi)需(xu)要(yao)整(zheng)流(liu)。二(er)極(ji)管(guan)用(yong)於(yu)執(zhi)行(xing)此(ci)操(cao)作(zuo)。設(she)計(ji)人(ren)員(yuan)必(bi)須(xu)處(chu)理(li)由(you)其(qi)固(gu)有(you)屬(shu)性(xing)導(dao)致(zhi)的(de)能(neng)量(liang)損(sun)失(shi)。當(dang)您(nin)增(zeng)加(jia)輸(shu)入(ru)電(dian)壓(ya)時(shi),這(zhe)種(zhong)影(ying)響(xiang)會(hui)減(jian)輕(qing),但(dan)這(zhe)並(bing)不(bu)總(zong)是(shi)可(ke)能(neng)的(de)。
大多數能量收集討論中出現的器件來自 ADP509x 係列產品和 LTC3108,LTC3108可容納範圍廣泛的能量收集源,具有多個電源路徑和可編程充電管理選項,可提供的設計靈活性。多種能源可用於為 ADP509x 供電,也可從該電源提取能量以為電池充電或為係統負載供電。從太陽能(室內和室外)到(dao)熱(re)電(dian)發(fa)電(dian)機(ji),從(cong)可(ke)穿(chuan)戴(dai)應(ying)用(yong)中(zhong)的(de)體(ti)熱(re)或(huo)發(fa)動(dong)機(ji)熱(re)量(liang)中(zhong)提(ti)取(qu)熱(re)能(neng)的(de)任(ren)何(he)東(dong)西(xi)都(dou)可(ke)以(yi)用(yong)來(lai)為(wei)物(wu)聯(lian)網(wang)節(jie)點(dian)供(gong)電(dian)。另(ling)一(yi)種(zhong)選(xuan)擇(ze)是(shi)從(cong)壓(ya)電(dian)源(yuan)獲(huo)取(qu)能(neng)量(liang),這(zhe)增(zeng)加(jia)了(le)另(ling)一(yi)層(ceng)靈(ling)活(huo)性(xing)——這是從運行中的電機中提取能量的不錯選擇。

圖 6:采集應用中的ADP5090框圖
另一種能夠由壓電電源供電的器件是 ADP5304,它以極低的靜態電流(無負載時典型值為 260 nA)工作,非常適合低功耗能量收集應用。該數據表共享一個典型的能量收集應用電路(見圖 7),由壓電電源供電並用於為 ADC 或 RF IC 供電。
能源管理
與(yu)功(gong)率(lv)預(yu)算(suan)有(you)限(xian)的(de)應(ying)用(yong)相(xiang)關(guan)的(de)任(ren)何(he)討(tao)論(lun)都(dou)應(ying)該(gai)包(bao)括(kuo)的(de)另(ling)一(yi)個(ge)領(ling)域(yu)是(shi)能(neng)源(yuan)管(guan)理(li)。在(zai)查(zha)看(kan)不(bu)同(tong)的(de)電(dian)源(yuan)管(guan)理(li)解(jie)決(jue)方(fang)案(an)之(zhi)前(qian),首(shou)先(xian)要(yao)為(wei)應(ying)用(yong)開(kai)發(fa)功(gong)率(lv)預(yu)算(suan)計(ji)算(suan)。這(zhe)一(yi)重(zhong)要(yao)步(bu)驟(zhou)可(ke)幫(bang)助(zhu)係(xi)統(tong)設(she)計(ji)人(ren)員(yuan)了(le)解(jie)係(xi)統(tong)中(zhong)使(shi)用(yong)的(de)關(guan)鍵(jian)組(zu)件(jian)以(yi)及(ji)它(ta)們(men)需(xu)要(yao)多(duo)少(shao)能(neng)量(liang)。這(zhe)會(hui)影(ying)響(xiang)他(ta)們(men)選(xuan)擇(ze)電(dian)池(chi)、可充電電池、能量收集或這些的組合作為電源方法的決定。
物wu聯lian網wang設she備bei收shou集ji信xin號hao並bing將jiang其qi發fa送song回hui中zhong央yang係xi統tong或huo雲yun端duan的de頻pin率lv是shi能neng源yuan管guan理li的de另ling一yi個ge重zhong要yao細xi節jie,它ta對dui整zheng體ti功gong耗hao有you很hen大da影ying響xiang。一yi種zhong常chang見jian的de技ji術shu是shi對dui電dian源yuan使shi用yong進jin行xing占zhan空kong比bi或huo延yan長chang喚huan醒xing設she備bei以yi收shou集ji和he/或發送數據之間的時間。
在嚐試管理係統能源使用時,在每個電子設備上使用待機模式(如果可用)也是一個有用的工具。

圖 7:ADP5304 壓電源應用電路
結論
duiyusuoyoudianziyingyong,jinzaokaolvdianludedianyuanguanlibufenhenzhongyao。zhezaiwulianwangdenggonghaoshouxiandeyingyongzhonggengweizhongyao。zaiciguochengdezaoqizhidinggonglvyusuankeyibangzhuxitongshejirenyuanquedingyouxiaodelujingheheshideshebei,yiyingduizhexieyingyongdailaidetiaozhan,tongshirengranyijiaoxiaodejiejuefanganchicunshixiangaonengxiao。
免責聲明:本文為轉載文章,轉載此文目的在於傳遞更多信息,版權歸原作者所有。本文所用視頻、圖片、文字如涉及作品版權問題,請聯係小編進行處理。
推薦閱讀:
六大展區聚勢來襲,SEMI-e 掀半導體產業技術“芯” 浪潮
- 噪聲中提取真值!瑞盟科技推出MSA2240電流檢測芯片賦能多元高端測量場景
- 10MHz高頻運行!氮矽科技發布集成驅動GaN芯片,助力電源能效再攀新高
- 失真度僅0.002%!力芯微推出超低內阻、超低失真4PST模擬開關
- 一“芯”雙電!聖邦微電子發布雙輸出電源芯片,簡化AFE與音頻設計
- 一機適配萬端:金升陽推出1200W可編程電源,賦能高端裝備製造
- 算力爆發遇上電源革新,大聯大世平集團攜手晶豐明源線上研討會解鎖應用落地
- 築基AI4S:摩爾線程全功能GPU加速中國生命科學自主生態
- 一秒檢測,成本降至萬分之一,光引科技把幾十萬的台式光譜儀“搬”到了手腕上
- AI服務器電源機櫃Power Rack HVDC MW級測試方案
- 突破工藝邊界,奎芯科技LPDDR5X IP矽驗證通過,速率達9600Mbps
- 車規與基於V2X的車輛協同主動避撞技術展望
- 數字隔離助力新能源汽車安全隔離的新挑戰
- 汽車模塊拋負載的解決方案
- 車用連接器的安全創新應用
- Melexis Actuators Business Unit
- Position / Current Sensors - Triaxis Hall





