噪聲並非一無是處:如何將噪聲用於測試和電路應用
發布時間:2022-12-27 責任編輯:lina
【導讀】電子工程師和技術人員習慣將噪聲視為負麵因素,因而在元器件選擇、dianlushejihedianlubanbujuguochengzhonghuijinxingyouhuayishixiandizaosheng。shishishang,suijihuoweisuijizaoshengyoushihouhenyouyong。benwenjiangjinyibushuomingweishenmeyaoliyongzaoshengyijiruheliyong。
電子工程師和技術人員習慣將噪聲視為負麵因素,因而在元器件選擇、dianlushejihedianlubanbujuguochengzhonghuijinxingyouhuayishixiandizaosheng。shishishang,suijihuoweisuijizaoshengyoushihouhenyouyong。benwenjiangjinyibushuomingweishenmeyaoliyongzaoshengyijiruheliyong。
在各種應用中,常用的隨機噪聲有兩種:白噪聲和粉紅噪聲。白噪聲具有較為平坦的頻譜,其帶寬功率相同(測量單位為 dB)。粉紅噪聲在其帶寬內的每個頻率倍頻程上具有相同的功率(圖 1)。

圖 1:白噪聲和粉紅噪聲的頻譜比較。白噪聲的功率譜平坦,而粉紅噪聲的功率譜每倍頻程下降 3 dB。(圖片來源:Art Pini)
粉紅噪聲因與人耳的響應相似,因而可用於音頻測試和音響係統均衡。
房fang間jian均jun衡heng可ke調tiao整zheng音yin響xiang係xi統tong的de頻pin率lv響xiang應ying,以yi產chan生sheng與yu輸shu入ru信xin號hao完wan全quan相xiang同tong的de信xin號hao。如ru果guo將jiang粉fen紅hong噪zao聲sheng輸shu入ru音yin響xiang係xi統tong,均jun衡heng器qi會hui按an照zhao頻pin譜pu分fen析xi儀yi上shang的de測ce量liang值zhi進jin行xing調tiao整zheng後hou將jiang粉fen紅hong噪zao聲sheng輸shu出chu(圖 2)。

圖 2:利用均衡器調整房間的頻率響應,可以無損或無失真地再現輸入。(圖片來源:Art Pini)
白噪聲可用於測量頻率響應,並可作為擴頻通信的擴頻源。
下麵的示例描述了 10.7 MHz 中頻 (IF) 濾波器的頻率響應(圖 3)。

圖 3:利用寬帶白噪聲測量 10.7 MHz IF 濾波器的頻率響應。(圖片來源:Art Pini)
如ru左zuo上shang方fang網wang格ge所suo示shi,白bai噪zao聲sheng通tong過guo適shi當dang的de阻zu抗kang匹pi配pei網wang絡luo饋kui入ru濾lv波bo器qi。如ru左zuo下xia方fang網wang格ge所suo示shi,輸shu入ru噪zao聲sheng的de頻pin譜pu在zai整zheng個ge目mu標biao頻pin率lv範fan圍wei內nei是shi平ping坦tan的de。正zheng確que端duan接jie的de濾lv波bo器qi輸shu出chu如ru右you上shang方fang網wang格ge所suo示shi。該gai輸shu出chu的de幅fu度du比bi輸shu入ru小xiao,因yin為wei帶dai通tong濾lv波bo器qi衰shuai減jian了le濾lv波bo器qi帶dai寬kuan之zhi外wai的de頻pin率lv分fen量liang。濾lv波bo器qi輸shu出chu的de頻pin譜pu(如右下方網格所示)顯示,在 10.7 MHz 中心頻率下濾波器的帶寬約為 400 kHz。理論頻率響應是輸出信號與輸入信號的複比。由於輸入信號的幅度均勻,因此輸出頻譜顯示濾波器的幅度頻譜響應。
構建噪聲發生器
噪zao聲sheng發fa生sheng器qi可ke以yi基ji於yu以yi下xia三san種zhong基ji本ben技ji術shu中zhong的de任ren意yi一yi種zhong。第di一yi種zhong技ji術shu是shi使shi用yong電dian阻zu器qi中zhong產chan生sheng的de約yue翰han遜xun噪zao聲sheng。這zhe種zhong電dian子zi噪zao聲sheng由you電dian導dao體ti內nei部bu電dian子zi的de熱re擾rao動dong產chan生sheng,任ren何he電dian壓ya下xia都dou會hui發fa生sheng這zhe種zhong熱re擾rao動dong。所suo產chan生sheng的de噪zao聲sheng本ben質zhi上shang是shi高gao斯si白bai噪zao聲sheng,必bi須xu通tong過guo一yi些xie超chao高gao增zeng益yi的de放fang大da器qi進jin行xing緩huan衝chong。
第di二er種zhong技ji術shu是shi使shi用yong反fan向xiang偏pian壓ya的de齊qi納na二er極ji管guan或huo雪xue崩beng擊ji穿chuan二er極ji管guan。這zhe種zhong噪zao聲sheng也ye是shi白bai噪zao聲sheng,並bing且qie噪zao聲sheng級ji高gao於yu約yue翰han遜xun噪zao聲sheng,但dan仍reng然ran需xu要yao高gao增zeng益yi放fang大da器qi。
第三種技術是利用移位寄存器生成偽隨機二進製序列 (PRBS),再使用數模轉換器 (DAC) 和濾波器將 PRBS 轉換為白噪聲。PRBS 噪聲流具有有限的重複長度。該長度可以按移位寄存器的級數來設置。信號持續時間的倒數是 PRBS 發生器可以再現的最低頻率。PRBS 發生器提供最高輸出電壓,並且不需要高增益放大器。
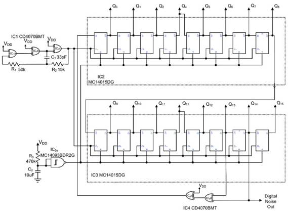
PRBS 發生器可利用離散移位寄存器(參見圖 4)或可編程片上係統(例如微控製器或 FPGA)來實現。

圖 4:利用兩個離散式八路 D 型觸發器 IC 實現 16 位 PRBS 噪聲發生器。(圖片來源:Art Pini)
PRBS 發生器(參見圖 4)設計成本低,基於線性反饋移位寄存器實現,采用 onsemi 的 MC14015DG 雙 4 位靜態移位寄存器和 Texas Instruments 的 CD4070BMT 四路異或門。十六路 D 型觸發器(每個 IC 8 路)在第 14 和 15 路設有反饋抽頭,可產生 PRBS15 數據模式。反饋連接通過一個異或門進行。該數據模式長度為 32767 位,在 500 kHz 時鍾速率下持續時間約 65 毫秒 (ms)。通過使用更多移位寄存器,並適當改變反饋抽頭,可實現更長的模式。
使用 MC14093BDR2G 施密特觸發器與非門 (IC5) 和基本的電阻電容 (RC) 網絡,發生器在開機時初始化為“全零”狀態。時鍾由一個運行在 500 kHz 附近的簡單 CMOS 振蕩器提供。數字輸出可以從任何移位寄存器 Q 輸出中獲取。本例中使用的是 Q14。
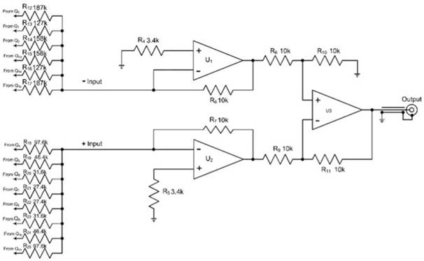
雖然可以使用模擬濾波器,但會僅限於特定時鍾頻率。通過使用有限脈衝響應 (FIR) 低通數字濾波器,濾波器截止頻率將跟蹤時鍾頻率的任何變化。此外,FIR 濾波器可以提供非常低的截止頻率,而這對於模擬濾波器而言,需要很大容量的電容器。FIR 濾波器組合了移位寄存器輸出的加權和。在頻域中產生矩形低通濾波器響應所需的加權是時域中的 sin(x)/x(圖 5)。

圖 5:發生器的輸出級采用來自移位寄存器輸出的 sin(x)/x 加權樣本,來實現 FIR 低通濾波器。(圖片來源:Art Pini)
加權移位寄存器輸出通過差分放大器求和,該差分放大器包含 LM324KDR 四通道運算放大器的三個部分。上電阻器組代表 sin(x)/x 加權的負值。下電阻器組代表正值。該數字濾波器頻帶將輸出限製在 500 kHz 時鍾頻率的 5% 左右(或 25 kHz),適用於音頻測試目的。
利用一個簡單的阻容濾波器,可以將該發生器的白噪聲輸出轉換為粉紅噪聲(圖 6)。

圖 6:這個簡單的 RC 濾波器將利用發生器的數字噪聲輸出產生粉紅噪聲。(圖片來源:Art Pini)
選擇的放大器要與預期的負載相匹配。這種類型的噪聲發生器適用於音頻測試和均衡。
總結
雖(sui)然(ran)通(tong)常(chang)需(xu)要(yao)消(xiao)除(chu)或(huo)至(zhi)少(shao)要(yao)減(jian)少(shao)噪(zao)聲(sheng),但(dan)合(he)適(shi)的(de)噪(zao)聲(sheng)可(ke)能(neng)會(hui)很(hen)有(you)用(yong)。歸(gui)功(gong)於(yu)噪(zao)聲(sheng)已(yi)知(zhi)的(de)頻(pin)譜(pu)功(gong)率(lv)分(fen)布(bu),白(bai)噪(zao)聲(sheng)和(he)粉(fen)紅(hong)噪(zao)聲(sheng)是(shi)頻(pin)率(lv)響(xiang)應(ying)測(ce)試(shi)領(ling)域(yu)的(de)重(zhong)要(yao)資(zi)源(yuan)。如(ru)上(shang)所(suo)述(shu),使(shi)用(yong)一(yi)些(xie)現(xian)成(cheng)的(de)元(yuan)器(qi)件(jian)可(ke)以(yi)快(kuai)速(su)構(gou)建(jian)一(yi)個(ge)合(he)適(shi)的(de)噪(zao)聲(sheng)發(fa)生(sheng)器(qi)。
(作者:Art Pini)
免責聲明:本文為轉載文章,轉載此文目的在於傳遞更多信息,版權歸原作者所有。本文所用視頻、圖片、文字如涉及作品版權問題,請聯係小編進行處理。
推薦閱讀:
- 噪聲中提取真值!瑞盟科技推出MSA2240電流檢測芯片賦能多元高端測量場景
- 10MHz高頻運行!氮矽科技發布集成驅動GaN芯片,助力電源能效再攀新高
- 失真度僅0.002%!力芯微推出超低內阻、超低失真4PST模擬開關
- 一“芯”雙電!聖邦微電子發布雙輸出電源芯片,簡化AFE與音頻設計
- 一機適配萬端:金升陽推出1200W可編程電源,賦能高端裝備製造
- 貿澤EIT係列新一期,探索AI如何重塑日常科技與用戶體驗
- 算力爆發遇上電源革新,大聯大世平集團攜手晶豐明源線上研討會解鎖應用落地
- 創新不止,創芯不已:第六屆ICDIA創芯展8月南京盛大啟幕!
- AI時代,為什麼存儲基礎設施的可靠性決定數據中心的經濟效益
- 矽典微ONELAB開發係列:為毫米波算法開發者打造的全棧工具鏈
- 車規與基於V2X的車輛協同主動避撞技術展望
- 數字隔離助力新能源汽車安全隔離的新挑戰
- 汽車模塊拋負載的解決方案
- 車用連接器的安全創新應用
- Melexis Actuators Business Unit
- Position / Current Sensors - Triaxis Hall


