逆變直流電焊機的工作原理
發布時間:2021-11-17 責任編輯:lina
【導讀】逆變電焊機,主要是逆變器產生的逆變式弧焊電源,又稱弧焊逆變器,是一種新型的焊接電源。
逆變電焊機,主要是逆變器產生的逆變式弧焊電源,又稱弧焊逆變器,是一種新型的焊接電源。
其工作原理是將工頻(50Hz)交流電,先經整流器整流和濾波變成直流,再通過大功率開關電子元件(晶閘管SCR、晶體管GTR、場效應管MOSFET或IGBT),逆變成幾kHz~幾十kHz的中頻交流電,同時經變壓器降至適合於焊接的幾十V電壓,再次整流並經電抗濾波輸出相當平穩的直流焊接電流。
其變換順序可簡單地表示為:
工頻交流(經整流濾波)→直流(經逆變)→中頻交流(降壓、整流、濾波)→直流。
即為:AC→DC→AC→DC
因yin為wei逆ni變bian降jiang壓ya後hou的de交jiao流liu電dian,由you於yu其qi頻pin率lv高gao,則ze感gan抗kang大da,在zai焊han接jie回hui路lu中zhong有you功gong功gong率lv就jiu會hui大da大da降jiang低di,所suo以yi需xu再zai次ci進jin行xing整zheng流liu。這zhe就jiu是shi目mu前qian所suo常chang用yong的de逆ni變bian電dian焊han機ji的de機ji製zhi。
逆變電源的特點:弧焊逆變器的基本特點是工作頻率高,由此而帶來很多優點。
因為變壓器無論是原繞組還是副繞組,其電勢E與電流的頻率f、磁通密度B、鐵芯截麵積S及繞組的匝數W有如下關係:E=4.44fBSW
而繞組的端電壓U近似地等於E,即:U≈E=4.44fBSW
當U、B確定後,若提高f,則S減小,W減少,因此,變壓器的重量和體積就可以大大減小,就能使整機的重量和體積顯著減小。
還有頻率的提高及其他因素而帶來了許多優點,與傳統弧焊電源比較,其主要特點如下:
●體積小、重量輕,節省材料,攜帶、移動方便;
●高效節能,效率可達到80%~90%,比傳統焊機節電1/3以上;
●動特性好,引弧容易,電弧穩定,焊縫成形美觀,飛濺小;
●適合於與機器人結合,組成自動焊接生產係統;
●可一機多用,完成多種焊接和切割過程。
電焊機之IGBT係列焊機工作原理
一、功率開關管的比較
常用的功率開關有晶閘管、IGBT、場效應管等。其中,晶閘管(可控矽)的開關頻率最低約1000次/秒左右,一般不適用於高頻工作的開關電路。
1、效應管的特點
場效應管的突出優點在於其極高的開關頻率,其每秒鍾可開關50萬次以上,耐壓一般在500V以上,耐溫150℃(管芯),而且導通電阻,管子損耗低,是理想的開關器件,尤其適合在高頻電路中作開關器件使用。
但是場效應管的工作電流較小,高的約20A低的一般在9A左右,限製了電路中的最大電流,而且由於場效應管的封裝形式,使得其引腳的爬電距離(導電體到另一導電體間的表麵距離)較小,在環境高壓下容易被擊穿,使得引腳間導電而損壞機器或危害人身安全。
2、IGBT的特點
IGBT即雙極型絕緣效應管,符號及等效電路圖見圖11.1,其開關頻率在20KHZ~30KHZ之間。但它可以通過大電流(100A以上),而且由於外封裝引腳間距大,爬電距離大,能抵禦環境高壓的影響,安全可靠。

二、場效應管逆變焊機的特點
由於場效應管的突出優點,用場效應管作逆變器的開關器件時,可以把開關頻率設計得很高,以提高轉換效率和節省成本(使用高頻率變壓器以減小焊機的體積,使焊機向小型化,微型化方便使用。
但(dan)無(wu)論(lun)弧(hu)焊(han)機(ji)還(hai)是(shi)切(qie)割(ge)機(ji),它(ta)們(men)的(de)工(gong)作(zuo)電(dian)流(liu)都(dou)很(hen)大(da)。使(shi)用(yong)一(yi)個(ge)場(chang)效(xiao)應(ying)管(guan)滿(man)足(zu)不(bu)了(le)焊(han)機(ji)對(dui)電(dian)流(liu)的(de)需(xu)求(qiu),一(yi)般(ban)采(cai)用(yong)多(duo)隻(zhi)並(bing)聯(lian)的(de)形(xing)式(shi)來(lai)提(ti)高(gao)焊(han)機(ji)電(dian)源(yuan)的(de)輸(shu)出(chu)電(dian)流(liu)。這(zhe)樣(yang)既(ji)增(zeng)加(jia)了(le)成(cheng)本(ben),又(you)降(jiang)低(di)了(le)電(dian)路(lu)的(de)穩(wen)定(ding)性(xing)和(he)可(ke)靠(kao)性(xing)。
三、IGBT焊機的特點
IGBT焊機指的是使用IGBT作為逆變器開關器件的弧焊機。由於IGBT的開關頻率較低,電流大,焊機使用的主變壓器、濾波、儲能電容、電抗器等電子器件都較場效應管焊機有很大不同,不但體積增大,各類技術參數也改變了。
四、IGBT焊機工作原理
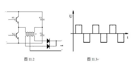
半橋逆變電路工作原理如圖11.2所示:

工作原理:
●tl時間:開關K1導通,K2截止,電流方向如圖中①,電源給主變T供電,並給電容C2充電。
●t2時間:開關K1、K2都截止,負截無電流通過(死區)。
●t3時間:開關K1截止,K2導通,電容C2向負載放電。
●t4時間:開關K1、K2均截止,又形成死區。如此反複在負載上就得到了如圖11.3的電流,實現了逆變的目的。
IGBT焊機的工作原理:
●電源供給:和場效應管作逆變開關的焊機一樣,焊機電源由市電供給,經整流、濾波後供給逆變器。
●逆變:由於IGBT的工作電流大,可采用半橋逆變的形式,以IGBT作為開關,其開通與關閉由驅動信號控製。
●驅動信號的產生:驅動信號仍然采用處理脈寬調製器輸出信號的形式。使得兩路驅動信號的相位錯開(有死區),以防止兩個開關管同時導通而產生過大電流損壞開關管。驅動信號的中點同樣下沉一定幅度,以防幹擾使開關管誤導通。
●保護電路:IGBT焊機也設置了過流、過壓、過熱保護等,有些機型也有截流,以保證焊機及人身安全,其工作原理與場效應管焊機相似。
逆ni變bian與yu整zheng流liu是shi兩liang個ge相xiang反fan的de概gai念nian,整zheng流liu是shi把ba交jiao流liu電dian變bian換huan為wei直zhi流liu電dian的de過guo程cheng,而er逆ni變bian則ze使shi把ba直zhi流liu電dian改gai變bian為wei交jiao流liu電dian的de過guo程cheng,采cai用yong逆ni變bian技ji術shu的de弧hu焊han電dian源yuan稱cheng為wei逆ni變bian焊han機ji。逆ni變bian過guo程cheng需xu要yao大da功gong率lv電dian子zi開kai關guan器qi件jian,采cai用yong絕jue緣yuan柵zha雙shuang極ji晶jing體ti管guanIGBT作為開關器件的逆變焊機成為IGBT逆變焊機。
逆變焊機的工作過程如下:將三相或單相工頻交流電整流,經濾波後得到一個較平滑的直流電,由IGBT組成的逆變電路將該直流電變為幾十KHZ的交流電,經主變壓器降壓後,再經整流濾波獲得平穩的直流輸出焊接電流。
逆變電焊機優點:由(you)於(yu)逆(ni)變(bian)工(gong)作(zuo)頻(pin)率(lv)很(hen)高(gao),所(suo)以(yi)主(zhu)變(bian)壓(ya)器(qi)的(de)鐵(tie)心(xin)截(jie)麵(mian)積(ji)和(he)線(xian)圈(quan)匝(za)數(shu)大(da)大(da)減(jian)少(shao),因(yin)此(ci),逆(ni)變(bian)焊(han)機(ji)可(ke)以(yi)在(zai)很(hen)大(da)程(cheng)度(du)上(shang)節(jie)省(sheng)金(jin)屬(shu)材(cai)料(liao),減(jian)少(shao)外(wai)形(xing)尺(chi)寸(cun)及(ji)重(zhong)量(liang),大(da)大(da)減(jian)少(shao)電(dian)能(neng)損(sun)耗(hao),更(geng)重(zhong)要(yao)的(de)是(shi),逆(ni)變(bian)焊(han)機(ji)能(neng)夠(gou)在(zai)微(wei)妙(miao)級(ji)的(de)時(shi)間(jian)內(nei)對(dui)輸(shu)出(chu)電(dian)流(liu)進(jin)行(xing)調(tiao)整(zheng),所(suo)以(yi)就(jiu)能(neng)實(shi)現(xian)焊(han)接(jie)過(guo)程(cheng)所(suo)要(yao)求(qiu)的(de)理(li)想(xiang)控(kong)製(zhi)過(guo)程(cheng),獲(huo)得(de)滿(man)意(yi)的(de)焊(han)接(jie)效(xiao)果(guo)。
(來源:21ic電子網)
免責聲明:本文為轉載文章,轉載此文目的在於傳遞更多信息,版權歸原作者所有。本文所用視頻、圖片、文字如涉及作品版權問題,請電話或者郵箱聯係小編進行侵刪。
推薦閱讀:
- 噪聲中提取真值!瑞盟科技推出MSA2240電流檢測芯片賦能多元高端測量場景
- 10MHz高頻運行!氮矽科技發布集成驅動GaN芯片,助力電源能效再攀新高
- 失真度僅0.002%!力芯微推出超低內阻、超低失真4PST模擬開關
- 一“芯”雙電!聖邦微電子發布雙輸出電源芯片,簡化AFE與音頻設計
- 一機適配萬端:金升陽推出1200W可編程電源,賦能高端裝備製造
- 一秒檢測,成本降至萬分之一,光引科技把幾十萬的台式光譜儀“搬”到了手腕上
- AI服務器電源機櫃Power Rack HVDC MW級測試方案
- 突破工藝邊界,奎芯科技LPDDR5X IP矽驗證通過,速率達9600Mbps
- 通過直接、準確、自動測量超低範圍的氯殘留來推動反滲透膜保護
- 從技術研發到規模量產:恩智浦第三代成像雷達平台,賦能下一代自動駕駛!
- 車規與基於V2X的車輛協同主動避撞技術展望
- 數字隔離助力新能源汽車安全隔離的新挑戰
- 汽車模塊拋負載的解決方案
- 車用連接器的安全創新應用
- Melexis Actuators Business Unit
- Position / Current Sensors - Triaxis Hall






