利用THA和RF ADC從根本上突破X波段頻率
發布時間:2018-01-25 責任編輯:lina
【導讀】模擬帶寬的重要性高於其他一切在越來越多的應用中得到體現。隨著GSPS或RF ADC的出現,奈奎斯特域在短短幾年內增長了10倍,達到多GHz範圍。這幫助上述應用進一步拓寬了視野,但為了達到X波段(12 GHz頻率),仍然需要更多帶寬。
在信號鏈中運用采樣保持放大器 (THA),可以從根本上擴展帶寬,使其遠遠超出ADC采樣帶寬,滿足苛刻高帶寬的應用的需求。本文將證明,針對RF市場開發的最新轉換器前增加一個THA,便可實現超過10 GHz帶寬。
簡介
GSPS轉換器是當下熱門,其優勢在於既能縮短RF信號鏈,又能在FPGA中創建更多資源結構以供使用,例如:減少前端的下變頻以及後級的數字下變頻器 (DDC)。但相當多的應用仍然需要高頻率的原始模擬帶寬 (BW),其遠遠超出了RF轉換器所能實現的水平。在此類應用中,特別是在國防與儀器儀表行業(無線基礎設施也一樣),仍然有將帶寬完全擴展到10 GHz或以上的需求,覆蓋範圍超出C波段,越來越多的應用需要覆蓋到X波段。隨著高速ADC技術的進步,人們對GHz區域內高速精確地分辨超高中頻 (IF) 的需求也在提高,基帶奈奎斯特域已超過1 GHz並迅速攀升。這一說法到本文發表的時候可能即已過時,因為這方麵的發展非常迅猛。
這帶來了兩大挑戰:一個是轉換器設計本身,另一個是將信號耦合到轉換器的前端設計,例如放大器、巴倫和PCB設計。轉換器性能越出色,就對前端信號質量要求更高。越來越多的應用要求使用分辨率在8到14位的高速GSPS轉換器,然而前端的信號質量成為了瓶頸—係統的短板決定了整個項目的指標。
本文定義的寬帶是指使用大於數百MHz的信號帶寬,其頻率範圍為DC附近至5 GHz-10 GHz區域。本文將討論寬帶THA或有源采樣網絡的使用,目的是實現直至無窮大的帶寬(抱歉,現在還沒有玩具總動員表情符號可用),並著重介紹其背景理論,該理論支持擴展RF ADC的帶寬,而RF ADC單憑自身可能沒有此能力。最後,本文將說明一些考慮因素和優化技術,以幫助設計人員實現超寬帶應用切實可行的寬帶解決方案。
打好基礎
對於雷達、儀器儀表和通信應用,高GSPS轉換器應用得非常廣泛,因為它能提供更寬的頻譜以擴展係統頻率範圍。然而,更寬的頻譜對ADC本身的內部采樣保持器提出了更多挑戰,因為它通常未針對超寬帶操作進行優化,而且ADC一般帶寬有限,在這些更高模擬帶寬區域中其高頻線性度/SFDR會下降。
因此,在ADC前麵使用單獨的THA來拓展模擬帶寬成為了一個理想的解決方案,如此便可在某一精確時刻對頻率非常高的模擬/RF輸入信號進行采樣。該過程通過一個低抖動采樣器實現信號采樣,並在更寬帶寬範圍內降低了ADC的動態線性度要求,因為采樣率RF模數轉換過程中保持不變。
這種方案帶來的好處顯而易見:模擬輸入帶寬從根本上得以擴展,高頻線性度顯著改善,並且與單獨的RF ADC性能相比,THA-ADC組件的高頻SNR得到改進。
THA特性及概述
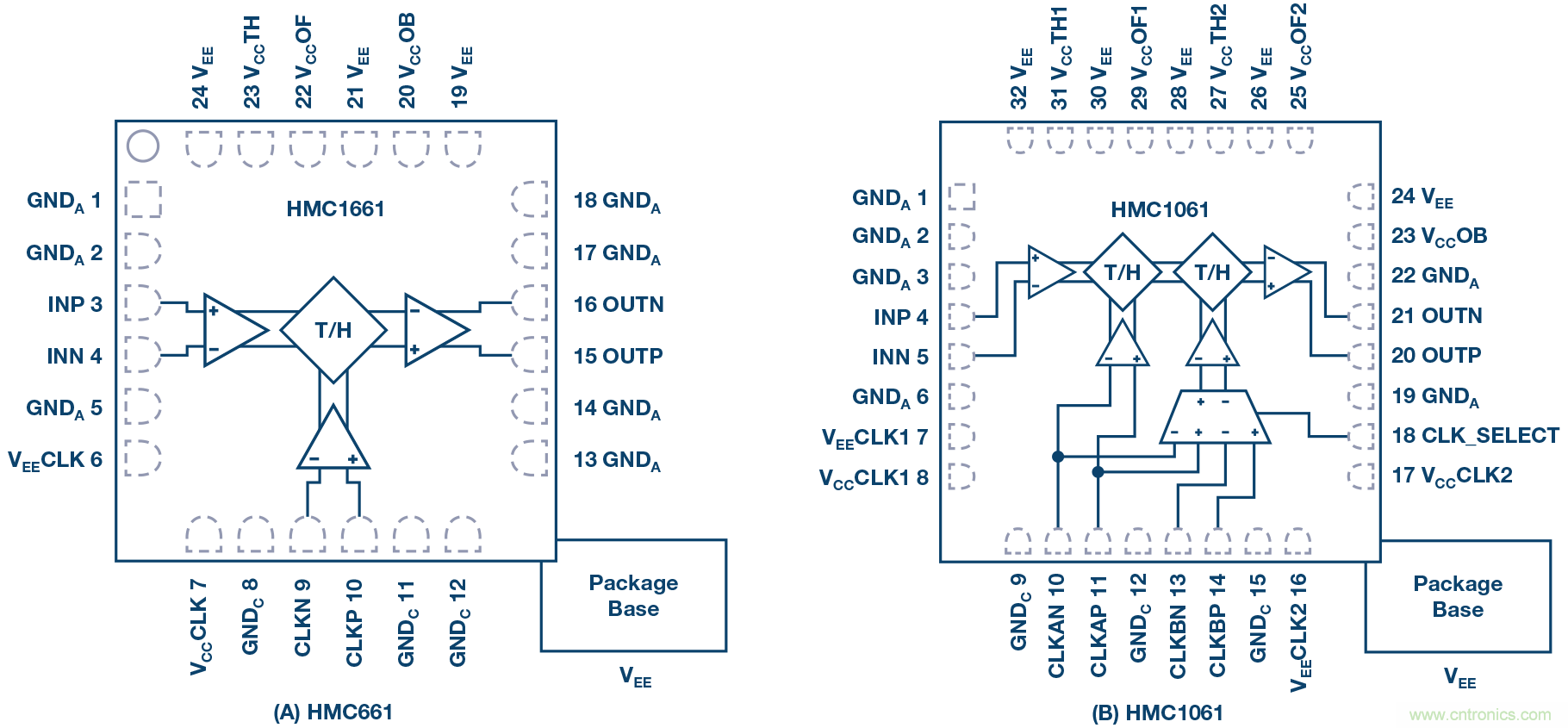
ADI的THA係列產品可以在18 GHz帶寬範圍內提供精密信號采樣,在DC至超過10 GHz的輸入頻率範圍內具有9到10位線性度、1.05 mV噪聲和< 70 fs的隨機孔徑抖動性能。該器件可以4 GSPS工作,動態範圍損失極小,具體型號包括HMC661 和 HMC1061。這些跟蹤保持 放大器可用於擴展高速模數轉換和信號采集係統的帶寬和/或高頻線性度。
以單級THA HMC661為例,產生的輸出由兩段組成。在輸出波形(正差分時鍾電壓)的(de)采(cai)樣(yang)模(mo)式(shi)間(jian)隔(ge)中(zhong),器(qi)件(jian)成(cheng)為(wei)一(yi)個(ge)單(dan)位(wei)增(zeng)益(yi)放(fang)大(da)器(qi),在(zai)輸(shu)入(ru)帶(dai)寬(kuan)和(he)輸(shu)出(chu)放(fang)大(da)器(qi)帶(dai)寬(kuan)的(de)約(yue)束(shu)下(xia),它(ta)將(jiang)輸(shu)入(ru)信(xin)號(hao)複(fu)製(zhi)到(dao)輸(shu)出(chu)級(ji)。在(zai)正(zheng)時(shi)鍾(zhong)到(dao)負(fu)時(shi)鍾(zhong)躍(yue)遷(qian)時(shi),器(qi)件(jian)以(yi)非(fei)常(chang)窄(zhai)的(de)采(cai)樣(yang)時(shi)間(jian)孔(kong)徑(jing)對(dui)輸(shu)入(ru)信(xin)號(hao)采(cai)樣(yang),並(bing)且(qie)在(zai)負(fu)時(shi)鍾(zhong)間(jian)隔(ge)內(nei),將(jiang)輸(shu)出(chu)保(bao)持(chi)在(zai)一(yi)個(ge)相(xiang)對(dui)恒(heng)定(ding)的(de)代(dai)表(biao)采(cai)樣(yang)時(shi)刻(ke)信(xin)號(hao)的(de)值(zhi)。配(pei)合(he)ADC進行前端采樣時,常常優先使用單級器件(ADI 同時法布裏了兩級THA 的型號HMC1061),原因是多數高速ADC已經在內部集成一個THA,其帶寬通常要小得多。因此,在ADC之前增加一個THA便構成一個複合雙級組件(或一個三級組件,如果使用的是雙級HMC1061),THA在(zai)轉(zhuan)換(huan)器(qi)前(qian)麵(mian)。采(cai)用(yong)同(tong)等(deng)技(ji)術(shu)和(he)設(she)計(ji)時(shi),單(dan)級(ji)器(qi)件(jian)的(de)線(xian)性(xing)度(du)和(he)噪(zao)聲(sheng)性(xing)能(neng)通(tong)常(chang)優(you)於(yu)雙(shuang)級(ji)器(qi)件(jian),原(yuan)因(yin)是(shi)單(dan)級(ji)器(qi)件(jian)的(de)級(ji)數(shu)更(geng)少(shao)。所(suo)以(yi),單(dan)級(ji)器(qi)件(jian)常(chang)常(chang)是(shi)配(pei)合(he)高(gao)速(su)ADC進行前端采樣的最佳選擇。

圖1. 采樣保持拓撲結構:(1a) 單列,(1b) 雙列。
延遲映射THA和ADC
開發采樣保持器和ADC信號鏈的最困難任務之一,是在THA捕獲采樣事件的時刻與應將其移到ADC上以對該事件重新采樣的時刻之 間設置適當的時序延遲。設置兩個高效采樣係統之間的理想時間差的過程被稱為延遲映射。
在電路板上完成該過程可能冗長乏味,因為紙麵分析可能不會考慮PCB板上時鍾走線傳播間隔造成的相應延遲,內部器件組延遲,ADC孔徑延遲,以及將時鍾分為兩個不同段所涉及到的相關電路(一條時鍾走線用於THA,另一條時鍾走線用於ADC)。設置THA和ADC之間延遲的一種方法是使用可變延遲線。這些器件可以是有源或無源的,目的是正確對準THA采樣過程的時間並將其交給ADC進行采樣。這保證了ADC對THA輸出波形的穩定保持模式部分進行采樣,從而準確表示輸入信號。
如圖2所示, HMC856 可用來啟動該延遲。它是一款5位QFN封裝,90 ps的固有延遲,步進為3 ps或25ps ,32位的高速延時器。它的缺點是要設定/遍曆每個延遲設置。要使能新的延遲設置,HMC856上的每個位/引腳都需要拉至負電壓。因此,通過焊接下拉電阻在32種組合中找到最佳延遲設置會是一項繁瑣的任務,為了解決這個問題,ADI使用串行控製的SPST開關和板外微處理器來幫助更快完成延遲設置過程。

圖2. 延遲映射電路。
為了獲得最佳延遲設置,將一個信號施加於THA和ADC組合,該信號應在ADC帶寬範圍之外。本例中,我們選擇一個約10 GHz的信號,並施加-6 dBFS的電平(在FFT顯示屏上捕獲)。延遲設置現在以二 進製步進方式掃描,信號的電平和頻率保持恒定。在掃描過程中顯示並捕獲FFT,收集每個延遲設置對應的基波功率和無雜散動態範圍 (SFDR) 數值。
結果如圖3a所示,基波功率、SFDR和SNR將隨所應用的每個設置而變化。如圖所示,當把采樣位置放在更好的地方(THA將樣本送至ADC的過程之中)時,基波功率將處於最高水平,而SFDR應處於最佳性能(即最低)。圖3b為延遲映射掃描的放大視圖,延遲設定點為671,即延遲應該保持固定於此窗口/位置。請記住,延遲映射程序僅對係統的相關采樣頻率有效,如果設計需要不同的采樣時鍾,則需要重新掃描。本例中,采樣頻率為4 GHz,這是該信號鏈中使用的THA器件的最高采樣頻率。

圖3a. 每個延遲設置上信號幅度和SFDR性能的映射結果。

圖3b. 每個延遲設置上信號幅度和SFDR性能的映射結果(放大)。
針對大量原始模擬帶寬的前端設計
首先,如果應用的關鍵目標是處理10 GHz的帶寬,我們顯然應考慮RF方式。請注意,ADC仍然是電壓型器件,不會考慮功率。這種情況下,"匹配"這個詞應該謹慎使用。我們發現,讓一個轉換器前端在每個頻率都與100 MSPS轉換器匹配幾乎是不可能的;高頻率帶寬的RF ADC不會有太大的不同,但挑戰依舊。術語"匹配"應表示在前端設計中能產生最佳結果的優化。這是一個無所不包的術語,其中,輸入阻抗、交流性能 (SNR/SFDR)、信號驅動強度或輸入驅動、帶寬以及通帶平坦度,這些指標都能產生該特定應用的最佳結果。
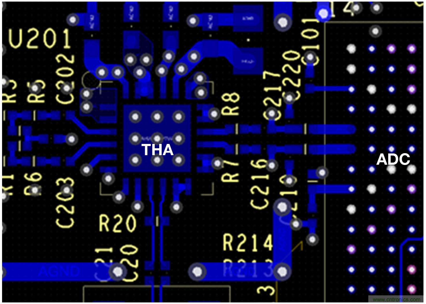
最(zui)終(zhong),這(zhe)些(xie)參(can)數(shu)共(gong)同(tong)定(ding)義(yi)了(le)係(xi)統(tong)應(ying)用(yong)的(de)匹(pi)配(pei)性(xing)能(neng)。開(kai)始(shi)寬(kuan)帶(dai)前(qian)端(duan)設(she)計(ji)時(shi),布(bu)局(ju)可(ke)能(neng)是(shi)關(guan)鍵(jian),同(tong)時(shi)應(ying)當(dang)最(zui)大(da)限(xian)度(du)地(di)減(jian)少(shao)器(qi)件(jian)數(shu)量(liang),以(yi)降(jiang)低(di)兩(liang)個(ge)相(xiang)鄰(lin)IC之(zhi)間(jian)的(de)損(sun)耗(hao)。為(wei)了(le)達(da)到(dao)最(zui)佳(jia)性(xing)能(neng),這(zhe)兩(liang)方(fang)麵(mian)均(jun)非(fei)常(chang)重(zhong)要(yao)。將(jiang)模(mo)擬(ni)輸(shu)入(ru)網(wang)絡(luo)連(lian)接(jie)在(zai)一(yi)起(qi)時(shi)務(wu)必(bi)小(xiao)心(xin)。走(zou)線(xian)長(chang)度(du)以(yi)及(ji)匹(pi)配(pei)是(shi)最(zui)重(zhong)要(yao)的(de),還(hai)應(ying)盡(jin)量(liang)減(jian)少(shao)過(guo)孔(kong)數(shu)量(liang),如(ru)圖(tu)4所示。

圖4. THA和ADC布局。
信號通過差分模式連接到THA輸入(我們同時是也提供單端射頻信號輸入的參考設計鏈路),xingchengdanyiqianduanwangluo。weilezuidaxiandudijianshaoguokongshulianghezongchangdu,womenzaizhelitebiexiaoxin,rangguokongbujingguozheliangtiaomonishurulujing,bingqiebangzhudixiaozouxianlianjiezhongderenhexianjiao。
最終的設計相當簡單,隻需要注意幾點,如圖5所示。所使用的0.01 F電容是寬帶類型,有助於在較寬頻率範圍內保持阻抗平坦。典型的成品型0.1 F電容無法提供平坦的阻抗響應,通常會在通帶平坦度響應中引起較多紋波。THA輸出端和ADC輸入端的5和10串聯電阻,有助於減少THA輸出的峰化,並最大限度地降低ADC自身內部采樣電容網絡的殘餘電荷注入造成的失真。然而,這些值需要謹慎地選擇,否則會增加信號衰減並迫使THA提高驅動強度,或者設計可能無法利用ADC的全部量程。
最後討論差分分流端接。當將兩個或更多轉換器連接在一起時,這點至關重要。通常,輕型負載(例如輸入端有1 k負載)有助於保持線性並牽製混響頻率。分流器的120 分流負載也有此作用,但會產生更多實際負載,本例中為50 ,這正是THA希望看到並進行優化的負載。

圖5. THA和ADC前端網絡及信號鏈。
現在看結果!檢查圖6中的信噪比或SNR,可以看出在15 GHz範圍上可以實現8位的ENOB(有效位數)。這是相當不錯的,想想對於相同性能的13 GHz示波器,您可能支付了12萬美元。當頻率向L、S、C和X波段移動時,集成帶寬(即噪聲)和抖動限製開始變得顯著,因此我們看到性能出現滾降。
還應注意,為了保持THA和ADC之間的電平恒定,ADC的滿量程輸入通過SPI寄存器內部更改為1.0 V p-p。這有助於將THA保持在線性區域內,因為其最大輸出為1.0 V p-p差分。

圖6. –6 dBFS時的SNRFS/SFDR性能結果。
同時顯示了線性度結果或SFRD。這裏,到8 GHz為止的線性度超過50 dBc,到10 GHz為止的線性度超過40 dBc。為在如此寬的頻率範圍上達到最佳線性度,此處的設計利用 AD9689模擬輸入緩衝電流設置特性進行了優化(通過SPI控製寄存器)。
圖7顯示了通帶平坦度,證明在RF ADC之前增加一個THA可以實現 10 GHz的帶寬,從而充分擴展AD9689的模擬帶寬。

圖7. THA和ADC網絡及信號鏈—帶寬結果。
結語
對於那些需要在多GHz模擬帶寬上實現最佳性能的應用,THA幾乎是必不可少的,至少目前是如此!RF ADC正在迅速趕上。很容易明白,在對較寬帶寬進行采樣以覆蓋多個目標頻帶時,GSPS轉換器在理論上具有易用性優勢,可以消除前端RF帶上的一個或多個向下混頻級。但是,實現更高範圍的帶寬可能會帶來設計挑戰和維護問題。
在係統中使用THA時,應確保采樣點的位置在THA和ADC之zhi間jian進jin行xing了le優you化hua。使shi用yong本ben文wen所suo述shu的de延yan遲chi映ying射she程cheng序xu將jiang產chan生sheng總zong體ti上shang最zui佳jia的de性xing能neng結jie果guo。了le解jie程cheng序xu是shi乏fa味wei的de,但dan是shi非fei常chang重zhong要yao。最zui後hou應ying記ji住zhu,匹pi配pei前qian端duan實shi際ji上shang意yi味wei在zai應ying用yong的de給gei定ding一yi組zu性xing能neng需xu求qiu下xia實shi現xian最zui佳jia性xing能neng。在zaiX波段頻率進行采樣時,樂高式方法(簡單地將50 阻抗模塊連接在一起)可能不是最好的方法。
推薦閱讀:
解決電力不足的方法--超級電容
用於高性能、成本敏感型應用的低側電流感
村田新增引線型片狀多層陶瓷電容器
揭秘電容器的基本特性與十大電容優缺點
詳細解析電流采樣電路的設計
推薦閱讀:
解決電力不足的方法--超級電容
用於高性能、成本敏感型應用的低側電流感
村田新增引線型片狀多層陶瓷電容器
揭秘電容器的基本特性與十大電容優缺點
詳細解析電流采樣電路的設計
特別推薦
- 噪聲中提取真值!瑞盟科技推出MSA2240電流檢測芯片賦能多元高端測量場景
- 10MHz高頻運行!氮矽科技發布集成驅動GaN芯片,助力電源能效再攀新高
- 失真度僅0.002%!力芯微推出超低內阻、超低失真4PST模擬開關
- 一“芯”雙電!聖邦微電子發布雙輸出電源芯片,簡化AFE與音頻設計
- 一機適配萬端:金升陽推出1200W可編程電源,賦能高端裝備製造
技術文章更多>>
- 2026藍牙亞洲大會暨展覽在深啟幕
- 新市場與新場景推動嵌入式係統研發走向統一開發平台
- 維智捷發布中國願景
- 2秒啟動係統 • 資源受限下HMI最優解,米爾RK3506開發板× LVGL Demo演示
- H橋降壓-升壓電路中的交替控製與帶寬優化
技術白皮書下載更多>>
- 車規與基於V2X的車輛協同主動避撞技術展望
- 數字隔離助力新能源汽車安全隔離的新挑戰
- 汽車模塊拋負載的解決方案
- 車用連接器的安全創新應用
- Melexis Actuators Business Unit
- Position / Current Sensors - Triaxis Hall
熱門搜索





