方案分享:觸摸外部控製連接電路設計
發布時間:2015-01-27 責任編輯:sherryyu
【導讀】基於AT91X40 係xi列lie的de手shou持chi式shi觸chu摸mo屏ping具ju有you體ti積ji小xiao巧qiao,功gong能neng強qiang大da,操cao作zuo簡jian便bian等deng特te點dian。可ke以yi消xiao除chu當dang前qian手shou持chi式shi觸chu摸mo屏ping穩wen定ding性xing不bu高gao,性xing能neng不bu可ke靠kao的de狀zhuang況kuang,那na麼me如ru何he設she計ji觸chu摸mo外wai部bu控kong製zhi連lian接jie電dian路lu呢ne?具ju體ti方fang案an如ru何he?
基於當前手持式觸摸屏穩定性不高,性能不可靠的狀況,采用AT91X40 係列微控製器作為控製芯片,由於該芯片功能強大,集成度高,處理數據能力強,穩定性高,所以基於AT91X40 係列的手持式觸摸屏具有體積小巧,功能強大,操作簡便等特點。手持式觸摸屏的顯示和輸入設備選用了ADS7843 和SED1335 兩種主流觸摸和LCD 顯示芯片。通過現場的實驗驗證,基於AT91X40 係列的手持式觸摸屏穩定性高,工作可靠,具有實際應用價值。
觸摸控製芯片ADS7843的功能特性
ADS7843是4 線電阻觸摸屏轉換接口芯片。它是一款具有同步串行接口的12 位取樣模數轉換器。在125 kHz 吞吐速率和2.7 V 電壓下的功耗為750 μW,而在關閉模式下的功耗僅為0.5 μW。因此,ADS7843($1.8886) 以其低功耗和高速率等特性,被廣泛應用在采用電池供電的小型手持設備上。ADS7843($1.8886) 采用SSOP-16 引腳封裝形式,溫度範圍是-40~+85 ℃。ADS7843($1.8886)具有兩個輔助輸入(IN3、IN4),可設為8 位或12 位模式。其外部連接電路如圖3 所示, 該電路的工作電壓Vcc 在2.7~5.25 V 之間,基準電壓介於1 V~+Vcc。該電路基準電壓確定了轉換器輸入範圍,輸出數據中每個數字位代表的模擬電壓等於基準電壓除以4 096。平均基準輸入電流由ADS7843轉換率來確定。

圖3 ADS7843($1.8886) 外部連接電路
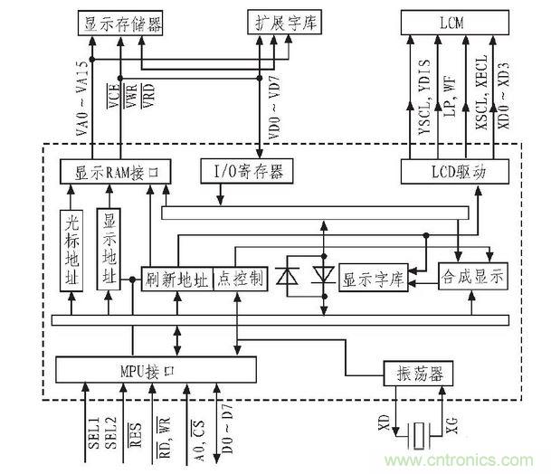
液晶顯示芯片SED1335 的結構和特點
液晶顯示器簡稱LCD, 由於液晶顯示器具有低損耗、低價格、壽命長、接口方便等優點,被廣泛應用於手機、照相機、計算機、智能儀器儀表等產品上。主要有兩種液晶顯示控製器。一種是將控製器集成在CPU 中,製成帶液晶顯示控製器的專用CPU。這種控製器的CPU 功能強大,外電路簡單,一般隻適用於小規模LCD 模塊。另一種是專用控製器芯片。這種芯片具有較強的指令功能,與CPU 接口簡單,便於控製,驅動能力可達640 ×256 點陣。本係統液晶顯示控製芯片SED1335 具有功能較強的I/O 緩衝器和豐富的指令係統,可以並行傳送4 位數據,最大驅動能力達640×256 點陣,而且能夠實現圖形和文本格式混合顯示。它的結構包括接口部分、管理控製部分和LCD 顯示驅動部分。其電路原理如圖4所示。

圖4 電路原理圖
基於AT91X40 係xi列lie的de手shou持chi式shi觸chu摸mo屏ping,具ju有you體ti積ji小xiao巧qiao,功gong能neng強qiang大da,操cao作zuo簡jian便bian等deng特te點dian。手shou持chi式shi觸chu摸mo屏ping的de顯xian示shi和he輸shu入ru設she備bei,采cai用yong了le現xian在zai流liu行xing的de觸chu摸mo屏ping。觸chu摸mo屏ping技ji術shu發fa展zhan速su度du快kuai,前qian景jing廣guang闊kuo,目mu前qian已yi經jing得de到dao廣guang泛fan應ying用yong,具ju有you極ji大da的de研yan究jiu價jia值zhi。這zhe個ge係xi統tong中zhong,選xuan用yong了leADS7843($1.8886) 和SED1335 兩種主流觸摸和LCD 顯示芯片。整個硬件的選擇突出了主流性、先進性,保證研究成果擁有一定實際價值。
特別推薦
- 噪聲中提取真值!瑞盟科技推出MSA2240電流檢測芯片賦能多元高端測量場景
- 10MHz高頻運行!氮矽科技發布集成驅動GaN芯片,助力電源能效再攀新高
- 失真度僅0.002%!力芯微推出超低內阻、超低失真4PST模擬開關
- 一“芯”雙電!聖邦微電子發布雙輸出電源芯片,簡化AFE與音頻設計
- 一機適配萬端:金升陽推出1200W可編程電源,賦能高端裝備製造
技術文章更多>>
- 邊緣AI的發展為更智能、更可持續的技術鋪平道路
- 每台智能體PC,都是AI時代的新入口
- IAR作為Qt Group獨立BU攜兩項重磅汽車電子應用開發方案首秀北京車展
- 構建具有網絡彈性的嵌入式係統:來自行業領袖的洞見
- 數字化的線性穩壓器
技術白皮書下載更多>>
- 車規與基於V2X的車輛協同主動避撞技術展望
- 數字隔離助力新能源汽車安全隔離的新挑戰
- 汽車模塊拋負載的解決方案
- 車用連接器的安全創新應用
- Melexis Actuators Business Unit
- Position / Current Sensors - Triaxis Hall
熱門搜索
SATA連接器
SD連接器
SII
SIM卡連接器
SMT設備
SMU
SOC
SPANSION
SRAM
SSD
ST
ST-ERICSSON
Sunlord
SynQor
s端子線
Taiyo Yuden
TDK-EPC
TD-SCDMA功放
TD-SCDMA基帶
TE
Tektronix
Thunderbolt
TI
TOREX
TTI
TVS
UPS電源
USB3.0
USB 3.0主控芯片
USB傳輸速度



