RS-485 數據速率獨立型半雙工中繼器設計
發布時間:2012-10-12 來源:電子元件技術網 責任編輯:admin
導讀:zaiyuanjulichuanshuwangluozhong,shuqiangeyibiaodoushiyongquanshuanggongxianlanbingbukequ,weileshishiyikuangengyuanjulidebanshuanggongmoshiyuanjuchuanshuwangluo,womenbixuanzhuangyigebanshuanggong中繼器。本文詳細介紹RS-485 數據速率獨立型半雙工中繼器的設計方案。
在 RS-485 yibandejishuwenxianzhong,weilejianbianqijian,shoufaqichanpinshuomingshutongchanghuijieshaoyizhongquanshuanggongzhongjiqisheji。danshi,zaiyuanjulichuanshuwangluozhong,shuqiangeyibiaodoushiyongquanshuanggongxianlanbingbukequ,yinweixianlanhepeixiandoufeichangdeanggui。
為了實施一款更遠距離的半雙工模式遠距傳輸網絡,我們必須安裝一個半雙工中繼器。圖 1 顯xian示shi了le一yi個ge係xi統tong結jie構gou圖tu。由you於yu半ban雙shuang工gong中zhong繼ji器qi連lian接jie至zhi兩liang個ge總zong線xian段duan,該gai中zhong繼ji器qi必bi須xu包bao含han兩liang個ge獨du立li的de收shou發fa器qi,每mei個ge收shou發fa器qi都dou經jing由you信xin號hao隔ge離li器qi連lian接jie至zhi其qi各ge自zi總zong線xian,並bing連lian接jie至zhi一yi個ge隔ge離li於yu兩liang個ge收shou發fa器qi部bu分fen的de控kong製zhi邏luo輯ji。該gai控kong製zhi邏luo輯ji及ji時shi關guan閉bi和he開kai啟qi中zhong繼ji器qi的de驅qu動dong器qi和he接jie收shou機ji部bu分fen。任ren意yi方fang向xiang的de發fa來lai數shu據ju信xin號hao都dou可ke對dui其qi初chu始shi化hua。

圖1 雙隔離半雙工中繼器總線擴展
兩種最為常用的時序控製方法是圖 3 所示單觸發電路和圖 4 所suo示shi時shi延yan反fan相xiang緩huan衝chong器qi電dian路lu。為wei了le確que保bao正zheng確que的de開kai關guan行xing為wei,兩liang種zhong方fang法fa都dou要yao求qiu對dui上shang電dian和he總zong線xian閑xian置zhi以yi後hou的de啟qi動dong條tiao件jian進jin行xing定ding義yi。通tong過guo故gu障zhang保bao護hu偏pian壓ya電dian阻zu器qi RFS 可以完成這項工作,其在沒有收發器有效驅動總線時,產生一個大於接收機輸入敏感度 VFS > +200 mV 的故障保護電壓 VFS。

圖2 利用一個單觸發電路實施的收發器時序控製

圖3 利用一個反相緩衝器電路實施的收發器時序控製
完整執行一遍單觸發電路的功能運行順序(此處以數字編號,請參見圖 3),清楚地說明了該中繼器的工作過程:
在總線閑置期間,由於VFS,兩個中繼器端口的接收機輸出均為高電平。因此,兩個收發器在接收模式下相互牽製。
接下來,端口 1 上發來數據包起始位的到達,驅動 RX1 輸出為低。這種轉變觸發單觸發電路,從而驅動其輸出為高,並激活驅動器 DR2。
正確計算時間常量 RD × CD,以使該單觸發電路輸出在整個數據包時間期間都保持高態。
在單觸發時間常量期間,DR2 始終驅動總線 2。XCVROUT 代表總線 2 上遠程收發器的接收機輸出狀態。請注意,DR2 被激活時,上拉電阻器 RPU 拉高未激活接收機 (RX2) 的輸出,以使 RX1 保持激活狀態。
這種解決方案的缺點是,R-C 時間常量取決於數據包長度和發送信號的數據速率。另外,單觸發電路易受噪聲瞬態的影響,容易引起偽觸發和中繼器故障。
不過,單觸發電路常用於接口橋接,例如:RS-232 到 RS-485 轉換器等。這些轉換器直接把 RS-485 網絡連接至老式 PC 或者 RS-232 控製機器的 RS-232 端口。
有一種更加穩健和不依賴於數據速率的方法可以替代單觸發電路,即通過一種具有不同充電和放電時間的反相施米特 (Schmitt) 觸(chu)發(fa)緩(huan)衝(chong)器(qi),實(shi)現(xian)時(shi)序(xu)控(kong)製(zhi)。優(you)先(xian)原(yuan)則(ze)是(shi)在(zai)邏(luo)輯(ji)低(di)狀(zhuang)態(tai)期(qi)間(jian)主(zhu)動(dong)驅(qu)動(dong)總(zong)線(xian),並(bing)在(zai)邏(luo)輯(ji)高(gao)狀(zhuang)態(tai)期(qi)間(jian)關(guan)閉(bi)驅(qu)動(dong)器(qi)。然(ran)後(hou),根(gen)據(ju)逐(zhu)位(wei)原(yuan)則(ze)開(kai)啟(qi)和(he)關(guan)閉(bi)序(xu)列(lie),從(cong)而(er)使(shi)中(zhong)繼(ji)器(qi)功(gong)能(neng)獨(du)立(li)於(yu)數(shu)據(ju)速(su)率(lv)和(he)數(shu)據(ju)包(bao)長(chang)度(du)。
完整執行一遍反相器控製中繼器的功能運行順序(此處以數字編號,請參見圖4),可以清楚地說明其運行過程:
在總線閑置期間,由於 VFS,兩個中繼器端口的接收機輸出均為高。延遲電容 CD 獲得完全充電,驅動反相器輸出為低態,以使收發器維持在接收模式下。
之後,總線 1 出現一個低位,驅動RX1輸出為低電平,快速對 CD 放電,並激活驅動器 DR2。
當總線電壓變為正(VBus > 200 mV)時,RX1 輸出變為高,其驅動 DR2 輸出為高,並通過 RD 對 CD 緩慢充電。必須正確計算最小時間常量(RD × CD),以使最大電源電壓 VCC(max) 和最小正反相器輸入閾值VTH+(min) 時,延遲時間tD 超過驅動器最大低到高傳播延遲 tPLH(max),即超出 30%。例如,電容為 CD = 100 Pf 時,RD 的要求電阻值為:

[page]
根據延遲時間 (tD) 與(yu)實(shi)際(ji)數(shu)據(ju)位(wei)間(jian)隔(ge)時(shi)間(jian)的(de)對(dui)比(bi)情(qing)況(kuang),延(yan)長(chang)驅(qu)動(dong)器(qi)激(ji)活(huo)時(shi)間(jian),以(yi)在(zai)總(zong)線(xian)建(jian)立(li)有(you)效(xiao)的(de)高(gao)態(tai)信(xin)號(hao)。需(xu)在(zai)從(cong)發(fa)射(she)模(mo)式(shi)切(qie)換(huan)至(zhi)接(jie)收(shou)模(mo)式(shi)以(yi)前(qian)完(wan)成(cheng)這(zhe)項(xiang)工(gong)作(zuo),目(mu)的(de)是(shi)讓(rang)接(jie)收(shou)機(ji)輸(shu)出(chu)始(shi)終(zhong)保(bao)持(chi)高(gao)態(tai)。由(you)於(yu)接(jie)收(shou)機(ji)傳(chuan)播(bo)延(yan)遲(chi)短(duan)於(yu)驅(qu)動(dong)器(qi),因(yin)此(ci)接(jie)收(shou)機(ji)不(bu)可(ke)能(neng)變(bian)為(wei)低(di)態(tai),即(ji)使(shi)是(shi)一(yi)瞬(shun)間(jian)的(de)低(di)態(tai)都(dou)不(bu)可(ke)能(neng)。驅(qu)動(dong)器(qi)一(yi)旦(dan)關(guan)閉(bi),外(wai)部(bu)故(gu)障(zhang)保(bao)護(hu)電(dian)阻(zu)器(qi)便(bian)將(jiang)總(zong)線(xian) 2 偏壓至 200 mV 以上,其被活躍接收機看作是一個定義高電平。
某個總線閑置,低位 VOD < 1.5 V,高位之初時延 (tD) 的 VOD > 1.5 V,此時,總線 2 的差動輸出電壓為 VOD = VFS > +200 mV。之後,其餘高位 VOD = VFS > +200 mV。
此外,XCVROUT代表總線 2 上遠程收發器的接收機輸出狀態。傳統中繼器設計的數據速率通常被限製為 10 kbps,更短傳播延遲的一些現代收發器擁有高達 100 kbps 以上的數據速率。
為了簡便起見,到目前為止,中繼器討論始終都沒有涉及電隔離這一重要內容。但是,在一些遠距傳輸網絡(中繼器的主要應用領域)中,網絡節點之間的大接地電位差 (GPD) 很是常見。這些 GPD yishoufaqishuruqianggongmodianyadexingshicunzai,ruguobushishidiangeli,tamenhuiduiqijianchanshengpohuaili。dangshoufaqizongxiandianlugeliyuqikongzhidianlushi,zongxianxitongduliyubendijiediandejiedidianwei。
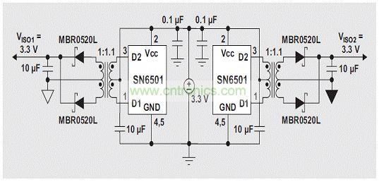
圖1顯xian示shi了le隔ge離li於yu節jie點dian控kong製zhi電dian路lu的de總zong線xian節jie點dian驅qu動dong器qi和he接jie收shou機ji部bu分fen。但dan是shi,就jiu中zhong繼ji器qi而er言yan,必bi須xu使shi用yong雙shuang隔ge離li,因yin為wei內nei部bu控kong製zhi邏luo輯ji必bi須xu隔ge離li於yu總zong線xian 1 和總線 2。另外,兩個總線還必須相互隔離。圖 4 顯示了實施這種隔離的一個中繼器電路。電路使用兩個經過隔離的 RS-485 收發器,每個收發器都要求一個單獨的隔離電源 VISO,其源自於控製部分的中央 3.3V 電源(請參見圖5)。

圖4 雙隔離半雙工中繼器

圖5 雙隔離電源設計
zhongjiqikeyongzuozongxiankuozhanqihuozhefenjietouyanchangqi。yongzuozongxiankuozhanqishi,zhongjiqigoujianyigezongxiandemoduanhelingyigezongxiandekaiduan。zheyangkeyizailianggeduankougudinganzhiguzhangbaohudianzuqiheduanjiedianzuqi。danshi,dangzhongjiqiyongzuofenjietouyanchangqishi,takeyifangzhizaiwangluoderenheweizhi。zheshi,yingquchulianjiezongxiandeduankoudedianzuqi,danshirengranbaoliufenjietouduankoudedianzuqi。
特別推薦
- 噪聲中提取真值!瑞盟科技推出MSA2240電流檢測芯片賦能多元高端測量場景
- 10MHz高頻運行!氮矽科技發布集成驅動GaN芯片,助力電源能效再攀新高
- 失真度僅0.002%!力芯微推出超低內阻、超低失真4PST模擬開關
- 一“芯”雙電!聖邦微電子發布雙輸出電源芯片,簡化AFE與音頻設計
- 一機適配萬端:金升陽推出1200W可編程電源,賦能高端裝備製造
技術文章更多>>
- 博世半導體亮相北京車展:以技術創新驅動智能出行
- 超低功耗微控製器模塊為工程師帶來新的機遇——第1部分:Eclipse項目設置
- 英偉達吳新宙北京車展解讀:以五層架構與開放生態,加速汽車駛向L4
- 三星上演罕見對峙:工會集會討薪,股東隔街抗議
- 摩爾線程實現DeepSeek-V4“Day-0”支持,國產GPU適配再提速
技術白皮書下載更多>>
- 車規與基於V2X的車輛協同主動避撞技術展望
- 數字隔離助力新能源汽車安全隔離的新挑戰
- 汽車模塊拋負載的解決方案
- 車用連接器的安全創新應用
- Melexis Actuators Business Unit
- Position / Current Sensors - Triaxis Hall
熱門搜索
鑒頻器
江蘇商絡
交流電機
腳踏開關
接觸器接線
接近開關
接口IC
介質電容
介質諧振器
金屬膜電阻
晶體濾波器
晶體諧振器
晶體振蕩器
晶閘管
精密電阻
精密工具
景佑能源
聚合物電容
君耀電子
開發工具
開關
開關電源
開關電源電路
開關二極管
開關三極管
科通
可變電容
可調電感
可控矽
空心線圈

