DP83822, DP83826在EtherCAT應用下的硬件配置
發布時間:2021-05-02 來源:Chen Yan 責任編輯:wenwei
【導讀】隨著近年來工業互聯網蓬勃發展,智能化信息化進程逐步加快,而EtherCAT技術由於其具有通訊的高性能,硬實時性能,靈活的拓撲結構,簡單、低成本及充分的開放性,以EtherCAT為代表的工業以太網的發展勢頭遠超現場總線,逐漸成為未來工業互聯網的主流應用。
EtherCAT是使用100Mbit/s 全雙工的Ethernet通訊。通常由EtherCAT從站控製器(EtherCAT Slave Controller,ESC)和物理層接口PHY實現EtherCAT的應用。ESC通常會支持PHY使用MII,RMII和RGMII接口,由於RMII和RGMII接口包含TX FIFO,會增加EtherCAT從站設備的傳輸延時,同時也會引入抖動,所以一般不建議在EtherCAT應用中使用,本文主要討論PHY的MII接口的硬件配置。
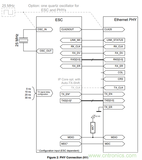
下圖是ESC和PHY MII之間的連接關係的示意圖。ESC和PHY之間的時鍾必須保持一致。LINK_STATUS是一個LED輸出信號,用來指示100Mbit/s全雙工的通訊連接狀態。

圖 1 ESC和MII連接關係示意圖
下表是使用MII接口的EtherCAT PHY的信號要求以及說明。

DP83822 是一款低功耗單端口10/100Mbps以太網PHY。它提供通過標準雙絞線電纜發送和接收數據或者連接到外部光纖收發器所需的所有物理層功能。此外,DP83822還可通過標準MII、RMII或RGMII接口靈活地連接到MAC。
DP83822的部分接收路徑功能pin腳可以用bootstrap的方式將PHY配置為特定的工作模式,這些pin腳的電壓值會在上電或者Reset的時候被檢測到,從而完成PHY的配置。DP83822可以通過一個4電平的bootstrap電路來配置,bootstrap pin腳需要增加推薦值的上拉或者下拉電阻來設置電壓,從而配置為某種特定模式。
下圖是DP83822的bootstrap電路示意圖,一部分bootstrap pin腳內置50kΩ的上拉電路,另一部分的bootstrap pin腳內置9kΩ的下拉電阻。通過外加上拉電阻RH和下拉電阻RL可將該bootstrap pin配置為特定模式。

下表是DP83822的四電平配置上拉電阻和下拉電阻的推薦值,結合該bootstrap pin內置的上拉或者下拉電阻,可將該pin配置為四種模式中的一種。

下表是應用於EtherCAT MII的DP83822的bootstrap配置示例,配置pin29將地址的最低位PHY_AD0配置為0(作為地址位配置的示例)。此外,配置pin27將LED 0和LED 1配置為EtherCAT應用要求的功能。其他bootstrap pin保持默認值即可。


FX_EN AN_EN AN_1 AN_0 0 1 1 1 à Advertised Modes, 100BASE-TX and 10BASE-Te, Half and Full-Duplex
LED_SPEED LED_CFG[0] 1 0 à LED 0(Good link/blink activity) LED 1 (show speed (100Mbps/10Mbps)
PHY address 0 0 0 0 0 à serial management interface address 0
DP83826 能夠提供很低的延遲和低功耗,並支持 10BASE-Te、100BASE-TX 以太網協議,可以滿足實時工業以太網係統中的嚴格要求。該器件包含兩種可配置模式:使用通用以太網引腳的 BASIC 標準以太網模式,以及支持標準以太網模式和多個工業以太網現場總線應用的ENHANCED以太網模式。由於在BASIC模式下配置EtherCAT應用需要通過軟件對寄存器進行寫操作,而ENHANCED模式可完全通過bootstrap pin來完成配置,所以下述主要介紹用ENHANCED模式配置EtherCAT。
DP83826的bootstrap電路一共由兩個電平,如下圖所示,一部分bootstrap pin腳內置10kΩ的上拉電路,另一部分的bootstrap pin腳內置10kΩ的下拉電阻。通過外加2.49kΩ的上拉電阻RHI和下拉電阻RLI可將該bootstrap pin配置為特定模式。

下表是DP83826 bootstrap pin在BASIC和ENHANCED模式下的功能說明,最後一列是配置DP83826為ENHANCED模式下的EtherCAT應用。


DP83826也可通過軟件修改寄存器的方式配置為EtherCAT應用,具體的細節可參考下述技術文章。
https://www.ti.com/lit/an/snla344/snla344.pdf
TI為工業互聯網EtherCAT提供了多種解決方案,可以通過簡單的硬件配置完成EtherCAT應用。
參考鏈接:
DP83822數據手冊: https://www.ti.com/lit/ds/symlink/DP83822i.pdf
DP83826數據手冊: https://www.ti.com/lit/ds/symlink/DP83826i.pdf
Backoff PHY選型應用手冊:https://download.beckhoff.com/download/document/io/ethercat-development-products/an_phy_selection_guidev2.7.pdf
免責聲明:本文為轉載文章,轉載此文目的在於傳遞更多信息,版權歸原作者所有。本文所用視頻、圖片、文字如涉及作品版權問題,請聯係小編進行處理。
推薦閱讀:
寬禁帶生態係統:快速開關和顛覆性的仿真環境 – 第二部分
特別推薦
- 噪聲中提取真值!瑞盟科技推出MSA2240電流檢測芯片賦能多元高端測量場景
- 10MHz高頻運行!氮矽科技發布集成驅動GaN芯片,助力電源能效再攀新高
- 失真度僅0.002%!力芯微推出超低內阻、超低失真4PST模擬開關
- 一“芯”雙電!聖邦微電子發布雙輸出電源芯片,簡化AFE與音頻設計
- 一機適配萬端:金升陽推出1200W可編程電源,賦能高端裝備製造
技術文章更多>>
- 算力爆發遇上電源革新,大聯大世平集團攜手晶豐明源線上研討會解鎖應用落地
- 築基AI4S:摩爾線程全功能GPU加速中國生命科學自主生態
- 一秒檢測,成本降至萬分之一,光引科技把幾十萬的台式光譜儀“搬”到了手腕上
- AI服務器電源機櫃Power Rack HVDC MW級測試方案
- 突破工藝邊界,奎芯科技LPDDR5X IP矽驗證通過,速率達9600Mbps
技術白皮書下載更多>>
- 車規與基於V2X的車輛協同主動避撞技術展望
- 數字隔離助力新能源汽車安全隔離的新挑戰
- 汽車模塊拋負載的解決方案
- 車用連接器的安全創新應用
- Melexis Actuators Business Unit
- Position / Current Sensors - Triaxis Hall
熱門搜索
微波功率管
微波開關
微波連接器
微波器件
微波三極管
微波振蕩器
微電機
微調電容
微動開關
微蜂窩
位置傳感器
溫度保險絲
溫度傳感器
溫控開關
溫控可控矽
聞泰
穩壓電源
穩壓二極管
穩壓管
無焊端子
無線充電
無線監控
無源濾波器
五金工具
物聯網
顯示模塊
顯微鏡結構
線圈
線繞電位器
線繞電阻





