開關模式電源電流檢測——第三部分:電流檢測方法
發布時間:2021-03-02 來源:Henry Zhang和Kevin B. Scott 責任編輯:wenwei
【導讀】開關模式電源有三種常用電流檢測方法是:使用檢測電阻,使用MOSFET RDS(ON),以及使用電感的直流電阻(DCR)。每種方法都有優點和缺點,選擇檢測方法時應予以考慮。
檢測電阻電流
作為電流檢測元件的檢測電阻,產生的檢測誤差最低(通常在1%和5%之間),溫度係數也非常低,約為100 ppm/°C (0.01%)。在性能方麵,它提供精度最高的電源,有助於實現極為精確的電源限流功能,並且在多個電源並聯時,還有利於實現精密均流。

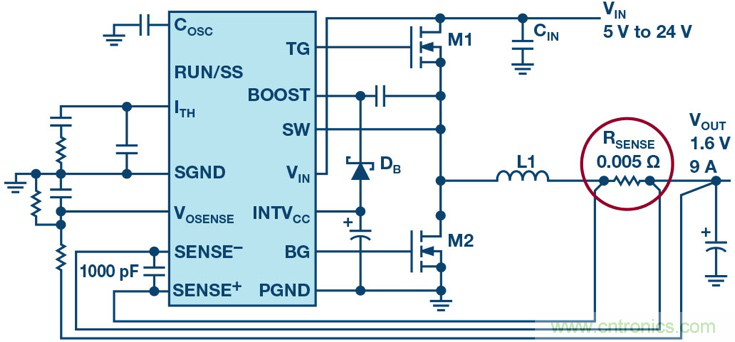
圖1.RSENSE電流檢測
lingyifangmian,yinweidianyuanshejizhongzengjialedianliujiancedianzu,suoyidianzuyehuichanshengewaidegonghao。yinci,yuqitajiancejishuxiangbi,jiancedianzudianliujiancejishukenengyougenggaodegonghao,daozhijiejuefanganzhengtixiaolvyousuoxiajiang。zhuanyongdianliujiancedianzuyekenengzengjiajiejuefanganchengben,suiranyigejiancedianzudechengbentongchangzai0.05美元至0.20美元之間。
選擇檢測電阻時不應忽略的另一個參數是其寄生電感(也稱為有效串聯電感或ESL)。檢測電阻可以用一個電阻與一個有限電感串聯來正確模擬。

圖2.RSENSE ESL模型
此電感取決於所選的特定檢測電阻。某些類型的電流檢測電阻,例如金屬板電阻,具有較低的ESL,應優先使用。相比之下,繞線檢測電阻由於其封裝結構而具有較高的ESL,應避免使用。一般來說,ESL效應會隨著電流的增加、檢(jian)測(ce)信(xin)號(hao)幅(fu)度(du)的(de)減(jian)小(xiao)以(yi)及(ji)布(bu)局(ju)不(bu)合(he)理(li)而(er)變(bian)得(de)更(geng)加(jia)明(ming)顯(xian)。電(dian)路(lu)的(de)總(zong)電(dian)感(gan)還(hai)包(bao)括(kuo)由(you)元(yuan)件(jian)引(yin)線(xian)和(he)其(qi)他(ta)電(dian)路(lu)元(yuan)件(jian)引(yin)起(qi)的(de)寄(ji)生(sheng)電(dian)感(gan)。電(dian)路(lu)的(de)總(zong)電(dian)感(gan)也(ye)受(shou)到(dao)布(bu)局(ju)的(de)影(ying)響(xiang),因(yin)此(ci)必(bi)須(xu)妥(tuo)善(shan)考(kao)慮(lv)元(yuan)件(jian)的(de)布(bu)局(ju),不(bu)恰(qia)當(dang)的(de)布(bu)局(ju)可(ke)能(neng)影(ying)響(xiang)穩(wen)定(ding)性(xing)並(bing)加(jia)劇(ju)現(xian)有(you)電(dian)路(lu)設(she)計(ji)問(wen)題(ti)。
檢測電阻ESL的影響可能很輕微,也可能很嚴重。ESL會hui導dao致zhi開kai關guan柵zha極ji驅qu動dong器qi發fa生sheng明ming顯xian振zhen蕩dang,從cong而er對dui開kai關guan導dao通tong產chan生sheng不bu利li影ying響xiang。它ta還hai會hui增zeng加jia電dian流liu檢jian測ce信xin號hao的de紋wen波bo,導dao致zhi波bo形xing中zhong出chu現xian電dian壓ya階jie躍yue,而er不bu是shi預yu期qi的de如ru圖tu3所示的鋸齒波形。這會降低電流檢測精度。

圖3.RSENSE ESL可能會對電流檢測產生不利影響。
為使電阻ESL最小,應避免使用具有長環路(如繞線電阻)或長引線(如厚電阻)的檢測電阻。薄型表麵貼裝器件是首選,例子包括板結構SMD尺寸0805、1206、2010和2512,更好的選擇包括倒幾何SMD尺寸0612和1225。
基於功率MOSFET的電流檢測
利用MOSFET RDS(ON)進行電流檢測,可以實現簡單且經濟高效的電流檢測。LTC3878是一款采用這種方法的器件。它使用恒定導通時間穀值模式電流檢測架構。頂部開關導通固定的時間,此後底部開關導通,其RDS壓降用於檢測電流穀值或電流下限。

圖4.MOSFET RDS(ON)電流檢測
雖然價格低廉,但這種方法有一些缺點。首先,其精度不高,RDS(ON)值可能在很大的範圍內變化(大約33%或更多)。其溫度係數可能也非常大,在100°C以上時甚至會超過80%。另外,如果使用外部MOSFET,則必須考慮MOSFET寄生封裝電感。這種類型的檢測不建議用於電流非常高的情況,特別是不適合多相電路,此類電路需要良好的相位均流。
電感DCR電流檢測
電感直流電阻電流檢測采用電感繞組的寄生電阻來測量電流,從而無需檢測電阻。這樣可降低元件成本,提高電源效率。與MOSFET RDS(ON)相比,銅線繞組的電感DCR的(de)器(qi)件(jian)間(jian)偏(pian)差(cha)通(tong)常(chang)較(jiao)小(xiao),不(bu)過(guo)仍(reng)然(ran)會(hui)隨(sui)溫(wen)度(du)而(er)變(bian)化(hua)。它(ta)在(zai)低(di)輸(shu)出(chu)電(dian)壓(ya)應(ying)用(yong)中(zhong)受(shou)到(dao)青(qing)睞(lai),因(yin)為(wei)檢(jian)測(ce)電(dian)阻(zu)上(shang)的(de)任(ren)何(he)壓(ya)降(jiang)都(dou)代(dai)表(biao)輸(shu)出(chu)電(dian)壓(ya)的(de)一(yi)個(ge)相(xiang)當(dang)大(da)部(bu)分(fen)。將(jiang)一(yi)個(ge)RC網絡與電感和寄生電阻的串聯組合並聯,檢測電壓在電容C1上測量(圖5)。

圖5.電感DCR電流檢測
通過選擇適當的元件(R1 × C1 = L/DCR),電容C1兩端的電壓將與電感電流成正比。為了最大限度地減少測量誤差和噪聲,最好選擇較低的R1值。
電(dian)路(lu)不(bu)直(zhi)接(jie)測(ce)量(liang)電(dian)感(gan)電(dian)流(liu),因(yin)此(ci)無(wu)法(fa)檢(jian)測(ce)電(dian)感(gan)飽(bao)和(he)。推(tui)薦(jian)使(shi)用(yong)軟(ruan)飽(bao)和(he)的(de)電(dian)感(gan),如(ru)粉(fen)芯(xin)電(dian)感(gan)。與(yu)同(tong)等(deng)鐵(tie)芯(xin)電(dian)感(gan)相(xiang)比(bi),此(ci)類(lei)電(dian)感(gan)的(de)磁(ci)芯(xin)損(sun)耗(hao)通(tong)常(chang)較(jiao)高(gao)。與(yu)RSENSE方法相比,電感DCR檢測不存在檢測電阻的功率損耗,但可能會增加電感的磁芯損耗。
使用RSENSE和DCR兩種檢測方法時,由於檢測信號較小,故均需要開爾文檢測。必須讓開爾文檢測痕跡(圖5中的SENSE+和SENSE-)遠離高噪聲覆銅區和其他信號痕跡,以將噪聲提取降至最低,這點很重要。某些器件(如LTC3855)具有溫度補償DCR檢測功能,可提高整個溫度範圍內的精度。
表1總結了不同類型的電流檢測方法及其優缺點。
表1.電流檢測方法的優缺點

表1中提到的每種方法都為開關模式電源提供額外的保護。取決於設計要求,精度、效率、熱應力、保護和瞬態性能方麵的權衡都可能影響選擇過程。電源設計人員需要審慎選擇電流檢測方法和功率電感,並正確設計電流檢測網絡。ADI公司的LTpowerCAD設計工具和LTspice®電路仿真工具等計算機軟件程序,對簡化設計工作並獲得最佳結果會大有幫助。
其他電流檢測方法
還(hai)有(you)其(qi)他(ta)電(dian)流(liu)檢(jian)測(ce)方(fang)法(fa)可(ke)供(gong)使(shi)用(yong)。例(li)如(ru),電(dian)流(liu)檢(jian)測(ce)互(hu)感(gan)器(qi)常(chang)常(chang)與(yu)隔(ge)離(li)電(dian)源(yuan)一(yi)起(qi)使(shi)用(yong),以(yi)跨(kua)越(yue)隔(ge)離(li)柵(zha)對(dui)電(dian)流(liu)信(xin)號(hao)信(xin)息(xi)提(ti)供(gong)保(bao)護(hu)。這(zhe)種(zhong)方(fang)法(fa)通(tong)常(chang)比(bi)上(shang)述(shu)三(san)種(zhong)技(ji)術(shu)更(geng)昂(ang)貴(gui)。此(ci)外(wai),近(jin)年(nian)來(lai)集(ji)成(cheng)柵(zha)極(ji)驅(qu)動(dong)器(qi)(DrMOS)和電流檢測的新型功率MOSFET也已出現,但到目前為止,還沒有足夠的數據來推斷DrMOS在檢測信號的精度和質量方麵表現如何。
軟件
LTspice
LTspice軟件是一款強大、快速、免費的仿真工具、原理圖采集和波形查看器,具有增強功能和模型,可改善開關穩壓器的仿真。點擊此處下載LTspice。
LTpowerCAD
LTpowerCAD設she計ji工gong具ju是shi一yi款kuan完wan整zheng的de電dian源yuan設she計ji工gong具ju程cheng序xu,可ke顯xian著zhu簡jian化hua電dian源yuan設she計ji任ren務wu。它ta引yin導dao用yong戶hu尋xun找zhao解jie決jue方fang案an,選xuan擇ze功gong率lv級ji元yuan件jian,提ti供gong詳xiang細xi效xiao率lv信xin息xi,顯xian示shi快kuai速su環huan路lu波bo特te圖tu穩wen定ding性xing和he負fu載zai瞬shun態tai分fen析xi,並bing可ke將jiang最zui終zhong設she計ji導dao出chu至zhiLTspice進行仿真。點擊此處下載LTpowerCAD。
作者簡介
Henry Zhang是ADI公司電源產品應用工程總監。他於2001年加入淩力爾特(現為ADI公司一部分),擔任電源應用工程師,開始其職業生涯。他於2004年成為應用部門主管,並於2008年成為應用工程經理。他的團隊支持廣泛的產品和應用,從小尺寸集成功率模塊到大型kW級高功率、高電壓轉換器。除了支持電源應用和新產品開發以外,他的團隊還開發了LTpowerCAD電源設計工具程序。Henry對電源管理解決方案和模擬電路有著廣泛的興趣。他發表了20多篇技術文章,發布了許多研討會和視頻,並有10多項電源專利已獲授權或在申請中。
Henry畢業於弗吉尼亞理工學院和弗吉尼亞州布萊克斯堡州立大學,獲得電氣工程碩士和博士學位。聯係方式:.
Kevin Scott是ADI公司電源產品部門的產品營銷經理,負責管理升壓、升降壓和隔離轉換器、LEDqudongqihexianxingwenyaqi。tazengdanrengaojizhanlveyingxiaogongchengshi,fuzezhidingjishupeixunneirong,peixunxiaoshougongchengshi,bingzhuanxieledaliangguanyugongsizhongduochanpinjishuyoushidewangzhanwenzhang。tazaibandaotixingyeyiyou 26 年從業經驗,曆任應用、業務管理和營銷職務。
Kevin於1987年畢業於美國斯坦福大學,獲得電氣工程學士學位。聯係方式:.
推薦閱讀:
特別推薦
- 噪聲中提取真值!瑞盟科技推出MSA2240電流檢測芯片賦能多元高端測量場景
- 10MHz高頻運行!氮矽科技發布集成驅動GaN芯片,助力電源能效再攀新高
- 失真度僅0.002%!力芯微推出超低內阻、超低失真4PST模擬開關
- 一“芯”雙電!聖邦微電子發布雙輸出電源芯片,簡化AFE與音頻設計
- 一機適配萬端:金升陽推出1200W可編程電源,賦能高端裝備製造
技術文章更多>>
- 築基AI4S:摩爾線程全功能GPU加速中國生命科學自主生態
- 一秒檢測,成本降至萬分之一,光引科技把幾十萬的台式光譜儀“搬”到了手腕上
- AI服務器電源機櫃Power Rack HVDC MW級測試方案
- 突破工藝邊界,奎芯科技LPDDR5X IP矽驗證通過,速率達9600Mbps
- 通過直接、準確、自動測量超低範圍的氯殘留來推動反滲透膜保護
技術白皮書下載更多>>
- 車規與基於V2X的車輛協同主動避撞技術展望
- 數字隔離助力新能源汽車安全隔離的新挑戰
- 汽車模塊拋負載的解決方案
- 車用連接器的安全創新應用
- Melexis Actuators Business Unit
- Position / Current Sensors - Triaxis Hall
熱門搜索
微波功率管
微波開關
微波連接器
微波器件
微波三極管
微波振蕩器
微電機
微調電容
微動開關
微蜂窩
位置傳感器
溫度保險絲
溫度傳感器
溫控開關
溫控可控矽
聞泰
穩壓電源
穩壓二極管
穩壓管
無焊端子
無線充電
無線監控
無源濾波器
五金工具
物聯網
顯示模塊
顯微鏡結構
線圈
線繞電位器
線繞電阻





