改進峰值電流模式控製
發布時間:2020-08-13 來源:Terry Allinder 責任編輯:wenwei
【導讀】最zui糟zao糕gao的de設she計ji方fang案an通tong常chang會hui在zai最zui低di輸shu入ru電dian壓ya下xia產chan生sheng最zui大da輸shu出chu功gong率lv。而er在zai現xian實shi情qing況kuang中zhong,高gao輸shu入ru線xian路lu的de最zui大da功gong率lv可ke能neng是shi最zui低di輸shu入ru線xian路lu電dian壓ya所suo輸shu送song功gong率lv的de兩liang倍bei。這zhe會hui迫po使shi電dian源yuan設she計ji人ren員yuan必bi須xu對dui功gong率lv級ji進jin行xing過guo量liang設she計ji。本ben文wen將jiang探tan討tao輸shu入ru功gong率lv增zeng加jia的de原yuan因yin以yi及ji降jiang低di方fang法fa。此ci外wai,還hai將jiang介jie紹shao一yi種zhong可ke提ti升sheng峰feng值zhi電dian流liu模mo式shi控kong製zhi性xing能neng的de創chuang新xin方fang法fa。
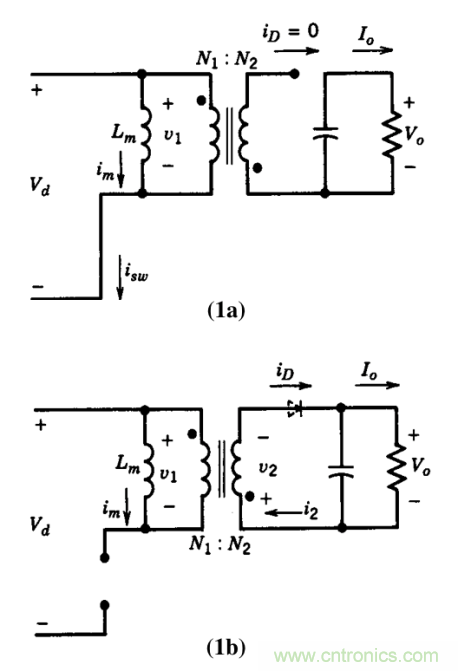
反向轉換器變壓器基本上由兩個耦合電感器組zu成cheng。當dang主zhu開kai關guan接jie通tong期qi間jian,電dian能neng被bei儲chu存cun在zai主zhu耦ou合he電dian感gan器qi中zhong。由you於yu變bian壓ya器qi具ju有you一yi次ci繞rao組zu和he二er次ci繞rao組zu配pei置zhi,因yin而er當dang主zhu開kai關guan接jie通tong時shi,輸shu出chu二er極ji管guan (D1) 會被反向偏置(圖 1a–1b)。dangzhukaiguanduankaishi,huijiangchucunzaizhuouhedianganqizhongdediannengchuansongdaoshuchuouhedianganqizhong,zuoweiqudongfuzaidenengliang。fanxiangbianyaqinengduishuchudianyajinxingshengyahuojiangyazhuanhuan,bingtigongshurudaoshuchudegeli。

圖 1.1a) 主耦合電感器中存儲的電能;1b)電能傳送至二次繞組
峰值電流模式控製
chuyuduichengbenhejianyuexingdekaolv,fanxiangzhuanhuanqitongyongcaiyongfengzhidianliumoshikongzhi,yinerbunengzhijieceliangshuchudianliu。dangfanxiangzhuanhuanqichuxianguozaiguzhangshi,shuchudianyajiuhuixiajiang。zheyang,fankuibuchangdianyajiuhuishenggaozhimaikuantiaozhi (PWM) 控製器限流閥值之上,而且 PWM 會在逐脈衝過限流限製 (pulse-by-pulse current limit) 模式下運行,這時反饋電壓不再控製 PWM 占空比。當峰值主電流超過 PWM 控製器限流比較器電壓參考值 (VCS) 時,終止占空比。
峰值電流模式控製麵臨的挑戰
當控製器處於逐脈衝過限流限製模式下時,主開關無法即時關閉。在 PWM 和功率級內存在傳播延遲,其中包括控製器的前沿消隱 (LEB),在限流比較器、邏輯電路、柵極驅動器中的傳播延遲,以及功率 MOSFET 的關閉延遲。傳播延遲會導致峰值主電流因過衝而高於預期值。
方程式 1 計算實際峰值主電流:
(1)計算出峰值主電流後,我們可用方程式 2 來計算輸入功率:
這些傳播延遲可以長達數百納秒。我們能使用方程式 3 來計算主電流的斜率,其中 VIN 為整流直流線路電壓,LP 為變壓器的初級電感,dt 為總傳播延遲。
(3)若傳播延遲 (方程式 3中的 dt)保持不變,那麼當 VIN 增大時,主電流斜率也會相應增大。由於存在傳播延遲,最大 VIN 下的峰值電流會因過衝而高於最小 VIN 下的峰值電流(圖 2)。

圖 2.傳播延遲與 VIN 的關係
結果是輸入和輸出功率隨著輸入線路電壓的增大而增大。可舉例說明這一問題。峰值主電流(方程式 4)能根據如下係統要求得出:
(4)對於峰值電流模式控製,我們能在計算峰值電流後確定電流感應電阻值大小(方程式 5)。
(5)VCS 為 PWM 限流比較器電壓參考 (0.5V)。最小輸入電壓下的峰值電流過衝是:
在最大輸入線路電壓下,峰值電流是(方程式 6):
(6)推薦閱讀:
特別推薦
- 噪聲中提取真值!瑞盟科技推出MSA2240電流檢測芯片賦能多元高端測量場景
- 10MHz高頻運行!氮矽科技發布集成驅動GaN芯片,助力電源能效再攀新高
- 失真度僅0.002%!力芯微推出超低內阻、超低失真4PST模擬開關
- 一“芯”雙電!聖邦微電子發布雙輸出電源芯片,簡化AFE與音頻設計
- 一機適配萬端:金升陽推出1200W可編程電源,賦能高端裝備製造
技術文章更多>>
- 算力爆發遇上電源革新,大聯大世平集團攜手晶豐明源線上研討會解鎖應用落地
- 築基AI4S:摩爾線程全功能GPU加速中國生命科學自主生態
- 一秒檢測,成本降至萬分之一,光引科技把幾十萬的台式光譜儀“搬”到了手腕上
- AI服務器電源機櫃Power Rack HVDC MW級測試方案
- 突破工藝邊界,奎芯科技LPDDR5X IP矽驗證通過,速率達9600Mbps
技術白皮書下載更多>>
- 車規與基於V2X的車輛協同主動避撞技術展望
- 數字隔離助力新能源汽車安全隔離的新挑戰
- 汽車模塊拋負載的解決方案
- 車用連接器的安全創新應用
- Melexis Actuators Business Unit
- Position / Current Sensors - Triaxis Hall
熱門搜索





