基於MPQ3326-AEC1的16路汽車LED驅動器應用
發布時間:2020-01-20 責任編輯:wenwei
【導讀】LED照明不僅節能高效,可靠性高,而且功能豐富。從先進的可控前照燈到複雜的車廂照明,再到將單獨的LED控製與不同的顏色和亮度相結合,不但可以大大增強駕駛體驗,還可以為車輛打造不同的風格和吸引力,廣被汽車應用采用。
MPS推出的 MPQ3326-AEC1便可以滿足各種汽車的照明需求,包括日行燈、車載娛樂顯示屏、動態方向燈、儀表盤背光、側燈、尾燈和照地燈等。其主要功能包括:
● 16通道,每通道最大可支持50mA且可多路並聯使用
● I2C通訊接口,最多可支持10片IC級聯
● 每路支持6-bit模擬調光/12-bit PWM調光
● 帶診斷Fault信號和寄存器
● LED開路,短路保護功能,驅動過溫檢測功能

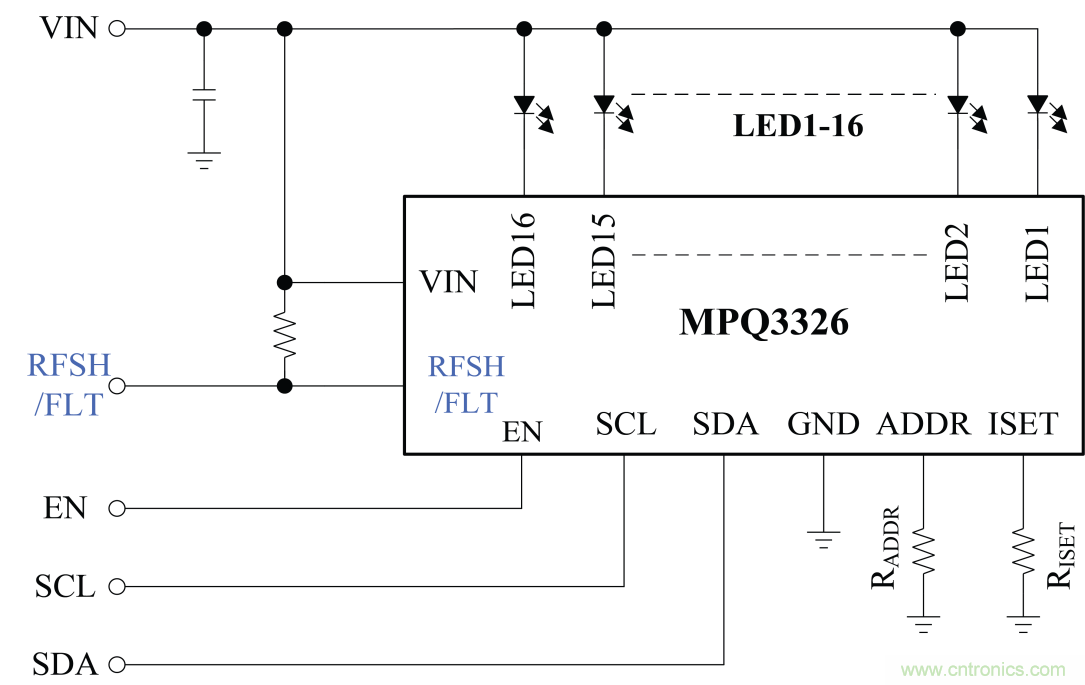
圖1:MPQ3326-AEC1典型應用電路
MPQ336有16路,每路支持50mA,且可通過多路並聯來輸出更大電流,並且具有每個通道可獨立調光的特點,可支持不同的車燈效果和LED功率等級,靈活性非常高。此外,其可通過I2C總線級聯10顆芯片的特點保證了很好的擴展性。
以下示例展示了MPQ3326-AEC1的靈活特性。
動態轉向燈和危險警示燈 動態轉向效果儼然成為當代新車設計的一種流行趨勢。常見的效果是按照左-右/右-左的移動順序點亮每個LED單元(見圖2)。此種方向指示模式,每個LED單元大約需要200mA的驅動電流。例如,轉向信號燈由5個獨立的LED單元組成(每單元3顆LED串聯,使用兩顆MPQ3326-AEC1,將其四通道並聯輸出,來驅動一個LED單元,即可實現5個LED單元的動態轉向效果。

圖2: 動態“左轉”方向信號
通過I2C總線控製可以針對不同的工作模式,通過係統微控製器啟用和排序每個陣列的LED燈。如圖3電路所示,用係統中的微處理器(MCU)通過I2C總線對每個LED單元進行時序控製,從而實現不同工作模式,比如:從左至右/從右至左滾動模式,或者所有LED單元同時閃爍的報警信號模式。

圖3:5個單元動態轉向燈電路圖
具有呼吸喚醒模式的日行燈
rixingdengyijingchengweisuoyououzhoucheliangdebiaopei。youyurixingdengtongchangyuzhuanxiangdengweiyutongyidengzu,,dangzhuanxiangdengliangqishi,weilebuyingxiangzhuanxiangdengdekeshixing,xuyaojiangrixingdengqiehuanzhidiliangdumoshi。ciwai,dangcheliangqidongshi,rixingdengkecaiyong“呼吸式”的動態效果,車輛猶如被“喚醒”一般,尤其在夜間,效果格外明顯。如果車廂內燈和照地燈也采用相似的呼吸喚醒模式,會顯得更加高端。
MPQ3326-AEC1的調光功能可以實現這些效果,其12bit的PWM調光方式結合6bit的模擬調光功能提供了非常精細的亮度控製。假設典型的日行燈每串LED可能使用250mA電流,如果每串並聯五個通道,那麼一顆MPQ3326-AEC1 就可以驅動3串LED。
提升效率,支持冷機啟動
對於許多車輛照明應用來說,LED照明在“冷車啟動”時是否能保持穩定且無閃爍非常重要,此時正常的12V電池電壓可能會暫時下降至6V。此類電壓跌落的現象也越來越普遍,因為考慮到節能減排,發動機自動啟停功能越來越被廣泛應用於傳統燃油車與混合電動車。
根據所需維持的LED燈串電壓,需要在MPQ3326-AEC1 LED恒流驅動之前放置一個Buck(降壓)或Boost(升壓)DC / DC變換器。MPS同樣也提供了一係列Boost升壓和Buck降壓產品。
對於三串及以上LED的升壓情況(假定正向電壓典型值為3V),MPQ3425-AEC1可以提供非同步升壓解決方案,其輸入端電壓可低至3.1V,最高可達55V,具有額定值5A開關電流限。
對於從正常12V電池電壓降壓給1或2顆串聯LED供電,可以選擇MPQ4420-AEC1 DC / DC變換器。與線性穩壓器(LDO)相比,其同步整流的工作模式可確保高效工作,不會產生大量損耗。此外, MPQ4420-AEC1 還具有出色的EMI性能(見圖4)。


圖4: MPQ4420-AEC1 (9mmx9mm) PCB和EMI性能圖(符合EN55022)
MPS提供了基於MPQ4420+兩顆MPQ3326的評估板,可以實現32顆LED一係列的動態效果(參見圖5),其中還包含一顆超低靜態電流(3µA)的LDO-MPQ2013給MCU待機使用。

圖5:MPQ4420-AEC1 + MPQ3326-AEC1評估板
推薦閱讀:
特別推薦
- 噪聲中提取真值!瑞盟科技推出MSA2240電流檢測芯片賦能多元高端測量場景
- 10MHz高頻運行!氮矽科技發布集成驅動GaN芯片,助力電源能效再攀新高
- 失真度僅0.002%!力芯微推出超低內阻、超低失真4PST模擬開關
- 一“芯”雙電!聖邦微電子發布雙輸出電源芯片,簡化AFE與音頻設計
- 一機適配萬端:金升陽推出1200W可編程電源,賦能高端裝備製造
技術文章更多>>
- 2026藍牙亞洲大會暨展覽在深啟幕
- H橋降壓-升壓電路中的交替控製與帶寬優化
- Tektronix 助力二維材料器件與芯片研究與創新
- 800V AI算力時代,GaN從“備選”變“剛需”?
- 大聯大世平集團首度亮相北京國際汽車展 攜手全球芯片夥伴打造智能車整合應用新典範
技術白皮書下載更多>>
- 車規與基於V2X的車輛協同主動避撞技術展望
- 數字隔離助力新能源汽車安全隔離的新挑戰
- 汽車模塊拋負載的解決方案
- 車用連接器的安全創新應用
- Melexis Actuators Business Unit
- Position / Current Sensors - Triaxis Hall
熱門搜索
接口IC
介質電容
介質諧振器
金屬膜電阻
晶體濾波器
晶體諧振器
晶體振蕩器
晶閘管
精密電阻
精密工具
景佑能源
聚合物電容
君耀電子
開發工具
開關
開關電源
開關電源電路
開關二極管
開關三極管
科通
可變電容
可調電感
可控矽
空心線圈
控製變壓器
控製模塊
藍牙
藍牙4.0
藍牙模塊
浪湧保護器



