電源外圍MOV及TVS選型篇
發布時間:2019-09-23 責任編輯:wenwei
【導讀】開關電源作為產品係統供電核心,在設計電源時需外加保護電路以確保電源穩定供電,其中TVS(瞬態抑製二極管)與MOV(壓敏電阻)尤為關鍵。設計電源外圍電路時MOV和TVS該如何選型?本文為你解答。
zaikaiguandianyuanyingyongzhong,weiquebaokaiguandianyuandegongdianwendinghedianyuanbenshendeanquan,huishejiyixiewaiweidianluqubaozhengkaiguandianyuanzaishiyongguochengzhongbubeisunhuai。zhexiewaiweidianlubaokuolangyongchongjibaohudianlu、防靜電保護電路、傳導騷擾、脈衝群抗擾電路。本文將對浪湧衝擊保護電路中使用的壓敏電阻MOV和TVS瞬態抑製二極管的使用和選型方法展開論述。
如圖1所示是一個較為完整的EMC推薦電路:包括浪湧保護,傳導騷擾,脈衝群抗擾等電路。

圖1
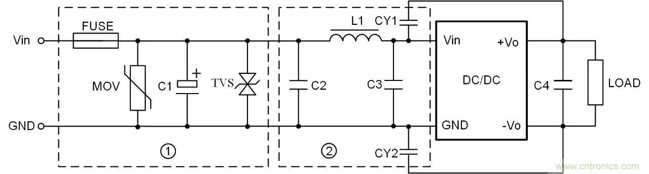
如圖2所示是一個獨立的DC-DC電源防浪湧衝擊、防靜電保護電路。

圖2
壓敏電阻MOV的使用和選型
壓敏電阻應該在其本身額定的參數條件之內工作,否則有可能導致壓敏電阻發熱劣化、甚至擊穿的後果。壓敏電阻的失效模式主要為短路,如果短路時間太長,會發生爆炸、起火、損sun壞huai周zhou邊bian的de器qi件jian。壓ya敏min電dian阻zu具ju有you價jia格ge便bian宜yi,抗kang浪lang湧yong能neng力li強qiang,電dian壓ya範fan圍wei大da的de特te點dian,擁yong有you相xiang當dang廣guang泛fan的de運yun用yong。總zong結jie選xuan型xing方fang法fa有you以yi下xia幾ji點dian可ke供gong參can考kao:
1、根據壓敏電壓(UN)的選取
選(xuan)取(qu)壓(ya)敏(min)電(dian)阻(zu)器(qi)的(de)時(shi)候(hou),首(shou)先(xian)要(yao)考(kao)慮(lv)到(dao)電(dian)網(wang)或(huo)者(zhe)電(dian)路(lu)工(gong)作(zuo)電(dian)壓(ya)的(de)波(bo)動(dong)幅(fu)度(du),選(xuan)取(qu)壓(ya)敏(min)電(dian)阻(zu)的(de)壓(ya)敏(min)電(dian)壓(ya)時(shi),要(yao)留(liu)有(you)足(zu)夠(gou)的(de)餘(yu)量(liang)。還(hai)要(yao)考(kao)慮(lv)到(dao)連(lian)續(xu)施(shi)加(jia)在(zai)壓(ya)敏(min)電(dian)阻(zu)兩(liang)端(duan)的(de)電(dian)源(yuan)電(dian)壓(ya),選(xuan)用(yong)壓(ya)敏(min)電(dian)壓(ya)高(gao)一(yi)點(dian)的(de)壓(ya)敏(min)電(dian)阻(zu),可(ke)以(yi)降(jiang)低(di)故(gu)障(zhang)率(lv),延(yan)長(chang)使(shi)用(yong)壽(shou)命(ming),但(dan)也(ye)有(you)一(yi)個(ge)缺(que)點(dian)就(jiu)是(shi)殘(can)留(liu)的(de)電(dian)壓(ya)會(hui)增(zeng)大(da)。
2、根據通流量(IP)的選取
壓ya敏min電dian阻zu的de標biao稱cheng放fang電dian電dian流liu應ying該gai大da於yu要yao求qiu承cheng受shou的de浪lang湧yong電dian流liu或huo者zhe可ke能neng出chu現xian的de最zui大da浪lang湧yong電dian流liu。標biao稱cheng放fang電dian電dian流liu應ying該gai按an照zhao壓ya敏min電dian阻zu浪lang湧yong壽shou命ming次ci數shu定ding額e曲qu線xian中zhong衝chong擊ji10次以上的數值進行計算,約為最大衝擊通流量的30%(即0.3IP)左右。
3、根據箝位電壓(VC)的選取
壓敏電阻的箝位電壓必須小於被保護的部件或設備能承受的最大電壓(即安全電壓)。
在直流回路中要求UN≥(1.8~2)Vdc,交流回路中則要求UN≥(2~2.5)Vac,而在信號回路中則需滿足UN≥(1.2-1.5)Vmax。同時在選擇時注意避免殘留電壓過高損壞被保護電路即VC值選擇不能過高。為了解決壓敏電阻在動作後存在過高的殘留電壓VC,在設計電路的時候往往會在MOV之後並聯一個電容和一個TVS管來吸收和卸放殘留電壓確保電路中元器件不被損壞。
TVS瞬態抑製二極管的使用和選型
TVS瞬態電壓抑製器是一種二極管形式的高效能保護器件,具有極快的響應時間和相當高的浪湧吸收能力。當TVSdeliangduanshoudaofanxiangshuntaiguoyamaichongshi,nengyijikuaidesudubaliangduandegaozukangbianweidizukang,yixishoushunjiandadianliu,bingjiangdianyaqianzhizaiyudingshuzhi,congeryouxiaobaohudianluzhongdeyuanqijianbimianshoudaosunhuai。suoyiTVS瞬態抑製二極管被廣泛應用與浪湧衝擊和防靜電衝擊電路中。下麵就如何選型正確的TVS管給出解釋。
TVS瞬態抑製二極管按照極性劃分可分為單極性TVS和雙極性TVS管,如圖3所示為兩種不同TVS管的V-I特性曲線圖:

圖3
TVS瞬態抑製二極管可以在多種電路場合下使用,起到保護電路元器件的作用,總結選型方法有以下幾點可供參考:
1、首先確定被保護電路的最大直流或者連續工作電壓、電路的額定標準電壓和“高端”容限。
2、TVS額定反向關斷VRWM應大於或者等於被保護電路的最大工作電壓。若選用的VRWM太低,器件可能進入雪崩或因反向漏電流太大影響電路的正常工作。
3、TVS的最大箝位電壓VC應小於被保護電路的損壞電壓。
4、在規定的脈衝持續時間內,TVS的最大峰值脈衝功耗PM必須大於被保護電路內可能出現的峰值脈衝功率。在確定了最大箝位電壓後,其峰值脈衝電流應大於瞬態浪湧電流。
5、對於數據接口電路的保護,還須注意選取合適的電容C的TVS器件。
6、根據用途選用TVS的極性及封裝結構。交流電路選用雙極性TVS較為合適,多線保護選用TVS陣列更為有利。
開關電源使用中,浪湧保護電路和防靜電保護電路是必不可少的存在。在設計保護電路的時候往往會把壓敏電阻MOV和TVS瞬態抑製二極管一起使用,從而起到多重保護的作用。如圖2所示就是一種浪湧保護電路和防靜電保護電路。途中輸入和輸出端都使用到了TVS瞬態抑製二極管,輸出使用TVS是為了確保輸出端因靜電或者用電端產生的浪湧電壓導致開關電源輸出端的元器件的損壞。
本文轉載自 ZLG立功科技。
本文轉載自 ZLG立功科技。
推薦閱讀:
特別推薦
- 噪聲中提取真值!瑞盟科技推出MSA2240電流檢測芯片賦能多元高端測量場景
- 10MHz高頻運行!氮矽科技發布集成驅動GaN芯片,助力電源能效再攀新高
- 失真度僅0.002%!力芯微推出超低內阻、超低失真4PST模擬開關
- 一“芯”雙電!聖邦微電子發布雙輸出電源芯片,簡化AFE與音頻設計
- 一機適配萬端:金升陽推出1200W可編程電源,賦能高端裝備製造
技術文章更多>>
- 貿澤EIT係列新一期,探索AI如何重塑日常科技與用戶體驗
- 算力爆發遇上電源革新,大聯大世平集團攜手晶豐明源線上研討會解鎖應用落地
- 創新不止,創芯不已:第六屆ICDIA創芯展8月南京盛大啟幕!
- AI時代,為什麼存儲基礎設施的可靠性決定數據中心的經濟效益
- 矽典微ONELAB開發係列:為毫米波算法開發者打造的全棧工具鏈
技術白皮書下載更多>>
- 車規與基於V2X的車輛協同主動避撞技術展望
- 數字隔離助力新能源汽車安全隔離的新挑戰
- 汽車模塊拋負載的解決方案
- 車用連接器的安全創新應用
- Melexis Actuators Business Unit
- Position / Current Sensors - Triaxis Hall
熱門搜索
微波功率管
微波開關
微波連接器
微波器件
微波三極管
微波振蕩器
微電機
微調電容
微動開關
微蜂窩
位置傳感器
溫度保險絲
溫度傳感器
溫控開關
溫控可控矽
聞泰
穩壓電源
穩壓二極管
穩壓管
無焊端子
無線充電
無線監控
無源濾波器
五金工具
物聯網
顯示模塊
顯微鏡結構
線圈
線繞電位器
線繞電阻



