公共阻抗耦合實例解析
發布時間:2019-09-19 責任編輯:wenwei
【導讀】隨(sui)著(zhe)電(dian)子(zi)係(xi)統(tong)內(nei)設(she)備(bei)數(shu)量(liang)的(de)逐(zhu)漸(jian)增(zeng)多(duo),噪(zao)聲(sheng)的(de)幹(gan)擾(rao)將(jiang)越(yue)來(lai)越(yue)嚴(yan)重(zhong),噪(zao)聲(sheng)是(shi)無(wu)處(chu)不(bu)在(zai)的(de),總(zong)與(yu)信(xin)號(hao)共(gong)存(cun)。公(gong)共(gong)阻(zu)抗(kang)耦(ou)合(he)是(shi)產(chan)生(sheng)噪(zao)聲(sheng)的(de)一(yi)個(ge)重(zhong)要(yao)因(yin)素(su),公(gong)共(gong)阻(zu)抗(kang)耦(ou)合(he)的(de)噪(zao)聲(sheng)對(dui)電(dian)路(lu)性(xing)能(neng)有(you)很(hen)大(da)的(de)影(ying)響(xiang),如(ru)波(bo)形(xing)失(shi)真(zhen)、放大器性能不好等都與公共阻抗耦合的噪聲有著密切的關係。
公gong共gong阻zu抗kang耦ou合he是shi指zhi噪zao聲sheng源yuan回hui路lu和he受shou幹gan擾rao回hui路lu之zhi間jian存cun在zai著zhe一yi個ge公gong共gong阻zu抗kang,噪zao聲sheng電dian流liu通tong過guo這zhe個ge公gong共gong阻zu抗kang所suo產chan生sheng的de噪zao聲sheng電dian壓ya,傳chuan導dao給gei受shou幹gan擾rao的de回hui路lu。通tong過guo公gong共gong阻zu抗kang耦ou合he的de方fang式shi所suo產chan生sheng的de噪zao聲sheng,稱cheng為wei公gong共gong阻zu抗kang耦ou合he的de噪zao聲sheng。在zai數shu字zi電dian路lu中zhong,由you於yu信xin號hao的de頻pin率lv較jiao高gao,地di線xian往wang往wang呈cheng現xian較jiao大da的de阻zu抗kang。這zhe時shi,如ru果guo存cun在zai不bu同tong的de電dian路lu共gong用yong一yi段duan地di線xian,就jiu可ke能neng出chu現xian公gong共gong阻zu抗kang耦ou合he的de問wen題ti。以yi下xia將jiang用yong具ju體ti案an例li進jin行xing說shuo明ming。
1.問題描述
某產品在測試RE時超標嚴重,由於該產品是全金屬屏蔽設計,因此其發射路徑很容易鎖定。主要包括輸入電源線、輸出負載線,RS485通信線。通過使用耦合夾分別對三個路徑的幹擾量進行測試,最終確定RS485通信線輻射較大,頻譜測試結果如下:

2.原因分析
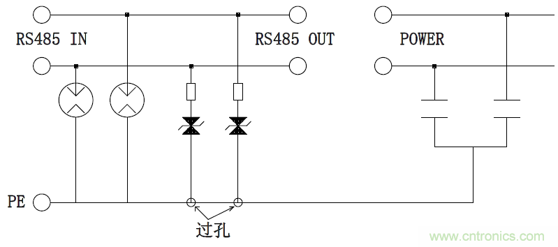
按照以往的經驗,通信線本身的輻射發射一般不會很高,出現最多的一般為耦合、地線串擾等原因。因此針對該PCB板布局及走線方式進行排查分析,如下圖:

在該電路設計中RS485通訊口在PCB上隻是一個轉接作用,按道理不應該引入噪聲。通過觀察PCB布局可以發現,RS485端口由電阻、氣體放電管、TVS管組成了一個浪湧、ESD防護電路,然後通過固定螺釘孔接PE(機殼)。同時發現接在該點PE的還有另外一路,即上方輔助電源Y電容的PE,因此輔助電源的噪聲可能通過浪湧防護電路竄入通信線導致輻射發射。
3.原理分析

從上圖中可以看清楚基本的連接情況,即輔助電源輸入線的Y電容所連接的PE線與TVS管、氣體放電管的PE相連接後最後才連接到PCB板的接地孔。實際上兩者存在著一段共地線,這就有發生共阻抗耦合的可能性。由於PE線走線較長,且在PE線連接中存在過孔等情況,因此上麵的電路可以等效為如下情況:

其中Z1~Z3為PE線、過孔所產生的阻抗,Z4/Z5為氣體放電管、TVS管的等效阻抗。按照理想狀態,電源的噪聲應該沿著I1方向流入PE接地點,即I=I1;噪聲電流全部通過Y電容回流到PE。但是由於Z1~Z3的存在,產生共阻抗耦合,部分噪聲電流沿著I2~I4方向流動。而且在高頻狀態下氣體放電管、TVS管的阻抗也急劇下降,加劇了這種耦合。此時I2~I4不能忽略,這樣噪聲電流直接耦合到RS485通信線上,由於通信線都比較長,加劇了輻射發射,因此對RE的測試結果產生很大的影響。
4.結果驗證
驗證方法:通過在同一塊PCB中將TVS管、氣體放電管去掉,然後使用頻譜分析儀測試的噪聲如下,幹擾包絡明顯消除。

zongheyishangshijianli,xiaochugonggongzukangouhedetujingyouliangge,yigeshijianxiaogonggongdixianbufendezukang,zheyanggonggongdixianshangdedianyayesuizhijianxiao,congerkongzhigonggongzukangouhe。lingyigefangfashitongguoshidangdejiedifangshibimianrongyixianghuganraodedianlugongyongdixian,yibanyaobimianqiangdiandianluheruodiandianlugongyongdixian,shuzidianluhemonidianlugongyongdixian。ruqiansuoshu,jianxiaodixianzukangdehexinwentishijianxiaodixiandediangan。zhebaokuoshiyongbianpingdaotizuodixian,yongduotiaoxiangjujiaoyuandebingliandaotizuojiedixian。duiyuyinshuaxianluban,zaishuangcengbanshangbudixianwanggenenggouyouxiaodijianxiaodixianzukang,zaiduocengbanzhongzhuanmenyongyicengzuodixiansuiranjuyouhenxiaodezukang,danzhehuizengjiaxianlubandechengben。tongguoshidangjiedifangshibimiangonggongzukangdejiedifangfashibingliandandianjiedi,。binglianjiedidequedianshijiedidedaoxianguoduo。yincizaishijizhong,meiyoubiyaosuoyoudianludoubingliandandianjiedi,duiyuxianghuganraojiaoshaodedianlu,keyicaiyongchuanliandandianjiedi。liru,keyijiangdianluanzhaoqiangxinhao,ruoxinhao,monixinhao,shuzixinhaodengfenlei,ranhouzaitongleidianluneibuyongchuanliandandianjiedi,butongleixingdedianlucaiyongbingliandandianjiedi。
本文轉載自韜略科技。
推薦閱讀:
磁粉芯在高性能EMI濾波器中的應用介紹
特別推薦
- 噪聲中提取真值!瑞盟科技推出MSA2240電流檢測芯片賦能多元高端測量場景
- 10MHz高頻運行!氮矽科技發布集成驅動GaN芯片,助力電源能效再攀新高
- 失真度僅0.002%!力芯微推出超低內阻、超低失真4PST模擬開關
- 一“芯”雙電!聖邦微電子發布雙輸出電源芯片,簡化AFE與音頻設計
- 一機適配萬端:金升陽推出1200W可編程電源,賦能高端裝備製造
技術文章更多>>
- 算力爆發遇上電源革新,大聯大世平集團攜手晶豐明源線上研討會解鎖應用落地
- 築基AI4S:摩爾線程全功能GPU加速中國生命科學自主生態
- 一秒檢測,成本降至萬分之一,光引科技把幾十萬的台式光譜儀“搬”到了手腕上
- AI服務器電源機櫃Power Rack HVDC MW級測試方案
- 突破工藝邊界,奎芯科技LPDDR5X IP矽驗證通過,速率達9600Mbps
技術白皮書下載更多>>
- 車規與基於V2X的車輛協同主動避撞技術展望
- 數字隔離助力新能源汽車安全隔離的新挑戰
- 汽車模塊拋負載的解決方案
- 車用連接器的安全創新應用
- Melexis Actuators Business Unit
- Position / Current Sensors - Triaxis Hall
熱門搜索







