LCD電視背光驅動電路設計方案
發布時間:2011-08-10
中心議題:
- 常用LCD電視背光驅動架構對比分析
- 多燈驅動設計
- 解決LCD電視背光挑戰的方案
解決方案:
- 對燈和脈衝調光的嚴格控製
- 基於DS3984/DS3988的驅動電路方案
相關閱讀:
麵向液晶電視的電磁兼容設計技術綜述
http://www.0-fzl.cn/art/artinfo/id/80014622
電視係統中電磁兼容元器件的選擇方法
http://www.0-fzl.cn/art/artinfo/id/80012367
液晶電視亮度感應自動控製的設計
http://www.0-fzl.cn/art/artinfo/id/80013138
LCD電視應用中可以采用多種架構產生驅動CCFL所需的交流波形,驅動多個CCFL時所要麵對的三個關鍵的設計挑戰是選擇最佳的驅動架構、多燈驅動、燈(deng)頻(pin)和(he)脈(mai)衝(chong)調(tiao)光(guang)頻(pin)率(lv)控(kong)製(zhi)。本(ben)文(wen)對(dui)四(si)種(zhong)常(chang)用(yong)驅(qu)動(dong)架(jia)構(gou)進(jin)行(xing)了(le)對(dui)比(bi)分(fen)析(xi),並(bing)提(ti)出(chu)多(duo)燈(deng)設(she)計(ji)中(zhong)解(jie)決(jue)亮(liang)度(du)不(bu)均(jun)以(yi)及(ji)驅(qu)動(dong)頻(pin)率(lv)可(ke)能(neng)幹(gan)擾(rao)畫(hua)麵(mian)等(deng)問(wen)題(ti)的(de)方(fang)法(fa),並(bing)提(ti)出(chu)基(ji)於(yu)DS3984/DS3988的電路方案。

圖1:Royer驅動器簡單,但不太精確
液晶顯示器(LCD)正成為電視的主流顯示技術。LCD麵板實際上是電子控製的光閥,需要靠背光源產生可視的影像,LCD電視通常用冷陰極螢光燈提供光源。其他背光技術,例如發光二極體也受到一定的重視,但由於成本過高限製了它的應用。
由於LCD電視是消費品,壓倒一切的設計考慮是成本─當然必須滿足最低限度的性能要求。驅動背光燈的CCFL轉換器不能明顯縮短燈的壽命。此外,由於要用高壓驅動,安全性也是一個必須考慮的因素。LCD電視應用中,驅動多個CCFL時所要麵對的三個關鍵的設計挑戰是:挑選最佳的驅動架構;多燈驅動;燈頻和脈衝調光頻率的嚴格控製。

圖2:全橋驅動器很適合於大範圍的直流電源。
1 挑選最佳的驅動架構
可以用多種架構產生驅動CCFL所需的交流波形,包括Royer(自振蕩,self-oscillating)、半橋、全橋和推挽。表1詳細歸納了這四種架構各自的優缺點。
[page]
1.1 Royer架構
Royer架構(圖1)的最佳應用是在不需要嚴格控製燈頻和亮度的設計中。由於Royer架構是自振蕩設計,受元件參數偏差的影響,很難嚴格控製燈頻和燈電流,而這兩者都會直接影響燈的亮度。因此,Royer架構很少用於LCD電視,盡管它是本文所述四種架構中最廉價的。
1.2 全橋架構
全橋架構最適合於直流電源電壓非常寬的應用(圖2),這就是幾乎所有筆記本PC都采用全橋方式的原因。在筆記本中,轉換器的直流電源直接來自係統的主直流電源,其變化範圍通常在7V(低電池電壓)至21V(交流配接器)。有些全橋方案要求采用p通道MOSFET,比n通道MOSFET更貴。另外,由於固有的高導通電阻,p通道MOSFET的效率更低。
1.3 半橋架構

圖3:半橋驅動器比全橋驅動器少用兩個MOSFET
相較全橋,半橋架構最大的好處是每個通道少用了兩隻MOSFET(圖3)。但是,它需要更高匝比的變壓器,這會增加變壓器的成本。還有,如同全橋架構一樣,半橋架構也可能會用到p通道MOSFET。
1.4 推挽架構
推挽驅動器有很多好處:這種架構隻用到n通道MOSFET(圖4),這有利於降低成本和增加轉換器效率;它很容易適應較高的轉換器直流電源電壓;采用更高的轉換器直流電源電壓時,隻需選擇具有合適的漏-源擊穿電壓的MOSFET即可。不管轉換器的直流電源電壓如何,都可采用同樣的CCFL控製器。但采用n通道MOSFET的全橋和半橋架構就無法做到這一點。
推挽架構最大的缺點是要求轉換器直流電源電壓的範圍小於2:1。否則,當直流電源電壓處於高階時,由於交流波形的高振幅因子,係統的效率會降低。這使推挽架構不適用於筆記型電腦,但對於LCD電視非常理想,因為轉換器直流電源電壓通常會穩定在±20%以內。

圖4:推挽驅動器非常簡單,還可精確控製
2 多燈驅動
CCFL已在筆記型電腦、數位相機、導航係統以及其他具有較小LCD螢幕的設備中使用多年。這些類型的設備通常隻用一個CCFL,因此,傳統設計隻用一個CCFL控製器。隨著大尺寸LCD麵板的出現,帶來對多CCFL的需求,有必要采用新的方式來應對這種新的需求。可能的方式之一是采用一個單通道CCFL控製器來驅動多個燈(圖5)。這種方式中,CCFL控製器隻透過其中的一個燈來監測燈電流,而以幾乎相同的交流波形同時驅動所有並聯的燈。然而,這種方式存在著幾個缺陷。

圖5:由於亮度不均勻以及其他的一些考慮,用一個單通道CCFL控製器控製多個燈不太理想
使顯示器不會出現明顯的亮區和暗區。用相同的波形驅動所有燈,由於燈阻抗的差異,會造成亮度不均勻。而且,CCFL的亮度隨溫度而變。由於熱氣上升,麵板頂部的燈會比麵板底部的燈熱,這也會造成亮度不均勻。
用一個單通道CCFL控製器驅動多個燈的第二個缺點是,單燈的失效(例如破損)huizaochengsuoyoudengguanbi。disangequedian,youyushibinglianqudongsuoyoudeng,tongshidakaiheguanbizhexiedeng,zhejiuyaoqiuzhuanhuanqizhiliudianyuanbixucaiyonggengdadedianrongqizengqiangquouxiaoguo,zhehuizengjiazhuanhuanqidechengbenhechicun。
[page]
解決上述諸問題的一條途徑就是每個燈用一個單獨的CCFL控製器。然而,這種方式的主要缺點就是增加的CCFL控製器帶來了額外的成本。
為LCD麵板提供背光的理想方案是多通道CCFL控製器,它的每個通道獨立驅動和監測每個燈。這種多通道CCFL控製器既解決了亮度不均勻和單燈失效問題,並降低了去耦要求,而且還具有高成本效益。

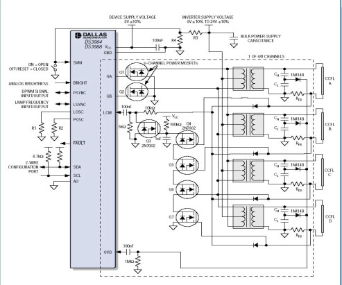
圖6:DS3984/DS3988單獨驅動和監視每個燈,為LCD電視和PC監視器提供均勻亮度
3 對燈和脈衝調光的嚴格控製
由於LCD電視需要顯示動態且連續行動的畫麵,它有一些在靜態顯示應用(例如電腦監視器和筆記型電腦)中所沒有的特殊要求。CCFL的驅動頻率可能會幹擾LCD螢幕上顯示的畫麵。如果燈頻接近視訊刷新頻率的某個倍頻,就會在螢幕上出現緩慢行動的線或帶。通過嚴格控製燈頻在±5%以內,可以消除這種問題。
用於調節燈亮度的脈衝調光頻率也要求同樣的嚴格控製。這種調光方式通常是采用30Hz至200Hz頻率範圍的脈寬調變(PWM)xunhao,zaiduanshijianneijiangdengguanbi,dadaotiaoguangmude。youyuguanbishijianhenduan,buzuyishidianlitaixiaoshi。ruguomaichongtiaoguangpinlvjiejinchuizhitongbupinlvdebeipin,yehuichanshenggundongxian。tongyang,jiangmaichongtiaoguangpinlvyangekongzhizai±5%以內就可以消除這個問題。另外,在有些LCD電視中,為了改善LCD螢幕的影像響應,還要求緩慢的CCFL脈衝調光頻率與視訊垂直同步頻率同步起來。

圖7:DS3984/DS3988的每個通道也可驅動多個燈
4 解決LCD電視背光挑戰的方案
DS3984(四通道)和DS3988(八通道)CCFL控製器解決了本文所提到的所有這些設計挑戰。可將這些元件配置為每個通道驅動一個燈(圖6),或者每通道多個燈(圖7),用戶可靈活裁減設計,以滿足自己的性價比目標。多個DS3984/DS3988可輕鬆串聯,以支援任意數量的燈來為LCD電視螢幕提供背光。
DS3984/DS3988采用推挽驅動架構,可以使用更低成本、更高效率的n通道MOSFET。轉(zhuan)換(huan)器(qi)直(zhi)流(liu)電(dian)源(yuan)電(dian)壓(ya)也(ye)可(ke)采(cai)用(yong)更(geng)高(gao)的(de)電(dian)壓(ya)。單(dan)獨(du)的(de)燈(deng)控(kong)製(zhi)和(he)監(jian)測(ce)可(ke)提(ti)供(gong)均(jun)勻(yun)的(de)亮(liang)度(du),並(bing)減(jian)少(shao)轉(zhuan)換(huan)器(qi)的(de)元(yuan)件(jian)總(zong)數(shu)。采(cai)用(yong)單(dan)獨(du)的(de)燈(deng)控(kong)製(zhi)時(shi),如(ru)果(guo)某(mou)一(yi)個(ge)燈(deng)失(shi)效(xiao),僅(jin)會(hui)使(shi)這(zhe)個(ge)失(shi)效(xiao)的(de)燈(deng)停(ting)止(zhi)工(gong)作(zuo),其(qi)他(ta)燈(deng)繼(ji)續(xu)工(gong)作(zuo),並(bing)不(bu)會(hui)受(shou)影(ying)響(xiang)。片(pian)上(shang)振(zhen)蕩(dang)器(qi)產(chan)生(sheng)的(de)燈(deng)頻(pin)和(he)脈(mai)衝(chong)調(tiao)光(guang)頻(pin)率(lv)被(bei)嚴(yan)格(ge)限(xian)定(ding)在(zai)±5%水準,消除了對於顯示影像的影響,並且也可被同步至外部時脈源。
- 噪聲中提取真值!瑞盟科技推出MSA2240電流檢測芯片賦能多元高端測量場景
- 10MHz高頻運行!氮矽科技發布集成驅動GaN芯片,助力電源能效再攀新高
- 失真度僅0.002%!力芯微推出超低內阻、超低失真4PST模擬開關
- 一“芯”雙電!聖邦微電子發布雙輸出電源芯片,簡化AFE與音頻設計
- 一機適配萬端:金升陽推出1200W可編程電源,賦能高端裝備製造
- 築基AI4S:摩爾線程全功能GPU加速中國生命科學自主生態
- 一秒檢測,成本降至萬分之一,光引科技把幾十萬的台式光譜儀“搬”到了手腕上
- AI服務器電源機櫃Power Rack HVDC MW級測試方案
- 突破工藝邊界,奎芯科技LPDDR5X IP矽驗證通過,速率達9600Mbps
- 通過直接、準確、自動測量超低範圍的氯殘留來推動反滲透膜保護
- 車規與基於V2X的車輛協同主動避撞技術展望
- 數字隔離助力新能源汽車安全隔離的新挑戰
- 汽車模塊拋負載的解決方案
- 車用連接器的安全創新應用
- Melexis Actuators Business Unit
- Position / Current Sensors - Triaxis Hall



