電路設計:可穿戴醫療設備語音報警電路
發布時間:2014-09-26 責任編輯:sherryyu
【導讀】本文講解的可穿戴醫療設備語音報警電路設計,主要是用集成語音芯片ISD2560組成。具有較強功能的語音錄放芯片,是一種永久記憶型語音錄放電路設計。值得醫療設備擁有!
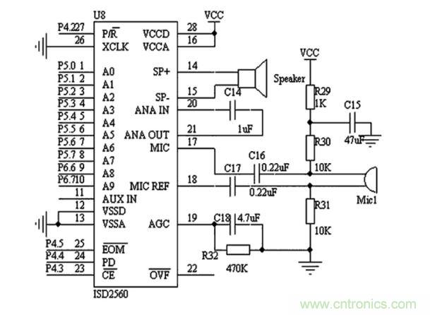
可穿戴醫療設備語音報警電路: 電路如圖所示,主要由集成語音芯片ISD2560組成。
ISD2560是Winbond公司生產的一款具有較強功能的語音錄放芯片,是一種永久記憶型語音錄放電路,錄音時間為60s,可重複錄放10萬次。該芯片采用多電平直接模擬量存儲專利技術,能夠非常真實、自(zi)然(ran)地(di)再(zai)現(xian)語(yu)音(yin)。通(tong)過(guo)事(shi)先(xian)錄(lu)製(zhi)好(hao)的(de)聲(sheng)音(yin),實(shi)現(xian)血(xue)壓(ya)測(ce)量(liang)值(zhi)的(de)自(zi)動(dong)聲(sheng)音(yin)提(ti)示(shi),如(ru)果(guo)血(xue)壓(ya)高(gao)出(chu)正(zheng)常(chang)血(xue)壓(ya)的(de)上(shang)下(xia)限(xian)值(zhi),還(hai)會(hui)發(fa)揮(hui)報(bao)警(jing),提(ti)醒(xing)使(shi)用(yong)者(zhe)就(jiu)醫(yi)。具(ju)體(ti)做(zuo)法(fa):經過一段時間(大概為正常人的一個月)的de精jing確que測ce量liang,在zai電dian腦nao上shang處chu理li數shu據ju,得de到dao血xue壓ya的de正zheng常chang範fan圍wei,將jiang其qi上shang下xia限xian設she置zhi為wei報bao警jing範fan圍wei,時shi時shi監jian控kong佩pei戴dai者zhe的de血xue壓ya值zhi,如ru果guo血xue壓ya超chao出chu正zheng常chang範fan圍wei,則ze開kai始shi計ji時shi,將jiang日ri期qi時shi間jian等deng數shu據ju都dou要yao記ji錄lu下xia來lai,如ru果guo超chao出chu正zheng常chang範fan圍wei的de時shi間jian超chao出chu五wu分fen鍾zhong,則ze開kai始shi報bao警jing提ti醒xing,提ti示shi內nei容rong為wei:尊敬的用戶您好,此時您的血壓偏高低,建議您立即進行電壓測量,並服用相應的藥物!

特別推薦
- 噪聲中提取真值!瑞盟科技推出MSA2240電流檢測芯片賦能多元高端測量場景
- 10MHz高頻運行!氮矽科技發布集成驅動GaN芯片,助力電源能效再攀新高
- 失真度僅0.002%!力芯微推出超低內阻、超低失真4PST模擬開關
- 一“芯”雙電!聖邦微電子發布雙輸出電源芯片,簡化AFE與音頻設計
- 一機適配萬端:金升陽推出1200W可編程電源,賦能高端裝備製造
技術文章更多>>
- 築基AI4S:摩爾線程全功能GPU加速中國生命科學自主生態
- 一秒檢測,成本降至萬分之一,光引科技把幾十萬的台式光譜儀“搬”到了手腕上
- AI服務器電源機櫃Power Rack HVDC MW級測試方案
- 突破工藝邊界,奎芯科技LPDDR5X IP矽驗證通過,速率達9600Mbps
- 通過直接、準確、自動測量超低範圍的氯殘留來推動反滲透膜保護
技術白皮書下載更多>>
- 車規與基於V2X的車輛協同主動避撞技術展望
- 數字隔離助力新能源汽車安全隔離的新挑戰
- 汽車模塊拋負載的解決方案
- 車用連接器的安全創新應用
- Melexis Actuators Business Unit
- Position / Current Sensors - Triaxis Hall
熱門搜索
微波功率管
微波開關
微波連接器
微波器件
微波三極管
微波振蕩器
微電機
微調電容
微動開關
微蜂窩
位置傳感器
溫度保險絲
溫度傳感器
溫控開關
溫控可控矽
聞泰
穩壓電源
穩壓二極管
穩壓管
無焊端子
無線充電
無線監控
無源濾波器
五金工具
物聯網
顯示模塊
顯微鏡結構
線圈
線繞電位器
線繞電阻




