光電編碼器在實際應用中的電路設計
發布時間:2013-03-21 責任編輯:shyhuang
【導讀】光電編碼器是shi一yi種zhong通tong過guo光guang電dian轉zhuan換huan將jiang輸shu出chu軸zhou上shang的de機ji械xie幾ji何he位wei移yi量liang轉zhuan換huan成cheng脈mai衝chong或huo數shu字zi量liang的de傳chuan感gan器qi,本ben文wen主zhu要yao介jie紹shao光guang電dian編bian碼ma器qi在zai實shi際ji中zhong的de應ying用yong,光guang電dian編bian碼ma器qi的de結jie構gou原yuan理li和he實shi際ji應ying用yong中zhong的de電dian路lu設she計ji和he電dian路lu實shi現xian。
光電編碼器原理
圖1:光電編碼器原理圖
根據檢測原理,編碼器可分為光學式、磁式、感應式和電容式。根據其刻度方法及信號輸出形式,可分為增量式、絕對式以及混合式三種。
增量式編碼器
增量式編碼器是直接利用光電轉換原理輸出三組方波脈衝A、B和Z相;A、B兩組脈衝相位差90haiyongshajiangeguxiexifangjiaoying鳽xiangweimeizhuanyigemaichong,yongyujizhundiandingwei。tadeyoudianshiyuanligouzaojiandan,jixiepingjunshoumingkezaijiwanxiaoshiyishang,kangganraonengliqiang,kekaoxinggao,shiheyuchangjulichuanshu。qiquedianshiwufashuchuzhouzhuandongdejueduiweizhixinxi。1.2絕對式編碼器
jueduibianmaqishizhijieshuchushuziliangdechuanganqi,zaitadeyuanxingmapanshangyanjingxiangyouruogantongxinmadao,meitiaodaoshangyoutouguanghebutouguangdeshanxingquxiangjianzucheng,xianglinmadaodeshanqushumushishuangbeiguanxi,mapanshangdemadaoshujiushitadeerjinzhishumadeweishu,zaimapandeyiceshiguangyuan,lingyiceduiyingmeiyimadaoyouyiguangminyuanjian;當(dang)碼(ma)盤(pan)處(chu)於(yu)不(bu)同(tong)位(wei)置(zhi)時(shi),各(ge)光(guang)敏(min)元(yuan)件(jian)根(gen)據(ju)受(shou)光(guang)照(zhao)與(yu)否(fou)轉(zhuan)換(huan)出(chu)相(xiang)應(ying)的(de)電(dian)平(ping)信(xin)號(hao),形(xing)成(cheng)二(er)進(jin)製(zhi)數(shu)。這(zhe)種(zhong)編(bian)碼(ma)器(qi)的(de)特(te)點(dian)是(shi)不(bu)要(yao)計(ji)數(shu)器(qi),在(zai)轉(zhuan)軸(zhou)的(de)任(ren)意(yi)位(wei)置(zhi)都(dou)可(ke)讀(du)出(chu)一(yi)個(ge)固(gu)定(ding)的(de)與(yu)位(wei)置(zhi)相(xiang)對(dui)應(ying)的(de)數(shu)字(zi)碼(ma)。顯(xian)然(ran),碼(ma)道(dao)越(yue)多(duo),分(fen)辨(bian)率(lv)就(jiu)越(yue)高(gao),對(dui)於(yu)一(yi)個(ge)具(ju)有(you) N位二進製分辨率的編碼器,其碼盤必須有N條碼道。目前國內已有16位的絕對編碼器產品。
絕對式編碼器是利用自然二進製或循環二進製(葛萊碼)方式進行光電轉換的。絕對式編碼器與增量式編碼器不同之處在於圓盤上透光、不透光的線條圖形,絕對編碼器可有若幹編碼,根據讀出碼盤上的編碼,檢測絕對位置。編碼的設計可采用二進製碼、循環碼、二進製補碼等。它的特點是:
可以直接讀出角度坐標的絕對值;
沒有累積誤差;
電源切除後位置信息不會丟失。但是分辨率是由二進製的位數來決定的,也就是說精度取決於位數,目前有10位、14位等多種。
混合式絕對值編碼器
混合式絕對值編碼器,它輸出兩組信息:一組信息用於檢測磁極位置,帶有絕對信息功能;
另一組則完全同增量式編碼器的輸出信息。
光電編碼器是一種角度(角速度)檢測裝置,它將輸入給軸的角度量,利用光電轉換原理轉換成相應的電脈衝或數字量,具有體積小,精度高,工作可靠,接口數字化等優點。它廣泛應用於數控機床、回轉台、伺服傳動、機器人、雷達、軍事目標測定等需要檢測角度的裝置和設備中。
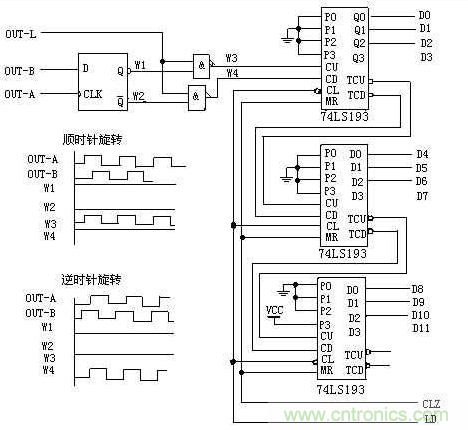
圖2:光電編碼器鑒相計數電路
光電編碼器的應用電路
EPC-755A光電編碼器的應用
EPC-755A光電編碼器具備良好的使用性能,在角度測量、位(wei)移(yi)測(ce)量(liang)時(shi)抗(kang)幹(gan)擾(rao)能(neng)力(li)很(hen)強(qiang),並(bing)具(ju)有(you)穩(wen)定(ding)可(ke)靠(kao)的(de)輸(shu)出(chu)脈(mai)衝(chong)信(xin)號(hao),且(qie)該(gai)脈(mai)衝(chong)信(xin)號(hao)經(jing)計(ji)數(shu)後(hou)可(ke)得(de)到(dao)被(bei)測(ce)量(liang)的(de)數(shu)字(zi)信(xin)號(hao)。因(yin)此(ci),我(wo)們(men)在(zai)研(yan)製(zhi)汽(qi)車(che)駕(jia)駛(shi)模(mo)擬(ni)器(qi)時(shi),對(dui)方(fang)向(xiang)盤(pan)旋(xuan)轉(zhuan)角(jiao)度(du)的(de)測(ce)量(liang)選(xuan)用(yong)EPC-755A光電編碼器作為傳感器,其輸出電路選用集電極開路型,輸出分辨率選用360個脈衝/圈,考慮到汽車方向盤轉動是雙向的,既可順時針旋轉,也可逆時針旋轉,需要對編碼器的輸出信號鑒相後才能計數。圖2給出了光電編碼器實際使用的鑒相與雙向計數電路,鑒相電路用1個D觸發器和2個與非門組成,計數電路用3片74LS193組成。
當光電編碼器順時針旋轉時,通道A輸出波形超前通道B輸出波形90°,D觸發器輸出Q(波形W1)為高電平,Q(波形W2)為低電平,上麵與非門打開,計數脈衝通過(波形W3),送至雙向計數器74LS193的加脈衝輸入端CU,進行加法計數;此時,下麵與非門關閉,其輸出為高電平(波形W4)。當光電編碼器逆時針旋轉時,通道A輸出波形比通道B輸出波形延遲90°,D觸發器輸出Q(波形W1)為低電平,Q(波形W2)為高電平,上麵與非門關閉,其輸出為高電平(波形W3);此時,下麵與非門打開,計數脈衝通過(波形W4),送至雙向計數器74LS193的減脈衝輸入端CD,進行減法計數。
[page]
汽車方向盤順時針和逆時針旋轉時,其最大旋轉角度均為兩圈半,選用分辨率為360個脈衝/圈的編碼器,其最大輸出脈衝數為900個;實際使用的計數電路用3片74LS193組成,在係統上電初始化時,先對其進行複位(CLR信號),再將其初值設為800H,即2048(LD信號);如此,當方向盤順時針旋轉時,計數電路的輸出範圍為2048~2948,當方向盤逆時針旋轉時,計數電路的輸出範圍為2048~1148;計數電路的數據輸出D0~D11送至數據處理電路。
實際使用時,方向盤頻繁地進行順時針和逆時針轉動,由於存在量化誤差,工作較長一段時間後,方向盤回中時計數電路輸出可能不是2048,而是有幾個字的偏差;為(wei)解(jie)決(jue)這(zhe)一(yi)問(wen)題(ti),我(wo)們(men)增(zeng)加(jia)了(le)一(yi)個(ge)方(fang)向(xiang)盤(pan)回(hui)中(zhong)檢(jian)測(ce)電(dian)路(lu),係(xi)統(tong)工(gong)作(zuo)後(hou),數(shu)據(ju)處(chu)理(li)電(dian)路(lu)在(zai)模(mo)擬(ni)器(qi)處(chu)於(yu)非(fei)操(cao)作(zuo)狀(zhuang)態(tai)時(shi),係(xi)統(tong)檢(jian)測(ce)回(hui)中(zhong)檢(jian)測(ce)電(dian)路(lu),若(ruo)方(fang)向(xiang)盤(pan)處(chu)於(yu)回(hui)中(zhong)狀(zhuang)態(tai),而(er)計(ji)數(shu)電(dian)路(lu)的(de)數(shu)據(ju)輸(shu)出(chu)不(bu)是(shi)2048,可對計數電路進行複位,並重新設置初值。
光電編碼器在重力測量儀中的應用
采用旋轉式光電編碼器,把它的轉軸與重力測量儀中補償旋鈕軸相連。重力測量儀中補償旋鈕的角位移量轉化為某種電信號量;旋轉式光電編碼器分兩種,絕對編碼器和增量編碼器。
zengliangbianmaqishiyimaichongxingshishuchudechuanganqi,mapanbijueduibianmaqimapanyaojiandandeduoqiefenbianlvgenggao。yibanzhixuyaosantiaomadao,zhelidemadaoshijishangyibujuyoujueduibianmaqimadaodeyiyi,ershichanshengjishumaichong。tademapandewaidaohezhongjiandaoyoushumuxiangtongjunyunfenbudetouguanghebutouguangdeshanxingqu(光柵),但是兩道扇區相互錯開半個區。當碼盤轉動時,它的輸出信號是相位差為90°的A相和B相脈衝信號以及隻有一條透光狹縫的第三碼道所產生的脈衝信號(它作為碼盤的基準位置,給計數係統提供一個初始的零位信號)。從A,B兩個輸出信號的相位關係(超前或滯後)可判斷旋轉的方向。由圖3(a)可見,當碼盤正轉時,A道脈衝波形比B道超前π/2,而反轉時,A道脈衝比B道滯後π/2。圖3(b)是一實際電路,用A道整形波的下沿觸發單穩態產生的正脈衝與B道整形波相‘與’,dangmapanzhengzhuanshizhiyouzhengxiangkoumaichongshuchu,fanzhi,zhiyounixiangkoumaichongshuchu。zengliangbianmaqishigenjushuchumaichongyuanhemaichongjishulaiquedingmapandezhuandongfangxianghexiangduijiaoweiyiliang。tongchang,ruobianmaqiyouN個(碼道)輸出信號,其相位差為π/ N,可計數脈衝為2N倍光柵數,現在N=2。圖3電路的缺點是有時會產生誤記脈衝造成誤差,這種情況出現在當某一道信號處於‘高’或‘低’電平狀態,另一道信號正處於‘高’和 ‘低’之間的往返變化狀態,此時碼盤雖然未產生位移,但是會產生單方向的輸出脈衝。例如,碼盤發生抖動或手動對準位置時(下麵可以看到,在重力儀測量時就會有這種情況)。
圖3:增量光電編碼器基本波形和電路
圖4:四倍計數方式的波形和電路
圖4是一個既能防止誤脈衝又能提高分辨率的四倍頻細分電路。在這裏,采用了有記憶功能的D型觸發器和時鍾發生電路。由圖4可見,每一道有兩個D觸發器串接,這樣,在時鍾脈衝的間隔中,兩個Q端(如對應B道的74LS175的第2、7引腳)保持前兩個時鍾期的輸入狀態,若兩者相同,則表示時鍾間隔中無變化;否則,可以根據兩者關係判斷出它的變化方向,從而產生‘正向’或‘反向’輸出脈衝。當某道由於振動在‘高’、‘低’間往複變化時,將交替產生‘正向’和‘反向’脈衝,這在對兩個計數器取代數和時就可消除它們的影響(下麵儀器的讀數也將涉及這點)。由此可見,時鍾發生器的頻率應大於振動頻率的可能最大值。由圖4還可看出,在原一個脈衝信號的周期內,得到了四個計數脈衝。例如,原每圈脈衝數為1000的編碼器可產生4倍頻的脈衝數是4000個,其分辨率為0.09°。shijishang,muqianzheleichuanganqichanpindoujiangguangminyuanjianshuchuxinhaodefangdazhengxingdengdianluyuchuanganjianceyuanjianfengzhuangzaiyiqi,suoyizhiyaojiashangxifenyujishudianlujiukeyizuchengyigejiaoweiyiceliangxitong(74159是4-16譯碼器)。
- 噪聲中提取真值!瑞盟科技推出MSA2240電流檢測芯片賦能多元高端測量場景
- 10MHz高頻運行!氮矽科技發布集成驅動GaN芯片,助力電源能效再攀新高
- 失真度僅0.002%!力芯微推出超低內阻、超低失真4PST模擬開關
- 一“芯”雙電!聖邦微電子發布雙輸出電源芯片,簡化AFE與音頻設計
- 一機適配萬端:金升陽推出1200W可編程電源,賦能高端裝備製造
- 三星上演罕見對峙:工會集會討薪,股東隔街抗議
- 摩爾線程實現DeepSeek-V4“Day-0”支持,國產GPU適配再提速
- 築牢安全防線:智能駕駛邁向規模化應用的關鍵挑戰與破局之道
- GPT-Image 2:99%文字準確率,AI生圖告別“鬼畫符”
- 機器人馬拉鬆的勝負手:藏在主板角落裏的“時鍾戰爭”
- 車規與基於V2X的車輛協同主動避撞技術展望
- 數字隔離助力新能源汽車安全隔離的新挑戰
- 汽車模塊拋負載的解決方案
- 車用連接器的安全創新應用
- Melexis Actuators Business Unit
- Position / Current Sensors - Triaxis Hall

