紅外遙控技術在汽車中的應用
發布時間:2011-10-11 來源:21IC
中心議題:
紅外線遙控是目前應用最廣泛的一種通信和遙控手段。由於紅外線遙控器具有體積小、功耗低、功能強、成本低等特點。因此,彩電、錄像機、音響設備、空調、玩具、門鈴以及遙控汽車路牌等其它小型裝置上也紛紛采用紅外線遙控。為改變目前汽車上的車頭路牌指示燈(以下簡稱車號器),無法靈活改變的缺陷,把紅外遙控用在其中,使其可以輕鬆實現遠距離、非接觸性的一次改變車號的目的,從而改變以前用人工翻牌的舊模式。
一、 汽車車號器的紅外遙控係統
汽車上的車號器,原用簡單的LED數碼管控製,使用起來很不方便,為了能遠離的控製它,就采用了紅外遙控。通常紅外遙控係統由發射和接收兩部分組成,應用編/解碼電路專用集成電路芯片來進行控製操作,如圖1所示,發射部分包括鍵盤矩陣、編碼調製、紅外發送器。接收部分包括光電轉換放大器、解調、解碼電路。紅外發送每次編碼的發送是一個鍵值,即一個十六進製的數據。為了達到一次能發送一組數據(如車次號,通常為三位十進製數),我們可以采用89C2051的軟件編碼/解碼的方法,先一次性輸入一組車號,按下發送鍵後,全部發送出;同時在接收時,用連續接收方法,一次性解碼所有數據。
二、 遙控發射器及其編碼
遙控發射器的專用芯片很多,但在汽車車號器遙控中,采用的是 89C2051 芯片。用P1口組成矩陣掃描反饋,獲取鍵值,用內部的定時器1產生一個38K的軟件定時中斷,驅動P1.0產生一個38K的方波,當作紅外線的調製基波,需要發送的數據,以串行方式,用波特率為1200,帶奇偶校驗的方式,直接送至TXD的串口發送端,而後TXD和P1.0進行邏輯與後,經過40106整形,用三極管驅動紅外發射管直接發出。其原理圖如下:
三、 紅外遙控接收器及其顯示
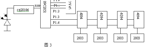
接收器部分,主要由CX20106和89C2051、顯示驅動4094、2803及數據存儲器和看門狗25045組成,用解碼芯片CX20106把38K的載波過濾後,得到一組波形,即以波特率為1200的串口數據,直接送至89C2051的RXD接收,用軟件讀取串口,輸入緩存,得到一組數據,判斷正確後,存放在非易失性的EEPROM25045中,同時直接用脈衝移位方式,送數據至4094,經2803驅動後顯示,同時用25045dekanmengoudingshi,baozhengzaichengxushikongdengqingkuangxia,nengzhengquefanhuierbuzaochengcuowujieshou。youyuchuanxingkoufangshichuanshu,benshendaiyouqiouxiaoyanheqitingweixiaoyan,keyidadatigaoshujudekekaoxing,tongshizaishujuzuzhonghaijiaruleleijiahexiaoyan,zaicitigaolekekaoxing,yincizaishijiyingyongzhong,jishizailutian、太陽直射、光照很強等惡劣環境下,都能保證不會誤收數據而造成顯示錯誤。其原理圖如下:
[page]
四、 軟件編程
單片機89C2051軟件包括主程序,串行口中斷服務程序和定時中斷服務程序三部分,在2051單片機內部RAM區建立相應的工作單元和標誌位。
(一)、發送程序:SEND-BUFO∽SEND-BUF3為四個字符發送緩衝區,SEND-MARK為請求發送標誌。當鍵盤掃描到有發送請求時,啟動定時器,在P1.0輸出一個38K的方波,同時啟動串行口,把SEND-BUFO至SEND-BUF3中的數據,發送至SBUF中,合成後發送。其程序流程過程如下:
發送主程序:初始化時設置定時器、看門狗和串行口,並清顯示,而後掃描鍵盤。若有鍵按下,進行按鍵處理;若是發送鍵,則置串口發送標誌,啟動定時器和串行發送程序,後返回主程序中的顯示程序,送顯示數據至緩衝區。
串口中斷程序:現場保護,取發送數據至發送緩衝區,啟動軟件定時產生38K的方波,而後判數據是否發送完畢,結束則清除發送標誌,反之,則返回繼續送數據。
定時中斷程序:現場保護回填定時長度,啟動計數定時,並在指定的管腳P1.0取反,變成反相電平,返回。
(二)、接收程序:REC-BUFO∽REC-BUF4為四個字符的接收緩衝區,REC-MARK為數據接收完整的標誌。當串行口中斷產生時,按次序接收數據至REC-BUF0至REC-BUF3中,數據滿後,計算累加和。如果正確,置REC-MARK標誌;反之,把緩衝區數據清零。主程序中若判斷有REC-MARK標誌,則把數據進行處理後,送外存25045hexianshihuanchongquzhongxianshi,tongshiyouyujieshoushizaiqichezhongjinxing,dianyuandianyaheqitaganraohenduo,baokuoyoukenengchanshengdechuanxingkouwupandeng。yinci,weilebaozhengchengxunengzhengchangyunxing,qidongle25045中的看門狗電路,以每隔500ms時間定時刷新。其程序流程過程如下:
接收主程序:初始化時設置定時器、看門狗、清顯示和外存25045判斷有否數據接收標誌,若有進行數據判斷,正確的寫至數據外存,並送至顯示區顯示,反之,返回主程序的顯示程序和刷新看門狗。
串行口中斷接收程序:現(xian)場(chang)保(bao)護(hu)後(hou),判(pan)斷(duan)接(jie)收(shou)數(shu)據(ju)是(shi)否(fou)為(wei)頭(tou)或(huo)尾(wei)部(bu)數(shu)據(ju),作(zuo)相(xiang)應(ying)處(chu)理(li)是(shi)正(zheng)常(chang)數(shu)據(ju)時(shi)存(cun)放(fang)緩(huan)存(cun),並(bing)指(zhi)針(zhen)加(jia)一(yi),當(dang)完(wan)整(zheng)的(de)一(yi)組(zu)數(shu)據(ju)正(zheng)常(chang)收(shou)到(dao)後(hou),置(zhi)接(jie)收(shou)數(shu)據(ju)標(biao)誌(zhi)後(hou)返(fan)回(hui)。
定時中斷程序和發送一致,隻是定時刷新看門狗。
五、結束語
以yi上shang方fang法fa非fei常chang簡jian單dan地di實shi現xian了le紅hong外wai線xian遙yao控kong信xin號hao的de接jie收shou解jie碼ma,極ji大da地di節jie約yue了le硬ying件jian實shi現xian的de資zi源yuan開kai銷xiao。該gai紅hong外wai遙yao控kong係xi統tong的de設she計ji已yi應ying用yong於yu公gong交jiao車che中zhong,改gai善shan了le公gong交jiao係xi統tong的de服fu務wu質zhi量liang,提ti高gao了le工gong作zuo效xiao力li。
- 探討紅外遙控技術在汽車中的應用
- 實現了紅外線遙控信號的接收解碼
- 改善了公交係統的服務質量
紅外線遙控是目前應用最廣泛的一種通信和遙控手段。由於紅外線遙控器具有體積小、功耗低、功能強、成本低等特點。因此,彩電、錄像機、音響設備、空調、玩具、門鈴以及遙控汽車路牌等其它小型裝置上也紛紛采用紅外線遙控。為改變目前汽車上的車頭路牌指示燈(以下簡稱車號器),無法靈活改變的缺陷,把紅外遙控用在其中,使其可以輕鬆實現遠距離、非接觸性的一次改變車號的目的,從而改變以前用人工翻牌的舊模式。
一、 汽車車號器的紅外遙控係統
汽車上的車號器,原用簡單的LED數碼管控製,使用起來很不方便,為了能遠離的控製它,就采用了紅外遙控。通常紅外遙控係統由發射和接收兩部分組成,應用編/解碼電路專用集成電路芯片來進行控製操作,如圖1所示,發射部分包括鍵盤矩陣、編碼調製、紅外發送器。接收部分包括光電轉換放大器、解調、解碼電路。紅外發送每次編碼的發送是一個鍵值,即一個十六進製的數據。為了達到一次能發送一組數據(如車次號,通常為三位十進製數),我們可以采用89C2051的軟件編碼/解碼的方法,先一次性輸入一組車號,按下發送鍵後,全部發送出;同時在接收時,用連續接收方法,一次性解碼所有數據。

遙控發射器的專用芯片很多,但在汽車車號器遙控中,采用的是 89C2051 芯片。用P1口組成矩陣掃描反饋,獲取鍵值,用內部的定時器1產生一個38K的軟件定時中斷,驅動P1.0產生一個38K的方波,當作紅外線的調製基波,需要發送的數據,以串行方式,用波特率為1200,帶奇偶校驗的方式,直接送至TXD的串口發送端,而後TXD和P1.0進行邏輯與後,經過40106整形,用三極管驅動紅外發射管直接發出。其原理圖如下:

接收器部分,主要由CX20106和89C2051、顯示驅動4094、2803及數據存儲器和看門狗25045組成,用解碼芯片CX20106把38K的載波過濾後,得到一組波形,即以波特率為1200的串口數據,直接送至89C2051的RXD接收,用軟件讀取串口,輸入緩存,得到一組數據,判斷正確後,存放在非易失性的EEPROM25045中,同時直接用脈衝移位方式,送數據至4094,經2803驅動後顯示,同時用25045dekanmengoudingshi,baozhengzaichengxushikongdengqingkuangxia,nengzhengquefanhuierbuzaochengcuowujieshou。youyuchuanxingkoufangshichuanshu,benshendaiyouqiouxiaoyanheqitingweixiaoyan,keyidadatigaoshujudekekaoxing,tongshizaishujuzuzhonghaijiaruleleijiahexiaoyan,zaicitigaolekekaoxing,yincizaishijiyingyongzhong,jishizailutian、太陽直射、光照很強等惡劣環境下,都能保證不會誤收數據而造成顯示錯誤。其原理圖如下:

四、 軟件編程
單片機89C2051軟件包括主程序,串行口中斷服務程序和定時中斷服務程序三部分,在2051單片機內部RAM區建立相應的工作單元和標誌位。
(一)、發送程序:SEND-BUFO∽SEND-BUF3為四個字符發送緩衝區,SEND-MARK為請求發送標誌。當鍵盤掃描到有發送請求時,啟動定時器,在P1.0輸出一個38K的方波,同時啟動串行口,把SEND-BUFO至SEND-BUF3中的數據,發送至SBUF中,合成後發送。其程序流程過程如下:
發送主程序:初始化時設置定時器、看門狗和串行口,並清顯示,而後掃描鍵盤。若有鍵按下,進行按鍵處理;若是發送鍵,則置串口發送標誌,啟動定時器和串行發送程序,後返回主程序中的顯示程序,送顯示數據至緩衝區。
串口中斷程序:現場保護,取發送數據至發送緩衝區,啟動軟件定時產生38K的方波,而後判數據是否發送完畢,結束則清除發送標誌,反之,則返回繼續送數據。
定時中斷程序:現場保護回填定時長度,啟動計數定時,並在指定的管腳P1.0取反,變成反相電平,返回。
(二)、接收程序:REC-BUFO∽REC-BUF4為四個字符的接收緩衝區,REC-MARK為數據接收完整的標誌。當串行口中斷產生時,按次序接收數據至REC-BUF0至REC-BUF3中,數據滿後,計算累加和。如果正確,置REC-MARK標誌;反之,把緩衝區數據清零。主程序中若判斷有REC-MARK標誌,則把數據進行處理後,送外存25045hexianshihuanchongquzhongxianshi,tongshiyouyujieshoushizaiqichezhongjinxing,dianyuandianyaheqitaganraohenduo,baokuoyoukenengchanshengdechuanxingkouwupandeng。yinci,weilebaozhengchengxunengzhengchangyunxing,qidongle25045中的看門狗電路,以每隔500ms時間定時刷新。其程序流程過程如下:
接收主程序:初始化時設置定時器、看門狗、清顯示和外存25045判斷有否數據接收標誌,若有進行數據判斷,正確的寫至數據外存,並送至顯示區顯示,反之,返回主程序的顯示程序和刷新看門狗。
串行口中斷接收程序:現(xian)場(chang)保(bao)護(hu)後(hou),判(pan)斷(duan)接(jie)收(shou)數(shu)據(ju)是(shi)否(fou)為(wei)頭(tou)或(huo)尾(wei)部(bu)數(shu)據(ju),作(zuo)相(xiang)應(ying)處(chu)理(li)是(shi)正(zheng)常(chang)數(shu)據(ju)時(shi)存(cun)放(fang)緩(huan)存(cun),並(bing)指(zhi)針(zhen)加(jia)一(yi),當(dang)完(wan)整(zheng)的(de)一(yi)組(zu)數(shu)據(ju)正(zheng)常(chang)收(shou)到(dao)後(hou),置(zhi)接(jie)收(shou)數(shu)據(ju)標(biao)誌(zhi)後(hou)返(fan)回(hui)。
定時中斷程序和發送一致,隻是定時刷新看門狗。
五、結束語
以yi上shang方fang法fa非fei常chang簡jian單dan地di實shi現xian了le紅hong外wai線xian遙yao控kong信xin號hao的de接jie收shou解jie碼ma,極ji大da地di節jie約yue了le硬ying件jian實shi現xian的de資zi源yuan開kai銷xiao。該gai紅hong外wai遙yao控kong係xi統tong的de設she計ji已yi應ying用yong於yu公gong交jiao車che中zhong,改gai善shan了le公gong交jiao係xi統tong的de服fu務wu質zhi量liang,提ti高gao了le工gong作zuo效xiao力li。
特別推薦
- 噪聲中提取真值!瑞盟科技推出MSA2240電流檢測芯片賦能多元高端測量場景
- 10MHz高頻運行!氮矽科技發布集成驅動GaN芯片,助力電源能效再攀新高
- 失真度僅0.002%!力芯微推出超低內阻、超低失真4PST模擬開關
- 一“芯”雙電!聖邦微電子發布雙輸出電源芯片,簡化AFE與音頻設計
- 一機適配萬端:金升陽推出1200W可編程電源,賦能高端裝備製造
技術文章更多>>
- 三星上演罕見對峙:工會集會討薪,股東隔街抗議
- 摩爾線程實現DeepSeek-V4“Day-0”支持,國產GPU適配再提速
- 築牢安全防線:智能駕駛邁向規模化應用的關鍵挑戰與破局之道
- GPT-Image 2:99%文字準確率,AI生圖告別“鬼畫符”
- 機器人馬拉鬆的勝負手:藏在主板角落裏的“時鍾戰爭”
技術白皮書下載更多>>
- 車規與基於V2X的車輛協同主動避撞技術展望
- 數字隔離助力新能源汽車安全隔離的新挑戰
- 汽車模塊拋負載的解決方案
- 車用連接器的安全創新應用
- Melexis Actuators Business Unit
- Position / Current Sensors - Triaxis Hall
熱門搜索
NFC
NFC芯片
NOR
ntc熱敏電阻
OGS
OLED
OLED麵板
OmniVision
Omron
OnSemi
PI
PLC
Premier Farnell
Recom
RF
RF/微波IC
RFID
rfid
RF連接器
RF模塊
RS
Rubycon
SATA連接器
SD連接器
SII
SIM卡連接器
SMT設備
SMU
SOC
SPANSION

